3-фазный регулятор частоты вращения двигателя WK310/WK600 380 В 0 75 кВт/кВт VFD — купить по
Сравнительная таблица WK310 и WK600

Инструкции по выбору типа:

А.Серия WK310-это простые преобразователи частоты с простыми функциями, простыми в использовании и базовыми функциями.;
Б. Серия WK600-это Высокопроизводительные векторные инверторы с комплексными функциями и широким применением, которые могут реализовать сложные функции управления;
C. Пожалуйста, выберите вышеуказанные продукты в соответствии с функциональными требованиями;
Д. Преобразователи частоты серии WK310 не имеют функции связи RS485 по умолчанию и не имеют встроенных тормозных блоков. Если вам нужна функция связи RS485 преобразователя частоты или вам нужно использовать с тормозным сопротивлением, пожалуйста, купите наш преобразователь частоты серии wk600.Оставьте сообщение во время покупки.
Упаковочный лист

Упаковочный лист:
Машина * 1, обтекаемая Версия руководства по продукту * 1 (включая гарантийный талон), удлинительная линия * 1 (описание клавиатуры, приобретается отдельно), сертификат квалификации продукта * 1
Дополнительное Примечание:
А.Если вам нужна подробная Версия руководства по продукту, вы можете связаться с нами, чтобы отправить его вам бесплатно.
Б. Если в упаковочном чехле нет бумажного руководства по продукту, это связано с изменениями или обновлениями продукта. Пожалуйста, свяжитесь с нами для получения последнего и точного руководства по электронному продукту.
Скачать инструкцию по эксплуатации
Скопируйте URL для открытия в браузере:
Http://www.cnweiken.cn/en/page/56.htm
URL онлайн предварительного просмотра:
Http://www.cnweiken.cn/wk310.pdf
Http://www.cnweiken.cn/wk600.pdf
Рекомендуемые аксессуары


Описание товара

Компания и услуги
• Строгое управление производством
5S управление, стандартизированное производство и строгое тестирование

• Награды нашей компании
- Основная патентная технология
- Официальные производственные предприятия
- Сертификация CE ЕС
- Шэньчжэнь высокотехнологичные предприятия

• Чехлы для использования клиентами

Инструкции по покупке
Обратите внимание:Мы не несем ответственности за какие-либо таможенные пошлины или налог на импорт!
Оплата
А. Пожалуйста, Произведите оплату безопасной оплатой заранее, чтобы мы могли организовать доставку вовремя.
Б. Пожалуйста, укажите свой подробный адрес доставки, контактную информацию и номер телефона при оплате. Очень важно успешно достапосылка ЛКУ. Перед оплатой убедитесь, что ваш адрес в Aliexpress совпадает с вашим адресом доставки. Специально для российских покупателей необходимо указать полное имя (имя, отчество, фамилию). Большое спасибо.
C. Мы не несем ответственности за любые таможенные пошлины или налог на импорт. Пожалуйста, свяжитесь с таможней вашей страны, чтобы определить, какие дополнительные расходы будут возникать перед подачей заявки/покупкой.
Упаковочный лист:
Машина * 1, обтекаемая Версия руководства по продукту * 1 (включая гарантийный талон), удлинительная линия * 1 (описание клавиатуры, приобретается отдельно), сертификат квалификации продукта * 1
Дополнительное Примечание:
А.Если вам нужна подробная Версия руководства по продукту, вы можете связаться с нами, чтобы отправить его вам бесплатно.
Б. Если в упаковочном чехле нет бумажного руководства по продукту, это связано с изменениями или обновлениями продукта. Пожалуйста, свяжитесь с нами для получения последнего и точного руководства по электронному продукту.
Доставка
А. Вся посылка-Стандартная бумажная коробка или деревянная упаковка для большого заказа.
Б. Обратите внимание на дату доставки с помощью другой экспресс-доставки, поэтому, пожалуйста, выберите правильную доставку в соответствии с вашими потребностями.
C. Если вы готовы к большому заказу, пожалуйста, свяжитесь с нами, если вы хотите доставку другим способом.
Д. Все посылки отправляются с номером отслеживания.
Отзывы
Мы очень ценим ваши положительные отзывы. Мы гарантируем качество нашей продукции. Каждый товар тщательно проверяется перед отправкой. Пожалуйста, немедленно свяжитесь с нами, если у вас есть какие-либо причины. Мы сделаем все возможное, чтобы Вы остались довольны.
Если вы удовлетворены нашими продуктами и услугами, пожалуйста, оставьте положительный отзыв в пять звезд (★★★★★Отзывы для нас. Это очень важно для нас. Заранее большое спасибо.
Свяжитесь с нами
Мы ответим на ваши запросы как можно скорее. Однако, пожалуйста, обратите внимание, что у нас есть разница во времени в 12-16 часов с Западной Европой и разница во времени в 8 часов с США, поэтому мы обещаем, что постараемся ответить в течение 24 часов.
Для оптовых заказов, пожалуйста, свяжитесь с нами для получения подробной информации. Мы можем предоставить вам подходящую скидку.
Напоминание о кэшбэке: Что бы получить кешбек при покупке этого или другого товара на Aliexpress. Авторизуйтесь или зарегистрируйетсь в кэшбэк-сервисе, далее появиться подробная инструкция как получать кэшбэк при покупках на Алиэкспресс.

Отзывы покупателей
*о других товарах
Отзывы
Здесь вы можете оставить свой отзыв о данном товаре.
Бренд CNWeiKen из Китая продаётся в 4 магазинах, наибольшее количество товаров ожидает в официальном магазине марки. Максимальное количество преобразователей и конвертеров CNWeiKen в количестве 789 шт было продано официальным продавцом, суммарно все продавцы реализовали 933 единиц. Товары бренда так же продаются в категориях: «преобразователи и конвертеры», «» и «».
Категории бренда
Для анализа бренда, мы собрали статистку в которой вывели стоимость товаров по группам. Взяли среднюю цену всех предложений в категории и посчитали на сколько отличнается стоимость вещей CNWeiKen. Такой метод даёт понимание
дешевизны или дороговизны товаров по необходимым категориям.

Товаров: 804 / Заказов: 931
Средняя цена преобразователей и конвертеров CNWeiKen 7429 руб.
Дороже на 44%
чем аналогичные товары
по цене 5700 руб.
WK310/WK600 380 V 0.75kw/1.5kw/2.2kw частотно-регулируемым приводом 3 фазный двигатель преобразования частоты регулятор скорости
Таблица Сравнения WK310 и WK600
Тип выбор инструкции по уходу за изделием

A.Серия WK310-это простые преобразователи частоты, с простыми функциями, простыми в использовании и базовыми функциями.;
B. Серия WK600-это Высокопроизводительные векторные инверторы с комплексными функциями и широким применением, которые могут осуществлять сложные функции управления;
С. Пожалуйста, выберите вышеуказанные продукты в соответствии с функциональными требованиями;
D. Частотные преобразователи серии WK310 по умолчанию не имеют функции связи RS485 и не имеют встроенных тормозных блоков. Если вам нужна функция связи RS485 преобразователя частоты или нужно использовать с тормозным сопротивлением, пожалуйста, купите наш Частотный преобразователь серии WK600.
Упаковочный лист
Комплект поставки:
Машина * 1, обтекаемая версия продукта руководство * 1 (включая гарантийный талон), линия расширения * 1 (введение клавиатуры, необходимо приобретать отдельно), сертификат качества продукта * 1
Дополнительное Примечание:
A.Если вам нужна подробная Версия руководства, вы можете связаться с нами, чтобы отправить его вам бесплатно.
B. В том случае, если нет бумажной продукции по эксплуатации во время упаковки чехол, это может быть из-за изменений продукта или обновлений. Пожалуйста, свяжитесь с нами для получения последней и точной электронной инструкции по продукту.
Покупка инструкции
Пожалуйста, обратите внимание: Мы не несем ответственности за любые таможенные пошлины или налог на импорт!
Оплата
А. Пожалуйста, Произведите оплату предоплаты, чтобы мы могли организовать доставку вовремя.
B. Пожалуйста, напишите свой подробный адрес доставки, контактную информацию и номер телефона при оплате. Очень важно успешно доставить посылка. Пожалуйста, убедитесь, что ваш адрес в AliExpress совпадает с вашим адресом доставки перед оплатой. Специально для покупателей из России необходимо указать полное имя (имя, отчество, фамилия). Большое вам спасибо.
C. Мы не несем ответственности за любые таможенные пошлины или налог на импорт. Пожалуйста, свяжитесь с таможней вашей страны, чтобы определить, какие дополнительные расходы будут перед торгами/покупкой.
Комплект поставки:
Машина * 1, обтекаемая версия продукта руководство * 1 (включая гарантийный талон), линия расширения * 1 (введение клавиатуры, необходимо приобретать отдельно), сертификат качества продукта * 1
Дополнительное Примечание:
A.Если вам нужна подробная Версия руководства, вы можете связаться с нами, чтобы отправить его вам бесплатно.
B. В том случае, если нет бумажной продукции по эксплуатации во время упаковки чехол, это может быть из-за изменений продукта или обновлений. Пожалуйста, свяжитесь с нами для получения последней и точной электронной инструкции по продукту.
Доставка
А. Вся посылка является стандартной бумажной коробкой или деревянной упаковкой для большого заказа.
B. Пожалуйста, обратите внимание на дату доставки с помощью другой экспресс-доставки, поэтому, пожалуйста, выберите правильную доставку в соответствии с вашими потребностями.
C. Если Вы готовитесь к крупному заказу, пожалуйста, свяжитесь с нами, если хотите доставку любым другим способом.
D. Все пакеты будут отправлены с номером отслеживания.
Отзывы
Ваши положительные отзывы высоко ценятся. Мы гарантируем качество нашей продукции. Каждый товар будет тщательно проверен перед отправкой. Пожалуйста, свяжитесь с нами немедленно, если есть какие-либо причины, которые вы чувствуете. Мы сделаем все возможное, чтобы удовлетворить вас.
Если вы удовлетворены нашей продукцией и обслуживанием, пожалуйста, оставьте положительный пять звезд (★★★★★Отзывы для нас. Это очень важно для нас. Заранее большое спасибо.
Пожалуйста, свяжитесь с нами
Мы ответим на ваши вопросы как можно скорее. Однако, пожалуйста, обратите внимание, что у нас есть 12-16 часов разницы во времени с Западной Европой и 8 часов разницы во времени с США, поэтому мы обещаем, что постараемся ответить в течение 24 часов.
Для оптовых заказов, пожалуйста, свяжитесь с нами для получения подробной информации. Мы можем предоставить вам соответствующую скидку.
Преобразователь частоты — это силовой электронный блок, который является посредником между системой управления и электродвигателем. Он обеспечивает питание для двигателя, защищает его и задаёт необходимый режим работы — разгон, торможение или постоянное изменение скорости.
Для примера возьмем шлифовальный станок, который часто можно встретить в промышленном цеху или в столярной мастерской. Для качественной работы станка движение должно осуществляться в двух направлениях, скорость вращения ленты — меняться плавно, а аварийная кнопка мгновенно отключать питание. Без преобразователя частоты тут точно не обойтись.
Рис.1 Внешний вид шлифовального станка.
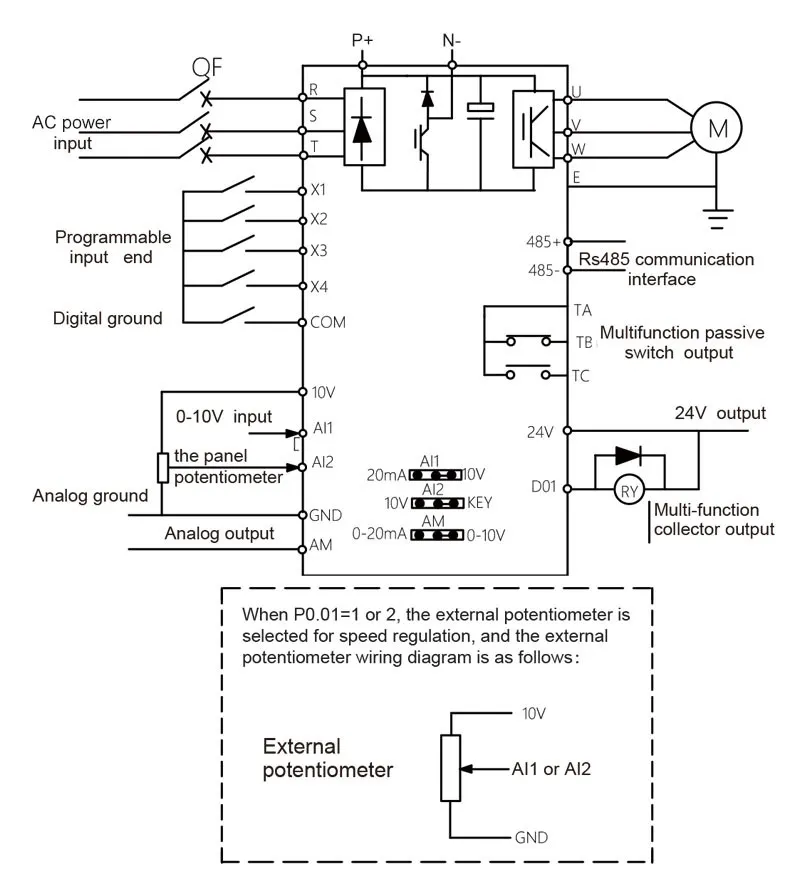
Подключение силовых цепей
Все провода, подключаемые к частотному преобразователю, можно разделить на 2 группы: силовые и контрольные. Рассмотрим подключение силовых.
Три провода сетевого питания 380 В, 50 Гц — клеммы R, S, T + провод заземления PE. Нейтраль частотному преобразователю не нужна. Даже если она у вас есть, подключать не нужно. А вот провода питания можно подключать в любом порядке. При необходимости чередование фаз можно изменить в программе частотника.
Три провода питания двигателя — клеммы U, V, W + провод заземления PE. На выходе напряжение может меняться от 0 до 380 В, а частота от 0 до 500 Гц. В этом и кроется смысл работы частотного преобразователя — он позволяет изменять скорость двигателя от нуля до номинального значения и даже выше, если это позволяет механика.

Рис.2 Подключение силовых цепей
Подключение цепей управления
С контрольными проводами всё несколько сложнее. Тут нужно хорошо подумать, прежде чем подключать. На выбор целая россыпь дискретных и аналоговых входов и выходов. В документации производители чаще всего публикуют стандартную схему подключения с заводскими настройками, но для каждого механизма на деле нужна своя схема и индивидуальные настройки.

Рис.3 Подключение цепей управления
У нас задача не самая сложная. Для управления шлифовальной машиной достаточно кнопок «Пуск», «Стоп», переключателя «Вперед – Назад» и переменного резистора для изменения скорости вращения, его ещё называют потенциометром.
К дискретным входам DI подключаются сигналы, которые могут принимать одно из двух состояний — «вкл» и «выкл» или логический 0 и 1. В нашей схеме это кнопки «Пуск», «Стоп», переключатель направления и аварийный «грибок». Мы будем использовать кнопки без фиксации, которые уже установлены на станке.
К аналоговым входам AI подключаются сигналы с непрерывно меняющейся величиной тока 4…20 мА или напряжения 0…10 В. Это могут быть датчики, сигналы от контроллера или другого внешнего устройства. В нашем случае — это ручка потенциометра, которая обеспечивает плавную регулировку скорости.
Потенциометр или переменный резистор — это регулируемый делитель напряжения с тремя контактами.

Рис.4 Внешний вид потенциометра
На два крайних неподвижных контакта подаётся постоянное напряжение 10 В от частотного преобразователя, а средний подвижный контакт служит для снятия текущей величины напряжения, которая зависит от положения ручки. Если ручка повернута наполовину, значит и напряжение будет только половинное = 5 В. Преобразователь пересчитает напряжение в задание скорости и разгонит двигатель.

Рис.5 Подключение потенциометра
Любой потенциометр не подойдёт, необходим с сопротивлением от 2 до 5 кОм, чтобы аналоговый вход стабильно работал. А ещё он должен быть с удобной ручкой, ведь крутить его придётся постоянно. Мощность может быть любой, даже 0,125 Вт достаточно. Идеально подойдёт XB5AD912R4K7 с сопротивлением 4,7 кОм.
На дискретные — DO и аналоговые выходы AO преобразователь выдает информацию о своем текущем состоянии, скорости или токе двигателя, достижении заданных значений или выходе за их пределы. В нашем случае выходы не используются, поэтому подключать нечего.
Настройка
Недостаточно просто подключить все провода к частотнику, его ещё нужно правильно настроить, чтобы механизм работал стабильно и долго. Для этого в частотном преобразователе несколько сотен параметров. Конечно, все настраивать не придётся, но вот основные — обязательно.
Настройка осуществляется с помощью клавиш на встроенной панели управления. С ними всё предельно просто.
Кнопка PRG отвечает за вход и выход из режима программирования. Кнопки вверх, вниз и вбок осуществляют навигацию внутри меню, а кнопка Enter — подтверждает выбор параметра или его значения.
MF.K — это дополнительная функциональная кнопка, которую можно настроить на необходимое действие, например переключение между местным и дистанционным управлением или смену направления вращения.
Зеленая и красная кнопки — это Пуск и Стоп, если управление осуществляется с панели.
Если запутались, не беда. Нужно несколько раз нажать на кнопку PRG, чтобы вернуться к исходному состоянию.

Рис.6 Внешний вид панели управления
А теперь к параметрированию
Во-первых, необходимо дать понять частотному преобразователю, какой двигатель к нему подключен. Для этого в параметры с F1-01 по F1-05 запишем значения с шильдика двигателя:
F1-01 = 1,5 кВт — номинальная мощность двигателя
F1-02 = 380 В — номинальное напряжение двигателя
F1-03 = 3,75 А — номинальный ток двигателя
F1-04 = 50 Гц — номинальная частота двигателя
F1-05 = 1400 об/мин — номинальная скорость двигателя

Рис.7 Шильдик двигателя
Теперь, когда основные данные о двигателе есть, нужно провести автонастройку. Этот процесс нужен, чтобы частотный преобразователь ещё лучше адаптировался к работе с конкретным двигателем: вычислил сопротивление и индуктивность обмоток. Так управление будет точнее, а экономия энергии — больше.
Для запуска процедуры устанавливаем F1-37 = 1 — статическая автонастройка и нажимаем кнопку «Run» на панели управления. Через пару минут дисплей переходит в исходное состояние и частотник готов к работе.
Далее переведём управление на внешние кнопки и настроим его
В нашем случае подойдёт трёхпроводное управление, где кнопка «Стоп» осуществляет разрешение на работу, кнопка «Старт» — запуск станка, а переключатель выбирает направление вращения.
Рис.8 Схема трёхпроводного управления
Настроим эти параметры:
F0-02 = 1 — управление через клеммы управления
F0-03 = 2 — задание частоты с AI1 (потенциометр)
F4-00 = 1 — пуск
F4-01 = 2 — выбор направления движения
F4-02 = 3 — разрешение работы
F4-03 = 47 — аварийный останов
F4-11 = 3 — режим трёхпроводного управления
Теперь станок начинает оживать, реагирует на нажатие кнопок и вращение ручки скорости. Остаётся настроить время разгона, торможения и проверить на практике удобство использования. Наш частотный преобразователь настроен и готов к использованию!
Защита и безопасность
Преобразователь частоты — умное устройство. После настройки в работу включаются все защитные функции, которые в случае аварии сберегут и сам частотник, и двигатель, и механизм.
Например, при заклинивании: преобразователь вычислит, что ток двигателя намного выше номинального, который мы установили в параметре F1-03 ранее, выдаст ошибку «Перегрузка двигателя» и отключится. Двигатель не перегреется и не сгорит, а механика останется целой.
А если возникла угроза здоровью оператора или поломки оборудования — спасет аварийная кнопка «грибок». При её нажатии преобразователь в мгновение остановит станок и отключит питание. Никто не пострадает!
Вместо заключения
Настройка частотного преобразователя — процесс увлекательный. Порой преобразователь берёт на себя не только управление двигателем, но и целой системой и может заменить даже простой контроллер. К частотнику можно подключать датчики, лампы индикации, реле и даже контакторы. Применение преобразователю можно найти везде: от насосов и конвейеров до сложных станков, подъёмников и лифтов. Главное внимательно изучать документацию и делать всё по порядку, тогда всё обязательно получится.
Ещё по теме
Настройка частотного преобразователя для регулирования давления в трубопроводе
Как настроить управление частотным преобразователем по сети Modbus
Инструкция по эксплуатации и чертежи MD310
Каталог с актуальными ценами
Спасибо, что пришли. Вы можете выбрать наш магазин, и магазин будет отправлять купоны время от времени. Вы можете заказать инвертор после получения купона на скидку магазина.

Инструкции по выбору типа:
1. Пожалуйста, внимательно прочитайте инструкции по продукту, выберите тип в соответствии с функцией и мощностью, которые вам нужны, и избегайте повреждений, вызванных неправильной проводкой.
2. Этот преобразователь частоты не может управлять другими типами нагрузки, за исключением индуктивной нагрузки, такой как двигатель. Пожалуйста, обратите особое внимание на это при покупке.
3. Общая потребляемая мощность солнечного постоянного тока должна быть больше, чем у фотоэлектрического преобразователя, а мощность фотоэлектрического преобразователя должна быть больше или равна общей мощности нагрузки, управляемой им.
4. Оптимальный Диапазон входного напряжения постоянного тока может сослаться на лучшее Входное значение в таблице выбора для обеспечения наиболее эффективной работы преобразователя частоты и двигателя. Изменение входного напряжения постоянного тока может быть достигнуто путем изменения серии и параллельного подключения солнечных панелей.
5. Солнечная инверторная система серии WK600D обновлена, с дополнительными функциями, которые могут управлять однофазными двигателями. Установите параметры P0-20 = 20, P1-00 = 3,
Однофазный режим двигателя 1. Или P1-00 = 4, однофазный режим двигателя 2.
Дополнительное Примечание:
А. Если вам нужна подробная Версия руководства по продукту, вы можете связаться с нами, чтобы отправить его вам бесплатно.
B. Если нет бумажной продукции по эксплуатации во время упаковки чехол, это может быть из-за изменений продукта или обновлений.
Пожалуйста, свяжитесь с нами для получения новейшего и точного электронного руководства.
Схема подключения 220V 0.75KW-2.2KW

220V 0.75KW
220 В 1,5 кВт
220 В 2 кВт
Номер модели
WK600D-0007-D1T
WK600D-0015-D1T
WK600D-0022-D1T
Входное напряжение
DC 280V-380V (лучше всего подходит для 300V-320V) или однофазный 220V ± 10% 50/60 Гц
Выходное напряжение
Однофазный 220 В или трехфазный 0-220 В 0-650 Гц
Мощность
0.75 кВт/1 л.с.
1.5 кВт/2 л.с.
2.2 кВт/3 л.с.
Номинальный ток
3.7A
7А
10A
Размер формы
155*82*135 мм
Размер упаковки
220*150*130 мм
Вес
1,2 кг
Схема проводки 220 В 4 кВт
220 В 4 кВт
Номер модели
WK600D-0040-D1T
Входное напряжение
DC 280V-380V (лучше всего подходит для 300V-320V) или однофазный 220V ± 10% 50/60 Гц
Выходное напряжение
Однофазный 220 В или трехфазный 0-220 В 0-650 Гц
Мощность
4 кВт/5 л.с.
Номинальный ток
16А
Размер формы
170*130*160 мм
Размер упаковки
225*190*230 мм
Вес
2 кг
Схема подключения 220V 5.5KW-7.5KW

220V 5.5KW
220V 7.5KW
Номер модели
WK600D-0055-D1T
WK600D-0075-D1T
Входное напряжение
DC 280V-380V (лучше всего подходит для 300V-320V) или однофазный 220V ± 10% 50/60 Гц
Выходное напряжение
Однофазный 220 В или трехфазный 0-220 В 0-650 Гц
Мощность
5.5 кВт/8 л.с.
7.5 кВт/10 л.с.
Номинальный ток
20А
30A
Размер формы
220*152*179 мм
Размер упаковки
280*205*245 мм
Вес
3,3 кг
Схематическая схема
Схема проводки
Дополнительное Примечание:
Основные Контурные клеммы R S T являются трехфазным входом переменного тока (220 В-R T), P + и N-входом постоянного тока PV; При входе переменного тока, постоянный ток должен быть отключен и не может быть приведен в действие одновременно.
Установите параметры p0-20 = 20, P1-00 = 3 или 4, однофазный режим двигателя,
Выход V, W для подключения к однофазному мотору 220V.
Рекомендации по конфигурации солнечной панели:
220V солнечный инвертор вход переменного тока 320V-350V, самое лучшее рабочее напряжение DC320V,
380V солнечный инвертор вход постоянного тока 540V-580V, лучшее рабочее напряжение DC540V,
Суммарная мощность солнечной панели 1,5 times The power мотора.
Почему вы выбираете нас?
I.Продукты и технологии
• Встроенный контроллер MPPT:
MPPT: полное имя «максимальное отслеживание точки питания». Он может обнаруживать напряжение генерации солнечных панелей в режиме реального времени и отслеживать максимальное напряжение и значение тока (VI), так что система может выводить нагрузку на вождение с максимальной мощностью и применять его к солнечной фотоэлектрической системе для координации работы между солнечными панелями и нагрузками. Это мозг фотоэлектрических систем.
• Поддержка широкого входного напряжения;
A, 220V фотоэлектрический Преобразователь соответствующий входное напряжение ниже 280V подскочит защита от низкого напряжения отключение сигнализации, 380V выше автоматически подавления повышения напряжения, следует избегать попадания на выключение перенапряжения;
B, 380 В фотоэлектрический преобразователь, соответствующее входному напряжению ниже 380 В, будет скакать низкого напряжения, выключение сигнализации 700 в выше автоматически подавляет Повышение напряжения, избегайте отключения перенапряжения.
C, когда входное напряжение солнечного инвертора слишком низкое или слишком высокое, инвертор перестает работать, и возобновляет работу после того, как входное напряжение возвращается в норму, осуществляя операции без присмотра в истинном чувстве.
D. Выходная частота солнечного инвертора регулируется в соответствии с входным напряжением постоянного тока.
Когда напряжение низкое, частота уменьшается, чтобы уменьшить потери мощности,
Так что двигатель продолжает работать на низкой скорости,
И выходная частота изменяется после восстановления напряжения.
Эта функция оказывает значительное влияние на дождливую погоду или пасмурную погоду
• Поддержка автоматического запуска и остановки без присмотра.
Утром, когда интенсивность освещения поднимается в определенной степени, входное напряжение достигает около 380 В (220 В фотоэлектрический Преобразователь достигает около 280 В), И фотоэлектрический преобразователь автоматически начинает работу с движущейся нагрузкой без ручной работы.
Вечером, когда интенсивность освещения уменьшается в определенной степени, входное напряжение падает до около 380 В (220 В фотоэлектрический Преобразователь достигает около 280 В), И фотоэлектрический преобразователь автоматически останавливает Вождение нагрузки без ручной работы.
• Наши продукты могут обеспечить функцию защиты двигателя.
Таких как короткое замыкание, фазовое отсутствие, Перегрузка по току, перенапряжение, понижение напряжения, перегрев, защита от перегрузки и т. д.
• Подробная информация о наших продуктах.
5-Разрядный Дисплей Трубки
Высококачественные компоненты
Вентилятор для рассеивания тепла постоянного тока
Изолированное алюминиевое основание для рассеивания тепла
• Наша технология продукции
А. Схема проводки терминала нашей продукции
B. Техническая спецификация для наших продуктов
II. Компания и услуги
• Строгое управление производством
Управление 5S, стандартизированное производство и строгие испытания
• Честь нашей компании
Основные патентные технологии
Официальные производственные предприятия
Сертификация CE ЕС
Шэньчжэнь высокотехнологичные предприятия
Инструкции по покупке
Обратите внимание: Мы не несем ответственности за любые таможенные пошлины или налог на импорт!
Оплата
А. Пожалуйста, сделайте оплату путем безопасной оплаты заранее и чтобы мы могли организовать доставку вовремя.
B. Пожалуйста, напишите свой подробный адрес доставки, контактную информацию и номер телефона при оплате. Очень важно успешно доставить посылка. Перед оплатой убедитесь, что ваш адрес в Aliexpress совпадает с вашим адресом доставки. В частности, для российских покупателей необходимо указать полное имя (имя, среднее имя, фамилию). Большое спасибо.
C. Мы не несем ответственности за любые таможенные пошлины или налог на импорт. Пожалуйста, свяжитесь с таможней вашей страны, чтобы определить, какие дополнительные расходы будут понесены до торгов/покупки.
Дополнительное Примечание:
А.Если вам нужна подробная Версия руководства по продукту, вы можете связаться с нами, чтобы отправить его вам бесплатно.
B. Если нет бумажной продукции по эксплуатации во время упаковки чехол, это может быть из-за изменений продукта или обновлений. Пожалуйста, свяжитесь с нами для получения новейшего и точного электронного руководства.
Доставка
А. Вся посылка является стандартной упаковкой бумажной коробки или деревянной упаковкой для большого заказа.
B. Пожалуйста, обратите внимание на дату доставки с использованием другой экспресс-доставки, поэтому, пожалуйста, выберите правильную доставку в соответствии с вашими потребностями.
C. Если Вы готовитесь к большому заказу, пожалуйста, свяжитесь с нами, если хотите доставку любым другим способом.
D. Все пакеты будут отправлены с номером отслеживания.
Отзывы
Ваши положительные отзывы высоко ценятся. Мы гарантируем качество нашей продукции. Каждый товар тщательно проверяется перед отправкой. Пожалуйста, немедленно свяжитесь с нами, если есть какие-либо причины. Мы сделаем все возможное, чтобы удовлетворить вас.
Если вы удовлетворены нашими продуктами и обслуживанием, пожалуйста, оставьте положительный отзыв (★★★★★) Отзывы для нас. Это очень важно для нас. Большое спасибо заранее.
Свяжитесь с нами
Пожалуйста, сначала свяжитесь с нами, если у вас есть какие-либо проблемы после получения товара, мы поможем вам решить проблему, не отправляйте спор немедленно, это повлияет на наш магазин, спасибо. Мы ответим на ваши запросы как можно скорее. Однако обратите внимание, что у нас есть разница во времени 12-16 часов с Западной Европой и разница во времени 8 часов с США, поэтому мы обещаем, что постараемся ответить в течение 24 часов. Для оптовых заказов, пожалуйста, свяжитесь с нами для получения подробной информации. Мы можем предоставить вам соответствующую скидку.
Частотный преобразователь WK600 0.75 кВт/1.5 кВт/2.2 кВт/4 0 кВт трехфазный инвертор
Частотный преобразователь WK600, Частотный преобразователь 0.75 кВт/1.5 кВт/2.2 кВт/4,0 кВт, трехфазный инвертор с переменной частотой 440 В для двигателя VFD
Тип Таблица выбора
| 440V/0.75KW | 440V/1.5KW | 440V/2.2KW | 440V/4KW | |
| Модель NO. | WK600-0007-M4TB | WK600-0015-M4TB | WK600-0022-M4TB | WK600-0040-M4TB |
| Вход напряжения | Трехфазный 440V ± 10% 50 Гц/60 Гц | |||
| Выход напряжения | Трехфазный 0-440 В 0-650 Гц | |||
| Мощность | 0.75KW/1HP | 1.5KW/2HP | 2.2KW/3HP | 4KW/5HP |
| Номинальный ток | 2.5A | 3.7A | 5A | 8A |
| Размер формы (мм) | 160*80*135 | 160*80*135 | 160*80*135 | 160*80*145 |
| Размер упаковки (мм) | 220*150*130 | |||
| Вес | 1,2 кг | 1,2 кг | 1,2 кг | 1,25 кг |
Инструкции по выбору типа:
A. Внимательно ознакомьтесь с инструкциями по изделию, выберите тип в соответствии с функциями и мощностью, которые вам нужны, и избегайте повреждений, вызванных неправильной проводкой;
B. Регулировка скорости трехфазных двигателей переменного тока с шестью или более степенями. Пожалуйста, приобретите конвертер с более высокой мощностью, чем двигатель;
C. Если вы не знаете, как выбрать тип, вы также можете связаться с нами, чтобы дать вам несколько предложений.
Упаковочный лист

Комплект поставки:
Машина * 1, обтекаемая Версия руководства по продукту * 1 (включая гарантийный талон), удлинитель * 1 (ввод клавиатуры, необходимо приобретать отдельно), сертификат качества продукта * 1
Дополнительное Примечание:
A.Если вам нужна детальная Версия руководства по эксплуатации, вы можете связаться с нами, чтобы отправить его вам бесплатно.
B. Если нет бумажной продукции по эксплуатации во время упаковки чехол, это может быть из-за изменений продукта или обновлений. Пожалуйста, свяжитесь с нами для получения новейшего и точного электронного руководства продукта.
Рекомендуемые аксессуары

Схема подключения
Дополнительное Примечание:
R, S, T входные терминалы трехфазного источника питания преобразователя частоты.
U, V, W являются выходными клеммами преобразователя частоты и подключен трехфазный асинхронный двигатель. P и P B являются соединительными клеммами сопротивления тормозу.
Почему вы выбираете нас?
I.Продукты и Технология

• Наша продукция использует технологию вектора третьего поколения и имеет превосходную производительность.
A. 0,5 Гц может обеспечить 150% пусковой крутящий момент.
B. Скорость срабатывания крутящего момента менее 20 мс.
C. Ограничение крутящего момента для защиты безопасности оборудования.
• Наши продукты имеют мощные функции.
A.Ограничение тока функция-Избегайте частых перегрузки по току, предупреждающих о преобразовании частоты.
B.Питание погружение через-Мгновенный преобразователь времени отключения питания не будет выключен.
C.Простой ПЛК-Он может достигать до 16 в поп упаковке, скорость работы.
D.Многократная защита двигателя-Короткое замыкание, фаза-отсутствие, перегрузки по току, перенапряжения, пониженного напряжения, перегрева, защита от перегрузки и т. Д.
• Наши продукты имеют комплексную конфигурация.
A.Встроенный тормозной блок-Функция тормоза может быть выполнена путем соответствия сопротивления тормозу
B.18 функциональный терминалы-Сотни функций могут быть выполнены через различные комбинации
C.Стандартный RS485 связи-Он может дистанционно общаться и отслеживать связь с ПЛК или ПК.
D.Релейный выход-Более сложная функция управления связью может быть выполнена.
• Детали наших продуктов.
- Дисплей трубки с 5 цифрами
- Высокое качество Компоненты
- Вентилятор постоянного тока для рассеивания тепла
- Изолированное алюминиевое основание для отвода тепла

• Технология нашей продукции
A. Схема проводки клемм для наших продуктов

B. Технические характеристики для наших продуктов
Предмет
|
Технические характеристики
|
|
| Стандартный функции | Максимальная частота |
• Контроль вектора: 0-650 Гц • Контроль в/Ф: 0-650 Гц или 0-3200 Гц |
| Несущая частота |
0,5-16 кГц Частота несущей машины автоматически настраивается на основе функций нагрузки. |
|
| Вход разрешением частоты |
Цифровая настройка: 0,01 Гц Аналоговая Настройка: Максимальная частота x 0.025% |
|
| Управление режим |
• Бесконтактный контроль потока (sfcvc) • Контроль напряжения/частоты (в/Ф) |
|
| Пусковой крутящий момент | Тип G: 0,5 Гц/150% (упсцп); | |
| Скорость диапазон | 1:100 (sfcvc) | |
| Скорость стабильность точности | ± 0.5% (sfcvc) | |
| Контроль крутящего момента точности | ± 5% | |
| Стандартный функции | Устойчивость к перегрузкам | Тип G: 60 с для 150% от номинального тока, 3 с для 180% от номинального тока |
| Вращения крутящего момента |
• Закреплен boost • Настраиваемый boost 0.1%-30.0% |
|
| Кривая V/F |
• Кривая прямой линии V/F • Многоточечная Кривая V/F • N-батарея V/F кривой (1,2, высокая мощность, с 1,4, высокая мощность, с 1,6, высокая мощность, с 1,8, высокая мощность, с квадратной формы) |
|
| Разъём V/F | Два типа: полное отделение, половинное отделение | |
| Пандус режим |
• Прямой классический он-лайн рампы • S-curve ramp Четыре группы ускорения/замедления с диапазоном 0,0-6500,0 s |
|
| Торможение постоянного тока |
Торможение постоянного тока Частота: 0,00 Гц Максимальная частота Время торможения: 0,0-36,0 s Значение тока торможения: 0.0%-100.0% |
|
| Чехол-повязка на управления |
Чехол-повязка на Частотный диапазон: 0,00-50,00 Гц Чехол-повязка на ускорение/замедление времени: 0,0-6500,0 s |
|
| Встроенное устройство с несколькими заданными скоростями | Оно обеспечивает до 16 скоростей с помощью простой ФУНКЦИИ ПЛК или комбинации режимов X terminal. | |
| Бортовой PID | Система управления замкнутым циклом позволяет легко контролировать процесс. | |
| Автоматическая регулировка напряжения (AVR) | Оно может держать постоянное выходное напряжение автоматически, когда напряжение сети изменяется. | |
| Контроль перенапряжения/перегрузки по току | Ток и напряжение автоматически ограничены во время работы, чтобы избежать частых отключений из-за перенапряжения/перегрузки. | |
| Ограничение крутящего момента и контроль | Он может автоматически ограничить крутящий момент и предотвратить частые перегрузки по току во время работы. | |
| Индивидуализированные функции | Высокая производительность | Управление асинхронным двигателем и синхронным двигателем выполнено с помощью высокопроизводительной технологии управления переносчиком тока. |
| Питание погружение через | Отзывы о нагрузке, энергия компенсирует уменьшение напряжения, так что привод переменного тока может продолжать работать в течение короткого времени. | |
| Быстрое ограничение тока | Это помогает избежать частых перегрузки по току ошибок диска переменного тока. | |
| Виртуальная I/Os | Пять групп виртуальных X/DOs могут осуществлять простое логическое управление. | |
| Газораспределения | Диапазон времени: 0,0-6500,0 минут | |
| Переключение нескольких двигателей | Четыре двигателя могут переключаться через четыре группы параметров двигателя. | |
| Нескольких протоколов связи | Поддерживает связь через Modbus-RTU, PROFIBUS-DP, CANlink и CANopen. | |
| RUN | Работает команда источник |
• Управление панель • Управление терминалы • Порт последовательной связи Вы можете выполнять переключение между указанными источниками различными способами. |
| Частота источник |
В комплекте 10 частотных источников, таких как Цифровая настройка, Настройка аналогового напряжения, Настройка аналогового тока, импульсная настройка и установка последовательного порта связи. Вы можете выполнять переключение между указанными источниками различными способами. |
|
| Вспомогательный источника частоты | Есть десять дополнительных источников частоты. Он может осуществлять тонкую настройку вспомогательной частоты и частотного синтеза. | |
| Вход терминал |
Стандартный: 6 цифровой вход (Д х Ш х В) терминалы, один из которых поддерживает до 100 кГц Высокоскоростной импульсный вход переменного тока, 2 аналоговых входных сигналов (AI) терминалы один из которых поддерживает только вход напряжения 0-10 в, а другой поддерживает вход напряжения 0-10 В или ток 4-20 мА |
|
| Выход терминал |
Стандартный 1 Высокоскоростной импульсный выходной терминал (открытый коллектор), который поддерживает выход прямоугольного волнового сигнала 0-100 кГц 1 цифровой выход (DO) Терминал 3 релейный выход терминал 1 аналоговым выходом (AM) терминал, который поддерживает 0-20 мА выходной ток или 0-10 V Выходное напряжение |
|
| Дисплей и работа на операционной панели | Блокировка ключа и выбор функций | Он может блокировать ключи частично или полностью и определить диапазон функций некоторых ключей, чтобы предотвратить неправильное использование. |
| Режим защиты | Обнаружение коротких замыканий двигателя при подаче питания, защита от потери на входе/выходе, защита от перегрузки по току, защита от перенапряжения, защита от пониженного напряжения, защита от перегрева и защита от перегрузки | |
| Защита окружающей среды | Установка расположение | Внутри помещения, без прямых солнечных лучей, пыли, коррозионного газа, горючих газов, масляного дыма, пара, капельного или соленого. |
| Высота над уровнем моря | Меньше, чем 1000 м | |
| Температура окружающей среды | От-10 ℃ до + 40 ℃ (де-Номинальная, если температура окружающей среды составляет от 40 до 50 ℃) | |
| Влажность | Менее 95% RH, без конденсации | |
| Вибрация | Меньше, чем 5,9 m/s2 (0,6 г) | |
| Температура хранения | От-20 ℃ до + 60 ℃ | |
| Ip-уровень | IP20 | |
| Степень загрязнения окружающей среды | PD2 | |
| Мощность системы распределения | TN, t/t |
II. Компания и услуги
• Строгий контроль производства
5S Управление, Стандартизированная технологическая и строгое тестирование

• Чествование нашей компании
- Патента ядра Технология
- Формальные производственных предприятий
- Сертификаты CE ЕС
- Шэньчжэнь высокотехнологичных предприятий

• Чехлы для использования клиентами

Покупка инструкции
Пожалуйста, обратите внимание: Мы не несем ответственность за таможенную пошлину или налог на импорт!
Оплата
A. Пожалуйста, совершите оплату через безопасную оплату заранее, и мы сможем своевременно организовать доставку.
B. При оплате, пожалуйста, напишите свой подробный адрес доставки, контактную информацию и номер телефона. Очень важно, чтобы посылка была успешно доставлена. Прежде чем платить, убедитесь, что ваш адрес, указанный в Aliexpress, совпадает с вашим адресом доставки. Специально для русских клиентов, необходимо указать полное имя (имя, среднее имя, фамилию). Большое спасибо.
C. Мы не несем ответственности за любые таможенные пошлины или налог на импорт. Пожалуйста, перед покупкой/торгами свяжитесь с таможенной службой вашей страны, чтобы определить эти дополнительные расходы.
Доставка
A. Все посылка-это стандартная бумажная коробка или деревянная упаковка для большого заказа.
B. Пожалуйста, обратите внимание на дату доставки, используя другой экспресс-сервис, поэтому, пожалуйста, выберите правильный способ доставки в соответствии с вашими нуждами.
C. Если Вы готовитесь к крупному заказу, пожалуйста, свяжитесь с нами, если хотите доставку любым другим способом.
D. Все упаковки будут отправлены с номером отслеживания.
Отзывы
Мы высоко ценим ваши положительные отзывы. Мы гарантируем качество нашей продукции. Каждый товар тщательно проверяется перед отправкой. Пожалуйста, свяжитесь с нами немедленно, если есть какие-либо основания для вас. Мы постараемся сделать все возможное, чтобы удовлетворить вас.
Если вы удовлетворены нашими продуктами и услугами, пожалуйста, оставьте положительный отзыв (Пять звезд)★★★★★) Отзывы для нас. Это очень важно для нас. Большое спасибо заранее.
Пожалуйста, свяжитесь с нами
Мы ответим на ваши вопросы как можно скорее. Однако, обратите внимание, что у нас есть разница во времени 12-16 часов с Западной Европой и разница во времени 8 часов с США. Поэтому мы обещаем, что постараемся ответить в течение 24 часов.
Для оптовых заказов, пожалуйста, свяжитесь с нами для получения подробной информации. Мы можем предоставить вам соответствующую скидку.
Мотор регулятор 220V 4.0kw однофазный 220V постоянного тока до Трехфазный 220V Инвертор водяного насоса подачи воды с постоянным напряжением
Описание комплекта
Набор 1-только одна машина, не содержит других аксессуаров, вам нужно купить манометры и датчики для достижения постоянного давления водоснабжения.
Набор 2-с контактным манометром, может быть реализована функция мягкого пуска насоса и функция контроля интервала давления воды.
Набор 3-с манометром, может использоваться с функцией PID инвертора для достижения постоянного давления водоснабжения, и значение давления может наблюдаться в режиме реального времени.
Набор 4-с датчиком давления и трехсторонним соединителем, можно использовать с функцией PID инвертора для достижения функции постоянного напряжения, стабильной и надежной.
Подробная информация о вводе в эксплуатацию машины доступна бесплатно во всех вышеуказанных Комплектах, или вы можете запросить ее заранее. По умолчанию диапазон манометра и датчика составляет 0-1,6 МПа. Если вам нужны другие диапазоны, вы можете связаться с нами для изменения заказа.
Тип Таблица выбора
| 220V/4KW | |
| Модель NO. | WK600-0040-P1T |
| Тип | Водяной насос специальный частотно-регулируемым приводом |
| Вход напряжения | Однофазный 220V ± 10% 50 Гц/60 Гц |
| Выход напряжения | Трехфазный 0-220 В 0-650 Гц |
| Мощность | 4KW/5HP |
| Номинальный ток | 16A |
| Размер формы (мм) | 170*126*160 |
| Размер упаковки (мм) | 225*190*230 |
| Вес | 2,2 кг |
Тип выбор инструкции по уходу за изделием
A. Пожалуйста, внимательно прочитайте инструкции по продукту, выберите тип в соответствии с функциями и мощностью, которые вам нужны, и избегайте повреждений, вызванных неправильной проводкой;
B.Для погружных насосов, насосов и другого оборудования купите преобразователь частоты, который более мощный, чем двигатель;
C.Кабель между насосом и инвертором не должен быть слишком далеко. Если он превышает 30 м, используйте фильтр или реактор. В противном случае это ускорит старение двигателя и увеличит частоту отказов инвертора;
Упаковочный лист

Комплект поставки:
1. Машина * 1, обтекаемая Версия руководства по продукту * 1 (включая гарантийный талон), линия расширения * 1 (введение клавиатуры, необходимо приобрести отдельно), сертификат сертификации продукта * 1
Дополнительное Примечание:
A.Если вам нужна подробная Версия руководства по продукту, вы можете связаться с нами, чтобы отправить его вам бесплатно.
B. Если нет бумажной продукции по эксплуатации во время упаковки чехол, это может быть из-за изменений продукта или обновлений. Пожалуйста, свяжитесь с нами для получения новейшего и точного электронного руководства.
C. Манометры и датчики, пожалуйста, выберите набор для покупки.
Схема подключения
Дополнительное Примечание:
R, S, T являются входными клеммами трехфазного источника питания преобразователя частоты.
U, V, W являются выходными клеммами преобразователя частоты и подключен трехфазный асинхронный двигатель. P и P B являются соединительными клеммами тормозного сопротивления.
Преимущество продукта
I.Продукты и Технология

• Наша продукция Обладают отличной производительностью.
A. 0,5 Гц может обеспечить 150% пусковой крутящий момент.
B. Скорость отклика крутящего момента менее 20 мс.
C.Встроенная функция управления PID, может осуществлять замкнутый контроль давления воды и имеет обнаружение отключения PID и защиту от нехватки воды.
D. С автоматической функцией сна и автоматического пробуждения насос может быть автоматически остановлен, когда нет необходимости в воде в течение длительного времени. Насос может быть запущен автоматически, когда есть потребность в воде. Руководство не требуется на протяжении всего процесса.
• Наши продукты имеют мощные функции.
A.Ограничение тока функция-Избегайте частого перегрузки по току сигнала преобразователя частоты.
B.Мощность dip ездить на основе-Мгновенный преобразователь времени отключения питания не отключится.
C.Простой ПЛК-Может достигать скорости до 16 сегментов.
D.Множественное предохранение от мотора-Короткого замыкания, фазового отсутствия, перегрузки по току, перенапряжения, низкого напряжения, перегрева, защиты от перегрузки и т. Д.
• Наши продукты имеют комплексную конфигурацию.
A.Встроенный тормозной блок-Функция тормоза может быть реализована путем соответствия сопротивления тормозов
B.18 функциональный терминалы-Сотни функций могут быть реализованы через различные комбинации
C.Стандартный RS485 связи-Он может общаться и контролировать удаленно с ПЛК или ПК.
D.Релейный выход-Более сложные функции управления связью могут быть реализованы.
• Подробная информация о наших продуктах.
- Саморегулирующийся потенциометр
- Высокое качество Компоненты
- DC рассеиваение тепла вентилятор
- Изолированное алюминиевое основание для рассеивания тепла

• Наш продукт технологии
Техническая спецификация для наших продуктов
Предмет
|
Технические характеристики
|
|
| Стандартный функции | Максимальная частота |
• Векторное управление: 0-650 Гц • Управление в/Ф: 0-650 Гц или 0-3200 Гц |
| Несущая частота |
0,5-16 кГц Частота несущего устройства автоматически настраивается на основе характеристик нагрузки. |
|
| Вход разрешением частоты |
Цифровая настройка: 0,01 Гц Аналоговая Настройка: Максимальная частота x 0.025% |
|
| Управление режим |
• Бесконтактный Векторный контроль потока (SFVC) • Контроль напряжения/частоты (V/F) |
|
| Пусковой крутящий момент | Тип G: 0,5 Гц/150% (упсцп); | |
| Скорость диапазон | 1:100 (SFVC) | |
| Скорость стабильность точности | ± 0.5% (SFVC) | |
| Контроль крутящего момента точности | ± 5% | |
| Стандартный функции | Устойчивость к перегрузкам | Тип G: 60s для 150% номинального тока, 3s для 180% номинального тока |
| Вращения крутящего момента |
• Закреплен boost • Подгонянный boost 0.1%-30.0% |
|
| Кривая V/F |
• Прямая Кривая V/F • Многоточечная Кривая V/F • N-батарея V/F кривой (1,2, высокая мощность, с 1,4, высокая мощность, с 1,6, высокая мощность, с 1,8, высокая мощность, с квадратной формы) |
|
| V/F разделения | Два типа: полное разделение; Половинное разделение | |
| Пандус режим |
• Прямой пандус • Пандус s-образной кривой Четыре группы ускорения/замедления с диапазоном 0,0-6500,0 s |
|
| Торможение постоянного тока |
Торможение постоянного тока Частота: 0,00 Гц Максимальная частота Время торможения: 0,0-36,0 s Значение тока торможения: 0.0%-100.0% |
|
| Чехол-повязка на управления |
Диапазон частот: 0,00-50,00 Гц JOG Ускорение/замедление время: 0,0-6500,0 s |
|
| Бортовой несколько предустановленных скоростей | Он реализует до 16 скоростей через простую функцию PLC или комбинацию X терминальных состояний. | |
| Бортовой PID | Он легко реализует контролируемую процессом замкнутую систему управления. | |
| Автоматическое регулирование напряжения (AVR) | Он может автоматически поддерживать постоянное выходное напряжение при изменении напряжения сети. | |
| Контроль перенапряжения/перегрузки по току | Ток и напряжение автоматически ограничиваются во время работы, чтобы избежать частого отключения из-за перенапряжения/перегрузки по току. | |
| Ограничения крутящего момента и управления | Он может автоматически ограничивать крутящий момент и предотвращать частые перегрузки по току во время процесса работы. | |
| Индивидуализированные функции | Высокая производительность | Управление асинхронным двигателем и синхронным двигателем осуществляется с помощью высокопроизводительной технологии векторного управления током. |
| Мощность dip ездить на основе | Отзывы о нагрузке компенсируют Снижение напряжения, так что привод переменного тока может продолжать работать в течение короткого времени. | |
| Быстрое ограничение тока | Это помогает избежать частых перегрузки по току неисправностей привода переменного тока. | |
| Очки виртуальной ввода/вывода | Пять групп виртуальных X/DOs могут осуществлять простое логическое управление. | |
| Газораспределения | Диапазон времени: 0,0-6500,0 минут | |
| Мульти-двигатель переключатель режимов | Четыре двигателя можно переключать через четыре группы параметров двигателя. | |
| Нескольких протоколов связи | Поддерживает связь через Modbus-RTU, PROFIBUS-DP, CANlink и CANopen. | |
| RUN | Работает команда источник |
• Управление панель • Управление терминалы • Последовательный порт передачи данных Вы можете выполнять переключение между этими источниками различными способами. |
| Частота источник |
В общей сложности 10 частотных источников, таких как Цифровая настройка, Настройка аналогового напряжения, Настройка аналогового тока, настройка импульса и настройка последовательного порта связи. Вы можете выполнять переключение между этими источниками различными способами. |
|
| Вспомогательный источника частоты | Есть десять вспомогательных источников частоты. Он может осуществлять тонкую настройку вспомогательной частоты и частотного синтеза. | |
| Вход терминал |
Стандартный: 6 цифровых входных (X) терминалов, один из которых поддерживает Высокоскоростной импульсный вход до 100 кГц, 2 аналоговых входа (AI) терминалов, один из которых поддерживает только вход напряжения 0-10 в, а другой поддерживает Вход напряжения 0-10 В или вход тока 4-20 мА |
|
| Выход терминал |
Стандартный 1 Высокоскоростной импульсный выходной терминал (открытый коллектор), который поддерживает 0-100 кГц квадратный волновой сигнал 1 цифровой выход (DO) Терминал 3 релейный выходной терминал 1 аналоговый выходной (AM) терминал, который поддерживает ток 0-20 мА или выход напряжения 0-10 в |
|
| Отображение и эксплуатация на панели управления | Блокировка ключей и выбор функций | Он может частично или полностью заблокировать ключи и определить диапазон функций некоторых клавиш, чтобы предотвратить неисправность. |
| Режим защиты | Обнаружение короткого замыкания двигателя при включении питания, защита от потери Входной/Выходной фазы, защита от перегрузки по току, защита от перенапряжения, защита от пониженного напряжения, защита от перегрева и защита от перегрузки | |
| Защита окружающей среды | Установка расположение | В помещении, без прямых солнечных лучей, пыли, коррозионного газа, горючих газов, масляного дыма, паров, капель или соли. |
| Высота над уровнем моря | Ниже, чем 1000 м | |
| Температура окружающей среды | -10 ℃ до + 40 ℃ (de-rated, если температура окружающей среды составляет от 40 ℃ до 50 ℃) | |
| Влажность | Менее 95% относительной влажности, без конденсации | |
| Вибрация | Меньше, чем 5,9 m/s2 (0,6 г) | |
| Температура хранения | -20 ℃ до + 60 ℃ | |
| Ip-уровень | IP20 | |
| Степень загрязнения окружающей среды | PD2 | |
| Мощность системы распределения | TN, t/t |
II. Компания и услуги
• Строгое управление производством
Управление 5S, стандартизированное производство и строгие испытания

• Честь нашей компании
- Патента ядра Технология
- Формальные производственных предприятий
- CE Сертификация ЕС
- Шэньчжэнь высокотехнологичные предприятия

Покупка инструкции
Пожалуйста, обратите внимание: Мы не несем ответственности за любые таможенные пошлины или налог на импорт!
Оплата
A. Пожалуйста, сделайте оплату путем безопасной оплаты заранее и чтобы мы могли организовать доставку вовремя.
B. Пожалуйста, напишите свой подробный адрес доставки, контактную информацию и номер телефона при оплате. Очень важно успешно доставить посылка. Перед оплатой убедитесь, что ваш адрес в Aliexpress совпадает с вашим адресом доставки. В частности, для российских покупателей необходимо указать полное имя (имя, среднее имя, фамилию). Большое вам спасибо.
C. Мы не несем ответственности за любые таможенные пошлины или налог на импорт. Пожалуйста, свяжитесь с таможней вашей страны, чтобы определить, какие дополнительные расходы будут понесены до торгов/покупки.
Доставка
A. Вся посылка является стандартной упаковкой бумажной коробки или деревянной упаковкой для большого заказа.
B. Пожалуйста, обратите внимание на дату доставки с использованием другой экспресс-доставки, поэтому, пожалуйста, выберите правильную доставку в соответствии с вашими потребностями.
C. Если Вы готовитесь к большому заказу, пожалуйста, свяжитесь с нами, если хотите доставку любым другим способом.
D. Все пакеты будут отправлены с номером отслеживания.
Отзывы
Ваши положительные отзывы высоко ценятся. Мы гарантируем качество нашей продукции. Каждый товар тщательно проверяется перед отправкой. Пожалуйста, немедленно свяжитесь с нами, если есть какие-либо причины. Мы сделаем все возможное, чтобы удовлетворить вас.
Если вы удовлетворены нашими продуктами и обслуживанием, пожалуйста, оставьте положительный отзыв (★★★★★) Отзывы для нас. Это очень важно для нас. Большое спасибо заранее.
Пожалуйста, свяжитесь с нами
Мы ответим на ваши запросы как можно скорее. Однако обратите внимание, что у нас есть разница во времени 12-16 часов с Западной Европой и разница во времени 8 часов с США, поэтому мы обещаем, что постараемся ответить в течение 24 часов.
Для оптовых заказов, пожалуйста, свяжитесь с нами для получения подробной информации. Мы можем предоставить вам соответствующую скидку.
50 минут назад, Rluk сказал:
Хочу с запасом взять вот такую хреновину
Вы ветку всю прочитали?
Если вам все советы ничего не говорят.
То кончно покупайте. И возможно станете первым на чипмейкере обладателем реально работающего частотника с входом 1ф 220 и выходом 3ф 380. Заодно и впечатлениями от его работы поделитесь. И (корректные) замеры потребляемой и выдаваемой мощьности и вольтажа выложите.
И народ наконец то увидет реально работающий прибор который соответствует заявленным характеристикам.
Или как обычно не увидит. Потому как обладатели таких приборов поголовно на ВЫ с электричеством. Замеров делать не умеют, или не чем, или не когда.
Выбор только за вами ; )
Изменено 21.11.2020 06:16 пользователем Тайландчик
WK310 инвертор 2 кВт 1P 220 В и выход 3P 380 домашний электрический вход трехфазный
WK310 однофазный преобразователь частоты 220 В, преобразователь в трехфазный 380 В силовой трансформатор переменного тока для двигателя VFD
Тип Таблица выбора
| 220 В до 380 В/0,75 кВт | 220 В до 380 В/1,5 кВт | 220 В до 380 В/2,2 кВт | |
| Модель NO. | WK310-0007-G1T3 | WK310-0015-G1T3 | WK310-0022-G1T3 |
| Вход напряжения | Однофазный 220 В ± 15% 50 Гц/60 Гц | ||
| Выход напряжения | Трехфазный 0-380 в 0-650 Гц | ||
| Мощность | 0.75KW/1HP | 1.5KW/2HP | 2.2KW/3HP |
| Номинальный ток | 2.5A | 3.7A | 5A |
| Форма Размер | 170*126*160 | ||
| Размер упаковки | 225*190*230 | ||
| Вес | 2,2 кг |
Инструкции по выбору типа:
1. Пожалуйста, внимательно ознакомьтесь с инструкциями по изделию, выберите тип в соответствии с той функцией и мощностью, которая вам нужна, и избегайте повреждения, вызванного неправильной проводкой.
2. Этот преобразователь частоты не может управлять другими типами нагрузки, за исключением индукционной нагрузки, например, двигателя. Пожалуйста, обратите на это особое внимание при покупке.
3. Мощность перегрузки от 220 В до 380 В, преобразователь частоты небольшой. Пожалуйста, выберите, как правило, один более высокий уровень мощности. Когда нагрузка очень большая (например, гидравлический насос с зубчатой передачей), или есть блокирующее условие, пожалуйста, выберите внимательно.
4. Если вы не знаете, как выбрать тип, вы также можете связаться с нами, чтобы дать вам несколько предложений.
Упаковочный лист
Комплект поставки:
Машина * 1, обтекаемая Версия руководства по продукту * 1 (включая гарантийный талон), удлинитель * 1 (ввод клавиатуры, необходимо приобретать отдельно), сертификат качества продукта * 1
Дополнительное Примечание:
A.Если вам нужна детальная Версия руководства по эксплуатации, вы можете связаться с нами, чтобы отправить его вам бесплатно.
B. Если нет бумажной продукции по эксплуатации во время упаковки чехол, это может быть из-за изменений продукта или обновлений. Пожалуйста, свяжитесь с нами для получения новейшего и точного электронного руководства продукта.
Наши предложения
Частотный конвертер от 220 В до 380 В заключается в том, чтобы решить проблему, что мотор электрооборудования составляет 380 В, трехфазный, но вокруг него нет трехфазного питания 380 В, но только 220 В однофазный источник питания. Конкретное решение см. Следующие предложения:
A. Если трехфазный двигатель 380 В сам является звездным соединением, его можно изменить на треугольное соединение. В настоящее время двигатель превращается в трехфазный электродвигатель 220 В, используя наш преобразователь 220 В для преобразования однофазного 220 В в Трехфазный 220 в, тот же уровень выбора мощности может решить проблему (220 В преобразователь покупки можно нажать на эту ссылку);
B. Если трехфазный двигатель 380 В сам является треугольным соединением, его нельзя решить, изменяя его способ подключения. Мы должны использовать наш конвертер 220 В в 380 В для решения проблемы и обратите внимание на выбор.
C. Идентификация моторных соединений может быть указана на следующем рисунке:
Figure1-это мотор, соединенный со звездой.
На рис. 2-это треугольный Соединительный двигатель.

Схема подключения
Дополнительное Примечание:
R, T являются входными клеммами преобразователя частоты 220 В питания;
U, V и W являются выходными клеммами преобразователя частоты, соединенными с трехфазным двигателем переменного тока.
Детали наших продуктов

◆Дисплей трубчатой трубки с 5 цифрами ②Высококачественные компоненты ②Съемная внешняя панель◆Изолированное алюминиевое основание для отвода тепла
Наш продукт технологии
● Входные и выходные характеристики
Диапазон входного напряжения: 220 В, ± 15%
Диапазон входных частот: 47 ~ 63 Гц
Диапазон выходного напряжения: 0 ~ Номинальное входное напряжение
Диапазон выходных частот: 0 ~ 650 Гц
● Особенности периферийного интерфейса
Программируемый цифровой вход: 4 входа
Программируемый аналоговый вход: AI1: 0 ~ 10 в вход, AI2: 0 ~ + 5 В или панельный потенциометр
Выход открытого коллектора: 1 выход
Релейный выход: 1 выход
Аналоговый выход: 1 выход, опционально 4 ~ 20 мА или 0 ~ 10 в
● Технические характеристики
Управление: PG-free vector Control, V/F control
Пусковой крутящий момент: без векторное управление: 0,5 Гц/150% (SVC)
Передаточное число: без PG vector control: 1: 100
Точность контроля скорости: PG vector control: ± 0.5% от максимальной скорости
Несущая частота: 0,5 k ~ 15,0 кГц
● Особенности
Режим настройки частоты: Цифровая настройка, аналоговая Настройка, установка последовательной связи, мультискоростная, ПИД-Настройка.
ПИД-регулятор функция
Мульти-функция контроля скорости: 8-Управление скоростью
Функция контроля частоты поворота
Мгновенное отключение питания без функции остановки
Функция клавиши REV / JOG: настраиваемые пользователем многофункциональные клавиши быстрого доступа
Функция автоматической регулировки напряжения: Когда напряжение сети изменяется, выходное напряжение может автоматически поддерживаться на постоянной основе
Обеспечивает защиту от сбоя до 25 видов: от перегрузки по току, перенапряжения, перенапряжения, перегрева, фазовых потерь, перегрузки и другой защиты.
● Схема подключения клеммы управления

Покупка инструкции
Пожалуйста, обратите внимание: Мы не несем ответственность за таможенную пошлину или налог на импорт!
Оплата
A. Пожалуйста, совершите оплату через безопасную оплату заранее, и мы сможем своевременно организовать доставку.
B. При оплате, пожалуйста, напишите свой подробный адрес доставки, контактную информацию и номер телефона. Очень важно, чтобы посылка была успешно доставлена. Прежде чем платить, убедитесь, что ваш адрес, указанный в Aliexpress, совпадает с вашим адресом доставки. Специально для русских клиентов, необходимо указать полное имя (имя, среднее имя, фамилию). Большое спасибо.
C. Мы не несем ответственности за любые таможенные пошлины или налог на импорт. Пожалуйста, перед покупкой/торгами свяжитесь с таможенной службой вашей страны, чтобы определить эти дополнительные расходы.
Доставка
A. Все посылка-это стандартная бумажная коробка или деревянная упаковка для большого заказа.
B. Пожалуйста, обратите внимание на дату доставки, используя другой экспресс-сервис, поэтому, пожалуйста, выберите правильный способ доставки в соответствии с вашими нуждами.
C. Если Вы готовитесь к крупному заказу, пожалуйста, свяжитесь с нами, если хотите доставку любым другим способом.
D. Все упаковки будут отправлены с номером отслеживания.
Отзывы
Мы высоко ценим ваши положительные отзывы. Мы гарантируем качество нашей продукции. Каждый товар тщательно проверяется перед отправкой. Пожалуйста, свяжитесь с нами немедленно, если есть какие-либо основания для вас. Мы постараемся сделать все возможное, чтобы удовлетворить вас.
Если вы удовлетворены нашими продуктами и услугами, пожалуйста, оставьте положительный отзыв (Пять звезд)★★★★★) Отзывы для нас. Это очень важно для нас. Большое спасибо заранее.
Пожалуйста, свяжитесь с нами
Мы ответим на ваши вопросы как можно скорее. Однако, обратите внимание, что у нас есть разница во времени 12-16 часов с Западной Европой и разница во времени 8 часов с США. Поэтому мы обещаем, что постараемся ответить в течение 24 часов.
Для оптовых заказов, пожалуйста, свяжитесь с нами для получения подробной информации. Мы можем предоставить вам соответствующую скидку.
WK310 вектор Управление Частотный преобразователь постоянного тока 200V-400V постоянного тока до Трехфазный 220V 5.5kw солнечный инвертор насоса со слежением за максимальной точкой мощности, Управление
Тип Таблица выбора
| 220V/5.5KW | |
| Модель NO. | WK310-0055-D1T |
| Вход напряжения |
DC 200V-400V (лучший для 300V-320V) Или однофазный 220V ± 15% 50/60 Гц |
| Выход напряжения | Трехфазный переменного тока 0-220 В 0-650 Гц |
| Мощность | 5.5KW/7.5HP |
| Номинальный ток | 20A |
| Размер формы (мм) | 220*148*170 |
| Размер упаковки (мм) | 280*205*245 |
| Вес | 3,6 кг |
Тип выбор инструкции по уходу за изделием
1. Пожалуйста, внимательно прочитайте инструкции по продукту, выберите тип в соответствии с функцией и мощностью, которые вам нужны, и избегайте повреждений, вызванных неправильной проводкой.
2. Этот преобразователь частоты не может управлять другими типами нагрузки, за исключением индуктивной нагрузки, такой как двигатель. Пожалуйста, обратите особое внимание на это при покупке.
3. Общая потребляемая мощность солнечного постоянного тока должна быть больше, чем у фотоэлектрического преобразователя, а мощность фотоэлектрического преобразователя должна быть больше или равна общей мощности нагрузки, управляемой им.
4. Оптимальный Диапазон входного напряжения постоянного тока может сослаться на лучшее Входное значение в таблице выбора для обеспечения наиболее эффективной работы преобразователя частоты и двигателя. Изменение входного напряжения постоянного тока может быть достигнуто путем изменения серии и параллельного подключения солнечных панелей.
Упаковочный лист

Комплект поставки:
Машина * 1, обтекаемая Версия руководства продукта * 1 (включая гарантийный талон), линия расширения * 1 (введение клавиатуры, необходимо приобрести отдельно), сертификат сертификации продукта * 1
Дополнительное Примечание:
A.Если вам нужна подробная Версия руководства по продукту, вы можете связаться с нами, чтобы отправить его вам бесплатно.
B. Если нет бумажной продукции по эксплуатации во время упаковки чехол, это может быть из-за изменений продукта или обновлений. Пожалуйста, свяжитесь с нами для получения новейшего и точного электронного руководства.
Схематичный рисунок

Схема подключения
Дополнительное Примечание:
Основные Контурные клеммы R S T являются трехфазным входом переменного тока (220 В-R T), P + и N-входом постоянного тока PV; При входе переменного тока, постоянный ток должен быть отключен и не может быть приведен в действие одновременно.
Почему вы выбираете нас?
I.Продукты и Технология

• Встроенный контроллер MPPT:
MPPT: полное имя «максимальное отслеживание точки питания». Он может обнаруживать напряжение генерации солнечных панелей в режиме реального времени и отслеживать максимальное напряжение и значение тока (VI), так что система может выводить нагрузку на вождение с максимальной мощностью и применять его к солнечной фотоэлектрической системе для координации работы между солнечными панелями и нагрузками. Это мозг фотоэлектрических систем.
• Поддержка широкого входного напряжения;
A, 220V фотоэлектрический Преобразователь соответствующий входное напряжение ниже 200V подскочит защита от низкого напряжения отключение сигнализации, 400V выше автоматически подавления повышения напряжения, следует избегать попадания на выключение перенапряжения;
B, 380 В фотоэлектрический преобразователь, соответствующее входному напряжению ниже 400 В, будет скакать низкого напряжения, выключение сигнализации 700 в выше автоматически подавляет Повышение напряжения, Избегайте отключения перенапряжения.
• Поддержка автоматического запуска и остановки без присмотра.
Утром, когда интенсивность освещения поднимается в определенной степени, входное напряжение достигает около 400 В (220 В фотоэлектрический Преобразователь достигает около 200 в), И фотоэлектрический преобразователь автоматически начинает работу с движущейся нагрузкой без ручной работы.
Вечером, когда интенсивность освещения уменьшается в определенной степени, входное напряжение падает до около 400 В (220 В фотоэлектрический Преобразователь достигает около 200 в), И фотоэлектрический преобразователь автоматически останавливает Вождение нагрузки без ручной работы.
• Наши продукты могут обеспечить функцию защиты двигателя.
Таких как короткое замыкание, фазовое отсутствие, Перегрузка по току, перенапряжение, понижение напряжения, перегрев, защита от перегрузки и т. д.
• Подробная информация о наших продуктах.
- 5-Разрядный Дисплей Трубки
- Высокое качество Компоненты
- DC рассеиваение тепла вентилятор
- Изолированное алюминиевое основание для рассеивания тепла

• Наш продукт технологии
A. Схема проводки терминала нашей продукции

B. Техническая спецификация для наших продуктов
● Входные и выходные характеристики
220V тип (D1T)
Вход диапазон напряженияAC/DC 200V-400V (лучше всего подходит для 300V-320V) или однофазный 220V ± 15% 50/60 Гц
Выход диапазон напряжения: 3 фазы переменного тока 0-220 В 0-650 Гц
380V тип (D3T)
Вход диапазон напряженияAc/DC 400V-700V (лучше всего подходит для 530V-550V) или трехфазная система 380V ± 15% 50/60 Гц
Выход диапазон напряжения: 3 фазы переменного тока 0-380 в 0-650 Гц
● Периферийный интерфейс Особенности
Программируемый цифровой вход: 4 входа
Программируемый аналоговый вход: AI1: 0 ~ 10 в вход, AI2: 0 ~ + 5 В или панель потенциометра вход
Выход открытого коллектора: 1 выход
Релейный выход: 1 выход
Аналоговый выход: 1 выход, опционально 4 ~ 20 мА или 0 ~ 10 в
● Технические характеристики Характеристики
Управление: pg-бесплатный Векторный контроль, V / F контроль
Емкость перегрузки: 150% Номинальный ток 60s; 180% Номинальный ток 10s
Пусковой крутящий момент: без векторное управление: 0,5 Гц/150% (SVC)
Соотношение скорости: без PG векторное управление: 1: 100
Точность контроля скорости: векторное управление PG: ± 0.5% от максимальной скорости
Несущая частота: 0,5 k ~ 15,0 кГц
● Особенности
Режим настройки частоты: Цифровая настройка, аналоговая Настройка, серийная Настройка связи, многоскоростная, PID Настройка.
ПИД-регулятор функция
Мульти-функция контроля скорости: 8-Управление скоростью
Частоту качания функция управления
Мгновенное отключение питания без функции остановки
Функция клавиш REV / JOG: пользовательские многофункциональные клавиши быстрого доступа
Функция автоматической регулировки напряжения: Когда напряжение сети изменяется, выходное напряжение может автоматически поддерживаться постоянно
Обеспечивает до 25 видов защиты от неисправностей: перегрузки по току, перенапряжения, перенапряжения, перегрева, потери фаз, перегрузки и другой защиты.
II. Компания и услуги
• Строгое управление производством
Управление 5S, стандартизированное производство и строгие испытания

• Честь нашей компании
- Патента ядра Технология
- Формальные производственных предприятий
- CE Сертификация ЕС
- Шэньчжэнь высокотехнологичные предприятия

Покупка инструкции
Пожалуйста, обратите внимание: Мы не несем ответственности за любые таможенные пошлины или налог на импорт!
Оплата
A. Пожалуйста, сделайте оплату путем безопасной оплаты заранее и чтобы мы могли организовать доставку вовремя.
B. Пожалуйста, напишите свой подробный адрес доставки, контактную информацию и номер телефона при оплате. Очень важно успешно доставить посылка. Перед оплатой убедитесь, что ваш адрес в Aliexpress совпадает с вашим адресом доставки. В частности, для российских покупателей необходимо указать полное имя (имя, среднее имя, фамилию). Большое вам спасибо.
C. Мы не несем ответственности за любые таможенные пошлины или налог на импорт. Пожалуйста, свяжитесь с таможней вашей страны, чтобы определить, какие дополнительные расходы будут понесены до торгов/покупки.
Доставка
A. Вся посылка является стандартной упаковкой бумажной коробки или деревянной упаковкой для большого заказа.
B. Пожалуйста, обратите внимание на дату доставки с использованием другой экспресс-доставки, поэтому, пожалуйста, выберите правильную доставку в соответствии с вашими потребностями.
C. Если Вы готовитесь к большому заказу, пожалуйста, свяжитесь с нами, если хотите доставку любым другим способом.
D. Все пакеты будут отправлены с номером отслеживания.
Отзывы
Ваши положительные отзывы высоко ценятся. Мы гарантируем качество нашей продукции. Каждый товар тщательно проверяется перед отправкой. Пожалуйста, немедленно свяжитесь с нами, если есть какие-либо причины. Мы сделаем все возможное, чтобы удовлетворить вас.
Если вы удовлетворены нашими продуктами и обслуживанием, пожалуйста, оставьте положительный отзыв (★★★★★) Отзывы для нас. Это очень важно для нас. Большое спасибо заранее.
Пожалуйста, свяжитесь с нами
Мы ответим на ваши запросы как можно скорее. Однако обратите внимание, что у нас есть разница во времени 12-16 часов с Западной Европой и разница во времени 8 часов с США, поэтому мы обещаем, что постараемся ответить в течение 24 часов.
Для оптовых заказов, пожалуйста, свяжитесь с нами для получения подробной информации. Мы можем предоставить вам соответствующую скидку.
WK310 повышающий преобразователь частоты однофазный 220V адаптер на мини-Трехфазная система 380v силовой трансформатор переменного тока для мотора с частотно-регулируемым приводом
Таблица выбора типа
220V до 380V/0.75KW
220V до 380V/1.5KW
220V до 380V/2.2KW
Номер модели
WK310-0007-G1T3
WK310-0015-G1T3
WK310-0022-G1T3
Входное напряжение
Однофазный 220V ± 15% 50 Гц/60 Гц
Выходное напряжение
Трехфазный 0-380 в 0-650 Гц
Мощность
0.75 кВт/1 л.с.
1.5 кВт/2 л.с.
2.2 кВт/3 л.с.
Номинальный ток
2.5A
3.7A
5А
Размер формы
170*126*160
Размер упаковки
225*190*230
Вес
2,2 кг
Инструкции по выбору типа:
1. Пожалуйста, внимательно прочитайте инструкции по продукту, выберите тип в соответствии с функцией и мощностью, которые вам нужны, и избегайте повреждений, вызванных неправильной проводкой.
2. Этот преобразователь частоты не может управлять другими типами нагрузки, за исключением индуктивной нагрузки, такой как двигатель. Пожалуйста, обратите особое внимание на это при покупке.
3. Емкость перегрузки 220 В до 380 В преобразователь частоты мала. Пожалуйста, выберите как минимум один более высокий уровень мощности. Когда нагрузка очень большая (например, гидравлический насос зубчатого насоса) или есть блокирующее состояние, пожалуйста, выберите внимательно.
4. Если вы не знаете, как выбрать тип, вы также можете связаться с нами, чтобы дать вам несколько предложений.
Упаковочный лист

Упаковочный лист:
Машина * 1, обтекаемая Версия руководства продукта * 1 (включая гарантийный талон), линия расширения * 1 (введение клавиатуры, необходимо приобрести отдельно), сертификат сертификации продукта * 1
Дополнительное Примечание:
А.Если вам нужна подробная Версия руководства по продукту, вы можете связаться с нами, чтобы отправить его вам бесплатно.
B. Если нет бумажной продукции по эксплуатации во время упаковки чехол, это может быть из-за изменений продукта или обновлений. Пожалуйста, свяжитесь с нами для получения новейшего и точного электронного руководства.
Наши предложения
Преобразователь частоты 220 В до 380 В предназначен для решения проблемы, что двигатель электрического оборудования 380 В трехфазный, но нет трехфазного питания 380 В вокруг него, но только в том случае, 220V однофазный источника питания. Конкретное решение может сослаться на следующие предложения:
А. Если трехфазный двигатель 380V сам по себе является звездным соединением, его можно изменить на треугольное соединение. В это время двигатель становится трехфазным электродвигателем 220 В, используя наш преобразователь 220 В для преобразования однофазного 220 В в Трехфазный 220 в, тот же уровень мощности выбор может решить проблему (220 В конвертер покупка может нажать на эту ссылку);
B. Если трехфазный двигатель 380V сам по себе является треугольным соединением, его нельзя решить, изменив его метод подключения. Мы должны использовать наш конвертер 220 В-380 В для решения проблемы и обратить внимание на выбор.
C. Идентификация соединений двигателя может быть указана на следующем рисунке:
Figure1-это мотор, соединенный со звездой.
Рис. 2-Треугольный Соединительный мотор.

Схема проводки
Дополнительное Примечание:
R, T являются входными клеммами преобразователя частоты 220 В питания;
U, V и W являются выходными клеммами преобразователя частоты, Соединенным с трехфазным двигателем переменного тока.
Подробная информация о наших продуктах

◆5-Разрядный Дисплей Трубки ◆Высококачественные компоненты ◆Съемная внешняя панель
◆
Изолированное алюминиевое основание для рассеивания тепла
Наша технология продукции
● Входные и выходные характеристики
Диапазон входного напряжения: 220 В ± 15%
Диапазон входных частот: 47 ~ 63 Гц
Диапазон выходного напряжения: 0 ~ Номинальное входное напряжение
Диапазон выходной частоты: 0 ~ 650 Гц
● Особенности периферийного интерфейса
Программируемый цифровой вход: 4 входа
Программируемый аналоговый вход: AI1: 0 ~ 10 в вход, AI2: 0 ~ + 5 В или панель потенциометра вход
Выход открытого коллектора: 1 выход
Релейный выход: 1 выход
Аналоговый выход: 1 выход, опционально 4 ~ 20 мА или 0 ~ 10 в
● Технические характеристики
Управление: pg-бесплатный Векторный контроль, V/F контроль
Пусковой крутящий момент: без векторное управление: 0,5 Гц/150% (SVC)
Соотношение скорости: без PG векторное управление: 1: 100
Точность контроля скорости: векторное управление PG: ± 0.5% от максимальной скорости
Несущая частота: 0,5 k ~ 15,0 кГц
● Особенности
Режим настройки частоты: Цифровая настройка, аналоговая Настройка, серийная Настройка связи, многоскоростная, PID Настройка.
Функция управления PID
Мульти-функция контроля скорости: 8-Управление скоростью
Функция управления частотой качания
Мгновенное отключение питания без функции остановки
Функция клавиш REV / JOG: пользовательские многофункциональные клавиши быстрого доступа
Функция автоматической регулировки напряжения: Когда напряжение сети изменяется, выходное напряжение может автоматически поддерживаться постоянно
Обеспечивает до 25 видов защиты от неисправностей: перегрузки по току, перенапряжения, перенапряжения, перегрева, потери фаз, перегрузки и другой защиты.
● Схема подключения клеммы управления

Инструкции по покупке
Обратите внимание:Мы не несем ответственности за любые таможенные пошлины или налог на импорт!
Оплата
А. Пожалуйста, сделайте оплату путем безопасной оплаты заранее и чтобы мы могли организовать доставку вовремя.
B. Пожалуйста, напишите свой подробный адрес доставки, контактную информацию и номер телефона при оплате. Очень важно успешно доставить посылка. Перед оплатой убедитесь, что ваш адрес в Aliexpress совпадает с вашим адресом доставки. В частности, для российских покупателей необходимо указать полное имя (имя, среднее имя, фамилию). Большое спасибо.
C. Мы не несем ответственности за любые таможенные пошлины или налог на импорт. Пожалуйста, свяжитесь с таможней вашей страны, чтобы определить, какие дополнительные расходы будут понесены до торгов/покупки.
Доставка
А. Вся посылка является стандартной упаковкой бумажной коробки или деревянной упаковкой для большого заказа.
B. Пожалуйста, обратите внимание на дату доставки с использованием другой экспресс-доставки, поэтому, пожалуйста, выберите правильную доставку в соответствии с вашими потребностями.
C. Если Вы готовитесь к большому заказу, пожалуйста, свяжитесь с нами, если хотите доставку любым другим способом.
D. Все пакеты будут отправлены с номером отслеживания.
Отзывы
Ваши положительные отзывы высоко ценятся. Мы гарантируем качество нашей продукции. Каждый товар тщательно проверяется перед отправкой. Пожалуйста, немедленно свяжитесь с нами, если есть какие-либо причины. Мы сделаем все возможное, чтобы удовлетворить вас.
Если вы удовлетворены нашими продуктами и обслуживанием, пожалуйста, оставьте положительный отзыв (★★★★★) Отзывы для нас. Это очень важно для нас. Большое спасибо заранее.
Свяжитесь с нами
Мы ответим на ваши запросы как можно скорее. Однако обратите внимание, что у нас есть разница во времени 12-16 часов с Западной Европой и разница во времени 8 часов с США, поэтому мы обещаем, что постараемся ответить в течение 24 часов.
Для оптовых заказов, пожалуйста, свяжитесь с нами для получения подробной информации. Мы можем предоставить вам соответствующую скидку.
50 минут назад, Rluk сказал:
Хочу с запасом взять вот такую хреновину
Вы ветку всю прочитали?
Если вам все советы ничего не говорят.
То кончно покупайте. И возможно станете первым на чипмейкере обладателем реально работающего частотника с входом 1ф 220 и выходом 3ф 380. Заодно и впечатлениями от его работы поделитесь. И (корректные) замеры потребляемой и выдаваемой мощьности и вольтажа выложите.
И народ наконец то увидет реально работающий прибор который соответствует заявленным характеристикам.
Или как обычно не увидит. Потому как обладатели таких приборов поголовно на ВЫ с электричеством. Замеров делать не умеют, или не чем, или не когда.
Выбор только за вами ; )
Изменено 21.11.2020 06:16 пользователем Тайландчик
Преобразователь частоты — это силовой электронный блок, который является посредником между системой управления и электродвигателем. Он обеспечивает питание для двигателя, защищает его и задаёт необходимый режим работы — разгон, торможение или постоянное изменение скорости.
Для примера возьмем шлифовальный станок, который часто можно встретить в промышленном цеху или в столярной мастерской. Для качественной работы станка движение должно осуществляться в двух направлениях, скорость вращения ленты — меняться плавно, а аварийная кнопка мгновенно отключать питание. Без преобразователя частоты тут точно не обойтись.
Рис.1 Внешний вид шлифовального станка.
Подключение силовых цепей
Все провода, подключаемые к частотному преобразователю, можно разделить на 2 группы: силовые и контрольные. Рассмотрим подключение силовых.
Три провода сетевого питания 380 В, 50 Гц — клеммы R, S, T + провод заземления PE. Нейтраль частотному преобразователю не нужна. Даже если она у вас есть, подключать не нужно. А вот провода питания можно подключать в любом порядке. При необходимости чередование фаз можно изменить в программе частотника.
Три провода питания двигателя — клеммы U, V, W + провод заземления PE. На выходе напряжение может меняться от 0 до 380 В, а частота от 0 до 500 Гц. В этом и кроется смысл работы частотного преобразователя — он позволяет изменять скорость двигателя от нуля до номинального значения и даже выше, если это позволяет механика.

Рис.2 Подключение силовых цепей
Подключение цепей управления
С контрольными проводами всё несколько сложнее. Тут нужно хорошо подумать, прежде чем подключать. На выбор целая россыпь дискретных и аналоговых входов и выходов. В документации производители чаще всего публикуют стандартную схему подключения с заводскими настройками, но для каждого механизма на деле нужна своя схема и индивидуальные настройки.

Рис.3 Подключение цепей управления
У нас задача не самая сложная. Для управления шлифовальной машиной достаточно кнопок «Пуск», «Стоп», переключателя «Вперед – Назад» и переменного резистора для изменения скорости вращения, его ещё называют потенциометром.
К дискретным входам DI подключаются сигналы, которые могут принимать одно из двух состояний — «вкл» и «выкл» или логический 0 и 1. В нашей схеме это кнопки «Пуск», «Стоп», переключатель направления и аварийный «грибок». Мы будем использовать кнопки без фиксации, которые уже установлены на станке.
К аналоговым входам AI подключаются сигналы с непрерывно меняющейся величиной тока 4…20 мА или напряжения 0…10 В. Это могут быть датчики, сигналы от контроллера или другого внешнего устройства. В нашем случае — это ручка потенциометра, которая обеспечивает плавную регулировку скорости.
Потенциометр или переменный резистор — это регулируемый делитель напряжения с тремя контактами.

Рис.4 Внешний вид потенциометра
На два крайних неподвижных контакта подаётся постоянное напряжение 10 В от частотного преобразователя, а средний подвижный контакт служит для снятия текущей величины напряжения, которая зависит от положения ручки. Если ручка повернута наполовину, значит и напряжение будет только половинное = 5 В. Преобразователь пересчитает напряжение в задание скорости и разгонит двигатель.

Рис.5 Подключение потенциометра
Любой потенциометр не подойдёт, необходим с сопротивлением от 2 до 5 кОм, чтобы аналоговый вход стабильно работал. А ещё он должен быть с удобной ручкой, ведь крутить его придётся постоянно. Мощность может быть любой, даже 0,125 Вт достаточно. Идеально подойдёт XB5AD912R4K7 с сопротивлением 4,7 кОм.
На дискретные — DO и аналоговые выходы AO преобразователь выдает информацию о своем текущем состоянии, скорости или токе двигателя, достижении заданных значений или выходе за их пределы. В нашем случае выходы не используются, поэтому подключать нечего.
Настройка
Недостаточно просто подключить все провода к частотнику, его ещё нужно правильно настроить, чтобы механизм работал стабильно и долго. Для этого в частотном преобразователе несколько сотен параметров. Конечно, все настраивать не придётся, но вот основные — обязательно.
Настройка осуществляется с помощью клавиш на встроенной панели управления. С ними всё предельно просто.
Кнопка PRG отвечает за вход и выход из режима программирования. Кнопки вверх, вниз и вбок осуществляют навигацию внутри меню, а кнопка Enter — подтверждает выбор параметра или его значения.
MF.K — это дополнительная функциональная кнопка, которую можно настроить на необходимое действие, например переключение между местным и дистанционным управлением или смену направления вращения.
Зеленая и красная кнопки — это Пуск и Стоп, если управление осуществляется с панели.
Если запутались, не беда. Нужно несколько раз нажать на кнопку PRG, чтобы вернуться к исходному состоянию.

Рис.6 Внешний вид панели управления
А теперь к параметрированию
Во-первых, необходимо дать понять частотному преобразователю, какой двигатель к нему подключен. Для этого в параметры с F1-01 по F1-05 запишем значения с шильдика двигателя:
F1-01 = 1,5 кВт — номинальная мощность двигателя
F1-02 = 380 В — номинальное напряжение двигателя
F1-03 = 3,75 А — номинальный ток двигателя
F1-04 = 50 Гц — номинальная частота двигателя
F1-05 = 1400 об/мин — номинальная скорость двигателя

Рис.7 Шильдик двигателя
Теперь, когда основные данные о двигателе есть, нужно провести автонастройку. Этот процесс нужен, чтобы частотный преобразователь ещё лучше адаптировался к работе с конкретным двигателем: вычислил сопротивление и индуктивность обмоток. Так управление будет точнее, а экономия энергии — больше.
Для запуска процедуры устанавливаем F1-37 = 1 — статическая автонастройка и нажимаем кнопку «Run» на панели управления. Через пару минут дисплей переходит в исходное состояние и частотник готов к работе.
Далее переведём управление на внешние кнопки и настроим его
В нашем случае подойдёт трёхпроводное управление, где кнопка «Стоп» осуществляет разрешение на работу, кнопка «Старт» — запуск станка, а переключатель выбирает направление вращения.
Рис.8 Схема трёхпроводного управления
Настроим эти параметры:
F0-02 = 1 — управление через клеммы управления
F0-03 = 2 — задание частоты с AI1 (потенциометр)
F4-00 = 1 — пуск
F4-01 = 2 — выбор направления движения
F4-02 = 3 — разрешение работы
F4-03 = 47 — аварийный останов
F4-11 = 3 — режим трёхпроводного управления
Теперь станок начинает оживать, реагирует на нажатие кнопок и вращение ручки скорости. Остаётся настроить время разгона, торможения и проверить на практике удобство использования. Наш частотный преобразователь настроен и готов к использованию!
Защита и безопасность
Преобразователь частоты — умное устройство. После настройки в работу включаются все защитные функции, которые в случае аварии сберегут и сам частотник, и двигатель, и механизм.
Например, при заклинивании: преобразователь вычислит, что ток двигателя намного выше номинального, который мы установили в параметре F1-03 ранее, выдаст ошибку «Перегрузка двигателя» и отключится. Двигатель не перегреется и не сгорит, а механика останется целой.
А если возникла угроза здоровью оператора или поломки оборудования — спасет аварийная кнопка «грибок». При её нажатии преобразователь в мгновение остановит станок и отключит питание. Никто не пострадает!
Вместо заключения
Настройка частотного преобразователя — процесс увлекательный. Порой преобразователь берёт на себя не только управление двигателем, но и целой системой и может заменить даже простой контроллер. К частотнику можно подключать датчики, лампы индикации, реле и даже контакторы. Применение преобразователю можно найти везде: от насосов и конвейеров до сложных станков, подъёмников и лифтов. Главное внимательно изучать документацию и делать всё по порядку, тогда всё обязательно получится.
Ещё по теме
Настройка частотного преобразователя для регулирования давления в трубопроводе
Как настроить управление частотным преобразователем по сети Modbus
Инструкция по эксплуатации и чертежи MD310
Каталог с актуальными ценами
Описание
Конец года новый магазин Большая распродажа ранней!
Ограниченная покупка!
Распродажа на месте!
Заказывайте как можно скорее!
Тип Таблица выбора
Тип выбор инструкции по уходу за изделием
A. Пожалуйста, внимательно прочитайте инструкции по продукции, выберите тип в соответствии с функцией и мощностью, которые вам нужны, и избегайте повреждений, вызванных неправильной проводкой;
B. Этот преобразователь частоты не поддерживает Однофазное регулирование скорости двигателя с емкостью;
C. Регулирование скорости трехфазных электродвигателей переменного тока с шестью или более ступенями. Пожалуйста, приобретите конвертер с более высокой мощностью, чем двигатель;
D. Если вы не знаете, как выбрать тип, вы также можете связаться с нами, чтобы дать вам несколько предложений.
E. Преобразователи частоты серии WK310 по умолчанию не имеют функции связи RS485 и не имеют встроенных тормозных блоков. Если вам нужна функция связи RS485 преобразователя частоты или нужно использовать с тормозным сопротивлением, пожалуйста, купите наш Частотный преобразователь серии WK600.
Почему вы выбираете нас?
• Наши продукты отличаются отличной производительностью.
A. 0,5 Гц может обеспечить 150% пусковой момент;
B. Перегрузочная способность: 150% Номинальный ток 60 с; 180% Номинальный ток 10 с;
C. Несущая частота: 0,5 k ~ 15,0 кГц.
• Наши продукты обладают мощными функциями.
A.ПИД-регулятор функция-Технология автоматического управления замкнутым контуром;
B.Многофункциональная функция управления скоростью-8-регулировка скорости;
C.Множественное предохранение от мотора-Короткое замыкание, фазовое отсутствие, защита от перегрузки по току, перенапряжения, перенапряжения, перегрева, перегрузки и т. Д.
• Наши продукты имеют комплексную комплектацию.
A.17 функциональными терминалы-Сотни функций могут быть осуществлены с помощью различных комбинаций
B.Релейный выход-Более сложные функции управления связью могут быть осуществлены.
Схема подключения
Дополнительное Примечание:
S, T являются входными клеммами однофазного источника питания преобразователя частоты
U, V, W являются выходными клеммами преобразователя частоты и подключен трехфазный асинхронный двигатель.
Подробная информация о продукте

Рекомендуемые аксессуары
Наш продукт технологии
А. Схема подключения терминала нашей продукции
B. Техническая спецификация нашей продукции
● Входные и выходные характеристики
Диапазон входного напряжения: 220 В/380 В ± 15%
Диапазон входных частот: 47 ~ 63 Гц
Диапазон выходного напряжения: 0 ~ Номинальное входное напряжение
Диапазон выходной частоты: 0 ~ 650 Гц
● Периферийный интерфейс Особенности
Программируемый цифровой вход: 4 входа
Программируемый аналоговый вход: AI1: 0 ~ 10 V вход, AI2: 0 ~ + 5 V или панель потенциометра вход
Выход открытого коллектора: 1 выход
Релейный выход: 1 выход
Аналоговый выход: 1 выход, опционально 4 ~ 20 мА или 0 ~ 10 в
● Технические характеристики Характеристики
Управление: PG-free Векторный контроль, V/F контроль
Пусковой момент: без PG векторного управления: 0,5 Гц/150% (SVC)
Коэффициент скорости: НЕТ PG векторное управление: 1: 100
Точность управления скоростью: векторное управление PG: ± 0.5% от максимальной скорости
Несущая частота: 0,5 k ~ 15,0 кГц
● Особенности
Режим настройки частоты: Цифровая настройка, аналоговая Настройка, Настройка последовательной связи, мульти-скорость, настройка PID.
ПИД-регулятор функция
Мульти-функция контроля скорости: 8-Управление скоростью
Частоту качания функция управления
Мгновенное отключение электричества без функции остановки
Функция ключа REV/JOG: пользовательские многофункциональные клавиши быстрого доступа
Функция автоматической регулировки напряжения: когда сеточное напряжение изменяется, выходное напряжение может быть автоматически поддерживается постоянным
Обеспечивают до 25 видов защиты от неисправностей: перегрузки по току, перенапряжения, пониженного напряжения, перегрева, потери фазы, перегрузки и другой защиты.
Компания и услуги
• Строгое управление производством
Управление 5S, стандартизированное производство и строгие испытания
• Честь нашей компании
Патента ядра Технология Формальные производственных предприятий CE Сертификация ЕС Шэньчжэнь высокотехнологичные предприятия
• Клиент использовать чехлы

Покупка инструкции
Пожалуйста, обратите внимание: Мы не несем ответственности за любые таможенные пошлины или налог на импорт!
Оплата
А. Пожалуйста, Произведите оплату предоплаты, чтобы мы могли организовать доставку вовремя.
B. Пожалуйста, напишите свой подробный адрес доставки, контактную информацию и номер телефона при оплате. Очень важно успешно доставить посылка. Пожалуйста, убедитесь, что ваш адрес в AliExpress совпадает с вашим адресом доставки перед оплатой. Специально для покупателей из России необходимо указать полное имя (имя, отчество, фамилия). Большое вам спасибо.
C. Мы не несем ответственности за любые таможенные пошлины или налог на импорт. Пожалуйста, свяжитесь с таможней вашей страны, чтобы определить, какие дополнительные расходы будут перед торгами/покупкой.
Комплект поставки:
Машина * 1, обтекаемая версия продукта руководство * 1 (включая гарантийный талон), линия расширения * 1 (введение клавиатуры, необходимо приобретать отдельно), сертификат качества продукта * 1
Дополнительное Примечание:
A.Если вам нужна подробная Версия руководства, вы можете связаться с нами, чтобы отправить его вам бесплатно.
B. В том случае, если нет бумажной продукции по эксплуатации во время упаковки чехол, это может быть из-за изменений продукта или обновлений. Пожалуйста, свяжитесь с нами для получения последней и точной электронной инструкции по продукту.
Доставка
А. Вся посылка является стандартной бумажной коробкой или деревянной упаковкой для большого заказа.
B. Пожалуйста, обратите внимание на дату доставки с помощью другой экспресс-доставки, поэтому, пожалуйста, выберите правильную доставку в соответствии с вашими потребностями.
C. Если Вы готовитесь к крупному заказу, пожалуйста, свяжитесь с нами, если хотите доставку любым другим способом.
D. Все пакеты будут отправлены с номером отслеживания.
Отзывы
Ваши положительные отзывы высоко ценятся. Мы гарантируем качество нашей продукции. Каждый товар будет тщательно проверен перед отправкой. Пожалуйста, свяжитесь с нами немедленно, если есть какие-либо причины, которые вы чувствуете. Мы сделаем все возможное, чтобы удовлетворить вас.
Если вы удовлетворены нашей продукцией и обслуживанием, пожалуйста, оставьте положительный пять звезд (★★★★★Отзывы для нас. Это очень важно для нас. Заранее большое спасибо.
Пожалуйста, свяжитесь с нами
Мы ответим на ваши вопросы как можно скорее. Однако, пожалуйста, обратите внимание, что у нас есть 12-16 часов разницы во времени с Западной Европой и 8 часов разницы во времени с США, поэтому мы обещаем, что постараемся ответить в течение 24 часов.
Для оптовых заказов, пожалуйста, свяжитесь с нами для получения подробной информации. Мы можем предоставить вам соответствующую скидку.
Частотный преобразователь с алиэкспресс 2.2kw подключение и настройка.Подробнее
Частотный преобразователь как правильно подключить частотникПодробнее
Самый дешёвый китайский частотник и его настройкаПодробнее
Частотный преобразователь на 4кВт с АлиЭкспресс (дешевый да еще и 380 умеет делать)Подробнее
неудачная покупка векторного частотникаПодробнее
Настройка преобразователя частоты серия ZNПодробнее
Как «убивают» преобразователи частоты обзор или какой он самый «хороший» частотник- от КИПлабПодробнее
Настройка частотного преобразователя серии ZПодробнее
Узнай, на что способен китайский частотник для ТОКАРНОГО (часть 13)Подробнее
Ругаемся- китайские мощности, обзор внутренностей частотного преобразователя nFlixin 9600D от KIPlabПодробнее
Настройка дешёвого китайского частотника для токарногоПодробнее
Настройка частотного преобразователя серии ZVПодробнее
Китайский частотник для трёхфазного двигателяПодробнее
Обзор и настройка частотных преобразователей фирмы SUNПодробнее
Как подключать и настраивать частотный преобразователь. 2 Часть.Подробнее
Частотник за 70 доларов. Обманывают ли Китайцы?Подробнее
Частотник с AliExpress , подключение к простому точилуПодробнее
🔥Пианино NUX-WK 310 — Честный обзор!Подробнее
Про новый однофазный частотный преобразователь из Китая для водяного насоса в частном домеПодробнее
Популярное
WK310 повышающий преобразователь частоты однофазный 220V адаптер на мини-Трехфазная система 380v силовой трансформатор переменного тока для мотора с частотно-регулируемым приводом
Таблица выбора типа
220V до 380V/0.75KW
220V до 380V/1.5KW
220V до 380V/2.2KW
Номер модели
WK310-0007-G1T3
WK310-0015-G1T3
WK310-0022-G1T3
Входное напряжение
Однофазный 220V ± 15% 50 Гц/60 Гц
Выходное напряжение
Трехфазный 0-380 в 0-650 Гц
Мощность
0.75 кВт/1 л.с.
1.5 кВт/2 л.с.
2.2 кВт/3 л.с.
Номинальный ток
2.5A
3.7A
5А
Размер формы
170*126*160
Размер упаковки
225*190*230
Вес
2,2 кг
Инструкции по выбору типа:
1. Пожалуйста, внимательно прочитайте инструкции по продукту, выберите тип в соответствии с функцией и мощностью, которые вам нужны, и избегайте повреждений, вызванных неправильной проводкой.
2. Этот преобразователь частоты не может управлять другими типами нагрузки, за исключением индуктивной нагрузки, такой как двигатель. Пожалуйста, обратите особое внимание на это при покупке.
3. Емкость перегрузки 220 В до 380 В преобразователь частоты мала. Пожалуйста, выберите как минимум один более высокий уровень мощности. Когда нагрузка очень большая (например, гидравлический насос зубчатого насоса) или есть блокирующее состояние, пожалуйста, выберите внимательно.
4. Если вы не знаете, как выбрать тип, вы также можете связаться с нами, чтобы дать вам несколько предложений.
Упаковочный лист

Упаковочный лист:
Машина * 1, обтекаемая Версия руководства продукта * 1 (включая гарантийный талон), линия расширения * 1 (введение клавиатуры, необходимо приобрести отдельно), сертификат сертификации продукта * 1
Дополнительное Примечание:
А.Если вам нужна подробная Версия руководства по продукту, вы можете связаться с нами, чтобы отправить его вам бесплатно.
B. Если нет бумажной продукции по эксплуатации во время упаковки чехол, это может быть из-за изменений продукта или обновлений. Пожалуйста, свяжитесь с нами для получения новейшего и точного электронного руководства.
Наши предложения
Преобразователь частоты 220 В до 380 В предназначен для решения проблемы, что двигатель электрического оборудования 380 В трехфазный, но нет трехфазного питания 380 В вокруг него, но только в том случае, 220V однофазный источника питания. Конкретное решение может сослаться на следующие предложения:
А. Если трехфазный двигатель 380V сам по себе является звездным соединением, его можно изменить на треугольное соединение. В это время двигатель становится трехфазным электродвигателем 220 В, используя наш преобразователь 220 В для преобразования однофазного 220 В в Трехфазный 220 в, тот же уровень мощности выбор может решить проблему (220 В конвертер покупка может нажать на эту ссылку);
B. Если трехфазный двигатель 380V сам по себе является треугольным соединением, его нельзя решить, изменив его метод подключения. Мы должны использовать наш конвертер 220 В-380 В для решения проблемы и обратить внимание на выбор.
C. Идентификация соединений двигателя может быть указана на следующем рисунке:
Figure1-это мотор, соединенный со звездой.
Рис. 2-Треугольный Соединительный мотор.

Схема проводки
Дополнительное Примечание:
R, T являются входными клеммами преобразователя частоты 220 В питания;
U, V и W являются выходными клеммами преобразователя частоты, Соединенным с трехфазным двигателем переменного тока.
Подробная информация о наших продуктах

◆5-Разрядный Дисплей Трубки ◆Высококачественные компоненты ◆Съемная внешняя панель
◆
Изолированное алюминиевое основание для рассеивания тепла
Наша технология продукции
● Входные и выходные характеристики
Диапазон входного напряжения: 220 В ± 15%
Диапазон входных частот: 47 ~ 63 Гц
Диапазон выходного напряжения: 0 ~ Номинальное входное напряжение
Диапазон выходной частоты: 0 ~ 650 Гц
● Особенности периферийного интерфейса
Программируемый цифровой вход: 4 входа
Программируемый аналоговый вход: AI1: 0 ~ 10 в вход, AI2: 0 ~ + 5 В или панель потенциометра вход
Выход открытого коллектора: 1 выход
Релейный выход: 1 выход
Аналоговый выход: 1 выход, опционально 4 ~ 20 мА или 0 ~ 10 в
● Технические характеристики
Управление: pg-бесплатный Векторный контроль, V/F контроль
Пусковой крутящий момент: без векторное управление: 0,5 Гц/150% (SVC)
Соотношение скорости: без PG векторное управление: 1: 100
Точность контроля скорости: векторное управление PG: ± 0.5% от максимальной скорости
Несущая частота: 0,5 k ~ 15,0 кГц
● Особенности
Режим настройки частоты: Цифровая настройка, аналоговая Настройка, серийная Настройка связи, многоскоростная, PID Настройка.
Функция управления PID
Мульти-функция контроля скорости: 8-Управление скоростью
Функция управления частотой качания
Мгновенное отключение питания без функции остановки
Функция клавиш REV / JOG: пользовательские многофункциональные клавиши быстрого доступа
Функция автоматической регулировки напряжения: Когда напряжение сети изменяется, выходное напряжение может автоматически поддерживаться постоянно
Обеспечивает до 25 видов защиты от неисправностей: перегрузки по току, перенапряжения, перенапряжения, перегрева, потери фаз, перегрузки и другой защиты.
● Схема подключения клеммы управления

Инструкции по покупке
Обратите внимание:Мы не несем ответственности за любые таможенные пошлины или налог на импорт!
Оплата
А. Пожалуйста, сделайте оплату путем безопасной оплаты заранее и чтобы мы могли организовать доставку вовремя.
B. Пожалуйста, напишите свой подробный адрес доставки, контактную информацию и номер телефона при оплате. Очень важно успешно доставить посылка. Перед оплатой убедитесь, что ваш адрес в Aliexpress совпадает с вашим адресом доставки. В частности, для российских покупателей необходимо указать полное имя (имя, среднее имя, фамилию). Большое спасибо.
C. Мы не несем ответственности за любые таможенные пошлины или налог на импорт. Пожалуйста, свяжитесь с таможней вашей страны, чтобы определить, какие дополнительные расходы будут понесены до торгов/покупки.
Доставка
А. Вся посылка является стандартной упаковкой бумажной коробки или деревянной упаковкой для большого заказа.
B. Пожалуйста, обратите внимание на дату доставки с использованием другой экспресс-доставки, поэтому, пожалуйста, выберите правильную доставку в соответствии с вашими потребностями.
C. Если Вы готовитесь к большому заказу, пожалуйста, свяжитесь с нами, если хотите доставку любым другим способом.
D. Все пакеты будут отправлены с номером отслеживания.
Отзывы
Ваши положительные отзывы высоко ценятся. Мы гарантируем качество нашей продукции. Каждый товар тщательно проверяется перед отправкой. Пожалуйста, немедленно свяжитесь с нами, если есть какие-либо причины. Мы сделаем все возможное, чтобы удовлетворить вас.
Если вы удовлетворены нашими продуктами и обслуживанием, пожалуйста, оставьте положительный отзыв (★★★★★) Отзывы для нас. Это очень важно для нас. Большое спасибо заранее.
Свяжитесь с нами
Мы ответим на ваши запросы как можно скорее. Однако обратите внимание, что у нас есть разница во времени 12-16 часов с Западной Европой и разница во времени 8 часов с США, поэтому мы обещаем, что постараемся ответить в течение 24 часов.
Для оптовых заказов, пожалуйста, свяжитесь с нами для получения подробной информации. Мы можем предоставить вам соответствующую скидку.
История изменения цены
*Внимание! Указанная стоимость 7 012,20 — 31 725,30 руб. уже могла изменится.
| Месяц | Мин. | Макс. | Цена |
|---|---|---|---|
| 28.10.2023 | 8344.95 | 8761.50 | 8552.5 руб. |
| 28.09.2023 | 8274.36 | 8688.11 | 8481 руб. |
| 28.08.2023 | 6942.31 | 7289.95 | 7115.5 руб. |
| 28.07.2023 | 8134.0 | 8541.81 | 8337.5 руб. |
| 28.06.2023 | 7082.20 | 7436.51 | 7259 руб. |
| 28.05.2023 | 7994.66 | 8394.58 | 8194 руб. |
| 28.04.2023 | 7924.16 | 8320.96 | 8122 руб. |
| 28.03.2023 | 7853.25 | 8246.36 | 8049.5 руб. |
| 28.02.2023 | 7783.9 | 8172.51 | 7977.5 руб. |
Видеообзор
1. Стоит ли покупать преобразователь 12 220?
Видео:
2. Как выбрать инвертор C 12в- на 220в- -Сравнение 4 х штук-
Видео: АвтоТок
3. ⚡️Инвертор 12 220 автомобильный-для аккумулятора- Преобразователь напряжения- Обзор- выбор- История
Видео: Igor Generator
4. Тест и испытание автомобильного инвертора UKC на 2квт-
Видео: ALL FROM CHINA
Отзывы покупателей
*о других товарах на сайте
Отзывы о WK310 инвертор 2 кВт 1P 220 В и выход 3P 380 домашний электрический вход
Здесь вы можете оставить свой отзыв о данном товаре.
Источник информации о товаре: Aliexpress.ru (4000382219944)| Источник видеообзоров: Youtube.com


















































