В то время, когда в 1998 г. дописывалась 16-глава данной книги (тогда она была последней), казалось, что все нужные читателю сведения об «остеохондрозах» автором изложены. Но события складываются так, что все время появляются новые вопросы, требующие непременного ознакомления с ними читателей. Так, трудясь над книгой «Излечение от астмы» (СПб.: Питер, 2002), создатель нашёл еще одного эксперта, не считая упомянутой в главе 16 Джанет Томсон, верно тренирующего силу маленьких мышц шеи и спины, причем эксперта наивысшей мыслимой квалификации в деле физической профилактики. Создатель с громадным наслаждением воображает читателям Нэнси Хогсхед, известную американскую пловчиху, неоднократную чемпионку Олимпийских игр (в 1984 г. в Лос-Анджелесе она взяла три золотые и одну серебряную медаль).
Нэнси Хогсхед в содружестве с Дж. С. Казенсом написала книгу «Как победить астму» (М.: ФАИР, 1998), в которой рекомендует на максимуме отклонения при боковых наклонах и боковых вращениях шеи и туловища (в амплитуде отклонений) сохранять такое положение 5-10 секунд, кроме того 15–25 и до 30 секунд!
Сейчас участились случаи заболевания шейным «остеохондрозом» с очень упорным течением. Обстоятельство появилась в массовом переходе населения на ношение курток, пальто и шуб фабричного пошива. Наклон линии плеча верхней одежды при таких условиях довольно часто не соответствует наклону плечевой линии обладателя одежды. В следствии получается систематическое и долгое давление одежды или на область шеи, или на плечевые суставы. Боли благодаря этого смогут быть изнурительными и продолжительно неустранимыми, поскольку не соответствующая хозяину одежда надевается опять и опять, борьба с болью и «организация» болевого давления на плечи одеждой чередуются, в большинстве случаев, до теплых дней. В большинстве случаев теплая погода вынуждает хозяина верхней одежды обходиться без нее, и боли сейчас стихают сами по себе либо при несложном обезболивании домашними средствами.
В январе 2001 г. доктор из Москвы Ф. К. Г-на привозила к автору собственного внука. В Москве у внука диагностирована бронхиальная астма. Диагноз ошибочный. Само это событие никакого отношения к «остеохондрозам» не имело бы и не должно было бы упоминаться в данной книге, если бы не действия столичной бабушки. Намучившись с не поддающейся столичным экспертам заболеванием внука, бабушка, доктор по профессии, решила взяться за дело сама. Она купила прекрасно разрекламированную книгу Владимира Преображенского «Избавьтесь от страданий. Атлас Леднева» (М.: спорт и Физкультура, 1999) и прибор для электропунктуры И. А. Леднева «Эледиа», отыскала в атласе с. 107 «Бронхиальная астма» и начала лечить внука. В собственных действиях бабушка не допустила ни одной неточности. Но произошло то, чего она не ожидала: по книге В. Преображенского получалось так, что прибор «Эледиа» у всех и все излечивает, в случае если пользоваться выручающим чуть ли не от всех болезней атласом И. А. Леднева, а у столичной бабушки не получалось никаких хороших результатов! Всем этим бабушка занималась еще в Москве и привезла в Петербург прибор «Эледиа» и книгу В. Преображенского автору данной книги прося растолковать обстоятельства неудачи.
До этого времени создатель ничего не знал о приборе «Эледиа» и книге В. Преображенского. Оказалось, что написание книги и создание прибора инициированы в основном «остеохондрозами». Ознакомление с прибором и книгой практически заставило автора данной книги высказать не все, но лишь малую часть собственных мыслей по поводу прибора «Эледиа» и книги В. Преображенского.
Читатель обязан прекрасно воображать, что издание «спорт и Физкультура» в таковой степени разрекламировал книгу В. Преображенского и прибор «Эледиа», что высказывать какие-либо сомнения кроме того как-то и некомфортно. Более того, использование на практике прибора И. А. его атласа и Леднева совсем неподготовленными людьми, если судить по отзывам, дает такие лечебные результаты, каковые удивляют видавших всякие «чудеса» экспертов. Соответствует ли все это действительности? Частично соответствует. Но в значительной мере ученые-физики из Обнинска Иван Андреевич Лев и Леднев Николаевич их куратор и Усачев из издания «спорт и Физкультура», доктор, эксперт по спортивной медицине и рефлексотерапии, пятикратный чемпион СССР по горным лыжам Владимир Сергеевич Преображенский, все трое превосходные энтузиасты электропунктуры, и многие помогавшие им люди наделали большое количество неточностей. Неточности время от времени весьма неотёсанные, неточности медицинские а также электротехнические, непростительные для ученых-физиков. И сейчас все эти неточности уже достаточно много лет распространяются по всей стране в качестве истины, что недопустимо. Неточностей так много, что полное описание их заняло бы много места и отвлекло бы читателя от главной темы книги. Исходя из этого создатель решил изложить только кое-какие собственные мысли о книге Преображенского и приборе Леднева, имеющие отношение к «остеохондрозам». Отметим, что редактор книги В. Преображенского адресует ее прежде всего больным «остеохондрозами»:
«Из книги вы определите, как избавиться от остеохондроза, что мучает многих, познакомитесь с прибором Эледиа и неповторимым атласом Леднева, складывающимся из 176 схем биологически активных точек для лечения 200 заболеваний».
Начнем с атласа И. А. Леднева. Он составлен по широко известным у нас публикациям (они перечислены в письме Усачева изданию «ФиС» и легко узнаются экспертами). Но сами эти публикации, считающиеся авторитетными, во многих случаях не заслуживают доверия. Так, столичная бабушка-доктор, о которой говорилось выше, не сумела оказать помощь собственному внуку по той причине, что из которых рекомендуют атласом для больных бронхиальной астмой 36 точек акупунктуры в конечном итоге не пригодна ни одна точка!
Потом, все 25 страниц атласа «Заболевания органов пищеварения» содержат точки акупунктуры, каковые при одновременном применении приведут к взаимоликвидации действия этих точек, поскольку при однообразном действии, рекомендованном Ледневым, Преображенским и Усачевым, эти точки оказывают противоположное влияние на организм. Таково элементарно очевидное общемедицинское физиологическое правило, которое по необъяснимому неведению не выполняют так именуемые эксперты. К сожалению, это правило не выполняют и в Центральном университете рефлексотерапии, и на родине акупунктуры.
Точки акупунктуры, каковые с пользой для организма возможно использовать лишь весьма узкоспециализированно, в атласе рекомендуются для широкого применения. Эта особенность малоизвестна экспертам, подтверждение ее тут не приводится, поскольку занимает много места.
Советы атласа Леднева по сердечно-сосудистым болезням не учитывают существующих в организме человека физиологических механизмов и связей и могут оказать лишь вредное влияние на здоровье человека. Возможно с уверенностью предполагать, что систематическое использование рекомендаций атласа самими И. А. Ледневым и Л. Н. Усачевым, страдавшими сердечно-сосудистыми болезнями, не содействовало упрочнению их здоровья, но стало причиной окончательному его разрушению.
Советы атласа по несуществующему единому сахарному диабету говорят об отсутствии у составителя и курирующего доктора знаний о существовании различных типов этого заболевания, требующих совсем различного лечения.
Одновременно с этим в атласе имеется и такие советы, каковые можно считать очень нужными, проверенными многими столетиями практики акупунктуры. «Чистка» атласа Леднева – весьма трудоемкое и, вероятнее, неосуществимое дело, требующее привлечения экспертов высокой квалификации, которых среди официальных русских авторитетов нет. Собирательские правила по Ледневу тут неприемлемы.
Сейчас поболтаем о приборе «Эледиа». В принципе, применение этого прибора для электропунктуры вероятно. Но последовательность утверждений И. А. Леднева, Л. Н. Усачева и В. С. Преображенского, относящихся к этому прибору, полностью неверен. В письме в редакцию издания «ФиС» Л. Н. Усачев утверждал:
«Способ (электропунктуры с применением прибора «Эледиа». – М. Ж.) так несложен и безвреден, что любая культурная семья должна иметь дома приборчик, атлас с точками, пройти минимальное обучение и, в то время, когда появляются несложные функциональные расстройства (к примеру, приступ остеохондроза), никуда не ездить и не мучиться, а тут же, пока заболевание не укрепилась до органики и условного рефлекса, забрать прибор и пролечиться. Ликвидировать заболевание!».
Нужно твердо знать, что способ электропунктуры принципиально не имеет возможности принимать во внимание безвредным. Неправильное использование способа может привести к трагедии. В частности такое неправильное использование электропунктуры часто пропагандируется Преображенским с Усачева и подачи Леднева. Эти три энтузиаста электропунктуры кроме того не подозревали, что способ может привести к катастрофическим последствиям, в случае если используется не имеющим нужных знаний человеком. Создатель данной книги выступает в этом случае не с позиций запрещения, а с доказательств и позиций убеждения. Печальный опыт Усачева и Леднева вынудил Преображенского задуматься, но должного впечатления не произвел. «Сдача некоторых позиций» самим Преображенским – еле дотягивался в 70 лет до середины голеней, не сгибая коленей, не смотря на то, что раньше вольно доставал до пола, систематические фактически немотивированные срывы в здоровье, необходимость каждый день делать не меньше 1000–1400 перемещений на протяжении особой зарядки для поясничного и шейного отделов позвоночника чтобы не было важных обострений «остеохондроза» – все это говорит и о неправильном применении электропунктуры, и о неправильном комплекте упражнений (особенное внимание Преображенский уделяет отработке быстроты перемещений вместо отработки силы мышц). Самое необычное содержится в том, что все собственные неправильные действия Преображенский ухитряется ставить в пример читателям.
Главным излечивающим положением при применении прибора «Эледиа» считается достижение равенства электрического тока через точку акупунктуры при трансформации полярности источника постоянного тока на противоположную (при замене плюса на минус и минуса на плюс). В этом вопросе Леднев, Усачев и Преображенский совершили неотёсанную электротехническую неточность. Эта неточность стала причиной тому, что в прибор «Эледиа» вмонтирован «вечный обман» врача и больного: каждые акупунктурные точки в любом самом диком «асимметричном» состоянии постоянно будут определяться прибором «Эледиа» как «симметричные». Для этого прибора «асимметричных» точек, разрешающих при перемене полярности источника постоянного тока зарегистрировать ощутимую отличие в величине тока, не существует, не смотря на то, что наряду с этим прямое и обратное сопротивления акупунктурной точки смогут различаться в 2 раза! Все точки акупунктуры при применении прибора «Эледиа» всегда будут в хорошем состоянии и электропунктура по Ледневу, Преображенскому и Усачеву теряет каждый суть. Вздор содержится в том, что точки акупунктуры (все и неизменно!) хороши без лечебного действия!
В действительности, источником питания в приборе «Эледиа» есть аккумулятор (батарея) напряжением 9 вольт. Допустимым для переключений и лечения признан постоянный ток порядка 25 мкА. Следовательно, по закону Ома, неспециализированное сопротивление цепи электрического тока должно быть равняется приблизительно 9 вольт/25 х 106 ампер = 360 кОм. Все сопротивления, составляющие электрическую цепь в приборе «Эледиа», мелки: постоянное сопротивление 10 кОм, незначительное сопротивление микроамперметра, электрическое сопротивление точки акупунктуры, в большинстве случаев равное нескольким килоомам. Исходя из этого в цепь прибора включено переменное сопротивление 470 кОм, благодаря которому и приобретают нужные 360 кОм (ток 25 мкА).
При переключении полярности источника тока электрическое сопротивление точки акупунктуры в большинстве случаев возрастает приблизительно с 5 до 10 кОм. Но неспециализированное сопротивление последовательно соединенной электрической цепи прибора наряду с этим возрастает не в 2 раза (с 5 до 10 кОм), а с 360 до 365 кОм, т. е. незначительно. При перемене полярности микроамперметр прибора обязан обозначить четкую отличие между 360 и 365 кОм, т. е. обязан четко отличить 25 и 24,7 мкА. Этого используемые в устройствах «Эледиа» микроамперметры сделать не смогут, поскольку личная их погрешность (класс точности устройств) измеряется несколькими процентами от большого значения шкалы. Так, каждые акупунктурные точки в любом их состоянии неизменно и без каких-либо лечебных действий будут регистрироваться как «симметричные», что понимается как «вылеченные». В прибор «Эледиа» встроен «вечный обман», а электропунктура без каких-либо оснований преобразовывается в бессмыслицу с применением принципа «симметрии» точек акупунктуры по Ледневу, Преображенскому и Усачеву.
Примененная Ледневым электрическая схема прибора «Эледиа» при строгих медицинских требованиях для работы негодна, не смотря на то, что совсем негодной ее признать запрещено. Обрисованную тут неточность Леднева весьма в далеком прошлом и частенько совершают многие умелые конструкторы устройств для электропунктуры.
В практике автора много лет тому назад был характерный случай. Из одной из современных бывших советских республик приехал узнаваемый в тех краях рефлексотерапевт, весьма озабоченный защитой собственного организма от страшного и серьёзного заболевания. Защищался он систематическим поддержанием некоторых собственных собственных акупунктурных точек в «симметричном» состоянии. Автору было как мы знаем, что схема электропунктурного прибора у этого эксперта имеет простой принципиальный недостаток для того чтобы же типа, что и в приборе Леднева. Создатель внес предложение приезжему эксперту проверить отсутствие «асимметрии» в интересующих его точках, но прибором конструкции автора, в котором злополучный недостаток устранен. Нужно было видеть близкое к шоковому состояние приезжего эксперта, в то время, когда его акупунктурные точки с шепетильно поддерживаемой «симметрией» были быстро «асимметричными».
Создатель данной книги в начале собственной практики пользовался прибором с «порочной» схемой, подобной схеме Леднева. По личному опыту и по окончании накопления знаний уже в течение весьма многих лет создатель вычисляет недопустимым использование «всегда лгущих» устройств для электропунктуры.
Сообщения о прекрасных результатах электропунктуры при «других» заболеваниях и остеохондрозах, полученные от людей, не имеющих нужной подготовки, требуют квалифицированной проверки. От различных авиаторов Петербурга создатель пара раз слышал рассказ о навигаторе, что посредством самодельного прибора типа «Эледиа» приспособился самостоятельно лечить «остеохондрозы» у себя и участников собственной семьи. В последних рассказах говорилось об удалении почки у самого навигатора и у его жены. Печальное следствие самодеятельности.
в один раз случайно встреченный приятель, с которым создатель не виделся пара месяцев, похвалился собственными независимыми удачами в лечебных делах. Его супруга оступилась при выходе из трамвая и повредила ногу. Вооружившись прибором и справочной литературой «Аксон», привычный автора продолжительно и удачно лечил ногу жены. Он был весьма удивлен заданным ему вопросом о количестве килограммов, на каковые поправилась его супруга за время лечения ноги. Оказалось, что на 10 килограммов! Особенно удивляло, как автору удалось заочно это определить. Но с позиций грамотной акупунктуры тут ничего непонятного нет.
Принципиальное возражение автора приводит к категорическому утверждению Леднева, Преображенского и Усачева для электропунктуры: «плюсом» лечить запрещено. Лечение электропунктурой требует в зависимости от плюса и конкретных «обстоятельств», и «минуса» на рабочем электроде (щупе).
Известно наиболее значимое медицинское (физиологическое) положение о том, что в организме человека может наблюдаться как чрезмерное патологическое функционирование (гиперфункция), так и недостаточное патологическое функционирование (гипофункция) одного и того же органа. Для гипофункции и устранения гиперфункции одного и того же органа требуется действие на данный орган различной полярностью на рабочем электроде. Это в таковой степени разумеется и установлено огромной практикой многих экспертов, что нереально осознать, как имело возможность появиться утверждение о недопустимости лечения «плюсом». При критических состояниях, вызванных сердечной недостаточностью у больных, действие в определенных точках акупунктуры лишь «плюсом» выручает этих больных, действие «минусом» угрожает больным трагедией!
Часто не редкость такое положение, в то время, когда оказать помощь больному возможно действием на одну-единственную точку, вторых нет. Конечно, что такое действие требуется в одних случаях «минусом», в других – «плюсом». Попытайтесь лечить задыхающегося от удушья больного при бронхиальной астме «минусом» по Ледневу, Преображенскому и Усачеву – и получите резкое ухудшение его состояния. А если вы станете лечить «плюсом» сердечную астму, может наступить трагедия.
В атласе Леднева на с. 103 приводится единая таблица для двух противоположных по смыслу лечения заболеваний: «гипотония и Гипертоническая болезнь». Эти заболевания, разумеется, требуют действия различной полярности. А у энтузиастов электропунктуры лечение лишь «минусом» и для гипертоников, и для гипотоников!
Утверждение о необходимости лечить электропунктурой лишь при «минусе» на рабочем электроде есть неточностью не просто неотёсанной, но еще и «многоэтажной». В действительности, «минус» на рабочем электроде свидетельствует так именуемое возбуждающее воздействие на определенный нерв («плюс» свидетельствует тормозное, седативное воздействие). В большинстве случаев, точки акупунктуры в силу полупроводниковых особенностей кожи дают электрический ток большей силы при «минусе» на щупе. Исходя из этого таковой вариант употребляется при уточнении положения точки акупунктуры (режим поиска). Подключая «минус» на рабочий электрод, эксперт неизбежно увеличивает асимметрию электрических сопротивлений и токов в точке акупунктуры. Такие неточности, по ветхому китайскому обычаю, влекут отстранение эксперта от лечения на годы! Отчего же ученые-физики Леднев и врач и Усачев-рефлексотерапевт Преображенский не увидели этого собственного страшного заблуждения? Да лишь вследствие того что пользовались «всегда лгущим» прибором «Эледиа», в котором последовательно включенное в цепь огромное электрическое сопротивление (много килоом) скрывает отличие прямого и обратного электрических сопротивлений акупунктурной точки.
Все эти элементарные положения обязаны были знать энтузиасты электропунктуры, взявшиеся учить этому делу всю страну, в особенности доктор и рефлексотерапевт Преображенский. Вместо этого на всю территорию страны безответственно распространено страшное невежество.
В применении к «остеохондрозам» лечение электропунктурой «минусом» по Ледневу в большинстве случаев дает видимость лечения, приводя позвоночник в состояние неустойчивого равновесия ненадолго, до первой маленькой нагрузки, которая срочно ведет к сколиозу и всем его последствиям. Не смотря на то, что нередки и случаи, в то время, когда по последовательности мыслей нужно действие и «минусом».
Сейчас читатель имеет возможность реально оценить работу В. С. Преображенского в качестве автора книги по электропунктуре с особенным вниманием к «остеохондрозам».
Энергичный читатель уже сделал вывод, что создатель данной книги на данный момент оценит работу Преображенского лишь отрицательно. И совершил ошибку!
Дело в том, что в книге В. С. Преображенского имеется весьма хорошее, согласно нашей точке зрения, положение, которое возможно назвать синдромом перетренированности, либо (еще лучите) синдромом Преображенского. Мы продемонстрируем, что посредством этого синдрома Преображенский опровергает собственный собственное утверждение, что «плюсом» лечить электропунктурой «другие» заболевания и остеохондрозы запрещено. Итак, мы вводим новое понятие о синдроме перетренированности.
В. С. Преображенский пишет: «Недочёт физических нагрузок ведет к обострению хронических болезней, избыток – также. Это неспециализированная закономерность, очень характерная для остеохондроза».
Эту нужную идея о негативной роли избытка физических нагрузок было нужно «выцарапывать» из словесного мусора, в который загрузил ее Преображенский. Но из-за чего автору так понравилась эта идея? По причине того, что уже был личный отрицательный опыт применения электропунктуры «минусом», подобный предложенному Ледневым, Лечение «минусом» свидетельствует, что увеличивается тонус маленьких глубоких мышц поясницы и благодаря этого мышечный корсет опережает в напряжении связочный аппарат позвоночника. В таких условиях позвоночник держится ровно мышцами при расслабленных связках. Стоит лишь допустить маленькую неравномерность в боковых нагрузках на позвоночник, и тонизированные маленькие глубокие мускулы поясницы без помощи равным образом тонизированного связочного аппарата сразу же образуют мышечно напряженный сколиоз.
Переход на лечение «плюсом», конечно, избавлял от данной беды. В другом случае лечение становилось нескончаемым и до неприличия нестойким. Изменялся сам принцип лечебного действия. Нужно добавить, что лечение позвоночника «минусом» приводит к сжатию (констрикцию) так называемых радикуломедуллярных артерий, в следствии чего нарушается питание спинного мозга.
Так, идея Преображенского о негативном влиянии на здоровье избытка физических нагрузок совершенно верно сходится с таким же влиянием неестественного тонизирования мышечного корсета позвоночника при электропунктуре «минусом».
Но Преображенский не увидел, что его идея ведет к отрицанию электропунктуры при «остеохондрозах» его любимым «минусом».
Особенную сокровище, согласно нашей точке зрения, получает тот факт, что к выводу об отрицательном влиянии перетренированности сам Преображенский пришел тогда, в то время, когда в один раз занимался изучением мышечного тонуса у горнолыжников. Он понял, что через две, три, четыре тренировочных семь дней мастера лыжного спорта теряют собственные спортивные навыки и преобразовываются чуть ли не в новичков. Оказалось, что на протяжении тренировок мускулы мастеров теряют свойство к расслаблению. Это и доказал В. С. Преображенский: мускулы уменьшались и не могли расслабиться – их сводила судорога. Помогали 20-минутные парная и тёплые ванны баня, тёплый душ, самомассаж и массаж. Помогали прекрасно, но ненадолго.
Вот в то время, когда была нужна помощь электропунктурой с «плюсом» на рабочем электроде! Но как раз против этого выступает Преображенский. А напрасно!
Вообще-то говоря, создатель данной книги желает поблагодарить В. С. Преображенского за помощь полезным выводом о вреде перетренированности для мышц поясницы, за синдром Преображенского. В изучениях автора данной книги по «остеохондрозам» ощутимо недоставало понятия о синдроме Преображенского. Сейчас данный пробел заполнен.
Шедевральные высказывания доктора наук Преображенского в фильме
Похожие статьи:
- Детские сигналы — синдром «детского личика», а также плач, улыбка и смех
- Бронхитический синдром при различных заболеваниях органов дыхания.
- Синдромы нарушений высших корковых функций
Механизмы воздействия и лечебный эффект применения электоропунктуры
детально описан в специальной литературе. В этом методе меня привлекает тот момент, что на биологически активные точки
производится мягкое нетравмирующее воздействие, не нарушая кожных покровов. Малые токи до 100 микроампер даже не травмируруют межклеточные мембраны в организме, оказывая воздействие на БАТ сродни точечному массажу.
Поэтому, пользуясь таким прибором в домашних условиях, трудно навредить. Используя простые наборы точек из атласов по точечному массажу и справочникам по восточной рефлексотерапии, можно получить неплохие результаты по лечению некоторых заболеваний, по снятию болевых синдромов. Эффективно лечение люмбаго и ишиаса (проверено на собственном опыте), при болях в суставах. Конечно, проводить лечение хронических болезней в домашних условиях без медицинского образования нереально, но помочь себе и близким в некоторых ситуациях вполне возможно.
Конструкция прибора представляет собой пластиковый корпус с рабочей панелью, на которой расположена измерительная головка микроамперметра и ручки управления. Один из разъемов прибора подсоединяется к медному электроду(который удобно держать в руке), другой разъем подсоединяется к подвижному электроду-щупу, который представляет собой пластиковую ручку с посеребренным электродом диаметром около 3мм, который ставится на БАТ. Прибор питается от батареи 9 вольт типа «Крона».
Поиск биологически активных точек осуществляется по атласу, после некоторого времени приобретается навык и знание основных точек.
Закорачивая щупы друг на друга, ручкой «Ток» устанавливается ток короткого замыкания примерно 80 микроампер. Затем медный электрод берется в руку, противоположную стороне нахождения БАТ, подвижный электрод ставится на точку с небольшим нажимом. Ток в биологически активной точке почти не зависит от состояния кожных покровов, а в основную зависит от состояния меридиана, его способности пропускать энергию, от чистоты и здоровья организма. В первые несколько секунд после установки подвижного электрода прибор показывает незначительный ток (1-10мкА), никаких ощущений нет.
По просшествии некоторого времени начинается приятное (или болезненное) пощипывание, и стрелка прибора начинает подниматься до значения примерно 60 мкА. Необходимо подержать несколько секунд до фиксации значений, потом «прокачать» точку с помощью переполюсовки. Для этого нажимаем кнопку «переполюсовка» и держим ее, наблюдая по прибору реакцию точки на смену полярности. Она делает небольшой быстрый выброс, потом, немного подумав, начинает снижать ток до совсем малых значений. Дождавшись опускания стрелки, отпускаем кнопку и ждем возрастания тока до 60 мкА.
Таким образом «прокачиваем» биологически активную точку. Во время данных манипуляций могут быть некоторые болевые синдромы в точке, при сильной боли нужно просто уменьшить ток. Как правило, наиболее болезненными яляются точки, которые отвечают за больной орган.
Описанное выше поведение тока в БАТ при пролечивании и переполюсовке имеет место при «здоровой» точке. Если имеются отклонения от нормы, то стрелка ведет себя по другому. Точка может очень долго не «пробиваться», то есть не выходить на режим пропускания тока 60 мкА, а реакция на смену полярности может быть различной. Это говорит об отклонении в состоянии БАТ, следовательно, необходимо периодически на нее воздействовать.
Обычный приборчик для электропунктуры, так называемый прибор Леднева-Усачева
, опубликованный в журнале «ФИС», представлен на схеме 1. Схема настолько проста, что не требует описания. Ток регулируется переменным резистором, дополнительный резистор необходим для предотвращения случайного короткого замыкания при выставлении тока. Кнопкой осуществляется переполюсовка. Питание прибора удобно производить от батареи типа «Крона» -9 вольт, она небольшая по габаритам и ее надолго хватает.
Для более эффективного «пробивания» точки воздействия применяется схема прибора с кратковременным увеличением приложенного напряжения. При нажатии на кнопку » пробой» к БАТ прикладывается утроенное напряжение батареи. Для эффективного «пробоя» БАТ несколько раз кратковременно нажимаем на кнопку, следя за поведением стрелки. При увеличении тока и появлении пощипывания отпускаем кнопку и далее проводим штатное пролечивание точки. Схема прибора для электропунктуры с функцией «пробоя» дана на схеме 2.
В данной схеме увеличение приложенного напряжения осуществляется за счет последовательного соединения предварительно заряженных емкостей. При отпускании кнопки «пробой» емкости заряжаются до напряжения батареи, при нажимании кнопки они включаются последовательно. Чтобы ограничить ток при увеличенном напряжении применяется еще один дополнительный резистор.
При работах с БАТ часто возникает необходимость проанализировать состояние «непролеченных» точек или предварительно найти «возбужденные» БАТ. Так точки, отвечающие за определенные внутренние органы, при появлении симптомов заболевания этого органа обладают пониженным электрическим сопротивлением, и могут быть обнаружены с помощью специального блока поиска. Это вызвано необходимостью первичной диагнистики БАТ и применяется в практике. Для этих целей сделана следующая схема прибора (схема 3) с блоком поиска на транзисторах, которая дает индикацию состояния точки по свечению сигнального светодиода и по звуковому сигналу. Ток срабатывания сигнала градуируется по заведомо «здоровой» точке, потом производится поиск «возбужденных» БАТ. Во многих случаях дает эффект применение поиска с обратной полярностью. Для этого в приборе предусмотрен фиксированный переключатель полярности. В остальном схема прибора и работа с ним та же самая.
Такого прибора уже вполне достаточно, чтобы эффективно воздействовать на биологически активные точки, «пролечивая» их.
Воздействие на БАТ может быть тонизирующим и седативным. В восточной рефлексотерапии (иглоукалывании) это достигается различными видами игл и временем воздействия. В электропунктуре достижение тонизирующего или седативного эффекта достигают применением импульсного воздействия. Исследованиями выявлено, какие частоты и полярности воздействующих импульсов и в течение какого времени производят тот или иной эффект. Поэтому для эффективной работы в прибор был добавлен генератор импульсов. Для управления генератором используется проградуированный переключатель частоты и переключатель вида импульсов.
И, чтобы прибор стал уже совсем профессиональным, в него добавлен блок электропунктурной диагностики по Риодораку. Для этого необходима батарея 12 вольт, схема выдержки времени(3-4 сек) и измеритель тока до 200 микроампер.
Схема такого прибора представлена на рисунке 4.
Имея такой прибор, любой лечащий врач, практикующий электропунктуру, сможет выполнить диагностику и произвести необходимое лечение. Способы обработки данных, анализ состояния меридианов, назначение точек воздействия и режимов, это отдельная и очень большая тема.

Для коррекции состояния организма широко используются методы стимуляции биологически активных точек
(БАТ). или точек акупунктуры. (об этом уже была речь в статье Прибор для рефлексотерапии).
Трудности применения этих методов возникают из-за сложности нахождения этих самых биоточек на теле человека, так как их площадь не превышает 1 мм2.
Контролируя предлагаемым устройством сопротивление участков кожи в местах предполагаемого нахождения БАТ, можно находить их легко и однозначно. Устройство размещено в металлическом корпусе размерами 96x38x39 мм. В корпусе находятся электрическая схема, элемент питания и выключатель. На одной торцевой стороне корпуса закреплен изолятор активного поискового электрода, а на другой стороне — светодиоды индикации. Пассивным электродом служит металлический корпус, который при поиске БАТ держат в руке.
На рисунке изображена схема устройства для поиска биологически активных точек на теле человека
.
К инвертирующему входу компаратора DA1 подключается активный поисковый электрод. Резистор R1 определяет входное сопротивление устройства, конденсатор С1 служит для фильтрации наводок, резистор R2 ограничивает ток индикаторных светодиодов HL1…HL3. Переменным резистором R4 регулируется напряжение, подаваемое на тело человека (через пальцы, удерживающие корпус устройства). Резисторы R3 и R5 ограничивают пределы изменения напряжения. Напряжение между поисковым и пассивным электродами-не более 5 В, ток — не более 0,5 мкА. Ток потребления устройства в ждущем режиме — 1 мА. а если светятся светодиоды — 5…бмА.
Устройство выполнено на печатной плате, чертеж которой изображен на рис.2. На ней размещены все детали, кроме светодиодов и батареи питания. Плата рассчитана на применение переменного резистора СПЗ-9а, он установлен на плате на Г образном кронштейне. Возле ручки резистора можно приклеить шкалу (например, из 10 делений). Остальные резисторы — типа МЛТ. кнопка включения питания — микровыключатель МП-7. светодиоды- АЛ307Б. Питание устройства осуществляется от батареи «Крона».
Конструкция поискового электрода позволяет нормализовать его давление на поверхность кожи. Чертеж изолятора с установленным в нем поисковым электродом приведен на рис.3. Изолятор изготовлен из органического стекла, эбонита или фторопласта, а для электрода лучше всего подходит штырек от разъема ШР (02 мм). Эти разъемы имеют серебряное покрытие контактов.
Для удобства поиска точек на поверхности головы, спины или ног. один из светодиодов лучше сделать выносным и соединить с корпусом проводами длиной 0,5… 1 м. Если производится поиск БАТ на видимом участке кожи. то после нахождения точки можно слегка надавить
на электрод. Тогда на поверхности кожи останется ясно видимый отпечаток изолятора, центром которого и будет искомая БАТ.
Читайте внимательно инструкцию
применения аппарата Акупен.
Акупунктурный аппарат Акупен
предназначен для простого и удобного домашнего использования
. Он предназначен для поиска акупунктурных точек путем измерения электропроводности точек акупунктуры. Для лучшего результата и использования в течение долгого времени, пожалуйста тщательно читайте инструкцию пользователя
.
Что такое акупунктура:
Этот метод известен в мире как один из наиболее древних методов ТКМ » Чжень-цзю». Он опирается на учение о «Пяти Первоэлементах», учение о циркуляции энергии Ци и У-син. Эмпирические знания применялись более чем 5000 лет назад и сохраняют свою актуальность и сегодня.
Традиционная китайская медицина сосредотачивает свое внимание на энергетическом балансе человеческого тела и гармоничной циркуляции в здоровом теле энергии ЦИ или Чи. Дисгармония ведет к образованию энергетических блокад в меридианах и нарушению энергетического баланса в организме и если не восстановить поток энергии- в результате мы получаем проблемы со здоровьем. Расположенные по магистралям (меридианам) в человеке находятся свыше 360 точно определенных акупунктурных точек (БАТ). Классические акупунктурные точки связаны с определенным органом и воздействуя на точки можно воздействовать на эти органы. Эти акупунктурные точки находятся на поверхности кожи и таким образом обеспечивают доступ к системе энергии в теле человека в целом. Стимуляцию акупунктурных точек обычно проводят традиционно иглами, но они имеют недостаток — чувствительные индивидуумы могут находить их болезненными.
«Aкупен
» — двухцелевое устройство для персонального домашнего использования
, которое обеспечивает поиск акурунктурных точек
БАТ (автопоиск) и одновременно стимуляцию электрическими импульсами низкой частоты. 1-2 Гц.
Используйте приложенные диаграммы, чтобы определить приблизительное размещение точки. Акупунктурный аппарат поиска акупунктурных точек измеряет электрическое сопротивление кожи, чтобы точно определить местонахождение точки. При обнаружении акупунктурной точки прибор испускает тонкий акустический сигнал.
Акупунктурный аппарат Акупен
воздействует импульсом низкой частоты, что делает его особенно простым, чистым, безболезненным и нежным, и особенно подходящим для чувствительных индивидуумов. Продолжительность также как и интенсивность индивидуально регулируемы. Время воздействия выбирается индивидуально- 15 или 30 секунд по таймеру или режим «бесконечно». В зависимости от толщины кожи, пользователь может увеличить или уменьшить интенсивность воздействия. Воздествуя на акупунктурные точки — блокированные каналы восстанавливаются.
Вы можете использовать акупунктурный аппарат поиска акупунктурных точек
на себе непосредственно или на другом человеке. Но если Вы желаете применить его к другому человеку, но при этом вы должны поддерживать постоянный контакт с ним. Положите свою руку на его плечо — это необходимо чтобы передать низкочастотный ток через ваше собственное тело другому человеку. Применение аппарата поиска акупунктурных точек более эффективно, если Вы используете его постоянно и ежедневно. Вы не должны находиться рядом с телефоном или включенным телевизором в одной комнате и убедитесь, что температура комнаты комфортна для Вас.
Порядок действий:
- Вставить две 3-вольтовых CR2032 батареи в отсек батареи (d) на нижней стороне устройства. Удостоверьтесь, что полярность правильна!
- Используйте скользящий переключатель (e), чтобы включить устройство: красный индикатор рядом с кнопкой (a) начинает мигать, и раздается тоновый сигнал.
- Настроить степень интенсивности (c). Начните с самого низкого уровня. Позже Вы можете увеличить интенсивность стимуляции.
- Используйте таймер (f), чтобы выбрать 15- или 30 секундный режим. Переключите выключатель таймера (f) на «30s/15s» или в положение «бесконечность».
- Держите аппарат поиск акупунктурных точек как письменную ручку, убедитесь что Вы всегда имеете контакт с областью (b), и двигайте наконечник по коже. Используйте нежное давление. Кожа должна быть чистой (не масляная), сухой и не повреждена. Частота тона сигнала увеличивается, поскольку Вы перемещаете наконечник ручки близко к точке иглоукалывания (пожалуйста обратитесь к приложенному руководству для приблизительного определения местоположения БАТ). Когда Вы определили местонахождение точки
, тон сигнала достигает самой высокой частоты. Нажимаем кнопку (a). Красный индикатор гаснет, и тоновый сигнал прекращается, включается выбранный вами режим — 15 или 30 секунд. - Внимание: когда стимуляция закончена, тоновый сигнал начинает звучать снова и красная лампа загорается. Определите местонахождение другой акупунктурной точки и повторите процедуру
- По окончании работы, используйте выключатель «ON/OFF».
Чистка аппарата поиска акупунктурных точек Акупен:
- Выключите устройство.
- Протрите поверхность прибора влажной тканью.
- Предостережение
: не погружайте аппарат поиска акупунктурных точек в воду и не используйте во влажных местах; держите вне досягаемости для детей!
Любительские
приборы электропунктуры
Статья
адресована в основном радиолюбителям-медикам (особенно неврологам,
нейрофизиологам, рефлексотерапевтам), а также радиолюбителям, интересующимся
вопросами биофизики. Те, кого заинтересуют изложенные вопросы или кто уже
занимается электропунктурой профессионально, должны приложить усилия, чтобы самостоятельно
найти теоретические и практические пособия по этому вопросу в научной
литературе. Вопросы, обсуждаемые в статье изложены популярно, хотя это не
означает, что некоторые положения людям с техническим (инженерным) образованием
будут понятны «с наскока». Возможно, придется запастись терпением и
парой-тройкой словарей-энциклопедий «биологического» направления. Во всяком
случае, подходы «технарей», типа, — «закрутил гайку – машина едет, а не
закрутил – стоит», к биологическим системам не приемлемы. С другой стороны
вопросы схемотехники приборов, наверняка, покажутся профессионалам «убого
простыми», собственно, как и само описание работы приборов.
Из
сказанного выше нетрудно догадаться, что автор, относясь серьезно к своей
работе, должен озаботиться первой заповедью врача – «не навреди!». Так зачем
тогда излагать нечто по поводу этого, достаточно экзотического вида терапии?
Но, во
первых, работа популяризаторская и совсем не претендует на практическое пособие
для начинающих. Во вторых. В аптеках продается множество лекарств (и даже без
рецептов), которые и сильнодействующие и эффективны при различных заболеваниях.
Но вряд ли кто-то станет их принимать, не посоветовавшись с врачом…Может быть
хуже!
I. Общие положения.
Специфичность
электропунктуры (ЭП) не является собственно чем-то выходящим за рамки
классической акупунктуры (АП), но отличается лишь степенью подготовленности
самого специалиста в области АП. Необходимо знать топографию биологически
активных точек (БАТ), для чего существует индивидуальный отрезок длины, называемый
«цунь», атласы топографии БАТ на коже человеческого тела, система меридианов,
ответственных за те или иные функциональные особенности организма человека и
т.д. При этом единой теории, объясняющей механизм действия акупунктуры на
организм человека с точки зрения достижений современной биологии до сих пор не
существует.
Приборы ЭП
обычно имеют режим «Поиск БАТ», что несколько упрощает нахождение этих точек.
Практическое
применение БАТ с учетом местонахождения, направленности действия и
иннервационных связей различает следующие группы:
- точки
общего действия, оказывающие рефлекторное влияние на функциональное состояние центральной
нервной системы; - сегментарные
точки, расположенные в области кожных метамеров, соответствующих зоне
иннервации определенных сегментов спинного мозга; - спинальные
точки, расположенные по вертебральной и паравертебральной линиям соответственно
месту выхода нервных корешков, и вегетативных волокон, которые иннервируют
определенные органы и тканевые системы; - региональные
точки, расположенные в зоне проекции на кожу определенных внутренних органов; - локальные
точки, преимущественно воздействующие на подлежащие ткани (мышцы, сосуды,
связки, суставы).
Для
невладеюших навыками АП нахождение точек, даже имея под рукой топографический
атлас БАТ на коже человека, является трудным вопросом, т.к. приходится в каждом
конкретном случае пользоваться индивидуальными пропорциями конкретного
пациента. Приборное определение местонахождения БАТ также требует хотя бы
начальных знаний акупунктуры, а именно топографии БАТ, в противном случае
терапевтический эффект будет сомнительным.
2.
Особенности электропунктуры.
Воздействие
на БАТ электротоком получило название электропунктуры (ЭП). Поиск БАТ
осуществляется по сниженному электрокожному сопротивлению (ЭКС). Следует помнить, что
электрокожное сопротивление в зоне БАТ меньше, чем в окружающей ее области.
Во
избежание электрического или теплового пробоя тканей в области БАТ необходимо,
чтобы:
- напряжение
не было выше 9 вольт; - плотность
тока была не более 10 А/см; - интенсивность
стимуляции не превышала 500 мкА.
В
рассматриваемых приборах указанные принципы полностью соблюдены.
Так как
раздражающее действие тока зависит от амплитуды (силы тока), напряжения,
полярности импульса и порога возбудимости, следует придерживаться
рекомендаций:
- импульсы
отрицательной полярности обладают тонизирующим эффектом; - импульсы
положительной полярности обладают седативным эффектом; - в случае
применения биполярных импульсов эффект будет зависеть от амплитуды и
длительности периода следования импульсов; - выполняя
сеанс ЭП не обязательно устанавливается выбранная сила тока (амплитуда);
ориентируются на ощущения пациента (чувство покалывания, жжения), т.к. зачастую
индивидуальный порог чувствительности требует меньшей силы тока и наоборот.
3.
Схемотехника любительских приборов электропунктуры.
Примером
простого и в тоже время многофункционального прибора является схема, широко
распространенная в конце 70-х годов прошлого века и соответствующая
вышеприведенным требованиям. Собранный на дискретной элементной базе с
применением германиевых транзисторов p-n-p проводимости прибор позволяет осуществлять поиск
БАТ по сниженному ЭКС (рис.1). Поиск точки проходит с применением схемы УПТ (Т5-Т7),
индикация при этом осуществляется светодиодом LED1 и стрелочным
индикатором в цепи активного щупа. Генератор на основе симметричного мультивибратора вырабатывает импульсы тока разной полярности (включая в цепь диод D1 в разном направлении с
помощью переключателя S2) и продолжительности (спаренный R4-R6,С1,С2) в
автоматическом режиме, а дополнив схему коммутацией общих выводов S1.2-S1.4 можно получить и
двухполярные импульсы. Стимуляцию БАТ можно осуществлять и в ручном режиме (+
или -) нажатием кнопки S3. Таким образом, можно говорить о
функциональном состоянии БАТ, сравнивая величину тока отрицательной и
положительной полярности протекающего через БАТ. В приборе применяется
чувствительный микроамперметр со средней нулевой точкой, что упрощает
коммутацию схемы в разных режимах работы и облегчает визуализацию диспропорции
тока разной полярности через точку. Сила тока устанавливается R3. При настройке прибора
следует выбрать порог чувствительности изменяя величину R11, наиболее приемлемую
с точки зрения поиска точек в каждом конкретном случае.
Питание
прибора — от батареи типа «Крона» напряжением 9 v, что делает прибор
абсолютно безопасным.
Несколько
более простым является прибор, собранный на широко распространенных кремниевых
транзисторах n-p-n проводимости (рис.2). В
нем применен более распространенный микроамперметр (без средней нулевой точки),
убран режим ручной стимуляции БАТ, от симметричного мультивибратора в
зависимости от положения S1 и S2 можно получить:
- положительные импульсы постоянного тока;
- отрицательные
импульсы постоянного тока; - биполярные импульсы (+/-) постоянного тока.
Частота импульсов
регулируется
скачкообразно переключением подобранных R4-R13 двухгалетным S3 на пять положений («Частота»):
1 — 30 в 1
мин. 3 — 3 в 1 мин. 5 – 0,8 в 1 мин.
2 – 8 в 1
мин. 4 – 1,2 в 1 мин.
Частота
однополярных импульсов (+ или -) в два раза меньше. Сила тока регулируется от 0 до 100 мкА с помощью R1 («Ток пациента») (совмещен
с выключателем прибора S4).
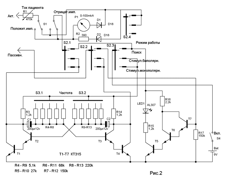
Режимы
работы:
- «Поиск» —
осуществляется поиск БАТ по сниженному ЭКС; - «Стимуляция
биполярная» (+/-); - «Стимуляция монополярная» (или + или -).
Индикация
работы — в режиме «Поиск» зажигается светодиод LED3 и отклоняется стрелка микроамперметра. При стимуляции отклоняется стрелка микроамперметра при поступлении
положительного или отрицательного импульса (выбирается в зависимости от
положения переключателя S1 «Положит.имп.», «Отрицат.имп.»). Для
наглядности работы прибора в режиме стимуляции вместо R3, R14 в схеме можно
установить цепочки из светодиода и резистора.
4.
Основные принципы работы с приборами электропунктуры.
На примере
последней схемы (рис.2) рассмотрим основные принципы работы с прибором для
поиска и стимуляции БАТ.
После
подключения батареи питания ручка переключателя «Режим работы» устанавливается
в положение «Поиск», а переключатель полярности в положение «Положит.имп.»,.
Прибор включается
ручкой «Ток пациента». Для удобства визуального контроля «ток пациента» устанавливается в пределах средней части шкалы микроамперметра (30 – 50 мкА).
Отрицательный
(пассивный) электрод через влажную марлевую прокладку подсоединяется (прикрепляется) к внутренней поверхности лучезапястного сустава, голени и т.п.
Положительным
(активным) электродом производится поиск БАТ в топографическом месте возможного
ее расположения. Если БАТ найдена — загорается светодиод и стрелка
электроизмерительного прибора отклоняется вправо.
Приборный
поиск БАТ требует определенных навыков: ЭКС зависит от силы нажима активного
электрода на кожу, оптимизации контакта пассивного электрода с кожей через
влажную прокладку и проч.
Найденную
БАТ отмечают на коже фломастером и, оставив активный электрод в этой точке,
переводят переключатель «Режим работы» в положение «Стимул.биполярн.» (или «Стимул.монополярн.»).
В положении
«Стимул.монополярн.» полярность импульсов выбирается переключателем S1 «+» или «-«. Этот же
переключатель переводит измерение силы тока пациента положительной или
отрицательной части импульса в «Биполярном» режиме работы.
При работе в
«Однополярном» режиме менять положения активного и пассивного электродов (+ и -) не
следует, т.к. это переключение происходит автоматически при выборе определенного
режима работы (вида стимуляции).
5.
И напоследок.
Современная
элементная база позволяет в схемах приборов для проведения ЭП применять
генераторы на основе операционных усилителей. В свое время проводились
эксперименты с ОУ К140УД1Б. Принцип построения таких схем ясен из рис. 3. В
схеме предусмотрена не только стимуляция БАТ импульсами постоянного тока разной
полярности (или двуполярные), но и отражено стремление приблизить их форму к
так называемым «потенциалам действия». Это достигнуто введением емкостей последовательно
с каждым выходом. На транзисторе Т1 и светодиоде LED1 собран блок индикации.
Форму импульса (также как частоту и амплитуду выхода) при настройке и работе прибора
удобно контролировать с помощью осциллографа. Номиналы некоторых элементов
схемы подбираются экспериментально.
В. Козлов
Электроакопунктуpa является современным вариантом классической иглотерапии, при которой так называемые активные точки на коже тела человека возбуждают электрическими импульсами. При электроакопунктуре иглы не используются и поэтому данный метод наиболее пригоден дяя тех пациентов, которые боятся заражения при иглотерапии, а также для тех, которые хотят заняться электроакопунктурой самостоятельно.
Чтобы облепить поиск активных точек, совместно со стимулятором я использовал электронный омметр на светодиоде. Предел измерения омметра — Г МОм. Как показали многочисленные измерения, сопротивление кожи в активных точках составляет примерно 1 МОм. Принципиальная электрическая схема стимулятора изображена на рис.1. Стимулятор выполнен на четырех инверторах и транзисторном ключе VT1. Первые два инвертора образуют несимметричный мультивибратор, на выходе которого включена другая пара инверторов, соединенных параллельно как инвертируемый буфер. С помощью конденсатора С2 и диода VD3 образуются импульсы с амплитудой, почти равной удвоенному напряжению питания. Практически стимулятор может использоваться при снижении питающего напряжения до 5 В, но при этом соответственно уменыпа-. ется и амплитуда выходных импульсов. Омметр выполнен на двух транзисторах VT2 и VT3, образующих усилитель постоянного тока (УПТ) с высоким входным сопротивлением. Резисторы R6 и R7 ограничивают базовый ток транзисторов, устраняя у них режим насыщения. Конденсатор С4 создает цепь отрицательной обратной связи по переменному току. Резистор R8 определяет верхний предел измерения. Питается прибор от батареи «Крона». Схема печатной платы изображена на рис.2
Прибор смонтирован в небольшом пластмассовом корпусе, в котором размещена схема стимулятора с омметром и щупа, соединенного с корпусом четырехпроводным шнуром от телефонной трубки. В щупе расположены два электрода: активный и пассивный, а также кнопочный переключатель рода работ. Активный электрод выполнен в виде заостренного стержня с радиусом закругления на конце 0,3—0,4мм. Пассивный электрод должен быть в виде стержня или пластины. Оба щупа изготавливаются из нержавеющего металла с последующей полировкой. Для использования стимулятора необходимо зажать пассивный электрод пальцами левой руки. Острием активного электрода касаемся места предполагаемого расположения активной точки, которое перед этим следует слегка увлажнить. При правильном нахождении этой точки, на приборе загорается светодиод. Затем нажимая на кнопку, находящуюся на щупе, переключаем прибор в режим стимулирования. Для этого с помощью потенциометра увеличивается амплитуда импульсов сообразно вашим ощущениям. Обычно наиболее предпочтительным является режим, при котором ощущается легкое покалывание. Данная точка стимулируется в течении 15 — 20 сек. нежелательно за один сеанс стимулировать много точек, а также точки, расположенные на голове. В щупе используется переключатель КМ2-1, состоящий из двух микропереключателей. Пассивный электрод соединяется со щупом с помощью миниатюрного разъема, используемого в транзисторных приемниках для подключения телефонов.
Литература:
1 .Е.Савицкий. «Вместо стрелки-светодиод». «Моделист-Конструктор», 1982, 10
2. М.Цаков. «Електропунктурен стимулятор», «Радио, телевизия, електроника», 1990, 3
Блок с содержанием первого сообщения
禪
Страницы: 1 … 3 4 [5] 6 7 … 13 Вниз
Тема: АППАРАТ «ЭЛЕДИА» (Прочитано 129548 раз)
0 Пользователей и 1 Гость просматривают эту тему.
ВНИМАНИЕ, прежде чем применять прибор Леднёва и им подобные, обязательно нужно прочитать книгу М. Я. Жолондз «Победить остеохондроз».
Глава 17
Электропунктура по Ледневу. Синдром Преображенского.
Книга есть в Интернет.
Этим вы возможно убережёте себя и других применяя прибор по методу Леднёва.
Сейчас проверил утверждения М. Я. Жолондз на другом приборе лишённого таких проблем как в приборе Леднёва и им подобных.
Действительно диагностика существенно отличается и видно что применять к БАТ плюс или минус.
Записан
Олег, если можно подробнее. Есть ли ответ на вопросы «Кто виноват?» и «Что делать?»
Записан
Виноватых наверно нет, так как очень большое количество положительных отзывов от прибора и метода Леднёва.
Я посчитал своим долгом поделиться такой информацией, так как для меня Жолондз очень уважаемый врач.
Он убедительно и подробно написал в чём проблема как метода, так и прибора Леднёва.
У меня давно был вопрос, чем болел Леднёв, в книге Жолондз нашёл ответ.
Что делать, конечно прибор Леднёва и метод подкупает своей простотой.
Я уже писал, достигал хороших результатов применяя прибор Леднёва в первом режиме прибора Аксон в 1 режиме.
Работа по зонам, а не по БАТ.
Незарегистрированные пользователи не могут просматривать ссылки
Зарегистрируйтесь или войдите на форум
Для электропунктуры я применяю прибор «ЭЛЛАДА — 4», для диагностики применяю режим поиска.
В этом режиме к примеру выставляю значение на микроамперметре и делаю переплюсовку, смотрю асимметрию. Переключаю в режим терапии, отрабатываю и опять переключаю.
Тут конечно отходим от метода Леднёва смотреть асимметрию после пробоя БАТ, но так мы смотрим асимметрию самой БАТ.
Ток поиска по проводимости не более 0,1 мкА
Схема приборов «ЭЛЛАДА — 4» и «ЭЛЛАДА — 7» с инструкцией везде есть.
Возможно ещё применять по БАТ прибор «Аксон 02».
К нему добавить лучше в таком случае микроамперметр.
Применять по прежнему метод и прибор Леднёва на свой страх и риск, зная о последствиях, которые написал Жолондз.
Вас предупредили, решение за вами.
Теперь ещё на вопрос, что делать по поводу самого метода, считаю разумнее применять метод Уманской проверка асимметрии при токе 20 мкА.
Метод подробно с примерами описан в её патенте, Патент Уманской № 793577.
С помощью различной аппаратуры, применительно к каждой методике, в частности с помощью аппарата для электропунктуры, выявляются БАЗ с дисбалансом энергии по несимметрии вольтамперных характеристик в электрической цепи, подключенной к соответствующей БАЗ кожи, что позволяет осуществить динамическое наблюдение за состоянием электронно-ионного равновесия, а, следовательно, опосредованно за состоянием иммунно-биологических защитных реакций, местного и общего характера.
Для этого берут биологически активную зону (БАЗ) кожи, прикладывают постоянное напряжение и производят смену полярности, фиксируя при этой величину прямого и обратного токе (условно обозначают 1-; 1+). Если при смене полярности разность в величинах тока превышает 5%, то можно косвенно судить о нарушении баланса энергии в контролируемой подсистеме, т.е. заподозрить возможность возникновения патологического процесса или начало его.
Примеры и подробности в патенте.
Тут существенное отличие от метода Леднёва, не ждём пробоя, а измеряем БАТ при 20 мкА, а не как обычно у Леднёва 100 мкА.
Тут вероятнее конечно прибор иной, а не Леднёва с учётом как нам описал Жолондз.
Главное, в патенте Уманской конкретные примеры с результатами, которые позволяют судить о хорошей, простой диагностике и терапии.
Так что что делать теперь ясно.
Кроме схемы «ЭЛЛАДА — 4» и «ЭЛЛАДА — 7» есть и другие схемы приборов.
Записан
Записан
Возможно ещё применять по БАТ прибор «Аксон 02».
К нему добавить лучше в таком случае микроамперметр.
Последовательно с активным щупом? Что тогда видно, что контролируется, Аксон вроде внешних регулировок не имеет?
Записан
Yarw, у этого прибора фиксированный ток.
1 режим постоянный ток, есть переключение полярности.
Последовательно щупу смотрим ток.
Записан
Т.е. это может быть обычный тестер?
Записан
Вероятнее всего состояние БАТ лучше смотреть прибором Фолля, с + на активном щупе как и должно быть.
Записан
Т.е. это может быть обычный тестер?
Конечно может быть тестер.
Записан
ВАЛ
В начале этой страницы упомянут М.Я. Жолондз + предупреждения.
Так же предупреждение в применении прибора Леднева.
Не пора ли окончательно разобраться в приборе Леднева + найти четкое применению гения Жолондза.
Кстати и объяснить надо, почему Эледия работает на гипо и гипер функции.
Записан
У меня знакомая успешно работает прибором Леднёва уже 23 года.
Применяет только минус.
Но есть ещё Жолондз, он в первую очередь указал на ошибочную диагностику прибора Леднёва.
Второе, если мы посмотрим книги нормальные по типа иглотерапии, то там конкретно указывается какие точки тонизировать, а какие седатировать.
А у Леднёва всё минусом только тонизируется.
У Леднёва конечно своя задумка, это восстановить проводимость и т.д.
Вероятнее всего это работает во многих случаях, а возможно в других вредит.
Лично я пока применяю только минус, но это на свой страх и риск, а других предупредил.
Записан
Приходилось ли вам заметить такую штуку…Аксон отработал и «говорит» типа все ОК, а Эледиа говорит, что эта точка не в порядке и ее надо лечить.
Записан
Yarw, смотря какой ток вы выставили на Эледиа, принцип работы приборов совершенно разный по их назначению.
Вы определитесь, что вам нужно и применяйте по назначению.
У приборов есть инструкция по применению.
Записан
Сформулирую иначе. Эти приборы дополняют друг друга при лечении, или исключают?
Записан
Этими приборами нужно пользоваться отдельно, согласно их предназначению.
Я метод применения Эледия привёл для тех у кого нет Аксон — 02 для первого режима применения.
К примеру давление сбросить и т.д.
Т.е. если применяем метод по Аксону, то и применять нужно методику к Аксону, хоть и Эледия в первом режиме при токе к.з. 30 мкА.
Если применяем Эледия, то и применяйте её по назначению, при чём тут Аксон.
Не стоит думать, что разработчики глупые, в институтах отрабатывали, что для чего как и если им нужно что было то сделали.
Записан
Страницы: 1 … 3 4 [5] 6 7 … 13 Вверх
- Форум Городок»Биолокация.ру» »
- Разное »
- Электронные устройства (Модератор: Олег) »
- АППАРАТ «ЭЛЕДИА»
Прибор Леднева-Усова
Опишу
«краткое содержание предыдущих серий»,
т.е. как появилась эта информация на нашем
сайте. Вот отрывки моей недавней со Странником
переписки:
28 октября 2003 г. 10:12
Енисей
Страннику
Привет, Виктор!
Извиняюсь, что давно не писал — приболел чой-то
гайморитом.
Пришлось на больничном посидеть, дома.
С одной стороны хорошо, отдохнул.
Ерлан
29 октября 2003 г. 22:24
Странник
Енисею
Здравствуй, Ерлан Енисеич!
Ты меня сапсем агарчил. Как так, человек
обладающий способностями и знанием таких
эзотерических тайн, и вдруг — болеет!? При
чём, болеет гайморитом!!! Даже при помощи
простой чжень цзю терапии гайморит
вылечивается за три дня и больше не
возвращается. Я за первый сеанс очищал все
синусы у человека, годами страдающего этой
гундосой головоломной гадостью. Нужно
воздействовать на точки Ин-сян, Сы-бай,
верхние Хэ-ляо и, конечно же, на Инь-тян.
Затем, на общеукрепляющие Цюй-чи и Хэ-гу.
Можно добавить Цзу-сань-ли. Вреда не будет.
Названия точек пишу по памяти, может, где-нибудь
упустил мягкий знак.
Прилагаю схему электропунктурного прибора
и описание методики.
Виктор
30 октября 2003 г. 9:34
Енисей
Страннику
Не смейся! :)))))))))))))))))))
Я тут недавно тоже посмеялся над одной
целительницей, что, мол, сама
целительница и болеет, как тут же сам угодил
в эту яму.
…
Спасибо тебе за заботу и внимание.
…
Может на сайт выложим схемку для людей?
Всего тебе хорошего и доброго!
Ерлан
31 октября 2003 г. 0:12
Странник
Енисею
Привет, Ерлан! Конечно же, и
схему и описание прибора ты можешь выложить
на общее пользование. Впервые этот прибор
был описан в журнале «Физкультура и спорт»
в году, этак, 78-ом. Его изобретатели — двое
молодых кандидатов наук, спортсменов-горнолыжников.
Один — медик, другой — физик. Лучше и проще
его с тех пор ничего не придумали. Все
дорогостоящие приборы «с наворотами»,
разработанными на основе этой простой
схемы, лишь вуалируют идею изобретателей.
Ну, не буду утомлять. Лечись.
Желаю тебе всего наилучшего.
Виктор.
31 октября 2003 г. 16:03
Енисей
Всем!
А я то уже вылечился!!! :)))))) Вот и
делаю эту страничку, дабы могла она помочь
страждущим, потому как болезнь эта болючая,
а прибор, по моему полезный очень… и
недорогой, что немаловажно, я думаю. Ну,
всего вам хорошего, и здоровья! Здоровья!!!
:)))))
Ваш Енисей
Описание
и методика применения
электропунктурного
прибора Леднева-Усова.
Схема
прибора

Конструкция
электродов

В
идеале стержень лечащего электрода и
электрод корпуса — позолоченные, чтобы не
окислялись.
При
не нажатой кнопке на электроде корпуса
должен быть плюс, а на лечащем — минус.
Метод
лечения
Поставить
регулятор тока в среднее положение.
Взять
электрод корпуса в руку, а лечащий электрод
поместить на рекомендованную точку.
Дождаться
резкого скачка тока — включения точки.
Установить
ток такой величины, чтобы не очень жгло.
Нажать
кнопку переполюсовки и сравнить при этом
токи. Если ток одинаковый и не уменьшается,
то отпустить
кнопку и для профилактики минуту — две
воздействовать установленным током на
точку, после чего сделать 8 — 10 переполюсовок,
нажимая и отпуская кнопку
примерно на 1- 2секунды.
После
чего перейти на другую точку.
Если
ток при нажатой кнопке меньше или резко
уменьшается, то при отпущенной кнопке
воздействовать установленным током, иногда
проверяя переполюсовкой, до уравнивания
прямого и обратного тока, следя за тем,
чтобы обратный ток практически не падал в
течение 2-5 секунд нажатой кнопки.
После
чего — те же 8 — 10 переполюсовок для
закрепления эффекта воздействия.
Ещё
раз заостряю внимание! Лечение производить
при отпущенной кнопке! При лечащем
воздействии на точку, потенциал лечащего
электрода должен быть отрицательным!!!
Рецепты
и расположение точек можно узнать в
специальной литературе по иглоукалыванию.
Здоровья
Вам всем!
В.
Странник.










