Инструкция по эксплуатации для электроплиты Ново Вятка Классик
Модели: Классик 021, Классик 022, Классик 030, Классик 032, Классик 084, Классик 250, Классик 251.
Комплектующие для плиты
Конфорки
| Расположение | Конфорки | фото |
|---|---|---|
| Задняя левая | Конфорка для электроплиты 180 мм, 1.5 кВт, 220 В | ![]() |
| Задняя правая | Конфорка для электроплиты 220 мм, 2 кВт, 220 В | ![]() |
| Передняя левая | Конфорка для электроплиты 180 мм, 1.5 кВт, 220 В | ![]() |
| Передняя правая | Конфорка для электроплиты 145 мм, 1 кВт, 220 В | ![]() |
ТЭН-конфорки
| Модель | Фото |
|---|---|
|
ТЭН КОНФОРКА ф 180 1.2/220 Ново-Вятка КЛАССИК 032 |
![]() |
|
ТЭН конфорка улитка 83-2,5-7,4/1 T220 Фланец ФН-15 (001.68) 1.0 кВт |
![]() |
Аналоги переключателей для конфорки и жарочного шкафа
| Расположение | Модель | фото |
|---|---|---|
| Для конфорки | Переключатель ПМЭ-27-2375 П, вал 23 мм (ПМ-7 856) | ![]() |
| Для жарочного шкафа | Переключатель ПМЭ-27-2353 П, 5 позиций, вал 23 мм (ПМ-5 880) | ![]() |
Переключатели
| Модель | Фото |
|---|---|
|
Переключатель БРМ для плиты Пскова, Россиянка, вал 15 мм |
![]() |
|
Переключатель БРМ для спиральной переносной электроплиты Россиянка, Злата, Электра ,вал 13 мм |
![]() |
Комплекты щитка с креплением для электрической плиты
| Модель | Фото |
|---|---|
|
Комплект щитка с креплением для электрической плиты Ново-Вятка КЛАССИК 021 (мод. 022, 083,251, 371) |
![]() |
Стол рабочий
| Модель | Фото |
|---|---|
|
Стол рабочий для 4-х конфорочной электрической плиты Ново-Вятка КЛАССИК 021 (мод. 022, 083,251, 371) |
![]() |
Оригинальные переключатели
| Модель | Фото |
|---|---|
|
Переключатель ПМ-7 для плиты Электра |
![]() |
|
Переключатель ПМ-7 , вал 23 мм, для духовки Электра |
![]() |
Провод для электрической плиты
| Модель | фото |
|---|---|
| Провод для эл. плиты КГ 3х2,5 с РШ/ВШ (175 см. черный) | ![]() |
Тэны для жарочного шкафа
| Модель | Фото |
|---|---|
|
ТЭН верхний 0.8 кВт |
![]() |
|
ТЭН нижний 1.2 кВт для плит Нововятка и Электра |
![]() |
|
Тэн верхний 2,3 кВт для духовки Электра, ЗВИ, Рика (Rika), Нововятка |
![]() |
Противни
| Модель | Фото |
|---|---|
|
Противень черный для духового шкафа плит Рика (Rika) , НовоВятка, Электра |
![]() |
Решетки
| Модель | Фото |
|---|---|
|
Решетка для духовок и духовых шкафов электроплит Рика (Rika), Электра, НовоВятка |
![]() |
Терморегуляторы
| Модель | Фото |
|---|---|
| Терморегулятор духового шкафа для электрической плиты Ново-Вятка КЛАССИК 021 (мод. 022, 083,251, 371) | ![]() |
Ручки управления
| Модель | Фото |
|---|---|
|
Ручка управления Ново-Вятка под длинный вал , белая |
![]() |
|
Ручка управления Ново-Вятка под длинный вал , черная |
![]() |
|
Ручка управления Ново-Вятка под короткий вал , белая |
![]() |
Ручка жарочного шкафа
| Модель | Фото |
|---|---|
|
Ручка ж/шкафа для электрической плиты Ново-Вятка КЛАССИК 021 (мод. 022, 083,251, 371) |
![]() |
Контрпетли
| Модель | Фото |
|---|---|
|
Контрпетля для электрической плиты Ново-Вятка КЛАССИК 021 (мод. 022, 083,251, 371) |
![]() |
Петли
| Модель | Фото |
|---|---|
| Петля для дверки ж/шкафа для электрической плиты Ново-Вятка КЛАССИК 021 (мод. 022, 083,251, 371) | ![]() |
Таймеры
| Модель | Фото |
|---|---|
| Таймер электромеханический для электрической плиты Ново-Вятка КЛАССИК (мод. 371) | ![]() |
|
Таймер механический для электрической плиты Ново-Вятка КЛАССИК (мод. 083,250, 405) |
![]() |
| Расположение | Изделие | Фото |
|---|---|---|
| Жарочный шкаф | Лампа подсветки | ![]() |
| Жарочный шкаф | Лампа подсветки с плафоном | ![]() |
Лауреат национального конкурса “Российская марка”.
Серебряный знак качества “Российская марка.»
Диплом финалиста Всероссийской программы конкурса “100 лучших товаров России”
Серебряный знак “Всероссийская марка (Ш тысячелетие). Знак качества XXI века”
МОСКОВСКАЯ ТОРГОВО- ПРОМЫШЛЕННАЯ ПАЛАТА “МОСЭКСПЕРТИЗА” Система добровольной сертификации МНЦЭС “Мосэкспертиза” СЕРТИФИКАТ № МЭКС.МК.-12-010/2000-201. Настоящий сертификат удостоверяет, что продукция, идентифицируемая как электроплиты бытовые стационарные “Нововятка” соответствуют по качеству требованиям ВЫСШЕГО УРОВНЯ, УСТАНОВЛЕННЫМ ПРОГРАММОЙ № МЭКС. МК, МД. -014-2000/12-010/2000
| 1. | Общие указания | 6 |
| 2. | Технические данные | 6 |
| 3. | Комплектность | 9 |
| 4. | Требования безопасности | 9 |
| 5. | Устройство электроплиты | 10 |
| 6. | Подготовка к работе | 13 |
| 7. | Порядок работы | 14 |
| 8. | Техническое обслуживание | 18 |
| 9. | Правила хранения | 18 |
| 10. | Возможные неисправности и методы их устранения | 18 |
| 11. | Свидетельство о приемке | 19 |
| 12. | Гарантийные обязательства | 19 |
| 13. | Талон на установку | 20 |
| 14. | Отметка о продаже | 20 |
| 15. | Гарантийный талон № 1 | 21 |
| 16. | Г арантийный талон №2 | 23 |
| 17. | Ведомость цветных металлов, содержащихся в изделии электроплита | 25 |
| 18. | Приложение 1 Работа с таймером механическим | 26 |
| 19. | Приложение 2 Работа с таймером электромеханичским | |
| 20. | Адреса организаций, производящих гарантийный ремонт электроплит | 28 |
1.1. Вы приобрели электроплиту бытовую стационарную (далее-электроплита), предназначенную для приготовления пищи в домашних условиях: варки, жарения, тушения мясных, рыбных и овощных блюд, выпечки мучных изделий, сушки грибов, овощей, фруктов.
1.2. Используя высокотемпературный ТЭН (гриль) (далее- гриль) и моторедуктор с вертелом, можно приготовить шашлыки, курицу на вертеле и т.п.
1.3. При установке электроплиты требуйте от монтажных организаций заполнения гарантийных талонов, проверки в Вашем присутствии исправности, работоспособности и комплектности электроплиты.
1.4. Перед началом эксплуатации внимательно ознакомьтесь с настоящим руководством и следуйте его рекомендациям.
1.5. Электроплита имеет сертификат № РОСС RU.AH31.BO9240, выданный органом по сертификации продукции и услуг Кировским ЦСМ с 01.01.2001 г. по 31.12.2003 г., и соответствует требованиям безопасности следующих нормативных документов: ГОСТ Р МЭК 60335-2-6-2000, ГОСТ Р 51318.14.1 -99.
1.6. При покупке электроплиты необходимо убедиться в наличии даты продажи, подписи продавца и штампа магазина в отметке о продаже и во всех гарантийных талонах.
БЕЗ ЗАЗЕМЛЕНИЯ ЭЛЕКТРОПЛИТУ НЕ ВКЛЮЧАЙТЕ!
2. ТЕХНИЧЕСКИЕ ДАННЫЕ
2.1. Номинальное напряжение, В 220
2.2. Род тока переменный
2.3. Обозначение модели, модификации и комплектация электроплит приведены в таблице 1.
2.4. Установленная и единовременно потребляемая мощность электроплит приведены в таблице 2.
2.5. Мощность электроконфорок приведена в 2,0 таблице 32.6 Номинальная потребляемая мощность электронагревателей жарочного шкафа,
2.7. Регулирование температуры рабочего пространства жарочного шкафа в пределах 50…300°С бесступенчатое
Таблица 1
| Наименование модели электроплиты | Модификация электроплиты | Комплектация |
| Классик | 21 | Базовая комплектация 4 чугунные конфорки (1-шт.145, 2шт. — 180, 1- шт. 220) |
| 22 | Базовая комплектация 4 чугунные конфорки (1шт. 145, 1шт. 180, 1шт. 180 — экспресс, 1шт. 220) | |
| 30 | Базовая комплектация 4 чугунные конфорки (1шт. 145- экспресс, 1шт. 180, 1шт. 180- экспресс, 1шт. 220) | |
| 32 | Базовая комплектация 2 чугунные конфорки (1шт. 145, 1шт. 220), 2 ТЭН-конфорки 180) | |
| 83 | Базовая комплектация 4 чугунные конфорки (1шт. 145- экспресс, 2шт. 180, 1шт. 220) | |
| 250 | Базовая комплектация 4 чугунные конфорки (1шт. 145- экспресс, 1шт. 180, 1шт.180- экспресс, 1шт. 220), таймер механический | |
| 251 | Базовая комплектация 4 чугунные конфорки (1шт. 145,2шт. 180, 1шт. 220), таймер механический, Базовая комплектация: дверка с панорамным стеклом, гриль, моторедуктор |
Таблица 2
| Наименование модели и модификации электроплиты | Установленная мощность, кВт, не более | Единовременно потребляемая мощность, кВт, не более |
| Классик 021 | 9,5 | 6 |
| Классик 022 | 10 | 6,5 |
| Классик 030 | 10,5 | 7 |
| Классик 032 | 8,5 | 5 |
| Классик 083 | 10 | 6,5 |
| Классик 250 | 10,5 | 7 |
| Классик 251 | 9,5 | 6 |
Таблица 3
| Модификация электроплиты | Тип электроконфорки | Возможное расположение на рабочем столе | Мощность при положении ручки переключателя. Вт | ||||||
| 0 | 1 | 2 | 3 | 4 | 5 | 6 | |||
| 021, 022, 032. 251 | ЭКЧ-145-1,0/220 | ближняя правая | 0 | 103 | 225 | 325 | 450 | 675 | 1000 |
| 021,083, 251 | ЭКЧ-180-1,5/220 | Ближняя левая; дальняя левая | 0 | 157 | 350 | 550 | 600 | 950 | 1500 |
| 021,022, 030, 032, 083, 250, 251 | ЭКЧ-220-2,0/220 | Дальняя правая | 0 | 217 | 550 | 650 | 800 | 1350 | 2000 |
| 030, 083, 250 | ЭКЧЭ-145-1,5/220 | Ближняя правая | 0 | 125 | 250 | 350 | 900 | 1150 | 1500 |
| 022, 030, 250 | ЭКЧЭ-18 0-2,0/220 | Ближняя левая | 0 | 185 | 350 | 650 | 1000 | 1350 | 2000 |
| 022, 030, 250 | ЭКЧ-180-1,5/220 | Дальняя левая | 0 | 157 | 350 | 550 | 600 | 950 | 1500 |
| 32 | ТЭН-конфорка | Ближняя левая, дальняя левая | 1000 |
| 2.8 Мощность гриля, кВт, не регулируется | 1,5 |
| 2.9 Внутренние размеры жарочного шкафа, мм, не более | |
| ширина | 445 |
| глубина | 460 |
| высота | 335 |
| 2.10 Класс защиты от поражения электрическим током | 1 |
| 2.11 Исполнение по степени защиты | ГР10 |
| 2.12 Габаритные размеры электроплиты, мм, не более | |
| ширина | 600 |
| глубина | 600 |
| высота | 850 |
| 2.13 Масса, кг, не более | 60 |
| 2.14 Сведения о суммарном весе драгоценных металлов, г, серебра | |
| Классик 02 Г, Классик 022, Классик 030, Классик 084, | |
| Классик 250, Классик 251 | 2,48 |
3. КОМПЛЕКТНОСТЬ
| 3.1В комплект поставки входит: — электроплита | 1 шт. | |
| — щиток (при поставке плиты без крышки) | 1 шт. | |
| — винт М4х12 | только при | 2 шт. |
| — шайба диаметром 4 мм . | наличии | 2 шт. |
| — гайка М4 | щитка | 2 шт. |
| — экран защиты ручек переключателей | 1 шт. | |
| — противень эмалированный | 2 шт. | |
| — решетка | 1 шт. | |
| — суппорт вертела | 1 шт. | |
| — вертел | 1 шт. | |
| — ручка вертела | 1 шт. | |
| — вилка вертела | 2 шт. | |
| -винтМ4х10 | 2 шт. | |
| — винт регулировочный | 2 шт. | |
| — розетка | 1 шт. | |
| — ролик для передвижения электроплиты | 1 комплект | |
| — винт самонарезной 4×13 | 4 шт. | |
| — руководство по эксплуатации | 1 шт. | |
| — упаковка | 1 комплект |
4. ТРЕБОВАНИЯ БЕЗОПАСНОСТИ
4.1. Электроплита относится к типу “X” и предназначена для установки на полу. Электроплиту не следует устанавливать на подставку.
4.2. Перед включением электроплиты в сеть убедитесь в исправности кабеля, вилки и розетки. Замену кабеля, в ..том числе и поврежденного на аналогичный, производят только специалисты ремонтных организаций, адреса которых указаны в приложении.
4.3. Все работы по устранению неисправностей и ремонту электроплиты должны выполняться организациями, имеющими право на ремонт бытовых электроприборов и ТОЛЬКО ПОСЛЕ ОТКЛЮЧЕНИЯ ЭЛЕКТРОПЛИТЫ ОТ СЕТИ.
4.4. Извлекать вилку из розетки разрешается только после выключения всех нагревательных элементов электроплиты.
4.5. Не доверяйте детям включение и отключение нагревательных элементов электроплиты.
4.6. Не допускайте резкой смены температуры горячих электроконфорок и ТЭН.
4.7. Не допускайте попадания влаги внутрь электроплиты.
4.8. При пользовании электроплитой она сильно нагревается. Опасайтесь прикосновения к электроконфоркам и нагревательным элементам внутри жарочного шкафа.
4.9. При пользовании грилем доступные части могут сильно нагреваться. Не допускайте детей близко к электроплите.
4.10. ЗАПРЕЩАЕТСЯ:
4.10.1. Оставлять без надзора электроплиту с включенными нагревательными элементами.
4.10.2. Держать вблизи включенной электроплиты легковоспламеняющиеся вещества.
4.10.3. Владельцам электроплиты поднимать рабочий стол, снимать заднюю стенку, производить какой- либо ремонт электроплиты.
4.10.4. Ставить электроплиту вплотную к стене.
4.10.5. Во избежание пожара использовать электроплиту для обогрева помещения.
4.10.6. Ставить па электроконфорки посуду с вогнутым или выпуклым дном, образующим воздушный зазор с поверхностью электроконфорки.
4.10.7. Ставить на электро конфорки посуду массой, превышающей 20 кг.
4.10.8. Проверять нагрев электроконфорок прикосновением руки.
5. УСТРОЙСТВО ЭЛЕКТРОПЛИТЫ
5.1. Общий вид электроплиты с указанием основных частей, органов управления и сигнализации показан на рисунке 1.
5.2. Электроплита может быть оснащена крышкой рабочего стола вместо щитка.
5.3. Регулирование мощности электроконфорок осуществляют при помощи переключателей мощности (далее- переключателей), ручки которых расположены на панели управления электроплиты (рисунок 2).
5.4. В средней части электроплиты расположен жарочный шкаф (рисунок 3). Нагрев рабочего пространства жарочного шкафа осуществляют двумя трубчатыми электронагревателями, один из которых, мощностью 0,8 кВт, расположен в верхней части шкафа, второй, мощностью 1,2 кВт, под днищем шкафа.
5.5. В верхней части жарочного шкафа расположен гриль мощностью 1,5 кВт.
5.6. Внутри шкафа на задней стенке смонтированы датчик терморегулятора жарочного шкафа и лампа освещения рабочего пространства жарочного шкафа (рисунок 3).
![]() |
1- рабочий стол 2- электроконфорки 3- панель управления 4- дверка жарочного шкафа 5- вспомогательный шкафчик 6- регулировочные винты 7- щиток или крышка электроплиты Рисунок 1 Общий вид электроплиты |
1 — сигнальная лампа достижения заданной температуры рабочего пространства жарочного шкафа; 2- сигнальная лампа включения электронагревателей жарочного шкафа или гриля; 3- сигнальная лампа включения электроконфорок; 4- ручка терморегулятора жарочного шкафа;
5- ручки переключения мощности электроконфорок; 6- ручка переключателя моторедуктор- лампа освещения жарочного шкафа; 7- условное обозначение «включен моторедуктор»; 8- условное обозначение «включена лампа освещения жарочного шкафа»; 9-условное обозначение «Гриль».
Рисунок 2. Панель управления электроплиты
![]() |
1 — лампа освещения рабочего пространства жарочного шкафа; 2- датчик терморегулятора; 3- гриль; 6- направляющие пазы; 7- паз для суппорта вертела. Рисунок 3 Жарочный шкаф |
|
1 — экран защиты ручек переключателей; 2- ручка вертела; 3- ротивень; 4- моторедуктор Рисунок 4 Приготовление продукта на вертеле в жарочном шкафу |
![]() |
5.7. С наружной стороны задней стенки жарочного шкафа на суппорте смонтирован моторедуктор (рисунок 4), предназначенный для вращения вертела с частотой 2 об/мин, воронка которого выходит в жарочный шкаф.
5.8. Жарочный шкаф имеет четыре пары направляющих пазов, предназначенных для установки на желаемом уровне противней или решетки, и два вертикальных паза для установки суппорта вертела (рисунок 3).
5.9. Дверка жарочного шкафа застеклена термостойким стеклом, что позволяет визуально контролировать готовность приготовления пищи.
5.10. Крепление дверки жарочного шкафа к корпусу электроплиты выполнено с помощью специальных петель, которые позволяют фиксировать ее в трех положениях: закрыто, открыто, промежуточное.
5.11. При необходимости дверку следует снимать следующим образом:
— полностью открыть дверку;
— накинуть замок нижнего рычага петли на крючок верхнего рычага;
— закрывая и поднимая дверку, снять ее с электроплиты.
Установка дверки на электроплиту производится в обратном порядке.
5.12. В нижней части электроплиты расположен вспомогательный шкафчик (рисунок 1).
5.13. Для установки электроплиты в горизонтальное положение (при необходимости) предназначены два регулировочных винта, установку которых производят изнутри корпуса в наклонном положении электроплиты при вынутом вспомогательном шкафчике (рисунок 1).
5.14. Электроплита оснащена передвижным устройством для облегчения перемещения.
5.15. В связи с постоянным совершенствованием, в конструкции электроплиты могут иметь место схемные и конструктивные изменения, не ухудшающие качество изделия.
6. ПОДГОТОВКА К РАБОТЕ
6.1. Установить щиток, при его наличии, при помощи двух винтов N44x12, двух гаек и четырех шайб.
6.2. Закрепить с помощью четырех самонарезных винтов ролики. Отверстия для крепления расположены в нижней части задней стенки. Установить электроплиту горизонтально, при необходимости, с помощью регулировочных винтов, устанавливаемых в основании рамы (рисунок 1).
6.3. Проверка монтажной схемы электроплиты, всех контактных соединений, подключение, опробование в рабочем положении, прогрев электроконфорок, инструктаж потребителя производят специалисты ремонтных или монтажных организаций. Прогрев электроконфорок осуществляют подключением не более двух электроконфорок одновременно на минимальном режиме переключателя мощности в течение одного часа.
6.4. Электроплита может быть оснащена механическим таймером ТМ, электромеханическим таймером ТЭМ, программатором Г1Р. Принцип работы таймеров и программатора см. в приложении 1, 2, 3 к данному руководству по эксплуатации.
7. ПОРЯДОК РАБОТЫ
7.1. Для включения электроконфорки необходимо установить ручку переключателя в положение, соответствующее требуемой мощности.
7.2. Вращение ручек переключателей чугунных электроконфорок круговое, но для увеличения срока службы переключателей включение и выключение электроконфорок следует производить вращением ручек ПРОТИВ ЧАСОВОЙ СТРЕЛКИ.
7.3. Ручки бесступенчатых регуляторов мощности ТЭН- конфорок НЕ ИМЕЮТ КРУГОВОГО ВРАЩЕНИЯ, включение электроконфорок производят ПО ЧАСОВОЙ СТРЕЛКЕ, выключение- ПРОТИВ ЧАСОВОЙ СТРЕЖИ.
7.4. При включении электроконфорки загорается сигнальная лампа.
7.5. Включение ТЭН жарочного шкафа производят ручкой терморегулятора, расположенного с левой стороны панели управления. Этой же ручкой производят включение гриля, вращением ее ПО ЧАСОВОЙ СТРЕЛКЕ до отметки «гриль» (рисунок 2).
7.6. Одновременное включение ТЭН жарочного шкафа и гриля невозможно.
7.7. Ручка терморегулятора ТЭН жарочного шкафа НЕ ИМЕЕТ КРУГОВОГО ВРАЩЕНИЯ, включение ТЭН производите по ЧАСОВОЙ СТРЕЖЕ, выключение- ПРОТИВ ЧАСОВОЙ СТРЕЖИ.
7.8. При включении ТЭН жарочного шкафа загораются две сигнальные лампы. При достижении заданной температуры рабочего пространства жарочного шкафа ТЭН автоматически отключаются и крайняя левая лампа гаснет. При снижении температуры ТЭН включаются и цикл повторяется.
7.9. При включении гриля загорается только вторая слева лампа.
— в положении “0” переключателя ТЭН жарочного шкафа отключены от сети, возможно включение электроконфорки диаметром 220 мм;
— в других положениях ручки переключателя к сети подключены ТЭН жарочного шкафа, электроконфорка диаметром 220 мм от сети отключена;
— остальные электроконфорки работают независимо от блокировки.
7.11. Включение моторедуктора или лампы освещения рабочего пространства жарочного шкафа производят ручкой переключателя, имеющим 3 положения: нейтральное (“0”), включен моторедуктор, включена лампа (рисунок 2- поз.6).
7.12. Для снижения расхода электроэнергии, ускорения процесса приготовления пищи и увеличения срока службы электроконфорок следует пользоваться кухонной посудой, имеющей ровное и плоское дно диаметром равным или несколько большим диаметра электроконфорки (рисунок 5).
1,2,3- неправильно; 4- правильно Рисунок 5
Схема тепловых потерь при неправильном выборе посуды
7.13. Приготовление пищи рекомендуем начинать при максимальной мощности электронагревателей. После закипания или несколько раньше необходимо переключить электронагреватели на минимальную или среднюю мощность в зависимости от объема посуды.
7.14. Выпечку мучных изделий, тушение продуктов производят в жарочном шкафу. Жарение мяса можно производить как на противне, так и на решетке или на вертеле.
7.15. Приготовление продукта на вертеле производят с применением суппорта, двух вилок для закрепления продукта, при работающем моторедукгоре и включенном гриле, при этом дверка жарочного шкафа должна быть приоткрыта и установлен экран защиты ручек переключателей (рисунок 4).
7.16. При приготовлении на вертеле или на решетке продукт следует располагать в зоне максимальной мощности инфракрасных лучей гриля. Порционные куски мясных и рыбных блюд должны иметь по возможности ровную толщину во избежание неравномерного прожаривания.
7.17. При жарении на вертеле, как и на решетке, необходим противень для сбора подлива и жиров (рисунок 4).
7.18. Перед использованием жарочного шкафа его необходимо разогреть в течение 10… 15 минут на отметке 200,,после чего можно производить выпечку.
7.19. При выпечке не следует часто открывать дверку жарочного шкафа, чтобы не охлаждать его. Если в процессе выпечки передняя или задняя части изделия зарумяниваются сильнее, то через некоторое время противень можно развернуть на 180 градусов.
7.20. По окончании приготовления пищи необходимо выключить все нагревательные элементы электроплиты.
7.21. При правильной эксплуатации срок службы электроплиты увеличивается.
7.22. Для приготовления отдельных видов изделий рекомендуем режимы, указанные в таблице 4. Данные, приведенные в таблице 4, являются ориентировочными. Собственные опыт и вкус позволят Вам внести необходимые коррективы.
7.23. Рекомендации по приготовлению пищи в жарочном шкафу на решетке при пользовании грилем приведены в таблице 5.
Таблица 4
| Наименование изделия | Рекомендуемая температура, °С | Время выпечки |
| Мясные блюда Жаркое говядины | 150 | 3-3,5 часа |
| Жаркое телятины | 150 | 2-2,5 часа |
| Жаркое баранины | 150 | 1-1,5 часа |
| Жаркое свинины | 175 | 1 час |
| Котлеты | 190 | 1,5-2 часа |
| Бефстроганов | 190 | 1,5-2 часа |
| KvvuHue и рыбные блюда | ||
| Курица | 175 | 1-1,5 часа |
| Гусь и индейка (4-5 кг) | 160 | 4-4,5 часа |
| Утка | 175 | 1-1,5 часа |
| Рыба | 200 | 30-40 минут |
| Кондитерские изделия | ||
| Торт простого приготовления | 160 | 45 минут |
| Шоколадный торт | 175 | 35 минут |
| Фруктовый торт | 125 | 60 минут |
| Слоеный торт | 200 | 20 минут |
| Мелкие пироги | 190 | 30 минут |
| Песочное тесто | 200 | 20 минут |
| Бисквит | 150 | 20 минут |
Таблица 5
| Мясные блюда | Положение решетки в жарочном шкафу | Ориентировочное время до готовности, мин. |
| Отбивная толщиной 1 см | 1-я направляющая сверху | 15 |
| Отбивная толщиной 1 см | 2-я направляющая сверху | 25 |
| Сосиска | 2-я направляющая сверху | 15 |
8. ТЕХНИЧЕСКОЕ ОБСЛУЖИВАНИЕ
8.1. Наружные эмалированные поверхности электроплиты следует мыть мыльной водой и протирать мягкой тканью.
8.2. Пятна от пищи необходимо удалять до высыхания.
8.3. Все элементы жарочного шкафа, его дно и стенки, а также рабочие поверхности электроконфорок необходимо периодически промывать слабым содовым раствором или мыльной водой и протирать сухой тканью.
8.4. Для чистки расположенной под нагревательным элементом чаши ТЭН-конфорки, трубчатый электронагреватель следует повернуть относительно ввода в чашу на 90°. Крестовину из чаши удалить. Чистку чаши производить с применением хозяйственных паст.
8.5. В случае возникновения неисправности обращайтесь к организациям, имеющим право на ремонт электробытовых нагревательных приборов.
8.6. Срок службы электроплиты 5 лет. После его окончания решение о необходимости капитального ремонта и дальнейшей эксплуатации принимают службы и организации, производящие ремонт и техническое обслуживание электроприборов по месту жительства владельца.
При невыполнении данных рекомендаций безопасность работы электроплиты не гарантируем.
9. ПРАВИЛА ХРАНЕНИЯ И ТРАНСПОРТИРОВАНИЯ
9.1. Электроплиты должны храниться в отапливаемых и вентилируемых помещениях при температуре воздуха от плюс 1° до плюс 40°С, относительной влажности не более 80%, при отсутствии в воздухе кислотных и других паров, вредно действующих на материалы электроплиты.
9.2. Перевозка электроплиты автомобильным транспортом в один ряд со скоростью согласно ГОСТ 23216-78.
10. ВОЗМОЖНЫЕ НЕИСПРАВНОСТИ И МЕТОДЫ ИХ УСТРАНЕНИЯ
Все неисправности, вызывающие отказы, устраняют только специалисты ремонтных организаций.
11. СВИДЕТЕЛЬСТВО О ПРИЕМКЕ
Стационарная бытовая электроплита соответствует техническим условиям ТУ 3-90 ШМАИ.681913.001 ТУ
Классик 021 Классик 022 Классик 030 Классик 032 Классик 084 Классик 250 Классик 251
Все неисправности, вызывающие отказы, устраняют только специалисты ремонтных организаций.
12. ГАРАНТИЙНЫЕ обязательства
12.1. Завод- изготовитель гарантирует нормальную работу электроплиты в течение одного года со дня продажи магазином (со дня установки) с обязательной отметкой даты установки электроплиты в талоне на установку и в гарантийных талонах, при условии соблюдения потребителем правил хранения, эксплуатации и проведения технического обслуживания ремонтными службами за счет средств жилищно-коммунальных служб.
Гарантийный срок хранения электроплиты 3 года со дня выпуска заводом- изготовителем.
12.2. Подключение электроплиты должно осуществляться в строгом соответствии с правилами ПЭУ.
Организации, занимающиеся установкой электроплит, должны сдавать их в эксплуатацию проверенными и в исправном состоянии, о чем должна быть сделана отметка в талоне на установку и в гарантийных талонах.
12.3. В случае отсутствия отметки о дате установки электроплиты в гарантийном талоне, гарантийный срок эксплуатации исчисляется со дня выпуска заводом- изготовителем.
12.4. В домах нового строительства, при отсутствии отметки об установке электроплиты в талоне на установку и в гарантийных талонах, гарантийный срок исчисляется со дня подписания государственной комиссией акта о приемке дома или со дня выпуска заводом- изготовителем.
12.5. Гарантийный и послегарантийный ремонт электроплиты должен производиться соответствующими ремонтными организациями. При обнаружении производственных дефектов в период гарантийного срока эксплуатации электроплиты и отсутствия ремонтно- эксплуатационных служб по месту жительства, следу ет обращаться непосредственно на завод- изготовитель.
12.6. Завод- изготовитель не несет ответственности в случаях:
— небрежного транспортирования и хранения;
— несоблюдения потребителем правил эксплуатации;
— разборки электроплиты потребителем или лицом, не имеющим права на ремонт электроплит.
При использовании плит в кафе, ресторанах, столовых и общежитиях коридорного типа на них не распространяется гарантийный срок эксплуатации.
12.7. Для приобретения запасных частей к электроплитам следует обращаться в ремонтные организации, указанные в данном руководстве по эксплуатации, или на завод- изготовитель.
12.8. Претензии от потребителей принимают торгующие организации и службы, производящие гарантийный ремонт электроприборов.
12.9. Завод- изготовитель гарантирует Покупателю все права, предусмотренные Законом “О защите прав потребителей”.
Ведомость цветных металлов, содержащихся в изделии “Электроплит»
| Наименование деталей | Наименование металла, сплава | Количество (масса) цветных металлов, содержащихся в изделии | Норматив цветных металлов, подлежащих сдаче в металлом при капитальном текущем ремонте изделия, кг | Норматив цветных металлов, подлежащих сдаче в металлолом при полном износе изделия и его списании, кг | |||||||||||||||
| Крыша Электроконфорки | Алюминий АМг2М | Классификация по группам (ГОСТ 1639) | |||||||||||||||||
| 1 | 2 | 3 | 4 | 5 | 11 | 1 | 2 | 3 | 4 | 5 | 11 | 1 | 2 | 3 | 4 | 5 | 11 | ||
| 0,06 | 0,009 | 0,057 | |||||||||||||||||
| Профили | Сплав Алюминевый АДЗ | 0.74 | |||||||||||||||||
| Теплоизоляция | Фольга А5 | 0,18 | |||||||||||||||||
| Кожух, воронка моторедуктора винт | Сплав алюминевый АК7 | 0,09 | 0,09 | ||||||||||||||||
| Гайки | Латунь ЛС59-1, ЛС63 | 0,06 | 0,025 | 0,06 | |||||||||||||||
| Контакты, вилки, ножи, розетки | Латунь Л63 | 0,214 | |||||||||||||||||
| Провода, кабель | Медь M1 | 0,935 | 0,1 | 0.9 | |||||||||||||||
| Пружины | Бронза Бр.БНТ 1.9 | 0,011 | |||||||||||||||||
| Провод заземления | Латунь ЛС6З-З | 0,062 | 0,026 | 0,062 | |||||||||||||||
| Трубка, сосуд, наконечник | Медь Л96 | 0,038 | 0,004 | 0,032 |
Приложение 1
Работа с таймером механическим.
Уважаемый покупатель!
Ваша плита оснащена механическим таймером ТМ, который позволяет производить контроль времени подачей звукового сигнала (звонка).
Для установки необходимой выдержки времени произвести завод таймера вращением ручки по часовой стрелке до упора, затем вращением против часовой стрелки установить по шкале необходимое время. Начинается отсчет времени, по окончании подается звуковой сигнал (звонок).
Приложение 2
Работа с таймером электромеханическим.
Уважаемый покупатель!
Ваша плита оснащена электромеханическим таймером ТЭМ, который позволяет производить отключение жарочного шкафа или правой дальней электроконфорки с подачей звукового сигнала по истечении установленной выдержки времени.
Таймер работает в двух режимах:
— с автоматическим отключением и подачей звукового сигнала (звонка), через промежуток времени, устанавливаемый в диапазоне от 5 до 60 мин.;
— с ручным отключением.
Перед набором программы установить на электроконфорку или в жарочный шкаф посуду с приготовляемым блюдом.
Для работы с таймером в автоматическом режиме следует произвести следующие операции:
— ручкой блокирующего переключателя (см. п. 7.10 данного руководства) включить электрическую цепь необходимого для работы нагревательного элемента (электроконфорки или электронагревателей жарочного шкафа);
— ручкой переключателя, выбранного для работы нагревательного элемента установить требуемую мощность (см. раздел 7 “Порядок работы”);
— повернуть ручку таймера (заводной вал) по часовой стрелке, установив нужную выдержку времени в пределах от 10 до 60 минут по шкале на панели управления.
Установку выдержек времени менее 10 минут следует производить в два приема: сначала необходимо повернуть ручку таймера по часовой стрелке на время 30-40 минут, затем повернуть ее против часовой стрелки до требуемого значения времени. Выставляя интервал времени ручкой таймера, не забудьте учесть время разогрева нагревательного элемента от холодного состояния. После истечения установленной выдержки времени ручка таймера вернется в нулевое положение, контакты таймера разомкнутся, выключив нагревательный элемент, автоматически включится звонок, извещая об окончании тепловой обработки. Для работы с таймером в ручном режиме его рукоятку следует повернуть против часовой стрелки до упора. Контакты таймера при этом будут замкнуты, что позволяет производить тепловую обработку продуктов на дальней правой электроконфорке и в жарочном шкафу с выдержкой времени по своему усмотрению. Вы можете использовать таймер только в качестве звукового сигнала в двух случаях:
— все нагревательные элементы в электроплите выключены;
— при тепловой обработ ке продуктов на левой ближней, левой дальней и правой ближней конфорках при условии, что дальняя правая электроконфорка и электронагреватели жарочного шкафа выключены.
АДРЕСА организаций, производящих гарантийный ремонт электроплит
1. 184200, г. Апатиты Мурманской обл., ул. Бредова, 15”А”. 4-09-52
Предприятие “Электротеплосеть” * 4-19-10
2. 136061, г. Архангельск, ул. Попова, 17 43-54-89
ЖКХ “Архангельскжилкомхоз”
3. 480008, г. Алматы, Казахстан, ул. Шевченко, 129-73 Предприятие «Шанс» 63-12-07 68-68-23 63-97-73
4. 690069, г. Владивосток, ул. Давыдова, 5 6-29-78 Объединение “Приморкоммунэнерго”
5. 620026, г, Екатеринбург, ул. Декабристов, 16/18 31-32-10 «И»-30б, АОЗТ «МАРТ» _ 23-02-17
6. 424006, республика Марий Эл г. Йошкар-Ола, 5-22-12 ул. Строителей, д. 111 Предприятие “Горсвет”
7. 424000, республика Марий Эл г. Йошкар-Ола, пр. Гагарина, 7 12-02-90 Муниципальное предприятие жилищного хозяйства
8. 252156, г. Киев, ул. Курчатова, 22 518-96-16 Специальное РНУ №7 519-65-22
9. 252094, г. Киев, ул. Лебедева, 14 552-00-92 Республиканское управление по наладке и монтажу инже нерного оборудования — 552-10-51 “Укржилинжналадка”. 552-50-40 МЖКХ тел. обслуживает следующие области; — Винницкую; Волынскую, Житомирскую; Закарпатскую; Кировоградскую; Крымскую; Львовскую; Одесскую; Ровенскую, Тернопольскую; Хмельницкую; Черкасскую; Черниговскую; Черновицкую, Киевскую, Ивано-Франковскую
10. 610037, г. Киров, ул. Егоровская, д.З 25-18-66 ООО “ЭЛИС”
11. 195009, г. Санкт-Петербург, ул. Бобруйская, 5 542-95-00 Специализированное РНУ №1
12. 197101, г. Санкт-Петербург, ул. Большая Монетная, 27 233-99-29 Специализированное РНУ №2 238-11-35 232-07-62
13. 195248, г. Санкт-Петербург, Ириновский пр., д.2 ОАО ПО «Сокол»
14. 196158 г. Санкт- Петербург, Московское шоссе, д.14 корп. 1;448-24-64 А/Я -308 ООО «Вятка- Сервис» 442-88-03 327-67-98
15. 220033, г. Минск, 1-й велосипедный пер., Арендное предприятие “Минсклифт-3” 5 221-64-25
16. 220116, г. Минск, Предприятие «Спецремэлектро» А/Я-383 234-40-72 272-01-82
17. 220124, г. Минск, ул. Уральская, 3 ООО «ТСТ-Плюс»
18. 103498, г. Москва, Зеленоград Центральный проспект, корп. 439 кв.2 Г.П. “Электроремонт”
19. 107589, г. Москва, ул. Красноярская, д. 11”А” Спец. Управление “Электрожилремонт”
20. 115230, г, Москва, Каширское шоссе, 9, корп. 1 Г П “Спецремэлектро”
21. 109144, г. Москва, ул. Маршала Голованова, д. 13 кв. 274 Фирма “Эрудит”
22. 109193, г. Москва, ул. Сайкина, д.1/2- помещение 3, строение 1.ООО «ЭЛКОР»
23. 121151, г. Москва, ул. Раевского д. 4 Техничекий центр по ремонту бытовой и торговой техники «Полюс»
24. 183000, г. Мурманск, ул. Шмидта, 16 ГОУЭП «Мурманская горэлектросеть»
25. 626440, г. Нижневартовск Ханты-Мансийский АО, ул. Индустриальная, 42 ОАО РНУ ЖКХ
26. 603001, г. Нижний Новгород, ул. Кожевенная, 14 ПП «Нижегородоблкоммунэнерго»
27. 603158, г. Нижний Новгород, ул. Зайцева, 8 ТТЦ “Вятка-Электра”
28. 630007, г. Новосибирск, ул. Гоголя, 190 ТТЦ «Вятка-Электра» А/Я-458
29. 630007, г. Новосибирск, ул. Фабричная, 16 ОАО «Рембыттехника»
30. 660000, Россия г. Красноярск, Главпочтамт А’Я-217 ООО «Сибирь-Сервис»
31. 644033, г. Омск, ул. Красный путь, 143 ТТЦ «Мирт»
32. 626400, Тюменская обл. г. Сургут, ул. Мира, 14-58 ЗАО ТТЦ “Сибтехсервис”
33. 445037, г. Тольятти, Самарская обл., Новый проезд,8 каб.327 ООО Сервисный центр «ЭЛРО»
34. 256400, Украина, г. Белая Церковь, ул. Клиническая, д. 6 ООО «Атлант плюс ЛТД»
35. 670031, г. Улан-Удз, ул, Широких Полянских, 7 ТОО «Сото»
37. 310136, г. Харьков, ул. Гвардейцев Широнинцев, 50 Управление “Харьковжилищналадка”
Готовы ответить на все интересующие вас вопросы ежедневно с 9:00 до 18:00 вWhatsApp и Viber по номеру
8 912 717 2820
Комплектующие к электро и газовым плитам Рика
http://www.рика.рф/
Рика Тека Киров | Отдел продаж запчастей Рика
рика.рф
Отправляем запчасти для электроплит во все регионы почтой России .
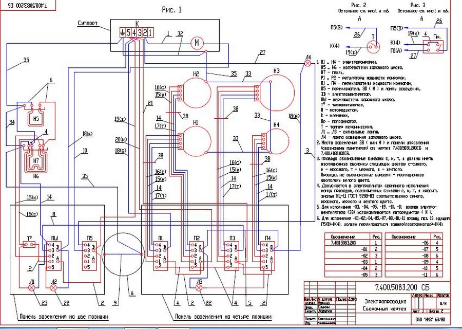
Главная страница » Электрическая схема плита ЭКС модели 010, 091, 001, 007, 005, 002
Электрическая схема плита ЭКС модели 010, 091, 001, 007, 005, 002
1) Схема подключения переключателя регулятора мощности ПМ 7 электрических конфорок плита Ново-Вятка ЭКС 010, 091, 001, 007, 005, 002
/ …купить переключатель духовки ПМ 3 Ново-Вятка /
2) Схема подключения переключателя регулятора мощности духовки ПМ 3 плита Ново-Вятка ЭКС 010, 091, 001, 007, 005, 002
/ …купить переключатель конфорки ПМ 7 Ново-Вятка /
3) Схема подключения КОНФОРКИ плита Ново-Вятка ЭКС 010, 091, 001, 007, 005, 002
/ …купить конфорки для плиты Ново-Вятка /
4) Схема подключения ТЭН НИЖНИЙ духовки плита Ново-Вятка ЭКС 010, 091, 001, 007, 005, 002
/ …купить ТЭН НИЖНИЙ для плиты Ново-Вятка /
5) Схема подключения ТЭН верхний духовки плита Ново-Вятка ЭКС 010, 091, 001, 007, 005, 002
/ …купить ТЭН ВЕРХНИЙ для плиты Ново-Вятка /
6) Схема подключения ТЕРМОРЕГУЛЯТОРА(датчика температуры) духовки плита Ново-Вятка ЭКС 010, 091, 001, 007, 005, 002
/ …купить ТЕРМОРЕГУЛЯТОР для плиты Ново-Вятка /
7) Схема подключения РЕГУЛЯТОР МОЩНОСТИ ТЭН КОНФОРКИ плита Ново-Вятка ЭКС 010, 091, 001, 007, 005, 002
/ …купить РЕГУЛЯТОР ТЭН КОНФОРКИ для плиты Ново-Вятка /
Главная страница » Электрическая схема плита ЭКС модели 010, 091, 001, 007, 005, 002
Схемы для электрических и электрогазовых плит Ново-Вятка, Электра, Rika(Рика)
(Часто запрашиваемые электрические схемы устройств. Для других моделей по запросу servis@rikakirov.ru или написать в форме заказа «Запрос схемы плиты» в конце этой страницы)
Схемы для бытовых электроплит Ново-Вятка
скачать электрическую схему для моделей: Нововятка ЭКС, Нововятка Классик
Электрическая схема плиты Нововятка ЭКС (….Скачать схему….)
Электрическая схема плиты Нововятка Классик (….Скачать схему….)
Электрическая схема подключения плиты Ново-Вятка Классик для следующих деталей:
1) Подключение переключателя мощности ПМ3 для духовки электрической плиты Ново-Вятка Классик /…купить переключатель ПМ3 Ново-Вятка Классик …/
2) Подключение переключателя мощности ПМ7 для конфорки электроплиты Ново-Вятка Классик /…купить переключатель ПМ7 (856) Ново-Вятка Классик …/
3) Подключение КОНФОРОК для электрической плиты Ново-Вятка Классик /…купить КОНФОРКИ Ново-Вятка Классик…/
4) Подключение ТЭНа верхнего с грилем для электроплиты Ново-Вятка Классик /…купить ТЭН верхний с грилем Ново-Вятка Классик…/
5) Подключение ТЭНа нижнего standart для электрической плиты Ново-Вятка Классик /…купить ТЭН нижнего Ново-Вятка Классик…/
6) Подключение терморегулятора духового шкафа для электроплиты Ново-Вятка Классик /…купить терморегулятор духового шкафа Ново-Вятка Классик…/
7) Подключение светосигнальной арматуры для электрической плиты Ново-Вятка Классик /…купить светосигнальную арматуру Ново-Вятка Классик…/
Схемы для бытовых газоэлектртрических плит Ново-Вятка
скачать электрическую схему для моделей: Нововятка «Мастерица»
Электрическая схема плиты Нововятка «Мастерица» модель 120, 160, 188 (….Скачать схему….)
Схемы для бытовых электроплит Электра
скачать электрическую схему для моделей: Электра 1001 М, Электра 1001, Электра 1002
Электрическая схема Электра 1001 М (….Скачать схему….)

ПОДРОБНЕЕ: Устройство, инструкция, схема монтажная, схема подключения электроплиты «Электра 1001М»
⇅ смотреть плита «Электра 1001М»⇅
Электрическая схема Электра 1001 (….Скачать схему….)
ПОДРОБНЕЕ: Устройство, инструкция, схема монтажная, схема подключения электроплиты «Электра 1002»
⇅ смотреть плита «Электра 1002» ⇅
Электрическая схема Электра 1002 (….Скачать схему….)
ПОДРОБНЕЕ: Устройство, инструкция, схема монтажная, схема подключения электроплиты «Электра 1006»
⇅ смотреть плита «Электра 1006»⇅
Схемы для электрических бытовых плит Rika(Рика)
скачать электрическую схему для моделей: Rika (Рика) С 007, Rika (Рика) С 010, Rika (Рика) Э061, Rika (Рика) Э062, Rika (Рика) Э063
Электрическая схема плиты Rika (Рика) С007 (….Скачать схему….)
Электрическая схема подключения для электрической плиты Rika (Рика) С 007 следующих деталей:
1) Подключение переключателя мощности ПМ3(887) для духовки электрической плиты Rika (Рика) С007 /…купить переключатель ПМ3(887) Rika (Рика) С 007…/
2) Подключение переключателя мощности ПМ7 (856) для конфорки электрической плиты Rika (Рика) С 007 /…купить переключатель ПМ7 (856) (Рика) С 007…/
3) Подключение КОНФОРКИ ф 180 1.5/220 с кольцом для электрической плиты Rika (Рика) С 007 /…купить КОНФОРКУ ф 180 1.5/220 Rika (Рика) С 007…/
4) Подключение КОНФОРКИ ф 145 1.0/220 с кольцом для электрической плиты Rika (Рика) С 007 /…купить КОНФОРКУ ф 145 1.0/220 Rika (Рика) С 007…/
5) Подключение ТЭНа верхнего для электрической плиты Rika (Рика) С 007 /…купить ТЭН верхнего Rika (Рика) С 007…/
6) Подключение ТЭНа нижнего standart для электрической плиты Rika (Рика) С 007 /…купить ТЭН нижнего standart Rika (Рика) С 007…/
7) Подключение терморегулятора духового шкафа для электрической плиты Rika (Рика) С 007 /…купить терморегулятор духового шкафа Rika (Рика) С 007…/

9) Подключение лампы в сборе для электрической плиты Rika (Рика) С 007 /…купить Лампу в сборе Rika (Рика) С 007…/
Электрическая схема плиты Rika (Рика) С010 (….Скачать схему….)
Электрическая схема подключения для электрической плиты Rika (Рика) С 010 следующих деталей:
1) Подключение переключателя мощности ПМ3(887) для духовки электрической плиты Rika (Рика) С010 /…купить переключатель ПМ3(887) Rika (Рика) С 010…/
2) Подключение переключателя мощности ПМ7 (856) для конфорки электрической плиты Rika (Рика) С 010 /…купить переключатель ПМ7 (856) (Рика) С 010…/
3) Подключение КОНФОРКИ ф 220 2.0/220 с кольцом для электрической плиты Rika (Рика) С 010 /…купить КОНФОРКУ ф 220 2.0/220 Rika (Рика) С 010…/
4) Подключение КОНФОРКИ ф 180 1.5/220 с кольцом для электрической плиты Rika (Рика) С 010 /…купить КОНФОРКУ ф 180 1.5/220 Rika (Рика) С 010…/
5) Подключение КОНФОРКИ ф 145 1.0/220 с кольцом для электрической плиты Rika (Рика) С 010 /…купить КОНФОРКУ ф 145 1.0/220 Rika (Рика) С 010…/
6) Подключение ТЭНа верхнего для электрической плиты Rika (Рика) С 010 /…купить ТЭН верхнего Rika (Рика) С 010…/
7) Подключение ТЭНа нижнего standart для электрической плиты Rika (Рика) С 010 /…купить ТЭН нижнего standart Rika (Рика) С 010…/

9) Подключение светосигнальной арматуры для электрической плиты Rika (Рика) С 010 /…купить светосигнальную арматуру Rika (Рика) С 010…/
10) Подключение лампы в сборе для электрической плиты Rika (Рика) С 010 /…купить Лампу в сборе Rika (Рика) С 010…/
Электрическая схема плиты Rika (Рика) Э061 (….Скачать схему….)
Электрическая схема плиты Rika (Рика) Э062 (….Скачать схему….)
Электрическая схема плиты Rika (Рика) Э063 (….Скачать схему….)
Электрическая схема электрической плиты Rika (Рика) П108 (….Скачать схему….)
Схемы для газоэлектрических бытовых плит Rika(Рика)
скачать электрическую схему для моделей: Rika (Рика) М026, Rika (Рика) М188
Электрическая схема газоэлектрической плиты Rika (Рика) М026 (….Скачать схему….)
Электрическая схема подключения для электрогазовой плиты Rika (Рика) М 026 следующих деталей:
1) Подключение переключателя мощности ПМ3(887) для духовки электрогазовой плиты Rika (Рика) М 026 /…купить переключатель ПМ3(887) Rika (Рика) М 026…/
2) Подключение переключателя мощности ПМ7 (856) для конфорки электрогазовой плиты Rika (Рика) М 026 /…купить переключатель ПМ7 (856) (Рика) М 026…/
3) Подключение КОНФОРКИ ф 180 1.5/220 с кольцом для электрогазовой плиты Rika (Рика) М 026 /…купить КОНФОРКУ ф 180 1.5/220 Rika (Рика) М 026…/
4) Подключение ТЭНа верхнего с грилем standart для электрогазовой плиты Rika (Рика) М 026 /…купить ТЭН верхнего с грилем standart Rika (Рика) М 026…/
5) Подключение ТЭНа нижнего standart для электрогазовой плиты Rika (Рика) М 026 /…купить ТЭН нижнего standart Rika (Рика) М 026…/
6) Подключение терморегулятора духового шкафа для электрогазовой плиты Rika (Рика) М 026 /…купить терморегулятор духового шкафа Rika (Рика) М 026…/
7) Подключение светосигнальной арматуры для электрогазовой плиты Rika (Рика) М 026 /…купить светосигнальную арматуру Rika (Рика) М 026…/

Электрическая схема газоэлектрической плиты Rika (Рика) М130 (…Скачать схему…)
Электрическая схема газоэлектрической плиты Rika (Рика) М188 (…Скачать схему…)
Электрическая схема подключения плиты Rika (Рика) М 188 для следующих деталей:
1) Подключение переключателя мощности ПМ3(887) для духовки электрогазовой плиты Rika (Рика) М 188 /…купить переключатель ПМ(887) Rika (Рика) М 188…/
2) Подключение переключателя мощности ПМ7 (856) для конфорки электрогазовой плиты Rika (Рика) М 188 /…купить переключатель ПМ7 (856) (Рика) М 188…/
3) Подключение КОНФОРКИ ф 180 1.5/220 с кольцом для электрогазовой плиты Rika (Рика) М 188 /…купить КОНФОРКУ ф 180 1.5/220 Rika (Рика) М 188…/
4) Подключение ТЭНа верхнего с грилем standart для электрогазовой плиты Rika (Рика) М 188 /…купить ТЭН верхнего с грилем standart Rika (Рика) М 188…/
5) Подключение ТЭНа нижнего standart для электрогазовой плиты Rika (Рика) М 188 /…купить ТЭН нижнего standart Rika (Рика) М 188…/
6) Подключение терморегулятора духового шкафа для электрогазовой плиты Rika (Рика) М 188 /…купить терморегулятор духового шкафа Rika (Рика) М 188…/
7) Подключение светосигнальной арматуры для электрогазовой плиты Rika (Рика) М 188 /…купить светосигнальную арматуру Rika (Рика) М 188…/

9) Подключение электровентилятора (конвекция) электрогазовой плиты Rika (Рика) М 188 /…купить электровентилятор Rika (Рика) М 188…/
10) Подключение блока розжига 3,4-х горелочный электрогазовой плиты Rika (Рика) М 188 /…купить блок розжига 3,4-х горелочный Rika (Рика) М 188…/
11) Подключение лампы в сборе для электрогазовой плиты Rika (Рика) М 188 /…купить Лампу в сборе Rika (Рика) М 026…/
Электрическая схема газоэлектрической плиты Rika (Рика) В440 (…Скачать схему…)
![]() |
Запрос схемы плиты |
Инструкция по эксплуатации НовоВятка Экс на русском языке
249 ₽
Инструкция (руководство пользователя) на Кухонная плита НовоВятка Экс
Артикул: нововятка-экс
Категория: НовоВятка
-
Описание
-
Детали
Описание
Инструкцию по эксплуатации НовоВятка Экс на русском языке можно будет скачать в личном кабинете после оформления и оплаты заказа.
Детали
| Формат файла |
doc |
|---|---|
| Размер инструкции в кб |
699 |
- Главная
- Плиты
- Нововятка
- Варочная панельэлектрическая
- Духовкаэлектрическая
- Управлениемеханическое, переключатели: поворотные
- Встроенные часынет
- Габариты60x60x85 см
- Конвекциянет
- Тип дверцыоткидная
- Возможности духовкиподсветка
- Контроль газа конфорокнет
- Рабочая поверхностьэмаль
- Показать все
Здесь вы можете изучить характеристики, отзывы покупателей о Нововятка Экс 010
Характеристики Нововятка Экс 010
Главные характеристики*
| Варочная панель | электрическая |
| Духовка | электрическая |
| Управление | механическое, переключатели: поворотные |
| Встроенные часы | нет |
| Габариты | 60x60x85 см |
Духовка*
| Конвекция | нет |
| Тип дверцы | откидная |
| Возможности духовки | подсветка |
Варочная панель*
| Контроль газа конфорок | нет |
| Рабочая поверхность | эмаль |
| Число конфорок | электрических: 4 |
Дополнительно*
| Цвет | белый |
| Ящик для посуды | есть |
* Точные параметры уточняйте на сайте продавца.
Отзывы пользователей о Нововятка Экс 010
Инструкция по эксплуатации для электроплиты Ново Вятка Классик
Модели: Классик 021, Классик 022, Классик 030, Классик 032, Классик 084, Классик 250, Классик 251.
Комплектующие для плиты
Конфорки
| Расположение | Конфорки | фото |
|---|---|---|
| Задняя левая | Конфорка для электроплиты 180 мм, 1.5 кВт, 220 В | ![]() |
| Задняя правая | Конфорка для электроплиты 220 мм, 2 кВт, 220 В | ![]() |
| Передняя левая | Конфорка для электроплиты 180 мм, 1.5 кВт, 220 В | ![]() |
| Передняя правая | Конфорка для электроплиты 145 мм, 1 кВт, 220 В | ![]() |
Аналоги переключателей для конфорки и жарочного шкафа
| Расположение | Модель | фото |
|---|---|---|
| Для конфорки | Переключатель ПМЭ-27-2375 П, вал 23 мм (ПМ-7 856) | ![]() |
| Для жарочного шкафа | Переключатель ПМЭ-27-2353 П, 5 позиций, вал 23 мм (ПМ-5 880) | ![]() |
Провод для электрической плиты
| Модель | фото |
|---|---|
| Провод для эл. плиты КГ 3х2,5 с РШ/ВШ (175 см. черный) | ![]() |
Тэны для жарочного шкафа
| Модель | фото |
|---|---|
|
ТЭН верхний 0.8 кВт |
![]() |
|
ТЭН нижний 1.2 кВт |
![]() |
| Расположение | Изделие | Фото |
|---|---|---|
| Жарочный шкаф | Лампа подсветки | ![]() |
| Жарочный шкаф | Лампа подсветки с плафоном | ![]() |
Лауреат национального конкурса “Российская марка”.
Серебряный знак качества “Российская марка.»
Диплом финалиста Всероссийской программы конкурса “100 лучших товаров России”
Серебряный знак “Всероссийская марка (Ш тысячелетие). Знак качества XXI века”
МОСКОВСКАЯ ТОРГОВО- ПРОМЫШЛЕННАЯ ПАЛАТА “МОСЭКСПЕРТИЗА” Система добровольной сертификации МНЦЭС “Мосэкспертиза” СЕРТИФИКАТ № МЭКС.МК.-12-010/2000-201. Настоящий сертификат удостоверяет, что продукция, идентифицируемая как электроплиты бытовые стационарные “Нововятка” соответствуют по качеству требованиям ВЫСШЕГО УРОВНЯ, УСТАНОВЛЕННЫМ ПРОГРАММОЙ № МЭКС. МК, МД. -014-2000/12-010/2000
| 1. | Общие указания | 6 |
| 2. | Технические данные | 6 |
| 3. | Комплектность | 9 |
| 4. | Требования безопасности | 9 |
| 5. | Устройство электроплиты | 10 |
| 6. | Подготовка к работе | 13 |
| 7. | Порядок работы | 14 |
| 8. | Техническое обслуживание | 18 |
| 9. | Правила хранения | 18 |
| 10. | Возможные неисправности и методы их устранения | 18 |
| 11. | Свидетельство о приемке | 19 |
| 12. | Гарантийные обязательства | 19 |
| 13. | Талон на установку | 20 |
| 14. | Отметка о продаже | 20 |
| 15. | Гарантийный талон № 1 | 21 |
| 16. | Г арантийный талон №2 | 23 |
| 17. | Ведомость цветных металлов, содержащихся в изделии электроплита | 25 |
| 18. | Приложение 1 Работа с таймером механическим | 26 |
| 19. | Приложение 2 Работа с таймером электромеханичским | |
| 20. | Адреса организаций, производящих гарантийный ремонт электроплит | 28 |
1.1. Вы приобрели электроплиту бытовую стационарную (далее-электроплита), предназначенную для приготовления пищи в домашних условиях: варки, жарения, тушения мясных, рыбных и овощных блюд, выпечки мучных изделий, сушки грибов, овощей, фруктов.
1.2. Используя высокотемпературный ТЭН (гриль) (далее- гриль) и моторедуктор с вертелом, можно приготовить шашлыки, курицу на вертеле и т.п.
1.3. При установке электроплиты требуйте от монтажных организаций заполнения гарантийных талонов, проверки в Вашем присутствии исправности, работоспособности и комплектности электроплиты.
1.4. Перед началом эксплуатации внимательно ознакомьтесь с настоящим руководством и следуйте его рекомендациям.
1.5. Электроплита имеет сертификат № РОСС RU.AH31.BO9240, выданный органом по сертификации продукции и услуг Кировским ЦСМ с 01.01.2001 г. по 31.12.2003 г., и соответствует требованиям безопасности следующих нормативных документов: ГОСТ Р МЭК 60335-2-6-2000, ГОСТ Р 51318.14.1 -99.
1.6. При покупке электроплиты необходимо убедиться в наличии даты продажи, подписи продавца и штампа магазина в отметке о продаже и во всех гарантийных талонах.
БЕЗ ЗАЗЕМЛЕНИЯ ЭЛЕКТРОПЛИТУ НЕ ВКЛЮЧАЙТЕ!
2. ТЕХНИЧЕСКИЕ ДАННЫЕ
2.1. Номинальное напряжение, В 220
2.2. Род тока переменный
2.3. Обозначение модели, модификации и комплектация электроплит приведены в таблице 1.
2.4. Установленная и единовременно потребляемая мощность электроплит приведены в таблице 2.
2.5. Мощность электроконфорок приведена в 2,0 таблице 32.6 Номинальная потребляемая мощность электронагревателей жарочного шкафа,
2.7. Регулирование температуры рабочего пространства жарочного шкафа в пределах 50…300°С бесступенчатое
Таблица 1
| Наименование модели электроплиты | Модификация электроплиты | Комплектация |
| Классик | 21 | Базовая комплектация 4 чугунные конфорки (1-шт.145, 2шт. — 180, 1- шт. 220) |
| 22 | Базовая комплектация 4 чугунные конфорки (1шт. 145, 1шт. 180, 1шт. 180 — экспресс, 1шт. 220) | |
| 30 | Базовая комплектация 4 чугунные конфорки (1шт. 145- экспресс, 1шт. 180, 1шт. 180- экспресс, 1шт. 220) | |
| 32 | Базовая комплектация 2 чугунные конфорки (1шт. 145, 1шт. 220), 2 ТЭН-конфорки 180) | |
| 83 | Базовая комплектация 4 чугунные конфорки (1шт. 145- экспресс, 2шт. 180, 1шт. 220) | |
| 250 | Базовая комплектация 4 чугунные конфорки (1шт. 145- экспресс, 1шт. 180, 1шт.180- экспресс, 1шт. 220), таймер механический | |
| 251 | Базовая комплектация 4 чугунные конфорки (1шт. 145,2шт. 180, 1шт. 220), таймер механический, Базовая комплектация: дверка с панорамным стеклом, гриль, моторедуктор |
Таблица 2
| Наименование модели и модификации электроплиты | Установленная мощность, кВт, не более | Единовременно потребляемая мощность, кВт, не более |
| Классик 021 | 9,5 | 6 |
| Классик 022 | 10 | 6,5 |
| Классик 030 | 10,5 | 7 |
| Классик 032 | 8,5 | 5 |
| Классик 083 | 10 | 6,5 |
| Классик 250 | 10,5 | 7 |
| Классик 251 | 9,5 | 6 |
Таблица 3
| Модификация электроплиты | Тип электроконфорки | Возможное расположение на рабочем столе | Мощность при положении ручки переключателя. Вт | ||||||
| 0 | 1 | 2 | 3 | 4 | 5 | 6 | |||
| 021, 022, 032. 251 | ЭКЧ-145-1,0/220 | ближняя правая | 0 | 103 | 225 | 325 | 450 | 675 | 1000 |
| 021,083, 251 | ЭКЧ-180-1,5/220 | Ближняя левая; дальняя левая | 0 | 157 | 350 | 550 | 600 | 950 | 1500 |
| 021,022, 030, 032, 083, 250, 251 | ЭКЧ-220-2,0/220 | Дальняя правая | 0 | 217 | 550 | 650 | 800 | 1350 | 2000 |
| 030, 083, 250 | ЭКЧЭ-145-1,5/220 | Ближняя правая | 0 | 125 | 250 | 350 | 900 | 1150 | 1500 |
| 022, 030, 250 | ЭКЧЭ-18 0-2,0/220 | Ближняя левая | 0 | 185 | 350 | 650 | 1000 | 1350 | 2000 |
| 022, 030, 250 | ЭКЧ-180-1,5/220 | Дальняя левая | 0 | 157 | 350 | 550 | 600 | 950 | 1500 |
| 32 | ТЭН-конфорка | Ближняя левая, дальняя левая | 1000 |
| 2.8 Мощность гриля, кВт, не регулируется | 1,5 |
| 2.9 Внутренние размеры жарочного шкафа, мм, не более | |
| ширина | 445 |
| глубина | 460 |
| высота | 335 |
| 2.10 Класс защиты от поражения электрическим током | 1 |
| 2.11 Исполнение по степени защиты | ГР10 |
| 2.12 Габаритные размеры электроплиты, мм, не более | |
| ширина | 600 |
| глубина | 600 |
| высота | 850 |
| 2.13 Масса, кг, не более | 60 |
| 2.14 Сведения о суммарном весе драгоценных металлов, г, серебра | |
| Классик 02 Г, Классик 022, Классик 030, Классик 084, | |
| Классик 250, Классик 251 | 2,48 |
3. КОМПЛЕКТНОСТЬ
| 3.1В комплект поставки входит: — электроплита | 1 шт. | |
| — щиток (при поставке плиты без крышки) | 1 шт. | |
| — винт М4х12 | только при | 2 шт. |
| — шайба диаметром 4 мм . | наличии | 2 шт. |
| — гайка М4 | щитка | 2 шт. |
| — экран защиты ручек переключателей | 1 шт. | |
| — противень эмалированный | 2 шт. | |
| — решетка | 1 шт. | |
| — суппорт вертела | 1 шт. | |
| — вертел | 1 шт. | |
| — ручка вертела | 1 шт. | |
| — вилка вертела | 2 шт. | |
| -винтМ4х10 | 2 шт. | |
| — винт регулировочный | 2 шт. | |
| — розетка | 1 шт. | |
| — ролик для передвижения электроплиты | 1 комплект | |
| — винт самонарезной 4×13 | 4 шт. | |
| — руководство по эксплуатации | 1 шт. | |
| — упаковка | 1 комплект |
4. ТРЕБОВАНИЯ БЕЗОПАСНОСТИ
4.1. Электроплита относится к типу “X” и предназначена для установки на полу. Электроплиту не следует устанавливать на подставку.
4.2. Перед включением электроплиты в сеть убедитесь в исправности кабеля, вилки и розетки. Замену кабеля, в ..том числе и поврежденного на аналогичный, производят только специалисты ремонтных организаций, адреса которых указаны в приложении.
4.3. Все работы по устранению неисправностей и ремонту электроплиты должны выполняться организациями, имеющими право на ремонт бытовых электроприборов и ТОЛЬКО ПОСЛЕ ОТКЛЮЧЕНИЯ ЭЛЕКТРОПЛИТЫ ОТ СЕТИ.
4.4. Извлекать вилку из розетки разрешается только после выключения всех нагревательных элементов электроплиты.
4.5. Не доверяйте детям включение и отключение нагревательных элементов электроплиты.
4.6. Не допускайте резкой смены температуры горячих электроконфорок и ТЭН.
4.7. Не допускайте попадания влаги внутрь электроплиты.
4.8. При пользовании электроплитой она сильно нагревается. Опасайтесь прикосновения к электроконфоркам и нагревательным элементам внутри жарочного шкафа.
4.9. При пользовании грилем доступные части могут сильно нагреваться. Не допускайте детей близко к электроплите.
4.10. ЗАПРЕЩАЕТСЯ:
4.10.1. Оставлять без надзора электроплиту с включенными нагревательными элементами.
4.10.2. Держать вблизи включенной электроплиты легковоспламеняющиеся вещества.
4.10.3. Владельцам электроплиты поднимать рабочий стол, снимать заднюю стенку, производить какой- либо ремонт электроплиты.
4.10.4. Ставить электроплиту вплотную к стене.
4.10.5. Во избежание пожара использовать электроплиту для обогрева помещения.
4.10.6. Ставить па электроконфорки посуду с вогнутым или выпуклым дном, образующим воздушный зазор с поверхностью электроконфорки.
4.10.7. Ставить на электро конфорки посуду массой, превышающей 20 кг.
4.10.8. Проверять нагрев электроконфорок прикосновением руки.
5. УСТРОЙСТВО ЭЛЕКТРОПЛИТЫ
5.1. Общий вид электроплиты с указанием основных частей, органов управления и сигнализации показан на рисунке 1.
5.2. Электроплита может быть оснащена крышкой рабочего стола вместо щитка.
5.3. Регулирование мощности электроконфорок осуществляют при помощи переключателей мощности (далее- переключателей), ручки которых расположены на панели управления электроплиты (рисунок 2).
5.4. В средней части электроплиты расположен жарочный шкаф (рисунок 3). Нагрев рабочего пространства жарочного шкафа осуществляют двумя трубчатыми электронагревателями, один из которых, мощностью 0,8 кВт, расположен в верхней части шкафа, второй, мощностью 1,2 кВт, под днищем шкафа.
5.5. В верхней части жарочного шкафа расположен гриль мощностью 1,5 кВт.
5.6. Внутри шкафа на задней стенке смонтированы датчик терморегулятора жарочного шкафа и лампа освещения рабочего пространства жарочного шкафа (рисунок 3).
![]() |
1- рабочий стол 2- электроконфорки 3- панель управления 4- дверка жарочного шкафа 5- вспомогательный шкафчик 6- регулировочные винты 7- щиток или крышка электроплиты Рисунок 1 Общий вид электроплиты |
1 — сигнальная лампа достижения заданной температуры рабочего пространства жарочного шкафа; 2- сигнальная лампа включения электронагревателей жарочного шкафа или гриля; 3- сигнальная лампа включения электроконфорок; 4- ручка терморегулятора жарочного шкафа;
5- ручки переключения мощности электроконфорок; 6- ручка переключателя моторедуктор- лампа освещения жарочного шкафа; 7- условное обозначение «включен моторедуктор»; 8- условное обозначение «включена лампа освещения жарочного шкафа»; 9-условное обозначение «Гриль».
Рисунок 2. Панель управления электроплиты
![]() |
1 — лампа освещения рабочего пространства жарочного шкафа; 2- датчик терморегулятора; 3- гриль; 6- направляющие пазы; 7- паз для суппорта вертела. Рисунок 3 Жарочный шкаф |
|
1 — экран защиты ручек переключателей; 2- ручка вертела; 3- ротивень; 4- моторедуктор Рисунок 4 Приготовление продукта на вертеле в жарочном шкафу |
![]() |
5.7. С наружной стороны задней стенки жарочного шкафа на суппорте смонтирован моторедуктор (рисунок 4), предназначенный для вращения вертела с частотой 2 об/мин, воронка которого выходит в жарочный шкаф.
5.8. Жарочный шкаф имеет четыре пары направляющих пазов, предназначенных для установки на желаемом уровне противней или решетки, и два вертикальных паза для установки суппорта вертела (рисунок 3).
5.9. Дверка жарочного шкафа застеклена термостойким стеклом, что позволяет визуально контролировать готовность приготовления пищи.
5.10. Крепление дверки жарочного шкафа к корпусу электроплиты выполнено с помощью специальных петель, которые позволяют фиксировать ее в трех положениях: закрыто, открыто, промежуточное.
5.11. При необходимости дверку следует снимать следующим образом:
— полностью открыть дверку;
— накинуть замок нижнего рычага петли на крючок верхнего рычага;
— закрывая и поднимая дверку, снять ее с электроплиты.
Установка дверки на электроплиту производится в обратном порядке.
5.12. В нижней части электроплиты расположен вспомогательный шкафчик (рисунок 1).
5.13. Для установки электроплиты в горизонтальное положение (при необходимости) предназначены два регулировочных винта, установку которых производят изнутри корпуса в наклонном положении электроплиты при вынутом вспомогательном шкафчике (рисунок 1).
5.14. Электроплита оснащена передвижным устройством для облегчения перемещения.
5.15. В связи с постоянным совершенствованием, в конструкции электроплиты могут иметь место схемные и конструктивные изменения, не ухудшающие качество изделия.
6. ПОДГОТОВКА К РАБОТЕ
6.1. Установить щиток, при его наличии, при помощи двух винтов N44x12, двух гаек и четырех шайб.
6.2. Закрепить с помощью четырех самонарезных винтов ролики. Отверстия для крепления расположены в нижней части задней стенки. Установить электроплиту горизонтально, при необходимости, с помощью регулировочных винтов, устанавливаемых в основании рамы (рисунок 1).
6.3. Проверка монтажной схемы электроплиты, всех контактных соединений, подключение, опробование в рабочем положении, прогрев электроконфорок, инструктаж потребителя производят специалисты ремонтных или монтажных организаций. Прогрев электроконфорок осуществляют подключением не более двух электроконфорок одновременно на минимальном режиме переключателя мощности в течение одного часа.
6.4. Электроплита может быть оснащена механическим таймером ТМ, электромеханическим таймером ТЭМ, программатором Г1Р. Принцип работы таймеров и программатора см. в приложении 1, 2, 3 к данному руководству по эксплуатации.
7. ПОРЯДОК РАБОТЫ
7.1. Для включения электроконфорки необходимо установить ручку переключателя в положение, соответствующее требуемой мощности.
7.2. Вращение ручек переключателей чугунных электроконфорок круговое, но для увеличения срока службы переключателей включение и выключение электроконфорок следует производить вращением ручек ПРОТИВ ЧАСОВОЙ СТРЕЛКИ.
7.3. Ручки бесступенчатых регуляторов мощности ТЭН- конфорок НЕ ИМЕЮТ КРУГОВОГО ВРАЩЕНИЯ, включение электроконфорок производят ПО ЧАСОВОЙ СТРЕЛКЕ, выключение- ПРОТИВ ЧАСОВОЙ СТРЕЖИ.
7.4. При включении электроконфорки загорается сигнальная лампа.
7.5. Включение ТЭН жарочного шкафа производят ручкой терморегулятора, расположенного с левой стороны панели управления. Этой же ручкой производят включение гриля, вращением ее ПО ЧАСОВОЙ СТРЕЛКЕ до отметки «гриль» (рисунок 2).
7.6. Одновременное включение ТЭН жарочного шкафа и гриля невозможно.
7.7. Ручка терморегулятора ТЭН жарочного шкафа НЕ ИМЕЕТ КРУГОВОГО ВРАЩЕНИЯ, включение ТЭН производите по ЧАСОВОЙ СТРЕЖЕ, выключение- ПРОТИВ ЧАСОВОЙ СТРЕЖИ.
7.8. При включении ТЭН жарочного шкафа загораются две сигнальные лампы. При достижении заданной температуры рабочего пространства жарочного шкафа ТЭН автоматически отключаются и крайняя левая лампа гаснет. При снижении температуры ТЭН включаются и цикл повторяется.
7.9. При включении гриля загорается только вторая слева лампа.
— в положении “0” переключателя ТЭН жарочного шкафа отключены от сети, возможно включение электроконфорки диаметром 220 мм;
— в других положениях ручки переключателя к сети подключены ТЭН жарочного шкафа, электроконфорка диаметром 220 мм от сети отключена;
— остальные электроконфорки работают независимо от блокировки.
7.11. Включение моторедуктора или лампы освещения рабочего пространства жарочного шкафа производят ручкой переключателя, имеющим 3 положения: нейтральное (“0”), включен моторедуктор, включена лампа (рисунок 2- поз.6).
7.12. Для снижения расхода электроэнергии, ускорения процесса приготовления пищи и увеличения срока службы электроконфорок следует пользоваться кухонной посудой, имеющей ровное и плоское дно диаметром равным или несколько большим диаметра электроконфорки (рисунок 5).
1,2,3- неправильно; 4- правильно Рисунок 5
Схема тепловых потерь при неправильном выборе посуды
7.13. Приготовление пищи рекомендуем начинать при максимальной мощности электронагревателей. После закипания или несколько раньше необходимо переключить электронагреватели на минимальную или среднюю мощность в зависимости от объема посуды.
7.14. Выпечку мучных изделий, тушение продуктов производят в жарочном шкафу. Жарение мяса можно производить как на противне, так и на решетке или на вертеле.
7.15. Приготовление продукта на вертеле производят с применением суппорта, двух вилок для закрепления продукта, при работающем моторедукгоре и включенном гриле, при этом дверка жарочного шкафа должна быть приоткрыта и установлен экран защиты ручек переключателей (рисунок 4).
7.16. При приготовлении на вертеле или на решетке продукт следует располагать в зоне максимальной мощности инфракрасных лучей гриля. Порционные куски мясных и рыбных блюд должны иметь по возможности ровную толщину во избежание неравномерного прожаривания.
7.17. При жарении на вертеле, как и на решетке, необходим противень для сбора подлива и жиров (рисунок 4).
7.18. Перед использованием жарочного шкафа его необходимо разогреть в течение 10… 15 минут на отметке 200,,после чего можно производить выпечку.
7.19. При выпечке не следует часто открывать дверку жарочного шкафа, чтобы не охлаждать его. Если в процессе выпечки передняя или задняя части изделия зарумяниваются сильнее, то через некоторое время противень можно развернуть на 180 градусов.
7.20. По окончании приготовления пищи необходимо выключить все нагревательные элементы электроплиты.
7.21. При правильной эксплуатации срок службы электроплиты увеличивается.
7.22. Для приготовления отдельных видов изделий рекомендуем режимы, указанные в таблице 4. Данные, приведенные в таблице 4, являются ориентировочными. Собственные опыт и вкус позволят Вам внести необходимые коррективы.
7.23. Рекомендации по приготовлению пищи в жарочном шкафу на решетке при пользовании грилем приведены в таблице 5.
Таблица 4
| Наименование изделия | Рекомендуемая температура, °С | Время выпечки |
| Мясные блюда Жаркое говядины | 150 | 3-3,5 часа |
| Жаркое телятины | 150 | 2-2,5 часа |
| Жаркое баранины | 150 | 1-1,5 часа |
| Жаркое свинины | 175 | 1 час |
| Котлеты | 190 | 1,5-2 часа |
| Бефстроганов | 190 | 1,5-2 часа |
| KvvuHue и рыбные блюда | ||
| Курица | 175 | 1-1,5 часа |
| Гусь и индейка (4-5 кг) | 160 | 4-4,5 часа |
| Утка | 175 | 1-1,5 часа |
| Рыба | 200 | 30-40 минут |
| Кондитерские изделия | ||
| Торт простого приготовления | 160 | 45 минут |
| Шоколадный торт | 175 | 35 минут |
| Фруктовый торт | 125 | 60 минут |
| Слоеный торт | 200 | 20 минут |
| Мелкие пироги | 190 | 30 минут |
| Песочное тесто | 200 | 20 минут |
| Бисквит | 150 | 20 минут |
Таблица 5
| Мясные блюда | Положение решетки в жарочном шкафу | Ориентировочное время до готовности, мин. |
| Отбивная толщиной 1 см | 1-я направляющая сверху | 15 |
| Отбивная толщиной 1 см | 2-я направляющая сверху | 25 |
| Сосиска | 2-я направляющая сверху | 15 |
8. ТЕХНИЧЕСКОЕ ОБСЛУЖИВАНИЕ
8.1. Наружные эмалированные поверхности электроплиты следует мыть мыльной водой и протирать мягкой тканью.
8.2. Пятна от пищи необходимо удалять до высыхания.
8.3. Все элементы жарочного шкафа, его дно и стенки, а также рабочие поверхности электроконфорок необходимо периодически промывать слабым содовым раствором или мыльной водой и протирать сухой тканью.
8.4. Для чистки расположенной под нагревательным элементом чаши ТЭН-конфорки, трубчатый электронагреватель следует повернуть относительно ввода в чашу на 90°. Крестовину из чаши удалить. Чистку чаши производить с применением хозяйственных паст.
8.5. В случае возникновения неисправности обращайтесь к организациям, имеющим право на ремонт электробытовых нагревательных приборов.
8.6. Срок службы электроплиты 5 лет. После его окончания решение о необходимости капитального ремонта и дальнейшей эксплуатации принимают службы и организации, производящие ремонт и техническое обслуживание электроприборов по месту жительства владельца.
При невыполнении данных рекомендаций безопасность работы электроплиты не гарантируем.
9. ПРАВИЛА ХРАНЕНИЯ И ТРАНСПОРТИРОВАНИЯ
9.1. Электроплиты должны храниться в отапливаемых и вентилируемых помещениях при температуре воздуха от плюс 1° до плюс 40°С, относительной влажности не более 80%, при отсутствии в воздухе кислотных и других паров, вредно действующих на материалы электроплиты.
9.2. Перевозка электроплиты автомобильным транспортом в один ряд со скоростью согласно ГОСТ 23216-78.
10. ВОЗМОЖНЫЕ НЕИСПРАВНОСТИ И МЕТОДЫ ИХ УСТРАНЕНИЯ
Все неисправности, вызывающие отказы, устраняют только специалисты ремонтных организаций.
11. СВИДЕТЕЛЬСТВО О ПРИЕМКЕ
Стационарная бытовая электроплита соответствует техническим условиям ТУ 3-90 ШМАИ.681913.001 ТУ
Классик 021 Классик 022 Классик 030 Классик 032 Классик 084 Классик 250 Классик 251
Все неисправности, вызывающие отказы, устраняют только специалисты ремонтных организаций.
12. ГАРАНТИЙНЫЕ обязательства
12.1. Завод- изготовитель гарантирует нормальную работу электроплиты в течение одного года со дня продажи магазином (со дня установки) с обязательной отметкой даты установки электроплиты в талоне на установку и в гарантийных талонах, при условии соблюдения потребителем правил хранения, эксплуатации и проведения технического обслуживания ремонтными службами за счет средств жилищно-коммунальных служб.
Гарантийный срок хранения электроплиты 3 года со дня выпуска заводом- изготовителем.
12.2. Подключение электроплиты должно осуществляться в строгом соответствии с правилами ПЭУ.
Организации, занимающиеся установкой электроплит, должны сдавать их в эксплуатацию проверенными и в исправном состоянии, о чем должна быть сделана отметка в талоне на установку и в гарантийных талонах.
12.3. В случае отсутствия отметки о дате установки электроплиты в гарантийном талоне, гарантийный срок эксплуатации исчисляется со дня выпуска заводом- изготовителем.
12.4. В домах нового строительства, при отсутствии отметки об установке электроплиты в талоне на установку и в гарантийных талонах, гарантийный срок исчисляется со дня подписания государственной комиссией акта о приемке дома или со дня выпуска заводом- изготовителем.
12.5. Гарантийный и послегарантийный ремонт электроплиты должен производиться соответствующими ремонтными организациями. При обнаружении производственных дефектов в период гарантийного срока эксплуатации электроплиты и отсутствия ремонтно- эксплуатационных служб по месту жительства, следу ет обращаться непосредственно на завод- изготовитель.
12.6. Завод- изготовитель не несет ответственности в случаях:
— небрежного транспортирования и хранения;
— несоблюдения потребителем правил эксплуатации;
— разборки электроплиты потребителем или лицом, не имеющим права на ремонт электроплит.
При использовании плит в кафе, ресторанах, столовых и общежитиях коридорного типа на них не распространяется гарантийный срок эксплуатации.
12.7. Для приобретения запасных частей к электроплитам следует обращаться в ремонтные организации, указанные в данном руководстве по эксплуатации, или на завод- изготовитель.
12.8. Претензии от потребителей принимают торгующие организации и службы, производящие гарантийный ремонт электроприборов.
12.9. Завод- изготовитель гарантирует Покупателю все права, предусмотренные Законом “О защите прав потребителей”.
Ведомость цветных металлов, содержащихся в изделии “Электроплит»
| Наименование деталей | Наименование металла, сплава | Количество (масса) цветных металлов, содержащихся в изделии | Норматив цветных металлов, подлежащих сдаче в металлом при капитальном текущем ремонте изделия, кг | Норматив цветных металлов, подлежащих сдаче в металлолом при полном износе изделия и его списании, кг | |||||||||||||||
| Крыша Электроконфорки | Алюминий АМг2М | Классификация по группам (ГОСТ 1639) | |||||||||||||||||
| 1 | 2 | 3 | 4 | 5 | 11 | 1 | 2 | 3 | 4 | 5 | 11 | 1 | 2 | 3 | 4 | 5 | 11 | ||
| 0,06 | 0,009 | 0,057 | |||||||||||||||||
| Профили | Сплав Алюминевый АДЗ | 0.74 | |||||||||||||||||
| Теплоизоляция | Фольга А5 | 0,18 | |||||||||||||||||
| Кожух, воронка моторедуктора винт | Сплав алюминевый АК7 | 0,09 | 0,09 | ||||||||||||||||
| Гайки | Латунь ЛС59-1, ЛС63 | 0,06 | 0,025 | 0,06 | |||||||||||||||
| Контакты, вилки, ножи, розетки | Латунь Л63 | 0,214 | |||||||||||||||||
| Провода, кабель | Медь M1 | 0,935 | 0,1 | 0.9 | |||||||||||||||
| Пружины | Бронза Бр.БНТ 1.9 | 0,011 | |||||||||||||||||
| Провод заземления | Латунь ЛС6З-З | 0,062 | 0,026 | 0,062 | |||||||||||||||
| Трубка, сосуд, наконечник | Медь Л96 | 0,038 | 0,004 | 0,032 |
Приложение 1
Работа с таймером механическим.
Уважаемый покупатель!
Ваша плита оснащена механическим таймером ТМ, который позволяет производить контроль времени подачей звукового сигнала (звонка).
Для установки необходимой выдержки времени произвести завод таймера вращением ручки по часовой стрелке до упора, затем вращением против часовой стрелки установить по шкале необходимое время. Начинается отсчет времени, по окончании подается звуковой сигнал (звонок).
Приложение 2
Работа с таймером электромеханическим.
Уважаемый покупатель!
Ваша плита оснащена электромеханическим таймером ТЭМ, который позволяет производить отключение жарочного шкафа или правой дальней электроконфорки с подачей звукового сигнала по истечении установленной выдержки времени.
Таймер работает в двух режимах:
— с автоматическим отключением и подачей звукового сигнала (звонка), через промежуток времени, устанавливаемый в диапазоне от 5 до 60 мин.;
— с ручным отключением.
Перед набором программы установить на электроконфорку или в жарочный шкаф посуду с приготовляемым блюдом.
Для работы с таймером в автоматическом режиме следует произвести следующие операции:
— ручкой блокирующего переключателя (см. п. 7.10 данного руководства) включить электрическую цепь необходимого для работы нагревательного элемента (электроконфорки или электронагревателей жарочного шкафа);
— ручкой переключателя, выбранного для работы нагревательного элемента установить требуемую мощность (см. раздел 7 “Порядок работы”);
— повернуть ручку таймера (заводной вал) по часовой стрелке, установив нужную выдержку времени в пределах от 10 до 60 минут по шкале на панели управления.
Установку выдержек времени менее 10 минут следует производить в два приема: сначала необходимо повернуть ручку таймера по часовой стрелке на время 30-40 минут, затем повернуть ее против часовой стрелки до требуемого значения времени. Выставляя интервал времени ручкой таймера, не забудьте учесть время разогрева нагревательного элемента от холодного состояния. После истечения установленной выдержки времени ручка таймера вернется в нулевое положение, контакты таймера разомкнутся, выключив нагревательный элемент, автоматически включится звонок, извещая об окончании тепловой обработки. Для работы с таймером в ручном режиме его рукоятку следует повернуть против часовой стрелки до упора. Контакты таймера при этом будут замкнуты, что позволяет производить тепловую обработку продуктов на дальней правой электроконфорке и в жарочном шкафу с выдержкой времени по своему усмотрению. Вы можете использовать таймер только в качестве звукового сигнала в двух случаях:
— все нагревательные элементы в электроплите выключены;
— при тепловой обработ ке продуктов на левой ближней, левой дальней и правой ближней конфорках при условии, что дальняя правая электроконфорка и электронагреватели жарочного шкафа выключены.
АДРЕСА организаций, производящих гарантийный ремонт электроплит
1. 184200, г. Апатиты Мурманской обл., ул. Бредова, 15”А”. 4-09-52
Предприятие “Электротеплосеть” * 4-19-10
2. 136061, г. Архангельск, ул. Попова, 17 43-54-89
ЖКХ “Архангельскжилкомхоз”
3. 480008, г. Алматы, Казахстан, ул. Шевченко, 129-73 Предприятие «Шанс» 63-12-07 68-68-23 63-97-73
4. 690069, г. Владивосток, ул. Давыдова, 5 6-29-78 Объединение “Приморкоммунэнерго”
5. 620026, г, Екатеринбург, ул. Декабристов, 16/18 31-32-10 «И»-30б, АОЗТ «МАРТ» _ 23-02-17
6. 424006, республика Марий Эл г. Йошкар-Ола, 5-22-12 ул. Строителей, д. 111 Предприятие “Горсвет”
7. 424000, республика Марий Эл г. Йошкар-Ола, пр. Гагарина, 7 12-02-90 Муниципальное предприятие жилищного хозяйства
8. 252156, г. Киев, ул. Курчатова, 22 518-96-16 Специальное РНУ №7 519-65-22
9. 252094, г. Киев, ул. Лебедева, 14 552-00-92 Республиканское управление по наладке и монтажу инже нерного оборудования — 552-10-51 “Укржилинжналадка”. 552-50-40 МЖКХ тел. обслуживает следующие области; — Винницкую; Волынскую, Житомирскую; Закарпатскую; Кировоградскую; Крымскую; Львовскую; Одесскую; Ровенскую, Тернопольскую; Хмельницкую; Черкасскую; Черниговскую; Черновицкую, Киевскую, Ивано-Франковскую
10. 610037, г. Киров, ул. Егоровская, д.З 25-18-66 ООО “ЭЛИС”
11. 195009, г. Санкт-Петербург, ул. Бобруйская, 5 542-95-00 Специализированное РНУ №1
12. 197101, г. Санкт-Петербург, ул. Большая Монетная, 27 233-99-29 Специализированное РНУ №2 238-11-35 232-07-62
13. 195248, г. Санкт-Петербург, Ириновский пр., д.2 ОАО ПО «Сокол»
14. 196158 г. Санкт- Петербург, Московское шоссе, д.14 корп. 1;448-24-64 А/Я -308 ООО «Вятка- Сервис» 442-88-03 327-67-98
15. 220033, г. Минск, 1-й велосипедный пер., Арендное предприятие “Минсклифт-3” 5 221-64-25
16. 220116, г. Минск, Предприятие «Спецремэлектро» А/Я-383 234-40-72 272-01-82
17. 220124, г. Минск, ул. Уральская, 3 ООО «ТСТ-Плюс»
18. 103498, г. Москва, Зеленоград Центральный проспект, корп. 439 кв.2 Г.П. “Электроремонт”
19. 107589, г. Москва, ул. Красноярская, д. 11”А” Спец. Управление “Электрожилремонт”
20. 115230, г, Москва, Каширское шоссе, 9, корп. 1 Г П “Спецремэлектро”
21. 109144, г. Москва, ул. Маршала Голованова, д. 13 кв. 274 Фирма “Эрудит”
22. 109193, г. Москва, ул. Сайкина, д.1/2- помещение 3, строение 1.ООО «ЭЛКОР»
23. 121151, г. Москва, ул. Раевского д. 4 Техничекий центр по ремонту бытовой и торговой техники «Полюс»
24. 183000, г. Мурманск, ул. Шмидта, 16 ГОУЭП «Мурманская горэлектросеть»
25. 626440, г. Нижневартовск Ханты-Мансийский АО, ул. Индустриальная, 42 ОАО РНУ ЖКХ
26. 603001, г. Нижний Новгород, ул. Кожевенная, 14 ПП «Нижегородоблкоммунэнерго»
27. 603158, г. Нижний Новгород, ул. Зайцева, 8 ТТЦ “Вятка-Электра”
28. 630007, г. Новосибирск, ул. Гоголя, 190 ТТЦ «Вятка-Электра» А/Я-458
29. 630007, г. Новосибирск, ул. Фабричная, 16 ОАО «Рембыттехника»
30. 660000, Россия г. Красноярск, Главпочтамт А’Я-217 ООО «Сибирь-Сервис»
31. 644033, г. Омск, ул. Красный путь, 143 ТТЦ «Мирт»
32. 626400, Тюменская обл. г. Сургут, ул. Мира, 14-58 ЗАО ТТЦ “Сибтехсервис”
33. 445037, г. Тольятти, Самарская обл., Новый проезд,8 каб.327 ООО Сервисный центр «ЭЛРО»
34. 256400, Украина, г. Белая Церковь, ул. Клиническая, д. 6 ООО «Атлант плюс ЛТД»
35. 670031, г. Улан-Удз, ул, Широких Полянских, 7 ТОО «Сото»
37. 310136, г. Харьков, ул. Гвардейцев Широнинцев, 50 Управление “Харьковжилищналадка”
Задняя правая
Конфорка для электроплиты 220 мм, 2 кВт, 220 В
Передняя левая
Конфорка для электроплиты 180 мм, 1.5 кВт, 220 В
Передняя правая
Конфорка для электроплиты 145 мм, 1 кВт, 220 В
Аналоги переключателей для конфорки и жарочного шкафа
| Расположение | Модель | фото |
|---|---|---|
| Для конфорки | Переключатель ПМЭ-27-2375 П, вал 23 мм (ПМ-7 856) | ![]() |
| Для жарочного шкафа | Переключатель ПМЭ-27-2353 П, 5 позиций, вал 23 мм (ПМ-5 880) | ![]() |
Провод для электрической плиты
| Модель | фото |
|---|---|
| Провод для эл. плиты КГ 3х2,5 с РШ/ВШ (175 см. черный) | ![]() |
Тэны для жарочного шкафа
| Модель | фото |
|---|---|
|
ТЭН верхний 0.8 кВт |
![]() |
|
ТЭН нижний 1.2 кВт |
![]() |
| Расположение | Изделие | Фото |
|---|---|---|
| Жарочный шкаф | Лампа подсветки | ![]() |
| Жарочный шкаф | Лампа подсветки с плафоном | ![]() |
Лауреат национального конкурса “Российская марка”.
Серебряный знак качества “Российская марка.»
Диплом финалиста Всероссийской программы конкурса “100 лучших товаров России”
Серебряный знак “Всероссийская марка (Ш тысячелетие). Знак качества XXI века”
МОСКОВСКАЯ ТОРГОВО- ПРОМЫШЛЕННАЯ ПАЛАТА “МОСЭКСПЕРТИЗА” Система добровольной сертификации МНЦЭС “Мосэкспертиза” СЕРТИФИКАТ № МЭКС.МК.-12-010/2000-201. Настоящий сертификат удостоверяет, что продукция, идентифицируемая как электроплиты бытовые стационарные “Нововятка” соответствуют по качеству требованиям ВЫСШЕГО УРОВНЯ, УСТАНОВЛЕННЫМ ПРОГРАММОЙ № МЭКС. МК, МД. -014-2000/12-010/2000
| 1. | Общие указания | 6 |
| 2. | Технические данные | 6 |
| 3. | Комплектность | 9 |
| 4. | Требования безопасности | 9 |
| 5. | Устройство электроплиты | 10 |
| 6. | Подготовка к работе | 13 |
| 7. | Порядок работы | 14 |
| 8. | Техническое обслуживание | 18 |
| 9. | Правила хранения | 18 |
| 10. | Возможные неисправности и методы их устранения | 18 |
| 11. | Свидетельство о приемке | 19 |
| 12. | Гарантийные обязательства | 19 |
| 13. | Талон на установку | 20 |
| 14. | Отметка о продаже | 20 |
| 15. | Гарантийный талон № 1 | 21 |
| 16. | Г арантийный талон №2 | 23 |
| 17. | Ведомость цветных металлов, содержащихся в изделии электроплита | 25 |
| 18. | Приложение 1 Работа с таймером механическим | 26 |
| 19. | Приложение 2 Работа с таймером электромеханичским | |
| 20. | Адреса организаций, производящих гарантийный ремонт электроплит | 28 |
1.1. Вы приобрели электроплиту бытовую стационарную (далее-электроплита), предназначенную для приготовления пищи в домашних условиях: варки, жарения, тушения мясных, рыбных и овощных блюд, выпечки мучных изделий, сушки грибов, овощей, фруктов.
1.2. Используя высокотемпературный ТЭН (гриль) (далее- гриль) и моторедуктор с вертелом, можно приготовить шашлыки, курицу на вертеле и т.п.
1.3. При установке электроплиты требуйте от монтажных организаций заполнения гарантийных талонов, проверки в Вашем присутствии исправности, работоспособности и комплектности электроплиты.
1.4. Перед началом эксплуатации внимательно ознакомьтесь с настоящим руководством и следуйте его рекомендациям.
1.5. Электроплита имеет сертификат № РОСС RU.AH31.BO9240, выданный органом по сертификации продукции и услуг Кировским ЦСМ с 01.01.2001 г. по 31.12.2003 г., и соответствует требованиям безопасности следующих нормативных документов: ГОСТ Р МЭК 60335-2-6-2000, ГОСТ Р 51318.14.1 -99.
1.6. При покупке электроплиты необходимо убедиться в наличии даты продажи, подписи продавца и штампа магазина в отметке о продаже и во всех гарантийных талонах.
БЕЗ ЗАЗЕМЛЕНИЯ ЭЛЕКТРОПЛИТУ НЕ ВКЛЮЧАЙТЕ!
2. ТЕХНИЧЕСКИЕ ДАННЫЕ
2.1. Номинальное напряжение, В 220
2.2. Род тока переменный
2.3. Обозначение модели, модификации и комплектация электроплит приведены в таблице 1.
2.4. Установленная и единовременно потребляемая мощность электроплит приведены в таблице 2.
2.5. Мощность электроконфорок приведена в 2,0 таблице 32.6 Номинальная потребляемая мощность электронагревателей жарочного шкафа,
2.7. Регулирование температуры рабочего пространства жарочного шкафа в пределах 50…300°С бесступенчатое
Таблица 1
| Наименование модели электроплиты | Модификация электроплиты | Комплектация |
| Классик | 21 | Базовая комплектация 4 чугунные конфорки (1-шт.145, 2шт. — 180, 1- шт. 220) |
| 22 | Базовая комплектация 4 чугунные конфорки (1шт. 145, 1шт. 180, 1шт. 180 — экспресс, 1шт. 220) | |
| 30 | Базовая комплектация 4 чугунные конфорки (1шт. 145- экспресс, 1шт. 180, 1шт. 180- экспресс, 1шт. 220) | |
| 32 | Базовая комплектация 2 чугунные конфорки (1шт. 145, 1шт. 220), 2 ТЭН-конфорки 180) | |
| 83 | Базовая комплектация 4 чугунные конфорки (1шт. 145- экспресс, 2шт. 180, 1шт. 220) | |
| 250 | Базовая комплектация 4 чугунные конфорки (1шт. 145- экспресс, 1шт. 180, 1шт.180- экспресс, 1шт. 220), таймер механический | |
| 251 | Базовая комплектация 4 чугунные конфорки (1шт. 145,2шт. 180, 1шт. 220), таймер механический, Базовая комплектация: дверка с панорамным стеклом, гриль, моторедуктор |
Таблица 2
| Наименование модели и модификации электроплиты | Установленная мощность, кВт, не более | Единовременно потребляемая мощность, кВт, не более |
| Классик 021 | 9,5 | 6 |
| Классик 022 | 10 | 6,5 |
| Классик 030 | 10,5 | 7 |
| Классик 032 | 8,5 | 5 |
| Классик 083 | 10 | 6,5 |
| Классик 250 | 10,5 | 7 |
| Классик 251 | 9,5 | 6 |
Таблица 3
| Модификация электроплиты | Тип электроконфорки | Возможное расположение на рабочем столе | Мощность при положении ручки переключателя. Вт | ||||||
| 0 | 1 | 2 | 3 | 4 | 5 | 6 | |||
| 021, 022, 032. 251 | ЭКЧ-145-1,0/220 | ближняя правая | 0 | 103 | 225 | 325 | 450 | 675 | 1000 |
| 021,083, 251 | ЭКЧ-180-1,5/220 | Ближняя левая; дальняя левая | 0 | 157 | 350 | 550 | 600 | 950 | 1500 |
| 021,022, 030, 032, 083, 250, 251 | ЭКЧ-220-2,0/220 | Дальняя правая | 0 | 217 | 550 | 650 | 800 | 1350 | 2000 |
| 030, 083, 250 | ЭКЧЭ-145-1,5/220 | Ближняя правая | 0 | 125 | 250 | 350 | 900 | 1150 | 1500 |
| 022, 030, 250 | ЭКЧЭ-18 0-2,0/220 | Ближняя левая | 0 | 185 | 350 | 650 | 1000 | 1350 | 2000 |
| 022, 030, 250 | ЭКЧ-180-1,5/220 | Дальняя левая | 0 | 157 | 350 | 550 | 600 | 950 | 1500 |
| 32 | ТЭН-конфорка | Ближняя левая, дальняя левая | 1000 |
| 2.8 Мощность гриля, кВт, не регулируется | 1,5 |
| 2.9 Внутренние размеры жарочного шкафа, мм, не более | |
| ширина | 445 |
| глубина | 460 |
| высота | 335 |
| 2.10 Класс защиты от поражения электрическим током | 1 |
| 2.11 Исполнение по степени защиты | ГР10 |
| 2.12 Габаритные размеры электроплиты, мм, не более | |
| ширина | 600 |
| глубина | 600 |
| высота | 850 |
| 2.13 Масса, кг, не более | 60 |
| 2.14 Сведения о суммарном весе драгоценных металлов, г, серебра | |
| Классик 02 Г, Классик 022, Классик 030, Классик 084, | |
| Классик 250, Классик 251 | 2,48 |
3. КОМПЛЕКТНОСТЬ
| 3.1В комплект поставки входит: — электроплита | 1 шт. | |
| — щиток (при поставке плиты без крышки) | 1 шт. | |
| — винт М4х12 | только при | 2 шт. |
| — шайба диаметром 4 мм . | наличии | 2 шт. |
| — гайка М4 | щитка | 2 шт. |
| — экран защиты ручек переключателей | 1 шт. | |
| — противень эмалированный | 2 шт. | |
| — решетка | 1 шт. | |
| — суппорт вертела | 1 шт. | |
| — вертел | 1 шт. | |
| — ручка вертела | 1 шт. | |
| — вилка вертела | 2 шт. | |
| -винтМ4х10 | 2 шт. | |
| — винт регулировочный | 2 шт. | |
| — розетка | 1 шт. | |
| — ролик для передвижения электроплиты | 1 комплект | |
| — винт самонарезной 4×13 | 4 шт. | |
| — руководство по эксплуатации | 1 шт. | |
| — упаковка | 1 комплект |
4. ТРЕБОВАНИЯ БЕЗОПАСНОСТИ
4.1. Электроплита относится к типу “X” и предназначена для установки на полу. Электроплиту не следует устанавливать на подставку.
4.2. Перед включением электроплиты в сеть убедитесь в исправности кабеля, вилки и розетки. Замену кабеля, в ..том числе и поврежденного на аналогичный, производят только специалисты ремонтных организаций, адреса которых указаны в приложении.
4.3. Все работы по устранению неисправностей и ремонту электроплиты должны выполняться организациями, имеющими право на ремонт бытовых электроприборов и ТОЛЬКО ПОСЛЕ ОТКЛЮЧЕНИЯ ЭЛЕКТРОПЛИТЫ ОТ СЕТИ.
4.4. Извлекать вилку из розетки разрешается только после выключения всех нагревательных элементов электроплиты.
4.5. Не доверяйте детям включение и отключение нагревательных элементов электроплиты.
4.6. Не допускайте резкой смены температуры горячих электроконфорок и ТЭН.
4.7. Не допускайте попадания влаги внутрь электроплиты.
4.8. При пользовании электроплитой она сильно нагревается. Опасайтесь прикосновения к электроконфоркам и нагревательным элементам внутри жарочного шкафа.
4.9. При пользовании грилем доступные части могут сильно нагреваться. Не допускайте детей близко к электроплите.
4.10. ЗАПРЕЩАЕТСЯ:
4.10.1. Оставлять без надзора электроплиту с включенными нагревательными элементами.
4.10.2. Держать вблизи включенной электроплиты легковоспламеняющиеся вещества.
4.10.3. Владельцам электроплиты поднимать рабочий стол, снимать заднюю стенку, производить какой- либо ремонт электроплиты.
4.10.4. Ставить электроплиту вплотную к стене.
4.10.5. Во избежание пожара использовать электроплиту для обогрева помещения.
4.10.6. Ставить па электроконфорки посуду с вогнутым или выпуклым дном, образующим воздушный зазор с поверхностью электроконфорки.
4.10.7. Ставить на электро конфорки посуду массой, превышающей 20 кг.
4.10.8. Проверять нагрев электроконфорок прикосновением руки.
5. УСТРОЙСТВО ЭЛЕКТРОПЛИТЫ
5.1. Общий вид электроплиты с указанием основных частей, органов управления и сигнализации показан на рисунке 1.
5.2. Электроплита может быть оснащена крышкой рабочего стола вместо щитка.
5.3. Регулирование мощности электроконфорок осуществляют при помощи переключателей мощности (далее- переключателей), ручки которых расположены на панели управления электроплиты (рисунок 2).
5.4. В средней части электроплиты расположен жарочный шкаф (рисунок 3). Нагрев рабочего пространства жарочного шкафа осуществляют двумя трубчатыми электронагревателями, один из которых, мощностью 0,8 кВт, расположен в верхней части шкафа, второй, мощностью 1,2 кВт, под днищем шкафа.
5.5. В верхней части жарочного шкафа расположен гриль мощностью 1,5 кВт.
5.6. Внутри шкафа на задней стенке смонтированы датчик терморегулятора жарочного шкафа и лампа освещения рабочего пространства жарочного шкафа (рисунок 3).
![]() |
1- рабочий стол 2- электроконфорки 3- панель управления 4- дверка жарочного шкафа 5- вспомогательный шкафчик 6- регулировочные винты 7- щиток или крышка электроплиты Рисунок 1 Общий вид электроплиты |
1 — сигнальная лампа достижения заданной температуры рабочего пространства жарочного шкафа; 2- сигнальная лампа включения электронагревателей жарочного шкафа или гриля; 3- сигнальная лампа включения электроконфорок; 4- ручка терморегулятора жарочного шкафа;
5- ручки переключения мощности электроконфорок; 6- ручка переключателя моторедуктор- лампа освещения жарочного шкафа; 7- условное обозначение «включен моторедуктор»; 8- условное обозначение «включена лампа освещения жарочного шкафа»; 9-условное обозначение «Гриль».
Рисунок 2. Панель управления электроплиты
![]() |
1 — лампа освещения рабочего пространства жарочного шкафа; 2- датчик терморегулятора; 3- гриль; 6- направляющие пазы; 7- паз для суппорта вертела. Рисунок 3 Жарочный шкаф |
|
1 — экран защиты ручек переключателей; 2- ручка вертела; 3- ротивень; 4- моторедуктор Рисунок 4 Приготовление продукта на вертеле в жарочном шкафу |
![]() |
5.7. С наружной стороны задней стенки жарочного шкафа на суппорте смонтирован моторедуктор (рисунок 4), предназначенный для вращения вертела с частотой 2 об/мин, воронка которого выходит в жарочный шкаф.
5.8. Жарочный шкаф имеет четыре пары направляющих пазов, предназначенных для установки на желаемом уровне противней или решетки, и два вертикальных паза для установки суппорта вертела (рисунок 3).
5.9. Дверка жарочного шкафа застеклена термостойким стеклом, что позволяет визуально контролировать готовность приготовления пищи.
5.10. Крепление дверки жарочного шкафа к корпусу электроплиты выполнено с помощью специальных петель, которые позволяют фиксировать ее в трех положениях: закрыто, открыто, промежуточное.
5.11. При необходимости дверку следует снимать следующим образом:
— полностью открыть дверку;
— накинуть замок нижнего рычага петли на крючок верхнего рычага;
— закрывая и поднимая дверку, снять ее с электроплиты.
Установка дверки на электроплиту производится в обратном порядке.
5.12. В нижней части электроплиты расположен вспомогательный шкафчик (рисунок 1).
5.13. Для установки электроплиты в горизонтальное положение (при необходимости) предназначены два регулировочных винта, установку которых производят изнутри корпуса в наклонном положении электроплиты при вынутом вспомогательном шкафчике (рисунок 1).
5.14. Электроплита оснащена передвижным устройством для облегчения перемещения.
5.15. В связи с постоянным совершенствованием, в конструкции электроплиты могут иметь место схемные и конструктивные изменения, не ухудшающие качество изделия.
6. ПОДГОТОВКА К РАБОТЕ
6.1. Установить щиток, при его наличии, при помощи двух винтов N44x12, двух гаек и четырех шайб.
6.2. Закрепить с помощью четырех самонарезных винтов ролики. Отверстия для крепления расположены в нижней части задней стенки. Установить электроплиту горизонтально, при необходимости, с помощью регулировочных винтов, устанавливаемых в основании рамы (рисунок 1).
6.3. Проверка монтажной схемы электроплиты, всех контактных соединений, подключение, опробование в рабочем положении, прогрев электроконфорок, инструктаж потребителя производят специалисты ремонтных или монтажных организаций. Прогрев электроконфорок осуществляют подключением не более двух электроконфорок одновременно на минимальном режиме переключателя мощности в течение одного часа.
6.4. Электроплита может быть оснащена механическим таймером ТМ, электромеханическим таймером ТЭМ, программатором Г1Р. Принцип работы таймеров и программатора см. в приложении 1, 2, 3 к данному руководству по эксплуатации.
7. ПОРЯДОК РАБОТЫ
7.1. Для включения электроконфорки необходимо установить ручку переключателя в положение, соответствующее требуемой мощности.
7.2. Вращение ручек переключателей чугунных электроконфорок круговое, но для увеличения срока службы переключателей включение и выключение электроконфорок следует производить вращением ручек ПРОТИВ ЧАСОВОЙ СТРЕЛКИ.
7.3. Ручки бесступенчатых регуляторов мощности ТЭН- конфорок НЕ ИМЕЮТ КРУГОВОГО ВРАЩЕНИЯ, включение электроконфорок производят ПО ЧАСОВОЙ СТРЕЛКЕ, выключение- ПРОТИВ ЧАСОВОЙ СТРЕЖИ.
7.4. При включении электроконфорки загорается сигнальная лампа.
7.5. Включение ТЭН жарочного шкафа производят ручкой терморегулятора, расположенного с левой стороны панели управления. Этой же ручкой производят включение гриля, вращением ее ПО ЧАСОВОЙ СТРЕЛКЕ до отметки «гриль» (рисунок 2).
7.6. Одновременное включение ТЭН жарочного шкафа и гриля невозможно.
7.7. Ручка терморегулятора ТЭН жарочного шкафа НЕ ИМЕЕТ КРУГОВОГО ВРАЩЕНИЯ, включение ТЭН производите по ЧАСОВОЙ СТРЕЖЕ, выключение- ПРОТИВ ЧАСОВОЙ СТРЕЖИ.
7.8. При включении ТЭН жарочного шкафа загораются две сигнальные лампы. При достижении заданной температуры рабочего пространства жарочного шкафа ТЭН автоматически отключаются и крайняя левая лампа гаснет. При снижении температуры ТЭН включаются и цикл повторяется.
7.9. При включении гриля загорается только вторая слева лампа.
— в положении “0” переключателя ТЭН жарочного шкафа отключены от сети, возможно включение электроконфорки диаметром 220 мм;
— в других положениях ручки переключателя к сети подключены ТЭН жарочного шкафа, электроконфорка диаметром 220 мм от сети отключена;
— остальные электроконфорки работают независимо от блокировки.
7.11. Включение моторедуктора или лампы освещения рабочего пространства жарочного шкафа производят ручкой переключателя, имеющим 3 положения: нейтральное (“0”), включен моторедуктор, включена лампа (рисунок 2- поз.6).
7.12. Для снижения расхода электроэнергии, ускорения процесса приготовления пищи и увеличения срока службы электроконфорок следует пользоваться кухонной посудой, имеющей ровное и плоское дно диаметром равным или несколько большим диаметра электроконфорки (рисунок 5).
1,2,3- неправильно; 4- правильно Рисунок 5
Схема тепловых потерь при неправильном выборе посуды
7.13. Приготовление пищи рекомендуем начинать при максимальной мощности электронагревателей. После закипания или несколько раньше необходимо переключить электронагреватели на минимальную или среднюю мощность в зависимости от объема посуды.
7.14. Выпечку мучных изделий, тушение продуктов производят в жарочном шкафу. Жарение мяса можно производить как на противне, так и на решетке или на вертеле.
7.15. Приготовление продукта на вертеле производят с применением суппорта, двух вилок для закрепления продукта, при работающем моторедукгоре и включенном гриле, при этом дверка жарочного шкафа должна быть приоткрыта и установлен экран защиты ручек переключателей (рисунок 4).
7.16. При приготовлении на вертеле или на решетке продукт следует располагать в зоне максимальной мощности инфракрасных лучей гриля. Порционные куски мясных и рыбных блюд должны иметь по возможности ровную толщину во избежание неравномерного прожаривания.
7.17. При жарении на вертеле, как и на решетке, необходим противень для сбора подлива и жиров (рисунок 4).
7.18. Перед использованием жарочного шкафа его необходимо разогреть в течение 10… 15 минут на отметке 200,,после чего можно производить выпечку.
7.19. При выпечке не следует часто открывать дверку жарочного шкафа, чтобы не охлаждать его. Если в процессе выпечки передняя или задняя части изделия зарумяниваются сильнее, то через некоторое время противень можно развернуть на 180 градусов.
7.20. По окончании приготовления пищи необходимо выключить все нагревательные элементы электроплиты.
7.21. При правильной эксплуатации срок службы электроплиты увеличивается.
7.22. Для приготовления отдельных видов изделий рекомендуем режимы, указанные в таблице 4. Данные, приведенные в таблице 4, являются ориентировочными. Собственные опыт и вкус позволят Вам внести необходимые коррективы.
7.23. Рекомендации по приготовлению пищи в жарочном шкафу на решетке при пользовании грилем приведены в таблице 5.
Таблица 4
| Наименование изделия | Рекомендуемая температура, °С | Время выпечки |
| Мясные блюда Жаркое говядины | 150 | 3-3,5 часа |
| Жаркое телятины | 150 | 2-2,5 часа |
| Жаркое баранины | 150 | 1-1,5 часа |
| Жаркое свинины | 175 | 1 час |
| Котлеты | 190 | 1,5-2 часа |
| Бефстроганов | 190 | 1,5-2 часа |
| KvvuHue и рыбные блюда | ||
| Курица | 175 | 1-1,5 часа |
| Гусь и индейка (4-5 кг) | 160 | 4-4,5 часа |
| Утка | 175 | 1-1,5 часа |
| Рыба | 200 | 30-40 минут |
| Кондитерские изделия | ||
| Торт простого приготовления | 160 | 45 минут |
| Шоколадный торт | 175 | 35 минут |
| Фруктовый торт | 125 | 60 минут |
| Слоеный торт | 200 | 20 минут |
| Мелкие пироги | 190 | 30 минут |
| Песочное тесто | 200 | 20 минут |
| Бисквит | 150 | 20 минут |
Таблица 5
| Мясные блюда | Положение решетки в жарочном шкафу | Ориентировочное время до готовности, мин. |
| Отбивная толщиной 1 см | 1-я направляющая сверху | 15 |
| Отбивная толщиной 1 см | 2-я направляющая сверху | 25 |
| Сосиска | 2-я направляющая сверху | 15 |
8. ТЕХНИЧЕСКОЕ ОБСЛУЖИВАНИЕ
8.1. Наружные эмалированные поверхности электроплиты следует мыть мыльной водой и протирать мягкой тканью.
8.2. Пятна от пищи необходимо удалять до высыхания.
8.3. Все элементы жарочного шкафа, его дно и стенки, а также рабочие поверхности электроконфорок необходимо периодически промывать слабым содовым раствором или мыльной водой и протирать сухой тканью.
8.4. Для чистки расположенной под нагревательным элементом чаши ТЭН-конфорки, трубчатый электронагреватель следует повернуть относительно ввода в чашу на 90°. Крестовину из чаши удалить. Чистку чаши производить с применением хозяйственных паст.
8.5. В случае возникновения неисправности обращайтесь к организациям, имеющим право на ремонт электробытовых нагревательных приборов.
8.6. Срок службы электроплиты 5 лет. После его окончания решение о необходимости капитального ремонта и дальнейшей эксплуатации принимают службы и организации, производящие ремонт и техническое обслуживание электроприборов по месту жительства владельца.
При невыполнении данных рекомендаций безопасность работы электроплиты не гарантируем.
9. ПРАВИЛА ХРАНЕНИЯ И ТРАНСПОРТИРОВАНИЯ
9.1. Электроплиты должны храниться в отапливаемых и вентилируемых помещениях при температуре воздуха от плюс 1° до плюс 40°С, относительной влажности не более 80%, при отсутствии в воздухе кислотных и других паров, вредно действующих на материалы электроплиты.
9.2. Перевозка электроплиты автомобильным транспортом в один ряд со скоростью согласно ГОСТ 23216-78.
10. ВОЗМОЖНЫЕ НЕИСПРАВНОСТИ И МЕТОДЫ ИХ УСТРАНЕНИЯ
Все неисправности, вызывающие отказы, устраняют только специалисты ремонтных организаций.
11. СВИДЕТЕЛЬСТВО О ПРИЕМКЕ
Стационарная бытовая электроплита соответствует техническим условиям ТУ 3-90 ШМАИ.681913.001 ТУ
Классик 021 Классик 022 Классик 030 Классик 032 Классик 084 Классик 250 Классик 251
Все неисправности, вызывающие отказы, устраняют только специалисты ремонтных организаций.
12. ГАРАНТИЙНЫЕ обязательства
12.1. Завод- изготовитель гарантирует нормальную работу электроплиты в течение одного года со дня продажи магазином (со дня установки) с обязательной отметкой даты установки электроплиты в талоне на установку и в гарантийных талонах, при условии соблюдения потребителем правил хранения, эксплуатации и проведения технического обслуживания ремонтными службами за счет средств жилищно-коммунальных служб.
Гарантийный срок хранения электроплиты 3 года со дня выпуска заводом- изготовителем.
12.2. Подключение электроплиты должно осуществляться в строгом соответствии с правилами ПЭУ.
Организации, занимающиеся установкой электроплит, должны сдавать их в эксплуатацию проверенными и в исправном состоянии, о чем должна быть сделана отметка в талоне на установку и в гарантийных талонах.
12.3. В случае отсутствия отметки о дате установки электроплиты в гарантийном талоне, гарантийный срок эксплуатации исчисляется со дня выпуска заводом- изготовителем.
12.4. В домах нового строительства, при отсутствии отметки об установке электроплиты в талоне на установку и в гарантийных талонах, гарантийный срок исчисляется со дня подписания государственной комиссией акта о приемке дома или со дня выпуска заводом- изготовителем.
12.5. Гарантийный и послегарантийный ремонт электроплиты должен производиться соответствующими ремонтными организациями. При обнаружении производственных дефектов в период гарантийного срока эксплуатации электроплиты и отсутствия ремонтно- эксплуатационных служб по месту жительства, следу ет обращаться непосредственно на завод- изготовитель.
12.6. Завод- изготовитель не несет ответственности в случаях:
— небрежного транспортирования и хранения;
— несоблюдения потребителем правил эксплуатации;
— разборки электроплиты потребителем или лицом, не имеющим права на ремонт электроплит.
При использовании плит в кафе, ресторанах, столовых и общежитиях коридорного типа на них не распространяется гарантийный срок эксплуатации.
12.7. Для приобретения запасных частей к электроплитам следует обращаться в ремонтные организации, указанные в данном руководстве по эксплуатации, или на завод- изготовитель.
12.8. Претензии от потребителей принимают торгующие организации и службы, производящие гарантийный ремонт электроприборов.
12.9. Завод- изготовитель гарантирует Покупателю все права, предусмотренные Законом “О защите прав потребителей”.
Ведомость цветных металлов, содержащихся в изделии “Электроплит»
| Наименование деталей | Наименование металла, сплава | Количество (масса) цветных металлов, содержащихся в изделии | Норматив цветных металлов, подлежащих сдаче в металлом при капитальном текущем ремонте изделия, кг | Норматив цветных металлов, подлежащих сдаче в металлолом при полном износе изделия и его списании, кг | |||||||||||||||
| Крыша Электроконфорки | Алюминий АМг2М | Классификация по группам (ГОСТ 1639) | |||||||||||||||||
| 1 | 2 | 3 | 4 | 5 | 11 | 1 | 2 | 3 | 4 | 5 | 11 | 1 | 2 | 3 | 4 | 5 | 11 | ||
| 0,06 | 0,009 | 0,057 | |||||||||||||||||
| Профили | Сплав Алюминевый АДЗ | 0.74 | |||||||||||||||||
| Теплоизоляция | Фольга А5 | 0,18 | |||||||||||||||||
| Кожух, воронка моторедуктора винт | Сплав алюминевый АК7 | 0,09 | 0,09 | ||||||||||||||||
| Гайки | Латунь ЛС59-1, ЛС63 | 0,06 | 0,025 | 0,06 | |||||||||||||||
| Контакты, вилки, ножи, розетки | Латунь Л63 | 0,214 | |||||||||||||||||
| Провода, кабель | Медь M1 | 0,935 | 0,1 | 0.9 | |||||||||||||||
| Пружины | Бронза Бр.БНТ 1.9 | 0,011 | |||||||||||||||||
| Провод заземления | Латунь ЛС6З-З | 0,062 | 0,026 | 0,062 | |||||||||||||||
| Трубка, сосуд, наконечник | Медь Л96 | 0,038 | 0,004 | 0,032 |
Приложение 1
Работа с таймером механическим.
Уважаемый покупатель!
Ваша плита оснащена механическим таймером ТМ, который позволяет производить контроль времени подачей звукового сигнала (звонка).
Для установки необходимой выдержки времени произвести завод таймера вращением ручки по часовой стрелке до упора, затем вращением против часовой стрелки установить по шкале необходимое время. Начинается отсчет времени, по окончании подается звуковой сигнал (звонок).
Приложение 2
Работа с таймером электромеханическим.
Уважаемый покупатель!
Ваша плита оснащена электромеханическим таймером ТЭМ, который позволяет производить отключение жарочного шкафа или правой дальней электроконфорки с подачей звукового сигнала по истечении установленной выдержки времени.
Таймер работает в двух режимах:
— с автоматическим отключением и подачей звукового сигнала (звонка), через промежуток времени, устанавливаемый в диапазоне от 5 до 60 мин.;
— с ручным отключением.
Перед набором программы установить на электроконфорку или в жарочный шкаф посуду с приготовляемым блюдом.
Для работы с таймером в автоматическом режиме следует произвести следующие операции:
— ручкой блокирующего переключателя (см. п. 7.10 данного руководства) включить электрическую цепь необходимого для работы нагревательного элемента (электроконфорки или электронагревателей жарочного шкафа);
— ручкой переключателя, выбранного для работы нагревательного элемента установить требуемую мощность (см. раздел 7 “Порядок работы”);
— повернуть ручку таймера (заводной вал) по часовой стрелке, установив нужную выдержку времени в пределах от 10 до 60 минут по шкале на панели управления.
Установку выдержек времени менее 10 минут следует производить в два приема: сначала необходимо повернуть ручку таймера по часовой стрелке на время 30-40 минут, затем повернуть ее против часовой стрелки до требуемого значения времени. Выставляя интервал времени ручкой таймера, не забудьте учесть время разогрева нагревательного элемента от холодного состояния. После истечения установленной выдержки времени ручка таймера вернется в нулевое положение, контакты таймера разомкнутся, выключив нагревательный элемент, автоматически включится звонок, извещая об окончании тепловой обработки. Для работы с таймером в ручном режиме его рукоятку следует повернуть против часовой стрелки до упора. Контакты таймера при этом будут замкнуты, что позволяет производить тепловую обработку продуктов на дальней правой электроконфорке и в жарочном шкафу с выдержкой времени по своему усмотрению. Вы можете использовать таймер только в качестве звукового сигнала в двух случаях:
— все нагревательные элементы в электроплите выключены;
— при тепловой обработ ке продуктов на левой ближней, левой дальней и правой ближней конфорках при условии, что дальняя правая электроконфорка и электронагреватели жарочного шкафа выключены.
АДРЕСА организаций, производящих гарантийный ремонт электроплит
1. 184200, г. Апатиты Мурманской обл., ул. Бредова, 15”А”. 4-09-52
Предприятие “Электротеплосеть” * 4-19-10
2. 136061, г. Архангельск, ул. Попова, 17 43-54-89
ЖКХ “Архангельскжилкомхоз”
3. 480008, г. Алматы, Казахстан, ул. Шевченко, 129-73 Предприятие «Шанс» 63-12-07 68-68-23 63-97-73
4. 690069, г. Владивосток, ул. Давыдова, 5 6-29-78 Объединение “Приморкоммунэнерго”
5. 620026, г, Екатеринбург, ул. Декабристов, 16/18 31-32-10 «И»-30б, АОЗТ «МАРТ» _ 23-02-17
6. 424006, республика Марий Эл г. Йошкар-Ола, 5-22-12 ул. Строителей, д. 111 Предприятие “Горсвет”
7. 424000, республика Марий Эл г. Йошкар-Ола, пр. Гагарина, 7 12-02-90 Муниципальное предприятие жилищного хозяйства
8. 252156, г. Киев, ул. Курчатова, 22 518-96-16 Специальное РНУ №7 519-65-22
9. 252094, г. Киев, ул. Лебедева, 14 552-00-92 Республиканское управление по наладке и монтажу инже нерного оборудования — 552-10-51 “Укржилинжналадка”. 552-50-40 МЖКХ тел. обслуживает следующие области; — Винницкую; Волынскую, Житомирскую; Закарпатскую; Кировоградскую; Крымскую; Львовскую; Одесскую; Ровенскую, Тернопольскую; Хмельницкую; Черкасскую; Черниговскую; Черновицкую, Киевскую, Ивано-Франковскую
10. 610037, г. Киров, ул. Егоровская, д.З 25-18-66 ООО “ЭЛИС”
11. 195009, г. Санкт-Петербург, ул. Бобруйская, 5 542-95-00 Специализированное РНУ №1
12. 197101, г. Санкт-Петербург, ул. Большая Монетная, 27 233-99-29 Специализированное РНУ №2 238-11-35 232-07-62
13. 195248, г. Санкт-Петербург, Ириновский пр., д.2 ОАО ПО «Сокол»
14. 196158 г. Санкт- Петербург, Московское шоссе, д.14 корп. 1;448-24-64 А/Я -308 ООО «Вятка- Сервис» 442-88-03 327-67-98
15. 220033, г. Минск, 1-й велосипедный пер., Арендное предприятие “Минсклифт-3” 5 221-64-25
16. 220116, г. Минск, Предприятие «Спецремэлектро» А/Я-383 234-40-72 272-01-82
17. 220124, г. Минск, ул. Уральская, 3 ООО «ТСТ-Плюс»
18. 103498, г. Москва, Зеленоград Центральный проспект, корп. 439 кв.2 Г.П. “Электроремонт”
19. 107589, г. Москва, ул. Красноярская, д. 11”А” Спец. Управление “Электрожилремонт”
20. 115230, г, Москва, Каширское шоссе, 9, корп. 1 Г П “Спецремэлектро”
21. 109144, г. Москва, ул. Маршала Голованова, д. 13 кв. 274 Фирма “Эрудит”
22. 109193, г. Москва, ул. Сайкина, д.1/2- помещение 3, строение 1.ООО «ЭЛКОР»
23. 121151, г. Москва, ул. Раевского д. 4 Техничекий центр по ремонту бытовой и торговой техники «Полюс»
24. 183000, г. Мурманск, ул. Шмидта, 16 ГОУЭП «Мурманская горэлектросеть»
25. 626440, г. Нижневартовск Ханты-Мансийский АО, ул. Индустриальная, 42 ОАО РНУ ЖКХ
26. 603001, г. Нижний Новгород, ул. Кожевенная, 14 ПП «Нижегородоблкоммунэнерго»
27. 603158, г. Нижний Новгород, ул. Зайцева, 8 ТТЦ “Вятка-Электра”
28. 630007, г. Новосибирск, ул. Гоголя, 190 ТТЦ «Вятка-Электра» А/Я-458
29. 630007, г. Новосибирск, ул. Фабричная, 16 ОАО «Рембыттехника»
30. 660000, Россия г. Красноярск, Главпочтамт А’Я-217 ООО «Сибирь-Сервис»
31. 644033, г. Омск, ул. Красный путь, 143 ТТЦ «Мирт»
32. 626400, Тюменская обл. г. Сургут, ул. Мира, 14-58 ЗАО ТТЦ “Сибтехсервис”
33. 445037, г. Тольятти, Самарская обл., Новый проезд,8 каб.327 ООО Сервисный центр «ЭЛРО»
34. 256400, Украина, г. Белая Церковь, ул. Клиническая, д. 6 ООО «Атлант плюс ЛТД»
35. 670031, г. Улан-Удз, ул, Широких Полянских, 7 ТОО «Сото»
37. 310136, г. Харьков, ул. Гвардейцев Широнинцев, 50 Управление “Харьковжилищналадка”
Инструкция Плиты Нововятка Классик 022
| Отключение при нагреве одного или нескольких нагревательных элементов |
вопрос |
|
| Газовая горелка плиты не зажигается или выключается |
вопрос |
|
| Газовая горелка плиты гаснет во время готовки |
вопрос |
|
| Не работает электроподжиг (не щелкает, нет искры) |
вопрос |
|
| Слабо горит газ (горелка может не включиться) |
вопрос |
|
| Плохо горят горелки плиты (коптит) |
вопрос |
|
| Краны регулировки подачи газа проворачиваются с трудом |
вопрос |
|
| Краны регулировки подачи газа проворачиваются с трудомДуховка газовой плиты не зажигается и не включается |
вопрос |
|
| Запах газа |
вопрос |
|
| Отключается горелка после отпускания ручки |
вопрос |
|
| Не работает конфорка |
вопрос |
|
| Не работает духовка (духовой шкаф) |
вопрос |
|
| Не греет тэн в духовке |
вопрос |
|
| Не вращается гриль при включении | При проверке |
вопрос |
| кран комфорки не закрывает подачу газа | кран комфорки при выключенном состоянии не рекрывает подачу газа на комфорку |
вопрос |
| Коптит | При готовки |
вопрос |
| блок индекации | не горит индекация |
вопрос |
| Кран регулировки мощности | При включении крана в любое положение комфорка начинает работать на максимум |
вопрос |
| ARDO C 640 EB | Не работает термостат на электродуховке |
вопрос |
| ARDO C 640 EB | Не работает термостат на электродуховке |
вопрос |
| ARDO C 640 EB | Не работает термостат на электродуховке |
вопрос |
| не работает переключатель | работает только на 3и4 |
вопрос |
| эл духовка не работает | не включается и не греет и свет не загорается |
вопрос |
| всё время идет щелчок | при выключенной плите всё время идет щелчок как при включении, при прикосновении — конфорка бьёт током |
вопрос |
| как крепится терморегулятор ЗВИ 430 | в каком месте как крепится терморегулятор ЗВИ 430 |
вопрос |
| зви 412 неработает подсветка в духовке | замена лампочки |
вопрос |
| бьет током сама плита |
вопрос |
|
| Шумы | После включения в сеть,сзади появился какой-то шум,прерывистый гул.Что бы это значило? |
вопрос |
| Beko FG552 | Кок ключить духовку |
вопрос |
| bosch hsf132d | не закрывается духовка, как буд-то что-то ее блокирует |
вопрос |
| нет шкалы температуры на кране | кран белый |
вопрос |
| недостаточная мощность электроконфорок |
вопрос |
|
| хорошо не закрывается духовка |
вопрос |
|
| Mora MGN 52160 FW | В самой духовке газ включается и нормально горит, а при включении гриля — газ зажигается и гаснет! подскажите, пожалуйста, что можно сделать! |
вопрос |
| E7 |
вопрос |
|
| Не отключается лампа индикатора температуры при выключении. | При выключении рожка температуры — индикаторная лампа продолжает гореть. При повторном включении — иногда гаснет. Иногда продолжает гореть. |
вопрос |
| Когда духовка греется кран туго крутится или вообще не крутится | 1100-04 |
вопрос |
| Когда духовка греется кран туго крутится или вообще не крутится | 1100-04 |
вопрос |
| Bompani BO 583 KA 290 | Электродуховка включается сразу на максимум. При попытке убавить мощность сразу отключается |
вопрос |
| Endever 28 | Ошибка е07 сгорел транзистор силовоц |
вопрос |
Инструкция Плиты Нововятка Классик 251
| Отключение при нагреве одного или нескольких нагревательных элементов |
вопрос |
|
| Газовая горелка плиты не зажигается или выключается |
вопрос |
|
| Газовая горелка плиты гаснет во время готовки |
вопрос |
|
| Не работает электроподжиг (не щелкает, нет искры) |
вопрос |
|
| Слабо горит газ (горелка может не включиться) |
вопрос |
|
| Плохо горят горелки плиты (коптит) |
вопрос |
|
| Краны регулировки подачи газа проворачиваются с трудом |
вопрос |
|
| Краны регулировки подачи газа проворачиваются с трудомДуховка газовой плиты не зажигается и не включается |
вопрос |
|
| Запах газа |
вопрос |
|
| Отключается горелка после отпускания ручки |
вопрос |
|
| Не работает конфорка |
вопрос |
|
| Не работает духовка (духовой шкаф) |
вопрос |
|
| Не греет тэн в духовке |
вопрос |
|
| Не вращается гриль при включении | При проверке |
вопрос |
| кран комфорки не закрывает подачу газа | кран комфорки при выключенном состоянии не рекрывает подачу газа на комфорку |
вопрос |
| Коптит | При готовки |
вопрос |
| блок индекации | не горит индекация |
вопрос |
| Кран регулировки мощности | При включении крана в любое положение комфорка начинает работать на максимум |
вопрос |
| ARDO C 640 EB | Не работает термостат на электродуховке |
вопрос |
| ARDO C 640 EB | Не работает термостат на электродуховке |
вопрос |
| ARDO C 640 EB | Не работает термостат на электродуховке |
вопрос |
| не работает переключатель | работает только на 3и4 |
вопрос |
| эл духовка не работает | не включается и не греет и свет не загорается |
вопрос |
| всё время идет щелчок | при выключенной плите всё время идет щелчок как при включении, при прикосновении — конфорка бьёт током |
вопрос |
| как крепится терморегулятор ЗВИ 430 | в каком месте как крепится терморегулятор ЗВИ 430 |
вопрос |
| зви 412 неработает подсветка в духовке | замена лампочки |
вопрос |
| бьет током сама плита |
вопрос |
|
| Шумы | После включения в сеть,сзади появился какой-то шум,прерывистый гул.Что бы это значило? |
вопрос |
| Beko FG552 | Кок ключить духовку |
вопрос |
| bosch hsf132d | не закрывается духовка, как буд-то что-то ее блокирует |
вопрос |
| нет шкалы температуры на кране | кран белый |
вопрос |
| недостаточная мощность электроконфорок |
вопрос |
|
| хорошо не закрывается духовка |
вопрос |
|
| Mora MGN 52160 FW | В самой духовке газ включается и нормально горит, а при включении гриля — газ зажигается и гаснет! подскажите, пожалуйста, что можно сделать! |
вопрос |
| E7 |
вопрос |
|
| Не отключается лампа индикатора температуры при выключении. | При выключении рожка температуры — индикаторная лампа продолжает гореть. При повторном включении — иногда гаснет. Иногда продолжает гореть. |
вопрос |
| Когда духовка греется кран туго крутится или вообще не крутится | 1100-04 |
вопрос |
| Когда духовка греется кран туго крутится или вообще не крутится | 1100-04 |
вопрос |
| Bompani BO 583 KA 290 | Электродуховка включается сразу на максимум. При попытке убавить мощность сразу отключается |
вопрос |
| Endever 28 | Ошибка е07 сгорел транзистор силовоц |
вопрос |
СХЕМЫ, ИНСТРУКЦИИ плит НОВО-ВЯТКА, ЭЛЕКТРА
|
Доставка запчастей и комплектующих: «СДЭК» или «Почта России» : Ваша страна: … определяется … Ваш город: … определяется … Ваш регион: … определяется … |
Главная страница » Схемы и инструкции плит Электра, Ново-Вятка Схемы бытовых плит Электра(устройство, схема монтажная, подключение к внешней электрической сети, инструкция)Схемы бытовых плит Ново-Вятка(устройство, схема монтажная, подключение к внешней электрической сети, инструкция)1) Плита газовая с электрическим жарочным шкафом «ФЕЯ»2) Плита газовая с электрическим жарочным шкафом «ВОЛШЕБНИЦА» |
КУПИТЬ ЗАПЧАСТИ в МАГАЗИНЕ ЭЛЕКТРОКОНФОРКИ (ЭКЧ — ⌀145; ЭКЧ — ⌀180; ЭКЧ — ⌀220) ПЕРЕКЛЮЧАТЕЛИ МОЩНОСТИ (ДУХОВКИ И ЧУГУННЫХ КОНФОРОК) РУЧКИ УПРАВЛЕНИЯ ТЕРМОРЕГУЛЯТОР (ЖАРОЧНОГО ШКАФА ПЛИТЫ) ДЕТАЛИ ДВЕРИ ДУХОВКИ (РУЧКА, ПЕТЛИ, СТЕКЛО, КОРПУС) ПРОТИВЕНЬ И РЕШЕТКА (ЖАРОЧНОГО ШКАФА) ТЭНЫ (ЖАРОЧНОГО ШКАФА) РЕГУЛЯТОРЫ (ТЭН — КОНФОРОК) ГАЗОВАЯ АРМАТУРА (ГОРЕЛКИ, КРЫШКИ…) |
Электрическая плита Нововятка Классик 250 характеристики
Перед приобретением Нововятка Классик 250 по самой низкой цене, изучите характеристики, плюсы и минусы модели, отзывы покупателей.
-
Варочная панель
электрическая -
Духовка
электрическая -
Встроенные часы
нет -
Габариты
60x60x85 см -
Тип дверцы
откидная -
Гриль
есть, электрический, вертел в комплекте -
Возможности духовки
подсветка -
Очистка
традиционная -
Конвекция
нет -
Размер духовки
68.5 л - Показать все
Купить
Магазины, где купить этот товар и его аналоги
Характеристики Нововятка Классик 250
Главные характеристики *
| Варочная панель | электрическая |
| Духовка | электрическая |
| Управление | механическое, переключатели: поворотные, таймер звуковой |
| Встроенные часы | нет |
| Габариты | 60x60x85 см |
Духовка *
| Тип дверцы | откидная |
| Гриль | есть, электрический, вертел в комплекте |
| Возможности духовки | подсветка |
| Очистка | традиционная |
| Конвекция | нет |
| Размер духовки | 68.5 л |
| Число стекол дверцы | два |
Варочная панель *
| Индикаторы остаточного тепла | нет |
| Автоматика закипания | нет |
| Число конфорок | электрических: 4, быстрого разогрева: 2 |
| Рабочая поверхность | эмаль |
| Блокировка управления | нет |
| Авто защитное отключение | нет |
Дополнительно *
| Цвет | белый |
| Ящик для посуды | есть |
* Точные
характеристики уточняйте у продавца.
Добавить отзыв
Ваша оценка
ОтличноХорошоСреднеПлохоУжасно
Опишите ваш опыт использования
товара
Ваше имя или никнейм
Ваш отзыв о товаре
Достоинства
Недостатки
Добавить отзыв
Последние статьи
Электрическая плита Нововятка Классик 370 характеристики
Перед приобретением Нововятка Классик 370 по самой низкой цене, изучите характеристики, плюсы и минусы модели, отзывы покупателей.
-
Варочная панель
электрическая -
Духовка
электрическая -
Встроенные часы
нет -
Габариты
60x60x85 см -
Размер духовки
68.5 л -
Число стекол дверцы
два -
Конвекция
нет -
Очистка
традиционная -
Возможности духовки
подсветка -
Тип дверцы
откидная - Показать все
Купить
Магазины, где купить этот товар и его аналоги
Характеристики Нововятка Классик 370
Главные характеристики *
| Варочная панель | электрическая |
| Духовка | электрическая |
| Управление | механическое, переключатели: поворотные, таймер звуковой |
| Встроенные часы | нет |
| Габариты | 60x60x85 см |
Духовка *
| Размер духовки | 68.5 л |
| Число стекол дверцы | два |
| Конвекция | нет |
| Очистка | традиционная |
| Возможности духовки | подсветка |
| Тип дверцы | откидная |
| Гриль | есть, электрический, вертел в комплекте |
Варочная панель *
| Индикаторы остаточного тепла | нет |
| Авто защитное отключение | нет |
| Блокировка управления | нет |
| Рабочая поверхность | эмаль |
| Число конфорок | электрических: 4, быстрого разогрева: 2 |
| Автоматика закипания | нет |
Дополнительно *
| Ящик для посуды | есть |
| Цвет | белый |
* Точные
характеристики уточняйте у продавца.
Добавить отзыв
Ваша оценка
ОтличноХорошоСреднеПлохоУжасно
Опишите ваш опыт использования
товара
Ваше имя или никнейм
Ваш отзыв о товаре
Достоинства
Недостатки
Добавить отзыв
Последние статьи
Руководство по эксплуатации Электра 1001 1002 1006 инструкция
1.1. Вы приобрели стационарную бытовую электрическую плиту «Электра”, предназначенную для приготовления пищи в домашних условиях: варки, жарения, тушения мясных, рыбных, овощных блюд, выпечки мучных изделий, сушки грибов, овощей, фруктов.
1.2. Используя высокотемпературный нагреватель (гриль) и моторедуктр с вертелом, можно приготовить шашлыки, курицу на вертеле и т.д.
1.3. При установке электроплиты требуйте от монтажных организаций заполнения гарантийных талонов, проверки в Вашем при-сутсьвни исправности, работоспособности и комплектности электроплиты.
1.4. Перед началом эксплуатации внимательно ознакомьтесь с настоящим руководствон и следуйте его рекомендациям.
БЕЗ ЗАЗЕМЛЕНИЯ ЭЛЕКТРОПЛИТУ НЕ ВКЛЮЧАЙТЕ!
2. ТЕХНИЧЕСКИЕ ДАННЫЕ
2.1. Номинальное напряжение В — 220
2.2. Род тока. — переменный
23. Установленная мощность, кВт, не более:
ЭБЧШ 6-4-9,5/8-220 «Электра 1001М» — 9,5 ЭБЧШ 6-4-8,5/5-220 «Электра 1002» — 8,5
ЭБЧШ 6-4-9,5/6-220 «Электра 1006» — 9,5
2.4. Единовременная потребляемая мощность, кВг, не более:
ЭБЧШ 6-4-9,5/8-220 «Электра 1001М» — 8
ЭБЧШ 6-4-8,5/5-220 «Электра 1002” — 5
ЭБЧШ 6-4-9,5/6-220 «Электра 1006” — 6
2.5. Мощность элскгроконфорок — таблицы 1,2
| 2.6. Номинальная потребляемая мощность нагревателей жарочного шкафа, кВТ | -2 |
| 2.6.1. Мощность верхнего ТЭН, кВт | -0,8 |
| 2.6.2. Мощность нижнего ТЭН, кВт 2.7. | -1,2 |
| 2.7. Регулирование температуры рабочего пространства жарочного электрошкафа в пределах от 50 до 300 С | бесступенчатое |
| 2.8. Мощность высокотемпературного ТЭН(гриля), кВт, не регулируется | -1,5 |
| 2.9. Время разогрева рабочего пространства жарочного электрошкафа до 250 С, мин. | -20 |
| 2.10. Время разогрева электроконфорок мин., не более | |
| чугунной, диаметром 145 мм | -9 |
| чугунной, диаметром 180 мм | -9 |
| чугунной, диаметром 220 мм | -9 |
| трубчатых | -4 |
| 2.11. Внутренние размеры жарочного электрошкафа, мм | |
| ширина | -445 |
| глубина | -460 |
| высота | -335 |
| 2.12. Класс защиты от поражения электрическим током | -1 |
| 2.13. Исполнение по степени защиты от влаги | обычное |
| 2.14. Габаритный размеры электроплиты, мм | |
| ширина | -600 |
| глубина | -600 |
| высота | -850 |
| 2.15. Масса, кг | -60 |
| 2.16.Сведения о суммарном весе драгоценных материалов, г, серебра | |
| Электра 1001М | -3,7 |
| Электра 1002 | -3,7 |
| Электра 1006 | -3,9 |
| 3.1. Электроплита | -1 шт. |
| 3.2. Щиток | -1 шт. |
| 3.3. Винт М4х12 | -2шт. |
| 3.4. Шайба диаметр 4 | -4 шт. |
| 3.5. Гайка М4 | — 2 шт. |
| 3.6. Экран защиты ручек переключателей | -1 шт. |
| 3.7. Противень эмалированный | — 2 шт. |
| 3.8. Решетка | -1 шт. |
| 3.9. Суппорт вертела | -1 шт. |
| 3.10. Вертел | -1 шт. |
| 3.11. Ручка вертела | -1 шт. |
| 3.12. Вилка вертела | — 2 шт. |
| 3.13. Винт М4х10 | — 2 шт. |
| 3.14. Ручка дверки электрошкафа | -1 шт. |
| 3.15. Суппорт ручки | — 2 шт. |
| 3.16. Винт самонарезной 4×40 | — 4 шт. |
| 3.17.2. Для электроплиты «Электра 1006” | — 2 шт. |
| 3.18. Розетка | -1 шт. |
| 3.19. Руководство по эксплуатации | -1 шт. |
| 3.20. Упаковка | -1 комплект |
| 3.21. Ролик передвижения электроплиты (только для электроплиты «Электра 1006”) | — 2 компл. |
| 3.22. Винт самонарезной (только для электроплиты «Электра 1006») | — 4 шт. |
4. ТРЕБОВАНИЯ ПО ТЕХНИКЕ БЕЗОПАСНОСТИ И ПОЖАРНОЙ БЕЗОПАСНОСТИ
4.1. Прибор относится к типу ”Х” и предназначен для установки на полу.
4.3. Все работы но устранению неисправностей и ремонту электроплиты должны выполняться организациями, имеющими право на ремонт бытовых электроприборов и ТОЛЬКО ПОСЛЕ ОТКЛЮЧЕНИЯ ЭЛЕКТРОПЛИТЫ ОТ СЕТИ.
4.4. Извлекать вилку из розетки разрешается только после выключения всех нагревательных элементов электроплиты.
4.5. Не доверяйте детям включение и отключение нагревательных элементов электроплиты.
4.7. Не допускайте попадание влаги внутрь электроплиты.
4.8. ЗАПРЕЩАЕТСЯ:
4.8.1. Оставлять без надзора электроплиту со включенными нагревательными элементами.
4.8.2. Держать вблизи включенной электроплиты легковоспламеняющиеся вещества.
4.8.3. Владельцам электроплиты поднимать рабочий стол, снимать заднюю стенку, производить какой-либо ремонт электроплиты.
4.8.4. Ставить электроплиту вплотную к стене.
4.8.5. Во избежании пожара использовать электроплиту для обогрева помещения.
4.8.6. Ставить на электроконфорки посуду с вогнутым или выпуклым дном, образующим воздушный зазор с поверхностью электроконфорки.
4.8.8. Проверять нагрев электроконфорок прикосновением руки.
5. УСТРОЙСТВО ЭЛЕКТРОПЛИТЫ
5.1. Общий вид электроплиты с указанием основных частей, органов управления и сигнализации.
5.2. Регулирование мощности электроконфорок осуществляется при помощи переключателей, ручки которых расположены на панели управления электроплиты (рис. 2,3,4)
Рис. 2. Панель управления электроплиты ’’Электра 1001М
1 — Сигнальная лампа достижения заданной температуры рабочего пространства жарочного шкафа
2 — Сигнальная лампа включения нагревателей шкафа или гриля.
4 — Условные обозначения гриля.
8 — Трехпознцнонный клавишный переключатель.
9 — Включение моторедуктора.
1 — Сигнальная лампа достижения заданной температуры рабочего пространства жарочного шкафа.
2 — Сигнальная лампа включения нагревателей шкафа или грнля.
4 — Условное обозначение гриля.
6 — Ручки бесступенчатых переключателей трубчатых конфорок.
8 — Ручка трехпозиционного блокирующего переключателя.
9 — Розетка.
10 — Трехпознцнонный клавишный переключатель.
12 — Включение моторедуктора.
13 — Условное обозначение ”электроконфорка”.
14 — Условное обозначение ”жарочный шкаф”.
Рис. 4. Панель управления электрощиты ’’Электра 1006”
1 — Сигнальная лампа достижения заданной температуры рабочего пространства жарочного шкафа.
2 — Сигнальная лампа включения нагревателей шкафа или гриля.
4 — Условные обозначения гриля.
8 — Трехпознцнонный клавишный переключатель.
9 — Включение моторедуктора.
11 — Ручка трехнозиционного блокирующего переключатели.
12 — Условное обозначение ’’электроконфорка”.
13 — Условное обозначение ’’жарочный шкаф”.
5.4. В верхней части жарочного электрошкафа расположен высокотемпературный электронагреватель (гриль) мощностью 1,5 кВт.
Рис. 5. Жарочный электрошкаф
3 — Гриль.
6 — Направляющие пазы.
7 — Паз для суппорта вертела.
5.6. С наружной стороны задней стенки жарочного электрошкафа на суппорте смонтирован моторедуктор (рис. 11), предназначенный для вращения вертела с частотой 2 об/мин, воронка которого выходит в жарочный шкаф.
5.7. Розетка, расположенная на панели, дает возможность включения электроприборов мощностью нс более 1 кВт.
5.8. Жарочный шкаф имеет четыре нары направляющих пазов, предназначенных для установки на желаемом уровне противней или решетки и два вертикальных паза для установки суппорта вертела (рис. 5).
5.9. Дверка жарочного шкафа застеклена термостойким стеклом, что позволяет визуально контролировать готовность приготовления пищи.
5.10. Крепление дверки жарочного электрошкафа к корпусу электроплиты выполнено с помощью специальных петель, которые позволяют фиксировать ее в трех положениях: закрыто, открыто, промежуточное.
5.11. При необходимости дверка может быть снята с электроплиты резким рывком на себя.
5.12. В нижней части электроплиты расположен вспомогательный шкафчнк.
5.13. Для установки электроплиты ’’Электра 1001М» или «Электра 1002’’ в горизонтальное положение (при необходимости) предназначены четыре регулировочных винта, для электроплиты «Электра 1006” — два регулировочных винта, установка которых производится изнутри корпуса в наклонном положении плиты при вынутом вспомогательном шкафчике (рис. 1).
6. ПОДГОТОВКА К РАБОТЕ
6.1. Закрепить ручку на дверке жарочного шкафа при помощи четырех самонарезных винтов 4×40.
6.2. Поднять рабочий стол, зафиксировать его подставкой, расположенной в переднем правом углу внутри корпуса электроплиты.
6.3. Снять заднюю крышку.
6.4. Проверить надежность всех контактных соединений и отсутствие касания к металлическим частям электроплиты оголенных проводов электропроводки.
6.5. Монтажная схема электроплиты (рис. 6, 7, выполнена в однофазном исполнении с закороченными на вводе тремя левыми (1,2,3) и двумя следующими (4, 5) клеммами. В случае несоответствия параметров внешней электрической сети выполненной схеме произвести переналадку схемы, как показано на рис. 9.
6.6. Установить и закрепить заднюю крышку.
6.7. Опустить и закрепить рабочий стол. Установить щиток при помощи двух винтов М4х12, двух гаек и четырех шайб.
6.8. Закрепить с помощью 4-х самонарезных винтов ролики. Отверстия для крепления расположены в нижней части задней стенки. (Только для плиты «Электра 1006»).
Установить электроплиту горизонтално с помощью регулировочных винтов, расположенных в основании рамы (рис. 1).
6.9. Подключить электроплиту к внешней электрической сети.
6.10. Произвести нагев электроконфорок в течении часа на минимальной мощности без установки посуды.
Рис. 6. Схема электрическая соединений электроплиты ’’Электра 1001М”
Л5 — сигнальная лампа включения нагревателей жарочного шкафа или гриля
Л6 — сигнальная лампа достижения заданной температуры в жарочном шкафу
Н5, Н6 — нагреватели жарочного шкафа
Н7 — гриль
В — выключатель клавишный
М — моторедуктор
HI, Н2, НЗ, Н4 — электроконфорки; П1, П2, ПЗ, П4 — семипозиционные переключатели мощности; ПШ — трехступенчатый переключатель жарочного электрошкафа; Л1, Л2, ЛЗ, Л4 — сигнальная лампа включения элсктроконфорок; Л5 — сигнальная лампа включения нагревателей жарочного шкафа или гриля; Л6 — сигнальная лампа достижения заданной температуры в жарочном шкафу; Н5, Н6 — нагреватели жарочного шкафа; Н7 — гриль; Т°- терморегулятор; В — выключатель клавишный; Л7 — лампа освещения жарочного шкафа; Р — розетка; М — моторедуктор; П5 — блокирующий переключатель.
Рнс. 9. Подключение электроплиты к внешней электрической сети.
1 — сеть однофазная 220 В; 2 — сеть трехфазная с нейтралью (380/220 В).
7. ПОРЯДК РАБОТЫ
7.1. Для включения электроконфорки необходимо установить ручку переключателя в положение, соответствующее требуемой мощности.
7.2. Вращение ручек переключателей чугунных электроконфорок круговое, но для увеличения срока службы переключателей включение н выключение конфорок рекомендуется производить вращением ручек ПРОТИВ ЧАСОВОЙ СТРЕЛКИ.
7.3. Ручки бесступенчатых регуляторов мощности трубчатых элсктрокон-форок в электроплите ’’Электра 1002” НЕ ИМЕЮТ КРУГОВОГО ВРАЩЕНИЯ, включение электроконфорок производится ПО ЧАСОВОЙ СТРЕЛКЕ, выключение — ПРОТИВ ЧАСОВОЙ СТРЕЛКИ.
7.5. Включение нагревателей жарочного шкафа производится ручкой трехпознционного переключателя, расположенного с левой стороны панели. Этой же ручкой производится включение гриля вращением ее до отметки гриля.
7.6. Одновременно включение нагревателей жарочного электрошкафа и гриля невозможно.
7.7. Ручка трехпознционного переключателя нагревателей элсктрошка-фа НЕ ИМЕЕТ КРУГОВОГО ВРАЩЕНИЯ, включение нагревателей производится ПО ЧАСОВОЙ СТРЕЛКЕ, выключение — ПРОТИВ ЧАСОВОЙ СТРЕЛКИ.
7.8. При включении электронагревателей жарочного шкафа загораются две сигнальные лампы. При достижении заданной температуры рабочего пространства жарочного электрошкафа нагреватели автоматически отключаются и крайняя левая лампа гаснет. При снижении температуры нагреватели включаются и цикл повторяется.
7.9. При включении 1риля загорается только вторая лампа слева.
7.10. Блокирующий переключатель, установленный в электроплитах «Электра 1002” н «Электра 1006” (рис. 3,4) не дает возможности одновременного включения нагревательных элементов:
— в положении «О” блокирующего переключателя отключены от сети чугунная конфорка мощностью 2 кВт, нагреватели жарочного шкафа и гриля. Остальные нагреватели электроплиты могут быть включены соответствующими ручками переключателей;
— при повороте ручки блокирующего переключателя от положения ’’О” по часовой стрелке до условного обозначения ’’электроконфорка” одновременно могут быть включены соответствующими ручками переключателей только четыре конфорки;
— при повороте ручки переключателя от положения «О” против часовой стрелки до условного обозначения ’’жарочный шкаф” от сети отключается чугунная конфорка мощностью 2 кВт, при этом одновременно могут быть включены 3 оставшиеся конфорки, а также нагреватели жарочного шкафа или гриль.
7.11. Включение моторедуктора или лампы освещения рабочего пространства жарочного электрошкафа производится трехпозиционным клавишным переключателем, имеющим три положения: нейтральное, включен моторедуктор, включена лампа (рис. 2,3,4).
7.12. Для снижения расхода электроэнергии, ускорения процесса приготовления пищи и увиличения срока службы электроконфорок рекомендуется пользоваться кухонной посудой, имеющей ровное и плоское дно диаметром равным или несколько большим диаметра электроконфорки.
(рис. 10).
Рис. 10. Выбор посуды 1, 2,3,4 — неправильно, 5 — правильно.
7.13. Приготовление пищи рекомендуется начать на максимальной мощности нагревателей. После закипания, или несколько раньше, необходимо переключить нагреватели на минимальную или среднюю мощность в зависимости от объема посуды.
7.14. Выпечка мучных изделий, тушение продуктов производится в жарочном электрошкафу. Жарение мяса может производиться как на противне, так и на решетке или на вертеле.
7.15 Приготовление продукта на вертеле производится с применением суппорта, 2-х вилок для закрепления продукта, при работающем моторедукторе включенном гриле, при этом дверка жарочного электрошкафа должна быть приоткрыта и установлен защитный щиток (рис. 11).
7.16. При приготовлении на вертеле или на решетке продукт следует рас-пологать в зоне максимальной мощности инфракрасных лучей гриля. Порционные куски мясных и рыбных блюд должны иметь по возможности равную толщину во избежании неравномерного прожаривания.
7.17. При жарении на вертеле, как и на решетке, необходим ротивень для сбора подлива и жиров (рис. 11).
7.18. Перед использованием жарочного электрошкафа его необходимо разогреть в течении 10-15 минут на отметке 200, после чего можно производить выпечку.
7.19. При выпечке не рекомендуется часто открывать дверку жарочного элекгрошкафа, что бы нс охлаждать его. Если в процессе выпечки передняя или задняя части изделия зарумянятся сильнее, то через некоторое время противень можно разверну! ь на 180 градусов.
7.20. По окончании приготовления пищи необходимо выключить все нагревательные элементы электроплиты.
7.21. От правильной эксплуатации срок службы электроплиты увеличивается. С повышением напряжения в сети мощность нагревателей резко возрастает, что приводит их к преждевременному выходу из строя.
7.22. Для приготовления отдельных видов изделий рекомендуются режимы, указанные в таблице 3. Днные, приведенные в таблице, являются ориентировочными. Собственный опыт и вкус позволит Вам внести необходимые коррективы.
7.23. Рекомендации по приготовлению пищи в жарочном электрошкафу на решетке при пользовании грилем:
8. ТЕХНИЧЕСКОЕ ОБСЛУЖИВАНИЕ
8.1. Наружные эмалированные поверхности электроплиты следует мыть мыльной водой и протирать мягкой тканью.
8.2. Пятна от пищи необходимо удалять до высыхания.
83. Все элементы жарочного электрошкафа, его дно и стенки, а также рабочие поверхности электроконфорок необходимо переодически промывать слабым содовым раствором или мыльной водой и протирать мягкой сухой тканью.
8.4. Для чистки расположенной под нагревательным элементом чаши трубчатый нагреватель следует повернуть относительно ввода в чашу на 90 градусов. Крестовину из чаши удалить. Чистку чаши производить с применением хозяйственных паст.
8.5. В случае возникновепня неисправпости обращайтесь к организациям, имеющим право на ремонт электробытовых нагревательных приборов.
9. ПРАВИЛА ХРАНЕНИЯ
Электроплиты должны храниться в отапливаемых и вентилируемых помещениях при температуре воздуха от +1 до +40 градусов, относителыной влажности не более 80%, при отсугствни в воздухе кислотных и других паров, вредно действующих на материалы электроплиты.
12. ГАРАНТИЙНЫЕ ОБЯЗАТЕЛЬСТВА
12.1. Завод-изготовитель гарантирует нормальную работу электроплиты в течении двух лет со дня получения ее потребителем, с обязательной отметкой даты установки электроплиты в галопе на установку, при условии соблюдения потребителем правил хранения, эксплуатации и проведения технического обслуживания силами специализированных организаций за счет средств жилищно-эксплуатационных организаций.
12.2. Подключение электроплиты должно осуществляться в строгом соответствии с правилами ПЗУ.
12.3. Организации, занимающиеся установкой электроплит, должны сдавать их в эксплуатацию проверенными и в исправном состоянии, о чем должна быть сделана отметка в талоне на установку.
12.4. При отсутствии отметки в талоне на установку электроплиты в домах нового строительства гарантийный срок исчисляется со дня подписания государственной комиссией акта о приемке дома.
12.5. Гарантийный и послегарантийный ремонт электроплиты должен производиться соответствующими ремонтными организациями.
12.6. Завод-изготовитель не несет ответственности в случаях:
— небрежного транспортирования и хранения;
— несоблюдения потребителем правил эксплуатации;
— разборки электроплиты потребителем или лицом, не имеющим права на ремонт электроплит.
12.7. Для приобретения запасных частей к электроплитам следует обращаться в коммунальные организации города, завод-изготовитель не ведет переписку по запасным частям.
Электрическая плита Нововятка Классик 371 характеристики
Перед приобретением Нововятка Классик 371 по самой низкой цене, изучите характеристики, плюсы и минусы модели, отзывы покупателей.
-
Варочная панель
электрическая -
Духовка
электрическая -
Встроенные часы
нет -
Габариты
60x60x85 см -
Очистка
традиционная -
Конвекция
нет -
Гриль
есть, электрический, вертел в комплекте -
Возможности духовки
подсветка -
Число стекол дверцы
два -
Тип дверцы
откидная - Показать все
Купить
Магазины, где купить этот товар и его аналоги
Характеристики Нововятка Классик 371
Главные характеристики *
| Варочная панель | электрическая |
| Духовка | электрическая |
| Управление | механическое, переключатели: поворотные, таймер звуковой |
| Встроенные часы | нет |
| Габариты | 60x60x85 см |
Духовка *
| Очистка | традиционная |
| Конвекция | нет |
| Гриль | есть, электрический, вертел в комплекте |
| Возможности духовки | подсветка |
| Число стекол дверцы | два |
| Тип дверцы | откидная |
| Размер духовки | 68.5 л |
Варочная панель *
| Блокировка управления | нет |
| Индикаторы остаточного тепла | нет |
| Автоматика закипания | нет |
| Число конфорок | электрических: 4, быстрого разогрева: 2 |
| Рабочая поверхность | эмаль |
| Авто защитное отключение | нет |
Дополнительно *
| Ящик для посуды | есть |
| Цвет | белый |
| Примечание | Электромеханический таймер. |
* Точные
характеристики уточняйте у продавца.
Добавить отзыв
Ваша оценка
ОтличноХорошоСреднеПлохоУжасно
Опишите ваш опыт использования
товара
Ваше имя или никнейм
Ваш отзыв о товаре
Достоинства
Недостатки
Добавить отзыв
Последние статьи
Ручные инструкции — LEPIN ™ WORLD
| Нет Лепин | Нет Lego | Имя | Изображение | Ручное руководство — Прямая ссылка 4 | ЛЕПИН 05003 ТРАНСПОРТЕР ПЕРВОГО ЗАКАЗА — Совместим с 75103 | ЛЕПИН Звездные войны | ||
05004 |
75102 |
POE’S X-WING FIGHTER — Совместим с 75102 | ЛЕПИН Звездные войны | |||||
05006 |
75104 |
ЛЕПИН 05006 KYLO REN’S COMMAND SHUTTLE — Совместимость с 75104 | ЛЕПИН Звездные войны | |||||
05007 |
75105 |
ЛЕПИН 05007 MILLENNIUM FALCON — Совместим с 75105 | LEPIN Star Wars | |||||
05008 |
75096 |
Ручная инструкция для LEPIN 05008 SITH INFILTRATOR — Совместима с 75096 | ЛЕПИН Звездные войны | |||||
05026 |
10143 |
ЛЕПИН 05026 DEATH STAR II — UCS | Совместим с 10143 | ЛЕПИН Звездные войны | |||||
05027 |
10030 |
ЛЕПИН 05027 IMPERIAL STAR DESTROYER — UCS | Совместим с 10030 | ЛЕПИН Звездные войны | |||||
05028 |
10221 |
ЛЕПИН 05028 SUPER STAR DESTROYER — UCS | Совместим с 10221 | ЛЕПИН Звездные войны | |||||
05029 |
75149 |
ЛЕПИН 05029 СОПРОТИВЛЕНИЕ X-WING FIGHTER | Совместим с 75149 | ЛЕПИН Звездные войны | |||||
05030 |
75150 |
ЛЕПИН 05030 VADER’S TIE ADVANCED VS.A-WING STARFIGHTER | Совместим с 75150 | ЛЕПИН Звездные войны | |||||
05033 |
10179 |
ЛЕПИН 05033 MILLENNIUM FALCON UCS — Совместимость с 10179 | ЛЕПИН Звездные войны | |||||
05035 |
10188 |
ЛЕПИН 05035 DEATH STAR II — UCS (СТАРАЯ ВЕРСИЯ) | Совместим с 10188 | ЛЕПИН Звездные войны | |||||
05037 |
75060 |
ЛЕПИН 05037 SLAVE I — совместим с 75060 | Лепин Звездные войны | |||||
05038 |
75059 |
ЛЕПИН 05038 САДКОРАУЛЕР — UCS | Совместим с 75059 | ЛЕПИН Звездные войны | |||||
05047 |
10236 |
ЛЕПИН 05047 EWOK VILLAGE | Совместим с 10236 | ЛЕПИН Звездные войны | |||||
06022 |
70751 |
ЛЕПИН 06022 ХРАМ ЭРДЖИТЗУ — Совместим с 70751 | ЛЕПИН НИНДЗЯГО | |||||
07043 |
76042 |
ЛЕПИН 07043 БАКЛЕР ВОЗДУШНЫЙ НОСИТЕЛЬ — Совместим с 76042 | LEPIN Heroes | |||||
15001 |
10251 |
LEPIN 15001 BRICK BANK — Совместим с 10251 | LEPIN Creator | |||||
15002 |
10182 |
LEPIN 15002 CAFÉ CORNER — Совместимость с 10182 | LEPIN Creator | |||||
15003 |
10224 |
LEPIN 15003 THE TOWN HALL — Совместимость с 10224 | LEPIN Creator | |||||
15004 |
10197 |
LEPIN 15004 FIRE BRIGADE– Совместимость с 10197 | LEPIN Creator | |||||
15005 |
10211 |
LEPIN 15005 GRAND EMPORIUM — Совместимость с 10211 | LEPIN Creator | |||||
15006 |
10232 |
LEPIN 15006 PALACE CINEMA — Совместимость с 10232 | LEPIN Creator | |||||
15007 |
10190 |
LEPIN 15007 MARKET STREET — Совместимость с 10190 | ЛЕПИН Creator | |||||
15008 |
10185 |
ЛЕПИН 15008 ЗЕЛЕНЫЕ ПРОДУКТЫ — Совместимы с 10185 | ЛЕПИН Creator | |||||
15010 |
10243 |
ЛЕПИН 15010 ПАРИЖСКИЙ РЕСТОРАН — Совместим с 10243 | LEPIN Creator | |||||
15011 |
10246 |
ЛЕПИН 15011 ДЕТЕКТИВНЫЙ ОФИС — Совместимость с 10246 (устарело) | ЛЕПИН Создатель | |||||
15015 |
ЛЕПИН 15015 МУЗЕЙ ЕСТЕСТВЕННОЙ ИСТОРИИ РИВЕНДЕЛЛ (МОЦ) | LEPIN Creator | ||||||
15017 |
ЛЕПИН 15017 МАГАЗИН BARNES & NOBLE / STARBUCKS (MOC) | LEPIN Creator | ||||||
16001 |
75827 |
ЛЕПИН 16001 Штаб-квартира пожарной части — Совместимость с 75827 | LEPIN Creator | |||||
16002 |
70810 |
ЛЕПИН 16002 Морская корова MetalBeard — Совместимость с 70810 | ЛЕПИН Фильмы | |||||
16003 |
21303 |
ЛЕПИН 16003 СТЕНА.E — Совместим с 21303 | Лепин Фильмы | |||||
16004 |
71016 |
ЛЕПИН 16004 СИМПСОНЫ KWIK-E-MART — Совместимость с 71016 | Лепин Фильмы |
|||||
16005 |
75103 |
ЛЕПИН 16005 THE SIMPSONS HOUSE — Совместим с 75103 | ЛЕПИН Фильмы | |||||
16006 |
4184 |
ЛЕПИН 16006 ПИРАТЫ КАРИБСКОГО БАССЕЙНА ЧЕРНАЯ ЖЕМЧУЖИНА — Совместимость с 4184 | ЛЕПИН Фильмы | |||||
16007 |
10288 |
ЛЕПИН 16007 БОЙЦЫ МОНСТРЫ ПРИВЕДЕННЫЙ ДОМ — Совместимость с 10288 | Лепин Фильмы | |||||
16008 |
71040 |
ЛЕПИН 16008 Disney Castle — Совместимость с 71040 | Lepin Movies | |||||
16009 |
4195 |
ЛЕПИН 16009 ПИРЕЙТЫ КАРИБСКОЙ КРАСНОЙ АННЫ КОНТЕР-АТАКА — Совместимость с 4195 | ЛЕПИН Фильмы | |||||
16010 |
10237 |
ЛЕПИН 16010 ВЛАДЕЛЬ КОЛЬЦ БАШНЯ ОРТАНКА — Совместимость с 10237 | Лепин Фильмы |
|||||
17001 |
10189 |
ЛЕПИН 17001 ТАДЖ МАХАЛ — Совместим с 10189 | Лепин Creator | |||||
17002 |
10181 |
ЛЕПИН 17002 Эйфелева башня Париж — Совместимость с 10181 | Lepin Creator | |||||
17003 |
10234 |
LEPIN 17003 SYDNEY OPERA HOUSE — Совместимость с 10181 | Lepin Creator | |||||
17005 |
10253 |
LEPIN 17005 BIG BEN ELIZABETH TOWER — Совместимость с 10253 | LEPIN Creator | |||||
20001 |
42056 |
LEPIN 20001 PORSCHE 911 GT3 RS — Совместимость с 42056 | Лепин Техник | |||||
20002 |
42052 |
ЛЕПИН 20002 ТЯЖЕЛЫЙ ВЕРТОЛЕТ — Совместим с 42052 | Лепин Техник | |||||
20004 |
42009 |
МОБИЛЬНЫЙ КРАН ЛЕПИН 20004 MK II — Совместим с 42009 | Лепин Техник | |||||
16016 |
|
ЛЕПИН 16016 ПИРАТЫ КАРИБСКОГО БАССЕЙНА ЛЕТУЧИЕ ГОЛЛАНЦЫ (МОЦ) | LEPIN Movies | |||||
20007 |
8043 |
МОТОРИЗОВАННЫЙ ЭКСКАВАТОР ЛЕПИН 20007 — Совместим с 8043 | Lepin Technic | |||||
20015 |
42055 |
ЛЕПИН 20015 КОВШОВЫЙ ЭКСКАВАТОР — Совместим с 42055 | Лепин Техник | |||||
21001 |
10220 |
ЛЕПИН 21001 ФУРГОН ФОЛЬКСВАГЕН Т1 — Совместим с 10220 | Lepin Creator | |||||
21002 |
10242 |
Модель автомобиля LEPIN 21002 Cooper — совместима с 10242 | Лепин Creator | |||||
21003 |
10194 |
ЛЕПИН 21003 Volkswagen Beetle — Совместимость с 10194 | 000 9007 | ЛЕПИН 21005 Набор кирпичей для паровоза «Изумрудная ночь» — Совместим с 10194 | Лепин Техник | |||
21008 |
21307 |
ЛЕПИН 21008 Caterham Classic 620R — Совместимость с 21307 | Lepin Technic | |||||
22001 |
10210 |
LEPIN 22001 Imperial Flagship — совместим с 10210 | Лепин Техник |
75103 .
инструкций LEGO, база данных инструкций LEGO
Мы любим LEGO и стремимся помочь всем быстро и легко.
найти инструкции к потерянным наборам LEGO. Вы пришли сюда только что
для просмотра нашей базы данных инструкций LEGO о наборах, которые у вас были в прошлые годы,
или если собака съела инструкцию к набору, который вы купили на прошлой неделе, BrickInstructions.com
здесь, чтобы помочь.
Наш веб-сайт с инструкциями LEGO призван помочь вам найти все инструкции LEGO.
от первого набора, который у вас был, когда вы были ребенком, до большинства современных LEGO
наборы, которые в настоящее время продаются у местного продавца LEGO.
Мы все знаем, что нет ничего более неприятного, чем вытащить старый
LEGO устанавливает и обнаруживает, что инструкции пропали, или даже просто
им не хватает нескольких страниц. Наш сайт с инструкциями LEGO здесь, чтобы помочь вам. Поиск
наша простая в использовании база данных инструкций LEGO либо по заданному номеру, либо по году
выпущен, или по ключевому слову. А если ничего не помогает, и вы не можете найти инструкции Lego
что вам нужно, отправьте нам электронное письмо, и мы сделаем все возможное, чтобы помочь вам получить его.
Наши самые популярные категории

Ищете другую категорию? Попробуйте наши
Страница категорий LEGO.
Просмотреть все категории LEGO
Отправьте нам сообщение
Отказ от ответственности: LEGO® является товарным знаком группы компаний LEGO (https: // www.lego.com), который не спонсирует, не авторизует и не поддерживает этот сайт
Версия веб-сайта: v2.2.1
,Руководство по обслуживанию и эксплуатации лодки
в формате PDF
На нашем сайте находится библиотека владельцев , сервисных и руководств по ремонту лодочных двигателей, мы постараемся собрать максимально полную информацию обо всех
модели моторов для лодок. Уже выложены инструкции на многие лодочные моторы .
Magnus, MAN, MarinePower, Mariner, Marlin, Mercury, Mikatsu, Minn Kota, Mitsubishi, MotorGuide, MTR Marine, MTU
На современных лодках используются два типа двигателей — бензиновый (ДВС) и электрический.
Электродвигатели легкие и практически бесшумные, проще в конструкции и дешевле в эксплуатации. Однако из-за того, что для мощных электродвигателей потребовались бы слишком большие батареи, они
выпускаются на малой мощности — до 5 л.с. (3677,5 Вт).
Кроме того, в зависимости от емкости аккумулятора ограничена продолжительность плавания.
Электродвигатели обычно используются в водоемах, где использование бензиновых двигателей запрещено по экологическим причинам или где нежелателен чрезмерный шум.
Диапазон мощностей двигателей внутреннего сгорания намного шире, их хватает даже для работы на самых быстроходных и тяжелых судах. Дальность плавания намного выше, чем на лодках с
электродвигатель. Такие суда могут переходить в самолетный режим, что снижает расход топлива. Однако эти модели весят больше электрических. К тому же они дороже как сами по себе, так и в
операция.
Двигатели различаются по своему назначению. Есть лодочные моторы классические и вспомогательные.
Классический — используется как источники основного блюда. Это могут быть малые моторы для одиночной лодки, и мощные для большой лодки или яхты;
Вспомогательные — используются на достаточно крупных кораблях в качестве помощников при различных маневрах, поворотах, швартовке и других подобных случаях. Приводы обладают большой мощностью, усиленной передачей. Их также можно использовать как классические лодки.
двигатели.
.


























































































