Информация и преимущества
Преобразователь частоты выполнен в виде панели с электронными компонентами, залитыми в пластиковый корпус с панельной опорой.
Скорость регулируется изменением частоты питающего напряжения с использованием скалярного метода управления, основанного на поддержании постоянного отношения V/F.
На передней части корпуса расположены органы управления:
- элементы индикации текущего состояния (светодиодные индикаторы направления вращения двигателя и остановки (FWD, REV, STOP), а также цифровой дисплей для отображения скорости и регулировки рабочих параметров;
- PK/SHIFT (ВЫБОР/SHIFT), MENU/ESC (MENU/EXIT), СОХРАНИТЬ/БЛОКИРОВКА (ENTER/БЛОКИРОВКА), FWD/REV (ВПЕРЕД/НАЗАД), клавиши ▲ и ▼
- (кнопки выбора параметров), ВКЛ/ВЫКЛ (СТАРТ/СТОП);
- потенциометр для регулировки числа оборотов;
- На задней части корпуса расположены две клеммы для подключения электродвигателя, напряжения питания, входных и выходных сигналов.
Панель управления и элементы индикации

L1 — индикатор БЛОКИРОВКИ
L2 — Индикатор FWD (ВПЕРЕД)
L3 — индикатор REV
L4 — индикатор ПИТАНИЯ
L5 — индикатор RS485
К1 — кнопка ПК/ШИФТ (SELECT/SHIFT)
К2 — кнопка MENU/ESC (МЕНЮ/ВЫХОД)
K3 — кнопка СОХРАНИТЬ/БЛОКИРОВАТЬ
K4 — кнопка FWD/REV (ВПЕРЕД/РЕВ)
К5, К7 — кнопки ▲ и ▼ (для выбора параметров)
К6 — кнопка ВКЛ/ВЫКЛ (СТАРТ/СТОП)
V1 — встроенный потенциометр
Некоторые пояснения работы индикаторов L1-L4 и клавиш K1-K7 приведены в таблице ниже.
L1 Индикатор LOCK мигает, когда кнопки K1, K2 и K4 заблокированы
Индикатор L2 FWD горит постоянно, когда двигатель работает в прямом направлении.
Индикатор FWD мигает при остановке после движения вперед.
L3 Индикатор REV горит постоянно, когда двигатель работает задним ходом.
Индикатор REV мигает при остановке после движения задним ходом.
L4 Индикатор POWER загорается постоянно, когда на клеммы источника питания инвертора подается питание.
L5 Индикатор RS485 мигает, когда обмен осуществляется через интерфейс RS485.
K1 Клавиша PK/SHIFT используется для выбора текущего рабочего параметра двигателя, отображаемого на экране (рабочая частота, скорость и т д.).
K2 Клавиша MENU/ESC используется для входа и выхода из меню настройки рабочих параметров.
K3 Кнопка SAVE/LOCK используется для сохранения значения параметра при настройке рабочих параметров и для блокировки/разблокировки кнопок K1, K2 и K4 на панели управления. Блокировка/разблокировка производится удержанием клавиши K3 в течение 3 секунд.
Клавиши К1, К2 и К4 блокируются автоматически через три минуты после остановки электродвигателя, при этом не происходит обмен данными по интерфейсу RS485.
Кнопка K4 FWD/REV (ВПЕРЕД/РЕВ) используется для изменения направления вращения двигателя.
Клавиши K5 ▲ и ▼ используются для изменения значения скорости, а K7 — для выбора элемента настройки.
Кнопка K6 ВКЛ/ВЫКЛ (START/STOP) используется для запуска и остановки двигателя.
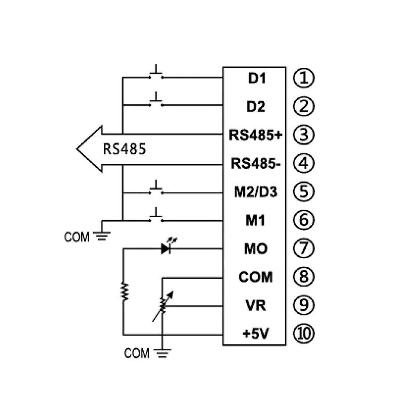
Принципиальная схема подключения

Назначения силовых клемм ПЧ
- AC — Подключение питающего напряжения 200 – 240 VAC, 50/60 Гц
- U, V, W — Подключение электродвигателя
- FG — Заземление
Назначения клемм входов/выходов ПЧ
| D1 | 1 | Дискретный вход №1 выбора предустановленной скорости |
| D2 | 2 | Дискретный вход №2 выбора предустановленной скорости |
| RS+ | 3 | Вход для обмена по интерфейсу RS485 (+) |
| RS- | 4 | Вход для обмена по интерфейсу RS485 (-) |
| M2/D3 | 5 | Дискретный вход «НАЗАД» или дискретный вход №3 для выбора предустановленной скорости |
| M1 | 6 | Дискретный вход «ВПЕРЁД» |
| M0 | 7 | Дискретный выход для коммутации встроенного источника питания 5 VDC, 50 мА с внешним реле, лампой индикации |
| COM | 8 | «-» внутреннего источника питания 5 VDC и общая клемма для входных сигналов |
| VR | 9 | Аналоговый вход для подключения внешнего аналогового сигнала по напряжению 0-5 VDC |
| +5V | 10 | «+» внутреннего источника питания 5 VDC, 30 мА (только для резистивной внешней нагрузки) |
Программирование и настройка преобразователя
Войдите в меню настройки параметров преобразователя, нажав кнопку MENU/ESC. При входе в меню настройки параметров на экране будет отображаться параметр 0.0». Необходимый параметр выбирается с помощью кнопок PK/SHIFT (ВЫБОР/SHIFT) и ▲ и ▼, переход в режим редактирования выбранного параметра осуществляется с помощью кнопки ВКЛ/ВЫКЛ (СТАРТ/СТОП).
Установка значения редактируемого параметра производится с помощью кнопок PK/SHIFT (ВЫБОР/SHIFT) и ▲ и ▼, сохранение значения — с помощью кнопки ВКЛ/ВЫКЛ (START/STOP).
После редактирования всех необходимых параметров необходимо нажать кнопку SAVE/LOCK (ВВОД/БЛОКИРОВКА) и при мигающей надписи «SAVE» еще раз нажать SAVE/LOCK, подтвердив сохранение всех параметров. Инвертор вернется в текущий режим отображения параметров.
Если нажать кнопку MENU/ESC, пока мигает надпись «SAVE», изменения параметров будут отменены, и инвертор также вернется в текущий режим отображения параметров
Автоматический возврат в режим отображения текущего параметра происходит через 20 секунд бездействия на любом уровне меню настройки.
| Пара- метр | Описание | Значения | Заводское значение |
| -0.1- | Время разгона, сек | 1-15 = 0.1 – 5.0 сек 1 – 5.0, 2 – 4.7, 3 – 4.3, 4 – 4.0, 5 – 3.7, 6 – 3.3, 7 – 3.0, 8 – 2.7, 9 – 2.3, 10 – 2.0, 11 – 1.7, 12 – 1.3, 13 – 1.0, 14 – 0.7, 15 – 0.1 |
7 |
| -0.2- | Время останова, сек | 1-15 = 0.1 – 5.0 сек 1 – 5.0, 2 – 4.7, 3 – 4.3, 4 – 4.0, 5 – 3.7, 6 – 3.3, 7 – 3.0, 8 – 2.7, 9 – 2.3, 10 – 2.0, 11 – 1.7, 12 – 1.3, 13 – 1.0, 14 – 0.7, 15 – 0.1 |
7 |
| -0.3- | Значение напряжения на низкой частоте, Гц | 5-15 Выходное напряжение при 0 Гц в % от номинального значения | 8 |
| -0.4- | Промежуточная частота V/F-кривой для настройки, Гц | 5-30 | 20 |
| -0.5- | Значение напряжения на промежуточной частоте, Гц | 28-55 в % от номинального значения | 55 |
| -0.6- | Линейный коэффициент напряжения | 80-128 | 128 |
| -0.7- | Скорость передачи данных по RS485 | 0: 4800, 1: 9600 2: 19200, 3: 38400 | 1 |
| -0.8- | Формат пакета по RS485 | 1: 8-N-1, 2: 8-N-2 3: 8-E-1, 4: 8-O-1 | 1 |
| -0.9- | Индивидуальный номер ПЧ в шине | 1 — 255 | 1 |
| -1.0- | Способ установки частоты | 0 – Кнопки ▲ и ▼ на передней панели 1 – Встроенный потенциометр V1 на передней панели 2 – Аналоговый сигнал 0-5 VDC либо внешний потенциометр 3 – Команда по RS485 4 – Переключение между предустановленными частотами по входам группы D |
1 |
| -1.1- | Способ старта/останова двигателя | 0 – Кнопки K4, K6 на передней панели 1 – Команда по RS485 2 – Работа только в направлении «ВПЕРЁД» при подаче напряжения 3 – Работа только в направлении «НАЗАД» при подаче напряжения 4 – Запуск в обоих направлениях по входным сигналам M1, M2 при подаче напряжения |
0 |
| -1.2- | Способ останова двигателя | 0 – Свободный выбег 1 – Останов за заданное время (см. -0.2-) 2 – Динамическое торможение |
0 |
| -1.3- | Настройка работы входов M1, M2/D3, D1, D2 | 0 – M1: ВПЕРЁД, M2: НАЗАД, D1, D2: НЕ ИСПОЛЬЗУЮТСЯ 1 – M1: ПУСК/СТОП, M2: РЕВЕРС, D1, D2: НЕ ИСПОЛЬЗУЮТСЯ 2 – M1: ПУСК/СТОП, D1, D2, D3: предустановленная скорость |
0 |
| -1.4- | Настройка выхода M0 | Уровень логической «1» на выходе при: 0 – Работе двигателя 1 – Достижении пороговой частоты, задаваемой настройкой -2.8- 2 – Ошибке |
0 |
| -1.6- | Уровень срабатывания тепловой защиты | 40℃ ~ 100℃ Автоматический останов работы при нагреве радиатора ПЧ до заданной температуры | 90 [℃] |
| -1.7- | Максимальная частота, Гц | 1.0 – 99.0 | 50.0 |
| -1.8- | Минимальная частота, Гц | 1.0 – 30.0 | 1.0 |
| -1.9- | Номинальная частота питающего напряжения, Гц | 1.0 – 99.0 | 50.0 |
| -2.0- | Максимальная номинальная частота питающего напряжения, Гц | 35.0 – 99.0 Ограничение сверху для параметра -1.9- | 50.0 |
| -2.1- | Предустановленная частота №1, Гц | 1.0 – 99.0 | 5 |
| -2.2- | Предустановленная частота №2, Гц | 1.0 – 99.0 | 10 |
| -2.3- | Предустановленная частота №3, Гц | 1.0 – 99.0 | 20 |
| -2.4- | Предустановленная частота №4, Гц | 1.0 – 99.0 | 25 |
| -2.5- | Предустановленная частота №5, Гц | 1.0 – 99.0 | 35 |
| -2.6- | Предустановленная | 1.0 – 99.0 | 40 |
| частота №6, Гц | |||
| -2.7- | Предустановленная частота №7, Гц | 1.0 – 99.0 | 45 |
| -3.0- | Отображение значений тока | 1 – в процентах [?] | 1 |
| -3.2- | Стартовая частота при динамическом торможении, Гц | 0-50 | 0 |
| -3.3- | Время торможения, сек (для динамического торможения) | 0.0-5.0 | 0 |
| -3.4- | Уменьшение напряжения питания при торможения, % | 0-30% | 0 |
| -3.5- | Количество пар полюсов электродвигателя | 1-6 1 – одна пара (3000 об/мин) 2 – две пары (1500 об/мин) 3 – три пары (1000 об/мин) 4 – четыре пары (750 об/мин) |
2 |
| -3.6- | Подстроечный коэффициент скольжения | 0.01 – 1.0 Если нужно дополнительно откорректировать скорость | 1 |
| -3.7- | Номинальная скорость электродвигателя, об/мин | 1-9999 | 1500 |
| -3.8- | Предустановленная частота №0, Гц | 1.0 – 99.0 | 1 |
| -3.8- | Возврат к заводским настройкам | На дисплее мигает CLE, для возврата к заводским настройкам нажмите ON/OFF (ПУСК/СТОП) | |
| -9.1- | Перезагрузка ПЧ | На дисплее мигает 8.88, для возврата перезагрузки нажмите ON/OFF (ПУСК/СТОП) | |
| -9.5- | Перезагрузка ПЧ | На дисплее мигает 8.88, для возврата перезагрузки нажмите ON/OFF (ПУСК/СТОП) | |
| -9.7- | Версия железки | -X.xx- | |
| -9.9- | Версия ПО ПЧ | -X.xx- |
Работа с предустановленными скоростями
Цифровые входы D1, D2 и D3 используются для работы с заданными скоростями. Для работы в этом режиме установите значение настройки -1,0- на 4. Инвертор устанавливает скорость двигателя в соответствии со значениями сигналов трех входов группы D.
| D1 | D2 | D3 | Скорость | Параметр | Заводское значение, Гц |
| OFF | OFF | OFF | Скорость (частота) №0 | -3.8- | 1 |
| ON | OFF | OFF | Скорость (частота) №1 | -2.1- | 5 |
| OFF | ON | OFF | Скорость (частота) №2 | -2.2- | 10 |
| ON | ON | OFF | Скорость (частота) №3 | -2.3- | 20 |
| OFF | OFF | ON | Скорость (частота) №4 | -2.4- | 25 |
| ON | OFF | ON | Скорость (частота) №5 | -2.5- | 35 |
| OFF | ON | ON | Скорость (частота) №6 | -2.6- | 40 |
| ON | ON | ON | Скорость (частота) №7 | -2.7- | 45 |
ON – высокий уровень логического сигнала
OFF – низкий уровень логического сигнала
Торможение постоянным током
Особенности настройки параметров при динамическом торможении постоянным током.
| Параметр | Значение | Настройка |
| -1.2- | Режим останова | Установите значение =2 (динамическое торможение) |
| -3.2- | Целевая частота при торможении | Установите целевую частоту торможения (от 0.0 до 50.0 Гц). По умолчанию = 0.0 Гц, тормозим в ноль |
| -3.3- | Время торможения | Установите время торможения (от 0.0 до 5.0 сек с шагом 0.1 сек). По умолчанию = 0.0 сек |
| -3.4- | Уменьшение напряжения при торможения | Установите значение напряжения питания при торможении (от 0% до 30%). По умолчанию = 0% |
Список возможных ошибок
Инвертор оснащен защитой от пониженного напряжения, повышенного напряжения, перегрузки по току и перегрева. При обнаружении неисправности клеммы выходного питания блокируются. При этом на экране отображается код ошибки x.x. Необходимо определить причину сбоя и принять соответствующие решения в соответствии с рекомендациями, приведенными в таблице ниже. Если неисправность не может быть устранена указанным способом, необходимо обратиться к поставщику для диагностики преобразователя.
| Код ошибки | Описание | Возможная причина | Устранение |
| E-0.1 E-0.9 |
Перегрев ПЧ | Неисправен встроенный вентилятор охлаждения Слишком высокая температура окружающей среды | Ремонт вентилятора Снизить температуру окружающей среды Установить дополнительное внешнее охлаждение |
| E-0.2 E-0.4 |
Перегрузка по току | Перегрузка двигателя Неверно настроена V/Fкривая Неверно выбрана мощность ПЧ Выход ПЧ из строя | Устранить избыточную нагрузку, заклинивание и .п. Проверить настройки V/Fкривой Заменить ПЧ на более мощный Отправить ПЧ в ремонт |
| E-0.5 E-0.6 |
Ошибка термодатчика | Обрыв или повреждение цепи встроенного термодатчика | Отправить ПЧ в ремонт |
| E-0.8 | Гиперперегрузка по току | Выходной ток превышает номинальный в два раза в течение 6 сек | Заменить ПЧ на более мощный Отправить ПЧ в ремонт |
| E-1.0 | Перенапряжение | Слишком быстрая остановка | Увеличить время торможения |
Габаритные размеры преобразователя
Скачать полную инструкцию.
На чтение 12 мин Просмотров 45 Опубликовано 26 марта 2023 Обновлено 26 марта 2023
Содержание
- Преобразователь частоты t13 750w 12 h инструкция
- Частотный преобразователь 400 Вт, 750 Вт, с приводом RS485 для трехфазного двигателя MCU T13-400W-12-H, однофазный вход
- #1 Если выбрать 750w, значит асинхронные мощностью до 750 вт только подключать? у меня асинх 550 вт
- #2 Возможно ли к нему подключить шаговый биполярный двигатель?
- #3 Можно ли подключить 3х фазный двигатель? Без конденсатора?
- #4 Подскажите как переключить с внешнего управления на обычное
- #5 Если выбрать 750w, значит асинхронные мощностью до 750 вт только подключать? у меня асинх 550 вт
- #6 У меня есть старый однофазный двигатель, могу ли я использовать его для регулировки скорости?
- #7 Есть плавный пуск.останов?
- #8 Возможно ли подключение однофазного токарного двигателя 220 В, имеющего вспомогательный обмоточный конденсатор. Должен ли я подключаться к V и W? Спасибо вам
- #9 Могу ли я использовать его с 127В + 127В? И управление трехфазным двигателем 220В?
- #10 Поработал минут 10 и стал выдавать Е 2(импульсная нагрузка) причем даже без двигателя, проверил, все параметры заводские, может кто сталкивался?
- #11 Возможно ли к нему подключить шаговый биполярный двигатель?
- #12 Скачать руководство по QR-коду можно?
- #13 Может ли работать однофазный асинхронный двигатель
- #14 Подойдёт ли для регулировки асинхронного двигателя?
- #15 Какой максимально по мощности, можно поставить двигатель? Спасибо.
- #16 Туплю, извините. Он подойдет для трехфазного двигателя системы вентиляции?
- #17 Что означает +MOD 485
- #18 Как подключить однофазный двигатель 220в для изменения оборотов.
- #19 Есть инструкция на русском?
- #20 У кого-то есть ссылка, чтобы загрузить руководство на английском языке, спасибо
- #21 Кто-то может сделать ссылку?
- #22 Двигатель от стиралки потащит?
- #23 Сколько л.с. трехфазного может обрабатывать продукт?
- #24 Что означает modbus rs485? Спасибо.
- #25 Подходит для стандартного мотора кисти 230В?
- #26 Здравствуйте, мне понадобится ссылка на английском языке для настройки и подключения устройств, которые я купил вам, Перевод китайского на французский не совсем Пояснительный Спасибо вам
- #27 Могу ли кто-то дать мне руководство на английском языке? Спасибо вам
- #28 Здраствуйте скажите пожалуйста этот прибор подходит ли для запуска LG линейных компрессоров двух выводный?
- #29 Я запущу эл.Двигатель с пусковой и рабочей обмоткой и регулировкой оборотов.Сбасибо.
- #30 Этот ключ удерживает трехфазный двигатель до того, сколько л.с.?
- Отзывы покупателей
- Частотный преобразователь T13-750W-12-H 750 Вт, 220 В, однофазный вход, трехфазный выход
- Условия возврата и обмена
- Сроки возврата
- Частотный преобразователь 750 Вт, 220 В однофазный вход -> трехфазный выход
- Как запустить и настроить частотный преобразователь — инструкция для чайников
- Подключение силовых цепей
- Подключение цепей управления
- Настройка
- А теперь к параметрированию
- Далее переведём управление на внешние кнопки и настроим его
- Защита и безопасность
- Вместо заключения
Преобразователь частоты t13 750w 12 h инструкция
Частотный преобразователь 400 Вт, 750 Вт, с приводом RS485 для трехфазного двигателя MCU T13-400W-12-H, однофазный вход
MannHwa Smart Home Electrical — Надежность 95.75%
Более 15071 подписчиков, дата открытия магазина 17.03.2015
- Положительные оценки: 97% (20572) Соответствие описанию: 96% Отвечает на сообщения: 96% Скорость отправки: 94%
Последнее обновление: 14.01.2022
#1 Если выбрать 750w, значит асинхронные мощностью до 750 вт только подключать? у меня асинх 550 вт
#2 Возможно ли к нему подключить шаговый биполярный двигатель?
#3 Можно ли подключить 3х фазный двигатель? Без конденсатора?
#4 Подскажите как переключить с внешнего управления на обычное
#5 Если выбрать 750w, значит асинхронные мощностью до 750 вт только подключать? у меня асинх 550 вт
#6 У меня есть старый однофазный двигатель, могу ли я использовать его для регулировки скорости?
#7 Есть плавный пуск.останов?
#8 Возможно ли подключение однофазного токарного двигателя 220 В, имеющего вспомогательный обмоточный конденсатор. Должен ли я подключаться к V и W? Спасибо вам
#9 Могу ли я использовать его с 127В + 127В? И управление трехфазным двигателем 220В?
#10 Поработал минут 10 и стал выдавать Е 2(импульсная нагрузка) причем даже без двигателя, проверил, все параметры заводские, может кто сталкивался?
80 Вт. Скачайте инструкцию на английском, там должны быть указаны ситуации, при которых возникает ошибка E2.
#11 Возможно ли к нему подключить шаговый биполярный двигатель?
#12 Скачать руководство по QR-коду можно?
#13 Может ли работать однофазный асинхронный двигатель
#14 Подойдёт ли для регулировки асинхронного двигателя?
#15 Какой максимально по мощности, можно поставить двигатель? Спасибо.
#16 Туплю, извините. Он подойдет для трехфазного двигателя системы вентиляции?
#17 Что означает +MOD 485
#18 Как подключить однофазный двигатель 220в для изменения оборотов.
#19 Есть инструкция на русском?
#20 У кого-то есть ссылка, чтобы загрузить руководство на английском языке, спасибо
#21 Кто-то может сделать ссылку?
#22 Двигатель от стиралки потащит?
#23 Сколько л.с. трехфазного может обрабатывать продукт?
#24 Что означает modbus rs485? Спасибо.
#25 Подходит для стандартного мотора кисти 230В?
#26 Здравствуйте, мне понадобится ссылка на английском языке для настройки и подключения устройств, которые я купил вам, Перевод китайского на французский не совсем Пояснительный Спасибо вам
#27 Могу ли кто-то дать мне руководство на английском языке? Спасибо вам
#28 Здраствуйте скажите пожалуйста этот прибор подходит ли для запуска LG линейных компрессоров двух выводный?
#29 Я запущу эл.Двигатель с пусковой и рабочей обмоткой и регулировкой оборотов.Сбасибо.
#30 Этот ключ удерживает трехфазный двигатель до того, сколько л.с.?
Отзывы покупателей
Страна: UA Color: 750W Доставка: Special Line-YW 31.01.2021
Страна: BR Color: 750W add RS485 Доставка: AliExpress Standard Shipping 22.01.2021
Протестировано 3/4 «HP. Отлично работает!
Страна: RU Color: 750W Доставка: AliExpress Standard Shipping 15.01.2021
Страна: MX Color: 750W Доставка: AliExpress Standard Shipping 23.02.2021
Страна: RU Color: 750W Доставка: AliExpress Standard Shipping 27.01.2021
lдошло быстро. упаковка качественная. В деле проверять буду потом
Страна: IT Color: 400W add RS485 Доставка: AliExpress Standard Shipping 23.02.2021
Страна: ES Color: 750W Доставка: AliExpress Standard Shipping 07.03.2021
Страна: IT Color: 750W add RS485 Доставка: AliExpress Standard Shipping 06.03.2021
К сожалению, китайское руководство и просто не может программировать его, так что я не могу использовать его.
Страна: UA Color: 750W Доставка: AliExpress Standard Shipping 23.02.2021
Не успел я забрать заказ так он передвинул срок подтверждения и не вернул его назад по моей просьбе.
Страна: EU Color: 750W Доставка: AliExpress Standard Shipping 04.03.2021
Доставили быстро, на вид все как в описании остальное после подключения
Покупатель AliExpress
Страна: RU Color: 750W add RS485 Доставка: AliExpress Standard Shipping 03.03.2021
Страна: BY Color: 750W Доставка: Seller’s Shipping Method 19.02.2021
Частотник выполняет свои функции. Правда из 220 вольт я не понял как получить линейное 380, но и на линейном 220 трехфазный двигатель крутится нормально. All is OK, device is work. Good seller.
Страна: RU Color: 750W Доставка: AliExpress Standard Shipping 28.02.2021
Продавец достаточно долго отправлял заказ, можно было бы и побыстрее. Инструкцию на английском и список параметров на русском по моей просьбе прислал на email. Упаковано хорошо, коробка цела. В работе пока не проверял.
Страна: LV Color: 750W add RS485 Доставка: China Post Registered Air Mail 09.02.2021
Спасибо за товар. Проверю напишу.
Страна: RU Color: 750W Доставка: AliExpress Standard Shipping 06.02.2021
все очень прекрасно, и доставка, и частотник подключил сразу. работает. не ожидал от наших братьев из Китая. вы молодцы!
Страна: PL Color: 750W Доставка: AliExpress Standard Shipping 12.02.2021
Товар соответствует описанию, быстрая доставка. Если у вас нет инструкций на английском языке, продавец prosilom о przyslanie her или предоставляет ссылку на вечеринку, с которой вы можете скачать, прошел неделю без ответа. Из этого следует, что продавец интересует только продажу. Устройство konkluduj① cool seller не обязательно, не рекомендуется этот продавец.
Страна: RU Color: 750W add RS485 Доставка: AliExpress Standard Shipping 21.02.2021
Товар пришел в неисправном состоянии, буду открывать спор.
Страна: DE Color: 750W add RS485 Доставка: AliExpress Standard Shipping 16.02.2021
Hello, I cannot use this device in any way if I only have a Chinese description. Please send me instructions at least in English. I have informed the seller about this, but have not received any feedback so far. With best regards
Частотный преобразователь T13-750W-12-H 750 Вт, 220 В, однофазный вход, трехфазный выход
| День | Время работы | Перерыв |
|---|---|---|
| Понедельник | 09:00 — 18:00 | |
| Вторник | 09:00 — 18:00 | |
| Среда | 09:00 — 18:00 | |
| Четверг | 09:00 — 18:00 | |
| Пятница | 09:00 — 18:00 | |
| Суббота | Выходной | |
| Воскресенье | Выходной |
* Время указано для региона: Россия, Санкт-Петербург
Условия возврата и обмена
Компания осуществляет возврат и обмен этого товара в соответствии с требованиями законодательства.
Сроки возврата
Возврат возможен в течение 7 дней после получения (для товаров надлежащего качества).
Обратная доставка товаров осуществляется по договоренности.
Согласно действующему законодательству вы можете вернуть товар надлежащего качества или обменять его, если:
- товар не был в употреблении и не имеет следов использования потребителем: царапин, сколов, потёртостей, пятен и т. п.;
- товар полностью укомплектован и сохранена фабричная упаковка;
- сохранены все ярлыки и заводская маркировка;
- товар сохраняет товарный вид и свои потребительские свойства.
Частотный преобразователь 750 Вт, 220 В
однофазный вход -> трехфазный выход
Надёжный, компактный и простой преобразователь частоты для управления трехфазным двигателем. Оптимальное соотношение функциональности, простоты настройки и работы и привлекательной цены. Для управления электродвигателем ПЧ использует скалярное управление V/F-кривой, несущая частота 8 кГц. Диапазон управления выходной частотой — от 1 Гц до 99 Гц.
ПЧ работает с трехфазными двигателями при подключении «треугольником» — на 220 В. На входе ПЧ питание однофазное 220 В.
Панельное исполнение, монтаж на дверцу шкафа управления, компактные размеры корпуса.
Как запустить и настроить частотный преобразователь — инструкция для чайников
Его называют инвертор, частотный регулятор или просто «частотник». Зачем же нужен этот черный ящик и как его настроить? Попробуем разобраться на примере Inovance MD310.
Преобразователь частоты — это силовой электронный блок, который является посредником между системой управления и электродвигателем. Он обеспечивает питание для двигателя, защищает его и задаёт необходимый режим работы — разгон, торможение или постоянное изменение скорости.
Для примера возьмем шлифовальный станок, который часто можно встретить в промышленном цеху или в столярной мастерской. Для качественной работы станка движение должно осуществляться в двух направлениях, скорость вращения ленты — меняться плавно, а аварийная кнопка мгновенно отключать питание. Без преобразователя частоты тут точно не обойтись.
Рис.1 Внешний вид шлифовального станка.
Подключение силовых цепей
Все провода, подключаемые к частотному преобразователю, можно разделить на 2 группы: силовые и контрольные. Рассмотрим подключение силовых.
Три провода сетевого питания 380 В, 50 Гц — клеммы R, S, T + провод заземления PE. Нейтраль частотному преобразователю не нужна. Даже если она у вас есть, подключать не нужно. А вот провода питания можно подключать в любом порядке. При необходимости чередование фаз можно изменить в программе частотника.
Три провода питания двигателя — клеммы U, V, W + провод заземления PE. На выходе напряжение может меняться от 0 до 380 В, а частота от 0 до 500 Гц. В этом и кроется смысл работы частотного преобразователя — он позволяет изменять скорость двигателя от нуля до номинального значения и даже выше, если это позволяет механика.
Рис.2 Подключение силовых цепей
Подключение цепей управления
С контрольными проводами всё несколько сложнее. Тут нужно хорошо подумать, прежде чем подключать. На выбор целая россыпь дискретных и аналоговых входов и выходов. В документации производители чаще всего публикуют стандартную схему подключения с заводскими настройками, но для каждого механизма на деле нужна своя схема и индивидуальные настройки.
Рис.3 Подключение цепей управления
У нас задача не самая сложная. Для управления шлифовальной машиной достаточно кнопок «Пуск», «Стоп», переключателя «Вперед – Назад» и переменного резистора для изменения скорости вращения, его ещё называют потенциометром.
К дискретным входам DI подключаются сигналы, которые могут принимать одно из двух состояний — «вкл» и «выкл» или логический 0 и 1. В нашей схеме это кнопки «Пуск», «Стоп», переключатель направления и аварийный «грибок». Мы будем использовать кнопки без фиксации, которые уже установлены на станке.
К аналоговым входам AI подключаются сигналы с непрерывно меняющейся величиной тока 4. 20 мА или напряжения 0. 10 В. Это могут быть датчики, сигналы от контроллера или другого внешнего устройства. В нашем случае — это ручка потенциометра, которая обеспечивает плавную регулировку скорости.
Потенциометр или переменный резистор — это регулируемый делитель напряжения с тремя контактами.

Рис.4 Внешний вид потенциометра
На два крайних неподвижных контакта подаётся постоянное напряжение 10 В от частотного преобразователя, а средний подвижный контакт служит для снятия текущей величины напряжения, которая зависит от положения ручки. Если ручка повернута наполовину, значит и напряжение будет только половинное = 5 В. Преобразователь пересчитает напряжение в задание скорости и разгонит двигатель.
Рис.5 Подключение потенциометра
Любой потенциометр не подойдёт, необходим с сопротивлением от 2 до 5 кОм, чтобы аналоговый вход стабильно работал. А ещё он должен быть с удобной ручкой, ведь крутить его придётся постоянно. Мощность может быть любой, даже 0,125 Вт достаточно. Идеально подойдёт XB5AD912R4K7 с сопротивлением 4,7 кОм.
На дискретные — DO и аналоговые выходы AO преобразователь выдает информацию о своем текущем состоянии, скорости или токе двигателя, достижении заданных значений или выходе за их пределы. В нашем случае выходы не используются, поэтому подключать нечего.
Настройка
Недостаточно просто подключить все провода к частотнику, его ещё нужно правильно настроить, чтобы механизм работал стабильно и долго. Для этого в частотном преобразователе несколько сотен параметров. Конечно, все настраивать не придётся, но вот основные — обязательно.
Настройка осуществляется с помощью клавиш на встроенной панели управления. С ними всё предельно просто.
Кнопка PRG отвечает за вход и выход из режима программирования. Кнопки вверх, вниз и вбок осуществляют навигацию внутри меню, а кнопка Enter — подтверждает выбор параметра или его значения.
MF.K — это дополнительная функциональная кнопка, которую можно настроить на необходимое действие, например переключение между местным и дистанционным управлением или смену направления вращения.
Зеленая и красная кнопки — это Пуск и Стоп, если управление осуществляется с панели.
Если запутались, не беда. Нужно несколько раз нажать на кнопку PRG, чтобы вернуться к исходному состоянию.

Рис.6 Внешний вид панели управления
А теперь к параметрированию
Во-первых, необходимо дать понять частотному преобразователю, какой двигатель к нему подключен. Для этого в параметры с F1-01 по F1-05 запишем значения с шильдика двигателя:
F1-01 = 1,5 кВт — номинальная мощность двигателя
F1-02 = 380 В — номинальное напряжение двигателя
F1-03 = 3,75 А — номинальный ток двигателя
F1-04 = 50 Гц — номинальная частота двигателя
F1-05 = 1400 об/мин — номинальная скорость двигателя
Рис.7 Шильдик двигателя
Теперь, когда основные данные о двигателе есть, нужно провести автонастройку. Этот процесс нужен, чтобы частотный преобразователь ещё лучше адаптировался к работе с конкретным двигателем: вычислил сопротивление и индуктивность обмоток. Так управление будет точнее, а экономия энергии — больше.
Для запуска процедуры устанавливаем F1-37 = 1 — статическая автонастройка и нажимаем кнопку «Run» на панели управления. Через пару минут дисплей переходит в исходное состояние и частотник готов к работе.
Далее переведём управление на внешние кнопки и настроим его
В нашем случае подойдёт трёхпроводное управление, где кнопка «Стоп» осуществляет разрешение на работу, кнопка «Старт» — запуск станка, а переключатель выбирает направление вращения.
Рис.8 Схема трёхпроводного управления
Настроим эти параметры:
F0-02 = 1 — управление через клеммы управления
F0-03 = 2 — задание частоты с AI1 (потенциометр)
F4-00 = 1 — пуск
F4-01 = 2 — выбор направления движения
F4-02 = 3 — разрешение работы
F4-03 = 47 — аварийный останов
F4-11 = 3 — режим трёхпроводного управления
Теперь станок начинает оживать, реагирует на нажатие кнопок и вращение ручки скорости. Остаётся настроить время разгона, торможения и проверить на практике удобство использования. Наш частотный преобразователь настроен и готов к использованию!
Защита и безопасность
Преобразователь частоты — умное устройство. После настройки в работу включаются все защитные функции, которые в случае аварии сберегут и сам частотник, и двигатель, и механизм.
Например, при заклинивании: преобразователь вычислит, что ток двигателя намного выше номинального, который мы установили в параметре F1-03 ранее, выдаст ошибку «Перегрузка двигателя» и отключится. Двигатель не перегреется и не сгорит, а механика останется целой.
А если возникла угроза здоровью оператора или поломки оборудования — спасет аварийная кнопка «грибок». При её нажатии преобразователь в мгновение остановит станок и отключит питание. Никто не пострадает!
Вместо заключения
Настройка частотного преобразователя — процесс увлекательный. Порой преобразователь берёт на себя не только управление двигателем, но и целой системой и может заменить даже простой контроллер. К частотнику можно подключать датчики, лампы индикации, реле и даже контакторы. Применение преобразователю можно найти везде: от насосов и конвейеров до сложных станков, подъёмников и лифтов. Главное внимательно изучать документацию и делать всё по порядку, тогда всё обязательно получится.
Источник
Аличекер!
Наш сервис позволит тебе легко следить за изменением цен на товары и находить выгодные предложения. Мы предлагаем фильтрацию предложений по быстрой доставке, а также возможность сравнить цены на товары и найти копии нужного продукта. Не упусти выгодную сделку и начни экономить на покупках прямо сейчас с помощью нашего удобного сервиса!
3 564,40₽
3 839,90₽ -7.17%
MannHwa Smart Home Electrical — Надежность 95.75%
Более 16041 подписчиков, дата открытия магазина 17.03.2015
- Положительные оценки: 97% (16562)
- Соответствие описанию: 96%
- Отвечает на сообщения: 96%
- Скорость отправки: 94%
Последнее обновление: 29.05.2022


Этот продукт однофазный 220 В вход, Трехфазный 220 В выход
Объяснение общих слов:
220 В один вход один выход: однофазный 220 В вход, однофазный 220 В выход. Есть два провода двигателя, одна емкость или двойная емкость на двигателе
220 В один в три выхода: однофазный 220 В вход, Трехфазный 220 В выход. Есть два провода двигателя, и на двигателе нет конденсатора
380V Три в из: трехфазный 380V вход переменного тока, трехфазный 380V выход. Есть три провода двигателя
220V до 380V как самостоятельный элемент и три: однофазный 220V вход переменного тока, трехфазный 380V выход. Три провода двигателя
Т.е. это максимальная мощность движка 0.75кв, 550 меньше, естественно можно.
Поиск Ручной металтекс IF0 201 1
Поставляется в том же руководстве
На сверлилке 650вт при сверленияи каронками большого диаметра уходит в защиту. Где-то до 60 мм защита не срабатывает мощности в принципе хватает 1.5 кВт частотник было помощнеё.
Нет, для шаговых есть генераторы импульсов и драйверы.
Да, подойдет. смотри мощность мотора, не более 750 Ватт
Это для взаимодействия с автоматическими алгоритмами, для дома не надо
Да, есть такая возможность
Нет, мощности мало, на 500 ват максимум.
Я думаю это функция для полного управления дистанционно. Она нужна для того , если устройство находится в месте для которого нет доступа.
Конденсатор не нужен, подключаемые обмотки должны быть скоммутированы звездой. Читайте инструкцию в интернете. Для 110 вольт, необходимо брать модель на 110 вольт.
Подойдёт, если канальный вентс трехфазный
Да, звонит и работает идеально!
Если двигатель не более 400 wt то потянет.
Преобразователь 750 ватт = 1 лошадиная сила
Я не помню но я скачивал быстро на русском и она точная
Тип цифррвого обмена данных между электронными блоками.
Если двигатель асинхронный имеет три симетричные обмотки,конденсатор надо убрать из схемы а обмотки двигателя соединить в треугольник
Отсканируйте qr-код в описании перейдите по ссылке, ответьте на вопрос aa84 (Он задает вопрос на китайском языке, но это видно), и он даст вам английский. Rar, похожий на китайское руководство.
Отсканируйте QRcode в описании, перейдите по ссылке, ответьте на aa84, это дает вам английский язык. Rar.
Нет, нужен трехфазный двигатель
Купил этот ключ, облагались налогом, придя сюда, не работают, связался без поддержки
Он и рассчитан для работы без конденсатора.
Инструкция есть в инете наш похожий делают только дороже
Да, 127*127 = двухфазный, форма 220В, вы должны начать двигатель с входа в треугольник для работы.
У меня работает нормально и с двигателем на 270 Вт и маленьким ~80 Вт.
Скачайте инструкцию на английском, там должны быть указаны ситуации, при которых возникает ошибка E2.
А не проще однофазный подключить непосредственно к сети 220 вольт? Теоретически можно но практически нет смысла
-
Выходная мощность
500-1000 Вт
-
Индивидуальное изготовление
Да
-
Минимальная единица измерения
100000015
-
Номер модели
T13-400W-12-H
-
Размер логистики — высота (см)
10
-
Размер логистики — длина (см)
12
-
Размер логистики — ширина (см)
6
-
Частота на выходе
1.0-99.0HZ
Отзывы покупателей
S***a
Страна: RU Color: 750W add RS485 Доставка: Standard Shipping 29.11.2021
Миниатюрный. Завтра буду подключать, дополню. доставка и упаковка хорошая.
Э***r
Страна: RU Color: 750W add RS485 Доставка: Standard Shipping 10.11.2021
Товар отправили быстро.С продавцом не общался.Пришло три заказа в одной посылке.Товар хорошо упакован в картонную коробку, в нутри пенопласт.Брал по отзывам покупателей.Качество хорошее.Минус, только нет инструкции на русском.Завтра буду изучать и настраивать ,Ютуб в помощь.Продавца рекомендую
R***v
Страна: RU Color: 750W Доставка: Standard Shipping 02.12.2021
Добралось из Китая за три недели, заказывал 11.11 . Качество исполнение очень хорошее. Брал для сверлильного движек 650. Схема подключения понятна, есть доп подключение (схему надо искать). Продавца и товар рекомендую.
D***p
Страна: RU Color: 400W add RS485 Доставка: Standard Shipping 19.12.2021
Выглядит очень качественно. Проверить пока не могу. Продавцу спасибо!
A***b
Страна: RU Color: 750W Доставка: Standard Shipping 11.11.2021
Дошло в приемлемые сроки. Упаковка не повреждена. Пока не подключал.
F***v
Страна: RU Color: 750W Доставка: Standard Shipping 23.12.2021
За такие средства, все супер, работает с коробки, настройки понятные
V***V
Страна: RU Color: 750W Доставка: Standard Shipping 20.12.2021
брал товарищу, сказал всё хорошо, хочет заказать ещё один, доставка быстрая
I***v
Страна: RU Color: 750W add RS485 Доставка: Standard Shipping 22.12.2021
Супер!!! Частотник полностью соответствует описанию! Маленький, можно установить на лицевую панель шкафа. Подключил — все работает, мотор крутится! По дефолту пуск с лицевой панели отключен (меню п. 1.1 надо поставить 0 чтобы запуск был с панели) и это правильно, чтобы случайно не запустить двигатель при подключении. Очень понравился!
2***r
Страна: RU Color: 750W add RS485 Доставка: Standard Shipping 21.12.2021
товар пришёл раньше срока продавцом даволен рекомендую
9***r
Страна: RU Color: 750W Доставка: Standard Shipping 07.10.2021
Поставил на швейную машину 1022м вместо конструкции с конденсатором. Работает отлично, прямо из коробки. Подключение элементарное: вход втыкается в «imput» выход в «output». Так как мне не нужно, чтоб двигатель крутился обратно, с реверсом не заморачивался.
S***r
Страна: RU Color: 750W add RS485 Доставка: Standard Shipping 06.10.2021
Супер
E***v
Страна: RU Color: 750W Доставка: Standard Shipping 25.09.2021
Норм, работает
H***e
Страна: MA Color: 750W add RS485 Доставка: Cainiao Standard For Special Goods 09.10.2021
Заказ получен Очень хорошая упаковка Спасибо, спасибо.
R***k
Страна: US Color: 750W add RS485 Доставка: Standard Shipping 23.09.2021
Продукт работает. Если вы заказываете версию MODBUS и хотите использовать VFD вручную. Я добавила настройки на английском языке.
5***r
Страна: RU Color: 750W add RS485 Доставка: Standard Shipping 18.12.2021
На коробке, в которой был преобразователь, имеются две цифровые печати. одна печать ведёт на китайский файлообменник, и через пароль на коробке скачиваем инструкцию на английском. Вторая печать видимо об устройстве, но она не читается…
A***v
Страна: UA Color: 750W Доставка: Standard Shipping 29.11.2021
доставка в Одескую область 3 недели , всё целое, упаковка качественная не повреждения.Доставка отслеживать все время, из Китая пришло быстрее чем по Украине, пока не проверял , после проверки добавлю отзыв
Покупатель
Страна: RU Color: 750W Доставка: Standard Shipping 18.12.2021
Работает, пока все хорошо! Надеюсь на долго хватит.
В***в
Страна: RU Color: 750W Доставка: Standard Shipping 01.11.2021
Получил довольно таки быстро, все работает, продавцу спасибо
T***a
Страна: RU Color: 750W Доставка: Standard Shipping 13.12.2021
Заказ получил. Внешне все целое, хоть коробка и помята. Подключил, проверил все работает. Внешнее управление пока не подключал. А так покупкой, пока доволен.
I***v
Страна: RU Color: 750W Доставка: Standard Shipping 02.12.2021
Один из тех редких случаев, когда содержимое посылки, качество и функции товара полностью соответствуют моим ожиданиям.
G***a
Страна: RU Color: 750W Доставка: Standard Shipping 04.12.2021
Доставлено в срок. Мужу понравился. Заработал сразу из коробки. Упаковано отлично в коробку с пенопластовыми вкладышами. Поэтому все дошло в целости.
S***v
Страна: RU Color: 750W Доставка: Standard Shipping 09.12.2021
все супер,проверил все работает.брал для мешалки пвк 180 ватт.
A***v
Страна: RU Color: 750W Доставка: Standard Shipping 15.12.2021
Я не знаток. Пришлось полчаса смотреть ролики на ютубе, а потом тупо прочитать текст на пару минут, где на рисунке показано, как надо подключать мой двигатель треугольником. Дальше 10 минут на поиск инструмента, зачистку проводов и подключение. На удивление движок, которому уже за 35 лет и видимо никогда еще не работал, просто взял и начал крутиться. По шильдику 80 Вт. Обороты регулируются. Как держит нагрузку на низких оборотах пока не выяснял. В общем, первое впечатление положительное.
O***o
Страна: RU Color: 750W add RS485 Доставка: Standard Shipping 07.11.2021
ЧП оплатил 18,10, забрал с почты 06.11. Продавец не отвечает на вопросы. ЧП работе, всё нормально. Советую к покупке.
K***n
Страна: AU Color: 750W add RS485 Доставка: ePacket 22.10.2021
Получил в хорошее время и согласно описанию. Мне просто нравится, когда продукт упакован так хорошо. Я не пробовал этот контроллер, но у меня нет брони на его качество, оставлю отзыв об этом через пару дней. Рекомендовать этого продавца. Спасибо!
A***v
Страна: RU Color: 750W Доставка: Standard Shipping 08.10.2021
классный преобразователь. подключил к 220 сети и к 3х фазному движку 0,75 квт работает отлично. мягко. не болтает. гораздо лучше чем через конденсатор включать. реверс регулировка оборотов от нуля . больше в настройки не лез пока что. пришло относительно быстро.
S***a
Страна: RU Color: 400W add RS485 Доставка: Standard Shipping 24.10.2021
Для тестирования управляемости по RS485 были взяты две произвольные частоты 25,5 Гц и 49,6 Гц, мотор постоянно работал, направление вращения не менялось. При подаче посылки установить частоту 25,5 Гц прибор с первого раза не отвечает и частоту не устанавливает, а отвечает лишь со второго раза и устанавливает частоту. При подаче посылки установить частоту 49,6 Гц прибор с первого раза отвечает и частоту устанавливает, но при повторной подаче посылки прибор не отвечает.
R***r
Страна: RU Color: 750W Доставка: Standard Shipping 26.09.2021
Частотник соответствует описанию. Пришел в рабочем состоянии. Трехфазный двигатель на 0.25 кВт тянет легко. Рекомендую.
A***o
Страна: RU Color: 750W Доставка: Standard Shipping 27.10.2021
Получил. Продавец тянул с отправкой, отправил через неделю. пришло за месяц. Настраивается очень просто. документация в инете на русском есть. неплохой частотник для малых мощностей. Рекомендую.
Покупатель
Страна: DO Color: 750W Доставка: Standard Shipping 21.12.2021
Хороший продукт, быстрая доставка. Этот продавец 100% рекомендует.
I***V
Страна: RU Color: 750W add RS485 Доставка: Standard Shipping 02.10.2021
Получил, подключил двиг в треугольник, в пункте 1.1 ставьте 0, жмем 2 раза кнопку save иначе не запустится, Штука крутая, но нужно разбираться.
I***v
Страна: RU Color: 750W add RS485 Доставка: Standard Shipping 23.09.2021
Отличная штуковина, крутит любые движки однофазные и трехфазные, рад и доволен )))
M***v
Страна: RU Color: 750W Доставка: Standard Shipping 28.10.2021
Посылку получил.Всё в целости и сохранности.Спасибо за товар.Когда проверю работу отзыв дополню.Но к сожалению есть и плохии моменты в частности доставки,местное ОС отмечает о получении адресатом 23.10.21.,хотя товар ещё не полчен.Фактически получил 28.10.21.Вот такие сюрпризы выдаёт Почта России.
I***n
Страна: RU Color: 750W Доставка: Standard Shipping 16.10.2021
все отлично , подключал двигатель 600 ватт работает, тормозит ,я доволен
T***r
Страна: NZ Color: 750W add RS485 Доставка: ePacket 21.12.2021
looks really good, exactly as described, good instructions and very well packaged. recommend this seller and product, great value!
V***r
Страна: UA Color: 750W Доставка: Standard Shipping 22.12.2021
Частотник соответствует описанию, упаковано хорошо, доставка быстрая.
O***o
Страна: RU Color: 750W Доставка: Standard Shipping 20.09.2021
Доставили в Воронеж за две с половиной недели, все работает.
V***v
Страна: RU Color: 750W Доставка: Standard Shipping 06.12.2021
Пришло быстро, все рабочее, спасибо.
K***e
Страна: RU Color: 400W add RS485 Доставка: Standard Shipping 02.10.2021
упакован супер доставка быстрая
V***n
Страна: RU Color: 750W add RS485 Доставка: Standard Shipping 18.10.2021
проверил работает все в ажуре спасибо продавцу
R***y
Страна: RU Color: 750W add RS485 Доставка: Standard Shipping 03.11.2021
Дошло все быстро. Все работает !
A***A
Страна: RU Color: 750W add RS485 Доставка: Standard Shipping 19.12.2021
Проверил Всё изумительно.
A***v
Страна: RU Color: 750W Доставка: Standard Shipping 24.10.2021
Всё отлично! Пришло быстро, работает хорошо.
E***h
Страна: RU Color: 400W Доставка: Standard Shipping 15.12.2021
работает, обороты меняет, с этим все ок. из минусов, «синус» см картинку ) из-за такого графика появляется высокочастотный звук из мотора, я не слышу, дети слышат
B***v
Страна: RU Color: 750W Доставка: Standard Shipping 06.11.2021
очень быстро работает нет не проверял
R***r
Страна: RU Color: 750W Доставка: Standard Shipping 16.09.2021
Товар пришел быстро. Спасибо продавцу.
M***v
Страна: RU Color: 750W add RS485 Доставка: Standard Shipping 14.10.2021
Все норм! Быстрая отправка, надежная упаковка.
A***N
Страна: RU Color: 750W add RS485 Доставка: Standard Shipping 09.12.2021
товар соответствует описанию.
Y***n
Страна: RU Color: 750W add RS485 Доставка: Standard Shipping 13.12.2021
Хорошо
R***k
Страна: RU Color: 750W add RS485 Доставка: Standard Shipping 19.11.2021
пока не пробовал
Похожие товары
ВНИМАНИЕ!
Автоматический перевод описания осуществляется только в текстовой форме. Информация, представленная поставщиком в виде картинок или надписей на фотографии, к сожалению не может быть переведена по техническим причинам. Показать оригинал описания данного товара.
Характеристики товара: |
|
| Цвет: | Инвертор, 120W; Инвертор, 200W; Инвертор, 400W; Инвертор, 750W; Добавить 485 коммуникации плюс 8 юаней; |
| Бренд: | TUAN; |
| Модель: | 400W; |
Это утверждённая версия страницы. Она же — наиболее свежая версия.
Купить в интернет-магазине
Общая информация
Преобразователь частоты T13-750W-12-H (T13-400W-12-H) можно подключить к контроллеру Wiren Board через интерфейс RS-485 (EIA485).
Устройство имеет особенности работы по протоколу Modbus RTU, что приводит к ошибкам обмена, поэтому в веб-интерфейсе контроллера Wiren Board каналы устройства могут на короткое время окрашиваться красным. Это не влияет на управление устройством и его функции.
Причины ошибок обмена:
- чтение регистров по одному часто вызывает ошибку, поэтому читать из устройства следует по несколько регистров сразу;
- на команду записи устройство отвечает несколько раз подряд, что может вызывать ошибки чтения сразу после записи.
Изготавливается сторонним производителем в Китае.
Технические характеристики
| Параметр | Значение |
|---|---|
| Питание | |
| Напряжение питания | 230 В переменного тока |
| Собственная потребляемая мощность | 20 Вт |
| Нагрузка | |
| Мощность подключаемого электродвигателя | 750 Вт |
| Максимальный выходной ток | 3.86 А |
| Диапазон возможного изменения выходной частоты | 1.0 – 99.0 Гц |
| Несущая частота ШИМ | 8 кГц |
| Управление | |
| Интерфейс управления | RS-485 и кнопки с регулятором на панели |
| Изоляция интерфейса | Нет |
| Клеммники и сечение проводов | |
| Рекомендуемое сечение провода с НШВИ | 0.35 – 1 мм2 — одинарные, 0.35 – 0.5 мм2 — сдвоенные провода |
| Длина стандартной втулки НШВИ | 8 мм |
| Момент затяжки винтов | 0.2 Н∙м |
| Условия эксплуатации | |
| Температура воздуха | От -10 до +55 °С |
| Относительная влажность | До 65 %, без конденсации влаги |
| Степень влаго- и пылезащиты | IP20 |
| Гарантийный срок | 1 год |
| Срок службы | 5 лет |
| Габариты | |
| Габаритные размеры (Д x Ш х В) | 130x60x100 мм |
| Масса (с упаковкой) | 0.85 кг |
Подключение к контроллеру
Управлять преобразователем частоты можно с помощью его дискретных входов, аналогового задания или по протоколу Modbus RTU через интерфейс RS-485.
Если устройство стоит последним на шине — рекомендуем установить терминирующий резистор 120 Ом между A и B клеммами шины RS-485.
| Клемма частотника | Клемма контроллера |
|---|---|
| RS485+ | A |
| RS485− | B |
| COM | GND |
- Подключение T13-750W-12-H
-
Однофазный мотор
-
Трёхфазный мотор
-
Клеммы управления
Параметры подключения
Режим управления по сети
Например, установим источником параметров Modbus регистры:
- Зайдите в меню устройства.
- Найдите в меню параметры из таблицы и установите их.
- Нажмите кнопку Save/Lock, чтобы сохранить настройки.
| Параметр | EN | RU | Значение | Расшифровка |
|---|---|---|---|---|
| -1.0- | Source of working frequency | Установка частоты | 3 | Modbus RTU |
| -1.1- | Start/stop source of control | Запуск.остановка двигателя | 1 | Modbus RTU |
Настройки связи
Перед подключением T13-750W-12-H к контроллеру:
- Настройте преобразователь через встроенное меню.
- Нажмите кнопку Save/Lock, чтобы сохранить настройки.
| Параметр | EN | RU | Значение | Расшифровка |
|---|---|---|---|---|
| -0.7- | Rs485 baud rate | Скорость, бит/с | 96 | 9600 |
| -0.8- | Rs485 format | параметры связи | 8N2 | количество бит, четность, количество стоп-бит |
| -0.9- | Machine number | Адрес | любое число от 1 до 247 | Свободный Modbus-адрес (Slave ID) |
Представление в веб-интерфейсе
T13-750W-12-H в веб-интерфейсе контроллера Wiren Board
Выбор шаблона
Чтобы устройство появилось на вкладке Устройства в веб-интерфейсе контроллера Wiren Board, добавьте новое serial-устройство и выберите шаблон T13-400W-12-H, T13-750W-12-H.
Учитывайте, что установить параметры частотного преобразователя, например частоту можно только в пределах, заданных при настройке через меню в качестве минимальной и максимальной.
В некоторых моделях нет датчика температуры радиатора, в этом случае значение будет 0.
Таблица регистров
Таблица регистров преобразователя частоты T13-750W-12-H
Полезные ссылки
- Инструкция для T13-750W-12-H на русском
| Протоколы | |
|---|---|
| Опрос датчиков и работа с устройствами (в базовой комплектации) | 1-Wire • DLMS/COSEM • Modbus RTU/TCP Master • ГОСТ МЭК 61107 • СПОДЭС (ГОСТ Р 58940-2020) |
| Опрос датчиков и работа с устройствами (с помощью модулей расширения) | KNX • eBUS • OpenTherm • Z-Wave • Zigbee |
| Опрос контроллера из систем верхнего уровня и с других устройств | KNX • Modbus RTU/TCP Slave • MQTT • OPC UA • SNMP • Zabbix • МЭК 104 • SmartWeb (Гидролого) |
| Системы верхнего уровня | |
| Системы мониторинга и SCADA | Grafana • Home Assistant • IntraHouse • IntraSCADA • iRidium Server • MasterSCADA • Nagios • SimpLight SCADA • Rapid SCADA • SAYMON • Zabbix |
| Приложения | |
| Управление с телефона | MQTT Dash • iRidium • Home Assistant • Apple Home • Дом с Алисой • Салют! Умный дом |
| Голосовые помощники | Siri • Салют • Алиса |
| Способы программирования | |
| Языки программирования ПЛК | FBD, ST, LD, SFC (МЭК 61131-3) |
| Визуальное программирование | Node-RED |
| Упрощённый текстовый движок правил | wb-rules |
| Стандартное программирование | Python • C++ • Go • Node.js |
| Протестированные устройства сторонних производителей | |
| Адаптеры протоколов | ECODim DALI GW2 • HDL KNX-DALI Gateway M/DALI.1 |
| Аудиоресиверы сетевые | URRI A1 |
| Датчики климата | DS18B20 и клоны • Kvadro 1WIRE-RS485 • RLDA NL-3DPAS-M • RLDA NL-1S111 • Wellpro WP3066ADAM • Даджет MT8057/MT8057S • РД MSU21 • РД MSU24 • РД MSU34+TLP • РД MSU34+THLP • Эксис ИВТМ-7 М 3 |
| Датчики уровня | ЭСКОРТ ДБ-2 |
| Универсальные датчики | TESLiOT (BLE) |
| Диммеры | DALI • Philio PAD07-RU • Uniel UCH-M131RC/0808 • Uniel UCH-M141RC/0808 • РД DDL04R • РД DDL24 • РД DDL84R-V • РД DDM845R |
| Домофоны | VIZIT (ВИЗИТ), Элтис, Цифрал, Техком, Метаком, Beward и другие координатного типа |
| Конвекторы | Varmann QTherm |
| Кондиционеры | Haier YCJ-A002 • Z-Wave ИК-передатчик PAR01-RU • GREE (ONOKOM-AIR-GR-1-MB-B) • AUX (ONOKOM-AIR-AUX-1-MB-B) • Mitsubishi Electric (ONOKOM-AIR-ME-1-MB-B) • Daikin (ONOKOM-AIR-DK-1-MB-B) • Hisense (ONOKOM-AIR-HS-3-MB-B) • Haier (ONOKOM-AIR-HR-1-MB-B) |
| Рекуператоры / вентиляция | Рекуператор VAKIO Base Smart • ПВУ Royal Clima Soffio Primo RCS-350-P • Вентиляционная установка Komfovent |
| Контроллеры вентиляции и климата | Mautomatics JL204C5 (Breezart 550 Lux) • GTC (General Thermo Controllers) Syberia 5.0 • SystemAir VR 300 • Тепломаш КЭВ-БЛОК-МК |
| Контроллеры холодильного оборудования | Carel BASIC(PYEZ)/EASY(PJEZ) • Danfoss EKC 204A1/AK-CC 210 • Danfoss EKC 202B • Danfoss EKC 202D • Danfoss ERC 211/ERC 213/ERC 214 • Eliwell IDPlus 974 |
| Метеостанции | Netatmo Urban Weather Station • Сокол-М |
| Модули ввода-вывода | Wellpro WP8026ADAM • Wellpro WP8027ADAM • Wellpro WP8028ADAM • Wellpro WP9038ADAM |
| Модули реле | РД DRB88 • Rubetek TZ78 • ICP DAS tM-P3R3 • ICP DAS LC-103 • Uniel UCH-M111RX/0808 • Uniel UCH-M121RX/0808 |
| Моторы для штор/Электрокарнизы | Akko AM82 • Dooya DM35EQ • Dooya DT82 • WinDeco • Somfy SDN • SunFlower KT82TV • Somfy RS485 RTS transmitter • Беспроводные Dooya/Somfy |
| Панели управления | Cityron ПУ-3 (Modbus) • Sonoff NSPanel (fw NXPanel) • EKF PRO-Screen • Skirell Panel |
| Счётчики воды | Пульсар • Пульсар-М • Элехант СВД-15 • Элехант СВД-20 • Счётчики с импульсным выходом |
| Счётчики тепла | Пульсар |
| Счётчики электроэнергии | CSQ PD561Z-9SY • Peacefair PZEM-016 • Eastron SDM120M • Eastron SDM220M • Меркурий 200 • Меркурий 201 • Меркурий 203.2T • Меркурий 204 • Меркурий 206 • Меркурий 208 • Меркурий 230 • Меркурий 231 • Меркурий 234 • Меркурий 236 • Меркурий 238 • Милур 104 • Милур 105 • Милур 107 • Милур 305 • Милур 307 • Нева МТ 113 • Нева МТ 123 • Нева МТ 124 • Нева МТ 323 • Нева МТ 324 • Энергомера CE301 • Энергомера CE102M • Энергомера CE303 • Энергомера CE308 |
| Термостаты | BAC-002ALN • BAC-6000ALN • BAC-6000ELNW • BHT-6000 Series • Heatit Z-TEMP2 • Hessway • Siemens RDF302 • Ridan Greencon-R |
| Увлажнители | CAREL Humisonic |
| Управление двигателями (преобразователи частоты) | Vacon/Danfoss 10 • Danfoss VLT Microdrive FC51 • T13-400W-12-H/T13-750W-12-H |
| Прочее | DIY • Shelly UNI • Tasmota • ESPHome |
| Устройства с аналоговым или цифровым выходом | |
| Низковольтная нагрузка | Реле с управляющим напряжением 12–24 В • Светодиоды • Низковольтные вентиляторы • Низковольтные сигнальные лампы |
| Датчики с аналоговым выходом | Датчики температуры, давления и другие, имеющие на выходе ток или напряжение |
| Счётчики с импульсным выходом | Счётчики электроэнергии, воды, тепла и другие с импульсным выходом |
| Устройства с выходом «открытый коллектор» | Устройства с выходом «открытый коллектор» |
| Устройства с питанием 220 В | Лампы • Контакторы и другое оборудование с питанием от 220 В |
Преобразователь частоты 400 Вт 750 Вт с добавлением трехфазного драйвера двигателя RS485 MCU T13-400W-12-H однофазный вход
Отзывов: 135
135
Рейтинг: 4.70
Последний
отзыв: 30.12.22
Сортировка отзывов
Оценка: 5
Рейтинг отзыва: 39
Дата: 22.06.22
Отзыв:
Покупаю не первый раз.
Своих денег стоит.
Первый поставил в точильный станок, работает ОТЛИЧНО.
Продавец на письма отвечает, по моей прозьбе выслал инструкцию ещё до покупки.
Качество отличное
Из минусов продавец выслал с портом RS485, хотя я покупал простой.
P/S Для тех индивидумов кому нужно НЕ качество а наличие Русского языка вам в другой магазин. Частотник для внутреннего рынка и да в нем все на китайском. Но продавец высылает инструкцию на русском английском и китайском…. Да русская инструкция НЕ полная.
Но это проблема для тех кто не дружит с головой и руками. Как видно на фото какая разница на каком языке основное табло если все управление на внешних устройствах.
Настроил поставил и забыл.
Дополненный отзыв:
Дополню для тех у кого двигатель на три фазы и на напряжение 240 вольт и 120…
А для русского стандарта это 220 вольт 127…
Например серия двигателей УАД 72..
ТО МОЖНО ПОДКЛЮЧАТЬ ДВИГАТЕЛИ не только треугольноком но и ЗВЕЗДОЙ.
У меня вентилятор на двигателе УАД 72 ОТ передатчика МУССОН. Требовалось сделать регулировки оборотов, подключил к частотнику и все заработало
Страница отзыва
Y***o
Отзывов у пользователя: 15
Оценка: 5
Рейтинг отзыва: 21
Дата: 23.04.21
Отзыв:
Заказ получил через 18 суток, это очень хорошо. Товар упакован в почтовый конверт, пупырку и заводскую коробку с пенопластом — всё получил в идеальном состоянии.
Инвертор помещается на ладони. Но, по размерам мал, да удал! Подключал два асинхронных двигателя, один от заточного станочка (P~80 Вт), другой от сверлильного станка (P=270 Вт). Скорость вращения регулируется плавно от 0 до 50 Гц, при уменьшении скорости мощность на валу сохраняется — даже на 5 Гц вал рукой не удержать. Реверс работает, электронный тормоз работает, на заводских настройках вал на максимальных оборотах останавливается за 1 сек. Через 10 мин. работы у частотника комнатная температура.
Приобретением очень доволен! Рекомендую нуждающимся!
P.S. Инструкция на китайском, но по ссылке одного из покупателей скачал инструкцию на английском, буду разбираться с меню (но и из коробки работает отлично).
Страница отзыва
G***i
Отзывов у пользователя: 11
Оценка: 5
Рейтинг отзыва: 19
Дата: 22.06.22
Отзыв:
Покупаю не первый раз.
Своих денег стоит.
Первый поставил в точильный станок, работает ОТЛИЧНО.
Продавец на письма отвечает, по моей прозьбе выслал инструкцию ещё до покупки.
Качество отличное
Из минусов продавец выслал с портом RS485, хотя я покупал простой.
P/S Для тех индивидумов кому нужно НЕ качество а наличие Русского языка вам в другой магазин. Частотник для внутреннего рынка и да в нем все на китайском. Но продавец высылает инструкцию на русском английском и китайском…. Да русская инструкция НЕ полная.
Но это проблема для тех кто не дружит с головой и руками. Как видно на фото какая разница на каком языке основное табло если все управление на внешних устройствах.
Настроил поставил и забыл.
Дополненный отзыв:
Дополню для тех у кого двигатель на три фазы и на напряжение 240 вольт и 120…
А для русского стандарта это 220 вольт 127…
Например серия двигателей УАД 72..
ТО МОЖНО ПОДКЛЮЧАТЬ ДВИГАТЕЛИ не только треугольноком но и ЗВЕЗДОЙ.
У меня вентилятор на двигателе УАД 72 ОТ передатчика МУССОН. Требовалось сделать регулировки оборотов, подключил к частотнику и все заработало
Страница отзыва
V***v
Отзывов у пользователя: 17
Оценка: 5
Рейтинг отзыва: 18
Дата: 11.01.22
Отзыв:
Отличная весч!
Двигатель с двумя обмотками (конденсатор удаляется) подключается без проблем.
Всем Добра!
Похожая схема подключения в фото.
Страница отзыва
R***k
Отзывов у пользователя: 2
Оценка: 5
Рейтинг отзыва: 14
Дата: 23.09.21
Отзыв:
Продукт работает. Если вы заказываете версию MODBUS и хотите использовать VFD вручную. Я добавила настройки на английском языке.
Страница отзыва
A***o
Отзывов у пользователя: 9
Оценка: 5
Рейтинг отзыва: 9
Дата: 14.06.21
Отзыв:
все хорошо, работает нормально, разгон, торможение, все настраивается. Очень доволен данной коробочкой. Инструкцию нашел на русском.
Страница отзыва
I***h
Отзывов у пользователя: 52
Оценка: 5
Рейтинг отзыва: 8
Дата: 29.12.21
Отзыв:
На вид отличный при этом очень компактный частотник, в работе пока не проверил. Собран добротно, платы покрыты лаком, что хорошо, базируется на спец модуле для частотников, управляется микроконтроллером серии STM. Думаю можно брать для движков до 400 ват думаю самое то.
Страница отзыва
E***h
Отзывов у пользователя: 1
Оценка: 4
Рейтинг отзыва: 8
Дата: 16.12.21
Отзыв:
работает, обороты меняет, с этим все ок.
из минусов, «синус» см картинку ) из-за такого графика появляется высокочастотный звук из мотора, я не слышу, дети слышат
Страница отзыва
V***v
Отзывов у пользователя: 55
Оценка: 5
Рейтинг отзыва: 7
Дата: 22.04.21
Отзыв:
Инструкция на китайском, но продавец дал ссылку на файл с описанием на английском. Пока ничего не понятно. Коробочка выглядит игрушечной, до того мала. В целом, покупкой я доволен. Предполагаю использовать частотный преобразователь с вакуумным насосом мощностью 250 Ватт. На последнем фото сравнение размеров преобразователя с пультом от телевизора.
Страница отзыва
R***r
Отзывов у пользователя: 8
Оценка: 5
Рейтинг отзыва: 6
Дата: 04.08.21
Отзыв:
Доставка до Краснодара за 9дней. Трек отслеживался. Упакован в коробку хорошо. Буду брать ещё. Сразу из коробки не запустился. В меню пункт 11 нужно выставить 0.это означает запуск с панели управления.
Страница отзыва
I***H
Отзывов у пользователя: 30
Оценка: 5
Рейтинг отзыва: 6
Дата: 15.06.21
Отзыв:
Заказ доставили за 7 дней. Проверил в работе всё работает без нареканий. Учтите по умолчанию в настройках управление настроено с внешних органов управления-(с кнопок).Испытал на движке 220-380 полет нормальный. По настройкам в Ютубе есть ролик.
Страница отзыва
T***v
Отзывов у пользователя: 51
Оценка: 5
Рейтинг отзыва: 6
Дата: 10.03.22
Отзыв:
Хороший, маленький, легенький. А ютубе есть канал Сергея Таранцова, спасибо ему за выложеную инструкцию на русском языке! Почитал, подключил движок, обмотки в треугольник, переключил режим управления на фронтальную панель, и все заработало! Крутит, сопротивляется, обороты держит. Отличный частотник за свои деньги. Покупал за 2867руб — 750w.
Страница отзыва
V***n
Отзывов у пользователя: 8
Оценка: 5
Рейтинг отзыва: 6
Дата: 13.01.22
Отзыв:
Сразу из коробки не заработал. Прочитал отзывы и понял, что надо переключить параметр 1.1 в настройках на 0, чтобы управление осуществлялось кнопками на передней панели. После переключения всё нормально работает. Двигатель 550 Вт, соединение треугольник.
Страница отзыва
f***r
Отзывов у пользователя: 25
Оценка: 5
Рейтинг отзыва: 5
Дата: 12.08.22
Отзыв:
27 июня — оплатил, обещали доставить за 19 дней (16 июля), но по факту 16 июля — было отправлено авиарейсом из Гонконга. И, прекращение отслеживания до 5 августа! В итоге получил на почте в Нижнем Новгороде через 43 дня! Но посылка практически не повреждена и содержимое доехало в отличном состоянии. Преобразователь очень понравился. Компактный. Инструкция на русском есть в интернете. После настройки отлично работает с двигателем. Реверс, торможение и т. д. Для меня всё закончилось удачно, так что рекомендую продавца и его товар.
Страница отзыва
P***r
Отзывов у пользователя: 4
Оценка: 4
Рейтинг отзыва: 5
Дата: 23.09.21
Отзыв:
Никаких контактов с продавцом.
Руководство пользователя на YT U rosjane.
Если нет staruje с ключом ВКЛ/ВЫКЛ набор nastawę 1,1 для 0.
Управляемый Modbus для RS485 CA работает должным образом
Команда 03 считывает 27 регистраторов.
Управляющий инвертор с помощью команды 06
FWD register 3-1; 2 сплава; 5 оборотов
Зарегистрируйте 2-500-50,0 Гц
Все, что вы видите на фотографиях.
Что такое RS585 и Modbus? Поиск «simplymodbus. Ca и интерфейс RS485
Потенциометры обычно применяются 1k-10k Ом
Страница отзыва
D***n
Отзывов у пользователя: 7
Оценка: 5
Рейтинг отзыва: 4
Дата: 21.03.22
Отзыв:
маленький как ладошка. остальное как в описание. шло долго. не подключал пока. думаю всё хорошо будет. осталось корпус придумать и подключить к универсальный 3. инструкцию в нэте скачал на русском. всем добра.
Страница отзыва
B***o
Отзывов у пользователя: 18
Оценка: 5
Рейтинг отзыва: 4
Дата: 09.01.22
Отзыв:
упаковано хорошо, внешних повреждений нет, на упаковке есть кьюар код для скачивания мануала на английском.
Страница отзыва
9***r
Отзывов у пользователя: 2
Оценка: 5
Рейтинг отзыва: 4
Дата: 07.10.21
Отзыв:
Поставил на швейную машину 1022м вместо конструкции с конденсатором. Работает отлично, прямо из коробки. Подключение элементарное: вход втыкается в «imput» выход в «output». Так как мне не нужно, чтоб двигатель крутился обратно, с реверсом не заморачивался.
Страница отзыва
F***s
Отзывов у пользователя: 1
Оценка: 1
Рейтинг отзыва: 3
Дата: 22.04.21
Отзыв:
o inversor não funcionou para ativar o motor, abri disputa, quando fui enviar de volta o produto a etiqueta dos correios era inválida, Fiz contato com através do e-mail, enviaram outra etiqueta, enviei o produto para o armazém, eles receberam o produto e fecharam a disputa dizendo que não enviei, resumindo, ficaram com o produto e danificado e com meu dinheiro. Só me restando entrar com processo na justiça civil.
Дополненный отзыв:
O produto não funcionou e o sistema de atendimento ao cliente do AliExpress é extremamente confuso e cansativo para estimular os clientes a desistirem de buscar aquilo que é direito. não recomendo para ninguém. O vendedor em momento nenhum respondeu a disputa, e a logística de retorno do AliExpress no Brasil é uma grande tragédia.
Страница отзыва
S***n
Отзывов у пользователя: 4
Оценка: 5
Рейтинг отзыва: 3
Дата: 13.08.21
Отзыв:
Работает хорошо. Подключил к токарному станку, двигатель 600 ватт, при снижении оборотов, крутящий момент не теряется.
Страница отзыва





























































































