Компания «ТЕПЛОСИСТЕМЫ» занимается производством котлов Диво с 2001 года и предлагает Вам ознакомится с инструкцией по розжигу котла Диво .
Розжиг котла Диво
Розжиг топлива в котле Диво необходимо начинать, убедившись, что отопительная система заполнена водой.ВНИМАНИЕ! Рекомендуемое давление холодной воды с системе 1 атм.Для розжига котла необходимо произвести следующие действия:- прижать на 50% вентиль на обратной магистрали, растопить котел. Перед розжигом дверцу поддувала установить в полностью открытое положение. Заложить основное топливо, затем, используя растопочный материал, разжечь огонь. После того, как огонь разгорелся, плотно закрыть дверцу топки на защелку и оставить дверцу поддувала в открытом положении до введения системы в рабочий режим.- при достижении температуры воды в системе 60-80 о С отрегулировать вентилями подачии обратки рабочий режим.- удалить воздух из радиаторов отопления через воздухоотводчики. При необходимости поднять давление, но не более 2 атм. при 80-90 С (рекомендуемое 1,5 атм.).- после ввода системы в рабочий режим, регулировка температуры воды производится с помощью дверцы поддувала (для повышения температуры дверца открывается, для понижения закрывается).ЭКСПЛУАТАЦИЯ КОТЛА ПРИ ПОЛНОСТЬЮ ОТКРЫТОЙ ДВЕРЦЕ ПОДДУВАЛА НЕЭФФЕКТИВНА.В котлах, оснащённых регулятором тяги, необходимо установить количество воздуха,необходимое для полного сгорания порции топлива путём открытия дверцы поддувала.Необходимо установить на регуляторе температуру котла, отрегулировать длину цепи так,чтобы при заданной температуре, например, в 70˚С, дверца была закрыта и открывалась при падении температуры (более подробно в паспорте на регулятор тяги). Газогенерация (номинальный режим работы котла) достигается путем ограничения доступа воздуха с помощью дверцы поддувала в топочную камеру котла. При этом происходит тление топлива с выделением древесных газов, которые сгорают в верхней камере выделяя тепло. В этом режиме котел обладает максимальным КПД.Во время розжига может произойти задымление котла или его потение. Эти явления должны исчезнуть после разогрева трубопровода котла и разогрева котла.
По вопросу консультации или приобретения нашей продукции обращайтесь к нашим менеджера.
Источник:
Прочитать на источнике
От заполярья до субтропиков
Котлы Диво могут работать как в открытых, так и в закрытых системах отопления, как с циркуляционным насосом, так и без него. В качестве теплоносителя можно использовать воду или специальную жидкость (антифриз).
Топливо в котле сгорает в режиме газогенерации или пиролиза (тление топлива в условиях ограниченного доступа кислорода), что позволяет существенно сократить расход топлива. Работает на одной закладке топлива в среднем 10-12 часов, максимум до 16 часов.
Котел Диво имееет уникальную конструкцию топки, которая делится перевалочными модулями на камеру пиролиза и камеру дожига с форсункой и инжекторами. В нижней камере происходит пиролиз топлива, в верхней камере происходит вторичный дожиг газов. За счет чего топливо сгорает более качественно, что значительно снижает выброс в атмосферу вредных веществ и существенно повышает КПД котла.
Так как температура отходящих газов невысокая, во избежании образования точки росы, обратной тяги и в целях прекращения образования конденсата, мы рекомендуем дымоходную трубу делать теплую (кирпич, сэндвич дымоходы). Так же в целях минимализирования образования конденсата, рекомендуем ставить гидрострелку либо трехходовой кран.
С котлом Диво нет необходимости заготавливать мелкие дрова, так как длина топки от 48 до 98 см. Но, как любой пиролизный котел, он любит сухое топливо влажностью не более 20-30%. При использовании более влажного топлива снижается КПД котла.
Большой объем теплоносителя в котлах Диво позволяет использовать их без теплоаккумулятора. Водяная рубашка вокруг топки не позволяет металлу прогорать.
В отличие от котлов прямого горения, где большая часть тепловой энергии вылетает в трубу, в котле «Диво» температура отходящих газов относительно невысокая (110-150°C), то есть основная часть тепловой энергии идет на теплоноситель. Это достигается благодаря большой площади теплосъема, большого объема теплоносителя в котле и перевалочных модулей, омываемых водой.
ниже, чем у обычного котла
5 июля 2023 /
0 комментариев
/
23 просмотра
Если у вас есть котел \»Диво\» и вы ищете подробную инструкцию по его эксплуатации, то вы попали по адресу! В этой статье мы предоставляем полное руководство, которое поможет вам ознакомиться с основными функциями и правильным использованием котла.
1
2
3
4
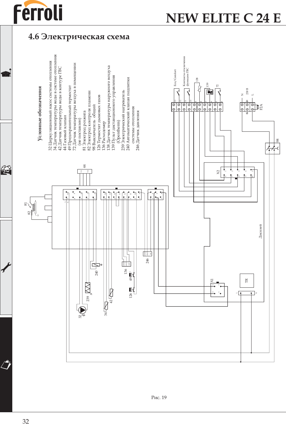
Электрическая схема газового котла Ferroli Domiproject c24
5
6
7
8
9
Китурами Твин Альфа 13
10
Шаг 1: Подготовка к установке
Перед установкой котла \»Диво\» необходимо выполнить несколько важных шагов. В нашей статье мы приводим подробные фотографии и объяснения к каждому из них, чтобы у вас не возникло никаких сложностей.
11
12
13
14
15
16
17
Котёл отопления Зота Дымок 20 схема подключения
18
19
20
Шаг 2: Правильное подключение
Одним из ключевых моментов при эксплуатации котла \»Диво\» является правильное подключение к системе отопления. Мы расскажем вам, как это сделать и предоставим фотографии для более наглядного понимания.
21
22
23
Схема электроплиты ЭБЧШ 5-4-7 0 5 5-220
24
25
26
Lem 25l мотопомпа схема
27
28
29
Вес горелки к1800м f.b.r
30
Давление в расширительном бачке котла Ферроли 24
Шаг 3: Настройка и обслуживание
После установки и подключения котла необходимо правильно настроить его работу и регулярно проводить техническое обслуживание. В нашей инструкции вы найдете пошаговые фотографии и объяснения к каждому этапу процесса.
31
Паспорт на штангенциркуль 0-1500
32
33
34
Обвязка твердотопливного котла в закрытой системе отопления
35
36
Oasis PN-36m
37
38
39
40
Шаг 4: Решение проблем
В случае возникновения неполадок с котлом \»Диво\» важно знать, какие проблемы могут возникнуть и как их решить. Мы подготовили фотографии и подробные инструкции, которые помогут вам справиться с любыми проблемами.
Не откладывайте ознакомление с инструкцией по эксплуатации котла \»Диво\» на потом! Следуйте нашим подробным инструкциям с фотографиями и наслаждайтесь комфортным и безопасным использованием вашего котла.
Строительные технологии
МЕНЮ
Котел диво инструкция по эксплуатации — фото
Обновлено: 28.11.2023
Читайте также:
- Кран уровня пола полуприцепа wabco
- Откосы на окна из мебельного щита своими руками
- Паркетная доска американский орех













































































































